2SD2499 NPN Transistor: 1500V, TO-3PF, 2SD2499 Equivalents and Pinout
2SD2499 datasheet pdf and Unclassified product details from INCHANGE SEMICONDUCTOR CO LTD stock available at Utmel









2SD2499 is an NPN transistor manufactured in TO-3PF or also called the TO-3PM package. This article is going to introduce details about the 2SD2499 transistor.
What is 2SD2499?
The 2SD2499 is an NPN transistor that comes in a TO-3PF or TO-3PM packaging. The transistor has certain fascinating characteristics, and it was designed largely for use in horizontal deflection circuitry for TVs and monitors. Its high speed and high voltage capabilities make it excellent for use in a variety of high voltage applications up to 600V, as well as high-speed switching applications.
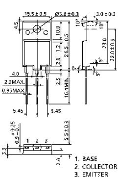
2SD2499 Pinout

2SD2499 Pinout
2SD2499 Features
High Voltage: Vcbo = 1500V
Low Saturation Voltage: Vce (sat) = 5V (Max.)
High Speed: tf = 0.3us (Typ.)
Built-in Damper Type
Collector Metal (Fin) is Fully Covered with Mold Resin.
2SD2499 Specifications
Package Type: TO-3PF Or TO-3PM
Transistor Type: NPN
Max Collector Current(IC): 6A
Max Collector-Emitter Voltage (VCE): 600V
Max Collector-Base Voltage (VCB): 1500V
Max Emitter-Base Voltage (VEBO): 5V
Max Collector Dissipation (Pc): 50 Watt
Max Transition Frequency (fT): 2 MHz
Minimum & Maximum DC Current Gain (hFE): 8 To 25
Max Storage & Operating temperature: -55 to +150 Centigrade
2SD2499 Applications
Motor Driver Circuits
Audio amplification
High voltage AC and DC applications
Drive load of up to 6A
2SD2499 Equivalents
2SC5250, 2SC3896, 2SC3894
Where and How to use 2SD2499
The transistor is primarily developed for use in TV and monitor deflection circuitry, but its excellent specifications also make it suitable for use in a wide range of high voltage and high-speed switching applications, as well as a wide range of general-purpose applications. This transistor can be utilized for audio amplification in addition to switching applications.
2SD2499 Dimensions

2SD2499 Dimensions
2SD2499 Manufacturer
Toshiba is a household name in Japan and has long been viewed as a symbol of the country's technological prowess. Its reputation has since been affected following an accounting scandal in 2015 and the bankruptcy of subsidiary energy company Westinghouse in 2017, after which it was forced to shed several underperforming businesses, essentially eliminating the company's century-long presence in consumer markets.
What can be 2SD2499 used for?
The 2SD2499 is an NPN transistor that comes in a TO-3PF or TO-3PM packaging. The transistor has certain fascinating characteristics, and it was designed largely for use in horizontal deflection circuitry for TVs and monitors.
What is the voltage of 2SD2499?
VCBO = 1500 V
Decoding the Microchip PIC16F5X Series: Flash-Based 8-Bit CMOS Microcontrollers29 February 2024181
MSP430F20x1, MSP430F20x2, and MSP430F20x3: Mixed-Signal Microcontroller29 February 2024128
Audio Amplifier IC LM386:Where/How to use?05 May 202210366
LM358AP OPAMP: Pinout, Specification, Datasheet14 August 20245367
How to Access the STM32G071RBT6 Datasheet from STMicroelectronics16 June 2025339
HX711 Analog-to-Digital Converter: 24-Bit ADC, HX711 Datasheet, and Load Cell26 January 202220324
MJE13003 NPN Silicon Power Transistor: Datasheet, Circuit and Pinout23 October 20215945
P6KE33A TVS Diodes: System, Pinout, and Datasheet20 April 20222047
What is Relay?15 November 20215385
Lattice FPGA: The Ultimate Guide to Low-Power, Small Form Factor Solutions19 September 20253008
Introduction to TTL and CMOS Logic Gate Circuits24 November 202519840
Logic - Translators, Level Shifters: A Semiconductor Device on A Circuit22 February 20231639
An Overview of Crystal Oscillator21 September 202011518
Reed Relays: 10 Key Applications in Modern Electronics04 July 2025737
Dynamic On-Resistance and its Impact on Power Converters28 August 20232387
Introduction to Sensors in the Internet of Things24 September 20212151
INCHANGE SEMICONDUCTOR CO LTD
In Stock
United States
China
Canada
Japan
Russia
Germany
United Kingdom
Singapore
Italy
Hong Kong(China)
Taiwan(China)
France
Korea
Mexico
Netherlands
Malaysia
Austria
Spain
Switzerland
Poland
Thailand
Vietnam
India
United Arab Emirates
Afghanistan
Åland Islands
Albania
Algeria
American Samoa
Andorra
Angola
Anguilla
Antigua & Barbuda
Argentina
Armenia
Aruba
Australia
Azerbaijan
Bahamas
Bahrain
Bangladesh
Barbados
Belarus
Belgium
Belize
Benin
Bermuda
Bhutan
Bolivia
Bonaire, Sint Eustatius and Saba
Bosnia & Herzegovina
Botswana
Brazil
British Indian Ocean Territory
British Virgin Islands
Brunei
Bulgaria
Burkina Faso
Burundi
Cabo Verde
Cambodia
Cameroon
Cayman Islands
Central African Republic
Chad
Chile
Christmas Island
Cocos (Keeling) Islands
Colombia
Comoros
Congo
Congo (DRC)
Cook Islands
Costa Rica
Côte d’Ivoire
Croatia
Cuba
Curaçao
Cyprus
Czechia
Denmark
Djibouti
Dominica
Dominican Republic
Ecuador
Egypt
El Salvador
Equatorial Guinea
Eritrea
Estonia
Eswatini
Ethiopia
Falkland Islands
Faroe Islands
Fiji
Finland
French Guiana
French Polynesia
Gabon
Gambia
Georgia
Ghana
Gibraltar
Greece
Greenland
Grenada
Guadeloupe
Guam
Guatemala
Guernsey
Guinea
Guinea-Bissau
Guyana
Haiti
Honduras
Hungary
Iceland
Indonesia
Iran
Iraq
Ireland
Isle of Man
Israel
Jamaica
Jersey
Jordan
Kazakhstan
Kenya
Kiribati
Kosovo
Kuwait
Kyrgyzstan
Laos
Latvia
Lebanon
Lesotho
Liberia
Libya
Liechtenstein
Lithuania
Luxembourg
Macao(China)
Madagascar
Malawi
Maldives
Mali
Malta
Marshall Islands
Martinique
Mauritania
Mauritius
Mayotte
Micronesia
Moldova
Monaco
Mongolia
Montenegro
Montserrat
Morocco
Mozambique
Myanmar
Namibia
Nauru
Nepal
New Caledonia
New Zealand
Nicaragua
Niger
Nigeria
Niue
Norfolk Island
North Korea
North Macedonia
Northern Mariana Islands
Norway
Oman
Pakistan
Palau
Palestinian Authority
Panama
Papua New Guinea
Paraguay
Peru
Philippines
Pitcairn Islands
Portugal
Puerto Rico
Qatar
Réunion
Romania
Rwanda
Samoa
San Marino
São Tomé & Príncipe
Saudi Arabia
Senegal
Serbia
Seychelles
Sierra Leone
Sint Maarten
Slovakia
Slovenia
Solomon Islands
Somalia
South Africa
South Sudan
Sri Lanka
St Helena, Ascension, Tristan da Cunha
St. Barthélemy
St. Kitts & Nevis
St. Lucia
St. Martin
St. Pierre & Miquelon
St. Vincent & Grenadines
Sudan
Suriname
Svalbard & Jan Mayen
Sweden
Syria
Tajikistan
Tanzania
Timor-Leste
Togo
Tokelau
Tonga
Trinidad & Tobago
Tunisia
Turkey
Turkmenistan
Turks & Caicos Islands
Tuvalu
U.S. Outlying Islands
U.S. Virgin Islands
Uganda
Ukraine
Uruguay
Uzbekistan
Vanuatu
Vatican City
Venezuela
Wallis & Futuna
Yemen
Zambia
Zimbabwe


