Designing with ATTINY13A: Datasheet, Pinout, and Motor Control Guide
1KB Flash Microcontroller
Discover the Microchip ATTINY13A: a low-power 8-bit AVR MCU ideal for motor control and sensors. Get the datasheet, pinout, and key design tips for your BOM.
- Executive Summary: What is the ATTINY13A?
- 1. Technical Specifications & Performance Analysis
- 2. Pinout, Package, and Configuration
- 3. Design & Integration Guide (For Engineers & Makers)
- 4. Typical Applications & Use Cases
- 5. Alternatives and Cross-Reference Guide
- Selection Guide
- 6. Frequently Asked Questions (FAQ)
- 7. Datasheets & Resources
- Specifications
- Datasheet PDF
Executive Summary: What is the ATTINY13A?
The ATTINY13A is a high-performance, low-power 8-bit AVR RISC-based microcontroller designed for compact control applications ranging from simple LED drivers to battery-operated sensor nodes. By executing powerful instructions in a single clock cycle, it achieves throughputs approaching 1 MIPS per MHz, allowing system designers to optimize power consumption versus processing speed. - Market Position: A dominant choice in the low-pin-count (8-pin) market, offering a robust AVR architecture at a fraction of the cost of larger MCUs. - Top Features: 1. Wide Operating Voltage: 1.8V to 5.5V, ideal for flexible battery configurations. 2. Efficiency: Consumes only 190 µA in Active Mode at 1.8V/1 MHz. 3. Integration: Includes a 4-channel 10-bit ADC and On-chip Debug circuitry. - Primary Audience: Ideal for embedded design engineers creating cost-sensitive consumer electronics, and advanced hobbyists leveraging the Arduino ecosystem. - Supply Status: widely available and active, typically used in high-volume production.

ATTINY13A product photo
1. Technical Specifications & Performance Analysis
1.1 Core Architecture (CPU/Logic/Power)
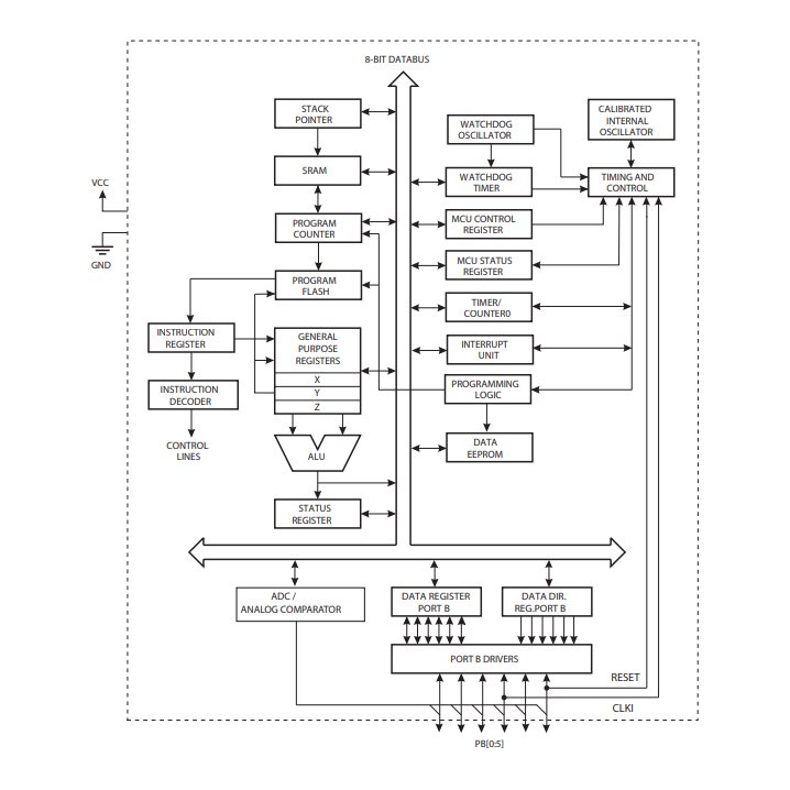
The ATTINY13A is built on the advanced AVR RISC architecture. Unlike rudimentary 8-bit cores, it features 32 general-purpose working registers directly connected to the Arithmetic Logic Unit (ALU). This allows two independent registers to be accessed in one single instruction executed in one clock cycle, resulting in code that is faster and more compact.
Flash Memory: 1 KB In-System Programmable (ISP).
SRAM: 64 Bytes (Critical constraint for complex logic).
EEPROM: 64 Bytes (Useful for storing non-volatile calibration data).
1.2 Key Electrical Characteristics
Engineers typically select the ATTINY13A for its "PicoPower" capabilities. It is designed to run efficiently on varied power sources. - Operating Voltage: 1.8V to 5.5V (Standard operating range).
Speed Grades:
0 – 4 MHz @ 1.8 – 5.5V
0 – 10 MHz @ 2.7 – 5.5V
0 – 20 MHz @ 4.5 – 5.5V
Power Consumption:
Active Mode: ~190 µA (1.8V, 1 MHz).
Power-Down Mode: <1 µA (Typical).
ADC Performance: 10-bit resolution with ±2 LSB absolute accuracy.
1.3 Interfaces and Connectivity
Despite its small footprint, the functionality per pin is maximized:
I/O Lines: 6 General Purpose I/O (GPIO).
Timers: One 8-bit Timer/Counter with Prescaler.
PWM: Two Pulse Width Modulation channels (Great for dimming LEDs or driving small motors).
Communication: Note: There is no hardware UART. Serial communication must be implemented via software (Bit-banging) or USI (Universal Serial Interface) equivalent techniques.

ATTINY13A functional block diagram
2. Pinout, Package, and Configuration
2.1 Pin Configuration Guide
The ATTINY13A most commonly appears in an 8-pin package. Understanding the multiplexed functionality is key to avoiding design conflicts.

ATTINY13A pinout diagram
Pin 1 (PB5/RESET): Acts as the Reset pin by default. Can be fused as an I/O, but this disables ISP programming (High Voltage Programming required to revert).
Pin 4 (GND) & Pin 8 (VCC): Power supply pins.
Pin 2/3 (PB3/PB4): Analog inputs (ADC2/ADC3) or General I/O.
Pin 5/6/7 (PB0/PB1/PB2): PWM outputs, SPI programming lines (MOSI/MISO/SCK), and Interrupts.
2.2 Naming Convention & Ordering Codes
Understanding the Part Numbers:Microchip offers various suffixes denoting package type and packaging method (Tape & Reel vs Tube).
ATTINY13A-PU: PDIP package (Through-hole), Industrial (-40°C to 85°C).
ATTINY13A-SU: SOIC package (Surface Mount), Industrial.
ATTINY13A-SSU: SOIC Narrow profile.
ATTINY13A-MU: VQFN (Very thin, fine pitch) for space-constrained designs.Note: The "A" suffix indicates the modern, lower-power revision replacing the older ATTINY13.
2.3 Available Packages
| Package Type | Dimensions | Common Use Case |
|---|---|---|
| 8-PDIP (PU) | Standard 300 mil | Prototyping, Breadboards, Hobbyist Kits |
| 8-SOIC (SU) | Surface Mount | Mass Production, Consumer Electronics |
| 20-VQFN (MU) | 3x3 mm | High-density wearables, Miniaturized Sensors |
| 10-WPCSP (MMU) | Wafer Level | Extremely small footprint devices |
3. Design & Integration Guide (For Engineers & Makers)
Pro Tip: The 64-byte RAM limit is the most common pitfall. Stack overflow can occur easily if nesting subroutines too deeply.
3.1 Hardware Implementation
Bypass Capacitors: Always place a 0.1µF (100nF) ceramic capacitor between VCC and GND, as close to the pins as possible, to filter high-frequency noise.
Reset Pin Handling: For reliable operation in noisy environments, add a 10kΩ pull-up resistor to the RESET pin.
Thermal Management: No heatsink is required. The device runs cool under almost all load conditions due to its low power draw.
3.2 Common Design Challenges
Below are the critical "Pain Points" identified by developers, along with proven fixes:
Extremely Limited RAM/Flash
Issue: With only 64 bytes of SRAM, standard C libraries (like
sprintf) will crash the chip.Fix: Use highly optimized C code or Assembly. Avoid floating-point math. Manipulate registers directly rather than using heavy abstraction layers.
Fuse Bit Misconfiguration
Issue: Users often disable the Reset pin functionality to gain an extra I/O line (PB5), essentially "bricking" the chip for standard ISP programmers.
Fix: Only disable the Reset pin if absolutely necessary. If locked out, you must use a High Voltage Serial Programmer (HVSP) to reset the fuses.
Lack of Hardware UART
Issue: Debugging via Serial Monitor is difficult without a dedicated TX/RX peripheral.
Fix: Implement a "soft-UART" or
TinySoftwareSeriallibrary. Alternatively, use an LED toggle or a Logic Analyzer on a GPIO pin for debugging timing.
4. Typical Applications & Use Cases
4.1 Real-World Example: Motor Control Trigger
In simple home automation or toy applications, the ATTINY13A is often used as a Logic Translation & Motor Trigger unit.
Scenario: A device needs to run a motor for 10 seconds when a specific sensor threshold is met.
Implementation:
Input: Analog sensor wired to ADC pin (PB2).
Processing: ATTINY13A reads ADC; if value > threshold, it triggers a timer.
Output: PWM signal sends "Soft Start" ramp to a MOSFET gate on PB0, driving the motor.
Why ATTINY13A? It replaces discrete 555 timers and logic gates (BOM consolidation) while allowing programmable thresholds.
5. Alternatives and Cross-Reference Guide
1. Direct Replacements (AVR)
| Model | Flash | RAM | Advantage | Notes |
|---|---|---|---|---|
| ATTINY85 | 8 KB | 512 B | "Big Brother" version, pin-compatible | Choose this if your code size exceeds 1KB |
2. Cost-Effective Competitors
| Model | Flash | RAM | Advantage | Notes |
|---|---|---|---|---|
| Padauk PMS150C | - | - | Extremely low cost (cents per unit) | Requires proprietary programmer and OTP (One-Time Programmable) workflow |
| WCH CH32V003 | - | - | RISC-V architecture, 32-bit performance at 8-bit prices | Generic alternative gaining popularity |
3. Complete Comparison Table
| Part | Flash | RAM | Advantage |
|---|---|---|---|
| ATTINY13A | 1 KB | 64 B | Robust AVR ecosystem, wide voltage range |
| ATTINY85 | 8 KB | 512 B | Pin-compatible, larger memory capacity |
| STM8S001J3 | 8 KB | 1 KB | Higher memory, requires STM8 toolchain |
| MSP430G2210 | 2 KB | 128 B | Ultra-low power, 16-bit architecture |
| Padauk PMS150C | - | - | Extremely low cost |
| WCH CH32V003 | - | - | RISC-V, cost-effective 32-bit solution |
Selection Guide
Code > 1KB: Choose ATTINY85
Ultra-low cost: Choose Padauk PMS150C (requires proprietary tools)
32-bit performance needs: Choose WCH CH32V003
Ultra-low power: Choose MSP430G2210
More memory: Choose STM8S001J3
6. Frequently Asked Questions (FAQ)
Q: What is the specific difference between ATTINY13 and ATTINY13A? The "A" version is a process migration that offers lower power consumption and improved electrical characteristics. It is functionally compatible with the older non-A version.
Q: Can the ATTINY13A be programmed using Arduino IDE? Yes. By installing the MicroCore board manager package, you can program the ATTINY13A using an Arduino as ISP.
Q: Is the ATTINY13A suitable for battery-operated devices? Absolutely. With a standby current of <1µA, it is excellent for button-cell powered devices.
Q: Where can I find the datasheet and library files for ATTINY13A? The official datasheet (DS40002307A) is available from Microchip or distributors like Mouser and DigiKey.
Q: Does it have a bootloader? Typically no. Due to the small 1KB Flash, bootloaders take up too much space. It is usually programmed via the 6-pin ISP header.
7. Datasheets & Resources
Official Datasheet: DS40002307A - Microchip Technology
Development Tools: Microchip Studio, MPLAB X, or Arduino IDE (with Core support).
Specifications
Datasheet PDF
- datasheets :
AT24C256 Two-wire Serial EEPROM: Pinout, Datasheet and Address06 November 20216229
Exploring the Renesas H8S/2145B and H8S/2148B Microcontrollers: Architectural Overview and Functional Capabilities29 February 2024250
LF353D Operational amplifier: Feature, Specification, and Datasheet21 June 20212438
LM5002MAX/NOPB: Pinout, High-Voltage, CAD Model21 February 2022954
STMicroelectronics STM32L476QGI6: Microcontroller for Energy-Efficient IoT and Wearable Applications07 June 20252659
AD9694 Quad 14-Bit ADC Integration Notes: Resolving JESD204B Sync and Thermal Challenges07 May 2026194
IP2721 Powering your projects by using USB-C IP2721[Video]24 April 202210743
LM747 Dual Operational Amplifier: Datasheet, Pinout and Equivalents17 September 20216496
What is the Ripple of the Power Supply, How to Measure its Value, and How to Suppress it?23 November 20219839
The Future of Automated and Additive Manufacturing for Power Electronics24 May 20233410
50 Frequently Asked Questions about Oscilloscope22 November 202112936
Gartner: Hysis Revenue Plunges 81%, Samsung Holds on to Semiconductor Leadership15 April 2022936
What is IMU: Definition, Features and Prospects12 April 20224145
Optimizing Energy Exchange with Vehicle-to-Grid Technology25 April 20233202
The Era of Business Globalization: Chinese Founders Aim to Conquer the World30 May 20227801
What is a Lithium-ion Battery?03 March 20215175
Microchip Technology
In Stock: 437
United States
China
Canada
Japan
Russia
Germany
United Kingdom
Singapore
Italy
Hong Kong(China)
Taiwan(China)
France
Korea
Mexico
Netherlands
Malaysia
Austria
Spain
Switzerland
Poland
Thailand
Vietnam
India
United Arab Emirates
Afghanistan
Åland Islands
Albania
Algeria
American Samoa
Andorra
Angola
Anguilla
Antigua & Barbuda
Argentina
Armenia
Aruba
Australia
Azerbaijan
Bahamas
Bahrain
Bangladesh
Barbados
Belarus
Belgium
Belize
Benin
Bermuda
Bhutan
Bolivia
Bonaire, Sint Eustatius and Saba
Bosnia & Herzegovina
Botswana
Brazil
British Indian Ocean Territory
British Virgin Islands
Brunei
Bulgaria
Burkina Faso
Burundi
Cabo Verde
Cambodia
Cameroon
Cayman Islands
Central African Republic
Chad
Chile
Christmas Island
Cocos (Keeling) Islands
Colombia
Comoros
Congo
Congo (DRC)
Cook Islands
Costa Rica
Côte d’Ivoire
Croatia
Cuba
Curaçao
Cyprus
Czechia
Denmark
Djibouti
Dominica
Dominican Republic
Ecuador
Egypt
El Salvador
Equatorial Guinea
Eritrea
Estonia
Eswatini
Ethiopia
Falkland Islands
Faroe Islands
Fiji
Finland
French Guiana
French Polynesia
Gabon
Gambia
Georgia
Ghana
Gibraltar
Greece
Greenland
Grenada
Guadeloupe
Guam
Guatemala
Guernsey
Guinea
Guinea-Bissau
Guyana
Haiti
Honduras
Hungary
Iceland
Indonesia
Iran
Iraq
Ireland
Isle of Man
Israel
Jamaica
Jersey
Jordan
Kazakhstan
Kenya
Kiribati
Kosovo
Kuwait
Kyrgyzstan
Laos
Latvia
Lebanon
Lesotho
Liberia
Libya
Liechtenstein
Lithuania
Luxembourg
Macao(China)
Madagascar
Malawi
Maldives
Mali
Malta
Marshall Islands
Martinique
Mauritania
Mauritius
Mayotte
Micronesia
Moldova
Monaco
Mongolia
Montenegro
Montserrat
Morocco
Mozambique
Myanmar
Namibia
Nauru
Nepal
New Caledonia
New Zealand
Nicaragua
Niger
Nigeria
Niue
Norfolk Island
North Korea
North Macedonia
Northern Mariana Islands
Norway
Oman
Pakistan
Palau
Palestinian Authority
Panama
Papua New Guinea
Paraguay
Peru
Philippines
Pitcairn Islands
Portugal
Puerto Rico
Qatar
Réunion
Romania
Rwanda
Samoa
San Marino
São Tomé & Príncipe
Saudi Arabia
Senegal
Serbia
Seychelles
Sierra Leone
Sint Maarten
Slovakia
Slovenia
Solomon Islands
Somalia
South Africa
South Sudan
Sri Lanka
St Helena, Ascension, Tristan da Cunha
St. Barthélemy
St. Kitts & Nevis
St. Lucia
St. Martin
St. Pierre & Miquelon
St. Vincent & Grenadines
Sudan
Suriname
Svalbard & Jan Mayen
Sweden
Syria
Tajikistan
Tanzania
Timor-Leste
Togo
Tokelau
Tonga
Trinidad & Tobago
Tunisia
Turkey
Turkmenistan
Turks & Caicos Islands
Tuvalu
U.S. Outlying Islands
U.S. Virgin Islands
Uganda
Ukraine
Uruguay
Uzbekistan
Vanuatu
Vatican City
Venezuela
Wallis & Futuna
Yemen
Zambia
Zimbabwe


Product
Brand
Articles
Tools















