39-01-2040 Receptacle Housing Dual Row 4 Circuits [FAQ]:Datasheet, Applications, and Technical Data
MOLEX 39-01-2040Connector Housing, Pull Tabs, UL 94V-2, Mini-Fit Jr. Series, Receptacle, 4 Ways, 4.2 mm
Unit Price: $1.586826
Ext Price: $1.59









MOLEX 39-01-2040Connector Housing, Pull Tabs, UL 94V-2, Mini-Fit Jr. Series, Receptacle, 4 Ways, 4.2 mm
39-01-2040 is ideal for power applications up to 9.0A per circuit. This article is going to talk about more detailed information about 39-01-2040.

011: MOLEX & OPEN BARREL PIN CRIMPING, Video 1
Overview of 39-01-2040
39-01-2040 handles up to 9.0A and are ideal for wire-to-wire and wire-to-board applications requiring design flexibility. The core attributes of Mini-Fit Jr. include fully isolated terminals, positive locking housings, low-engagement forces, and polarized housings. The Mini-Fit family also offers blind mating, TPA, and higher current options.
Designed for higher-current, higher-density applications requiring design flexibility, 39-01-2040 is ideal for power applications up to 9.0A per circuit. Additionally, these connectors are available in a single row or dual-row 2- to 24-circuit options, feature multiple plating, and resin options.
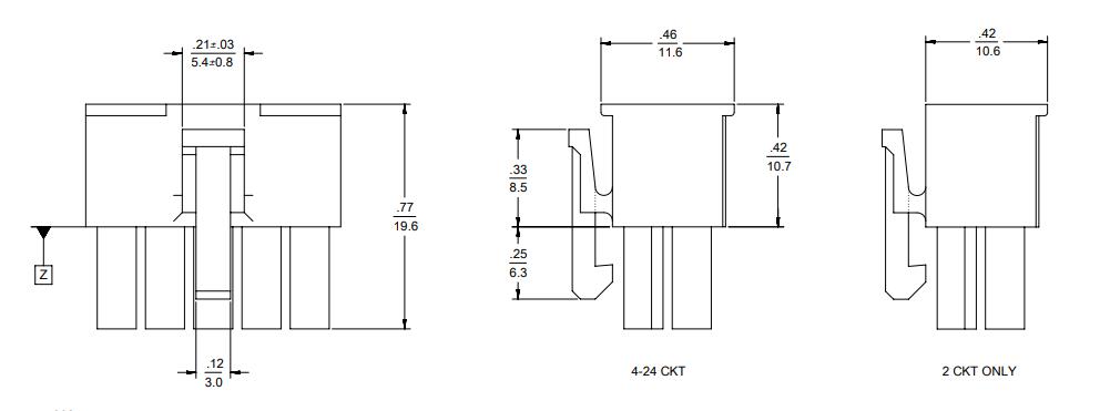
39-01-2040 Dimensions

39-01-2040 Dimensions
39-01-2040 3D Model

39-01-2040 3D Model
Specifications
- TypeParameter
- Mounting Type
The "Mounting Type" in electronic components refers to the method used to attach or connect a component to a circuit board or other substrate, such as through-hole, surface-mount, or panel mount.
CABLE - Shell Material
The "Shell Material" parameter in electronic components refers to the material used to encase or cover the internal components of the device. This material is chosen based on various factors such as durability, heat resistance, electrical insulation properties, and environmental considerations. Common shell materials include plastics, metals, and ceramics, each offering different levels of protection and performance characteristics. The choice of shell material can impact the overall reliability, safety, and functionality of the electronic component in different operating conditions.
POLYAMIDE66 - Housing Material
The parameter "Housing Material" in electronic components refers to the material used to encase or protect the internal circuitry of the component. The housing material plays a crucial role in providing physical protection, insulation, and environmental resistance to the electronic component. Common housing materials include plastics, metals, ceramics, and composites, each offering different levels of durability, heat resistance, and electrical properties. The choice of housing material is important in determining the overall performance, reliability, and longevity of the electronic component in various operating conditions.
Nylon - Mounting Option 1
Mounting Option 1 in electronic components refers to a specific method or configuration for attaching or installing the component onto a circuit board or other electronic device. This parameter typically provides information on the recommended mounting technique, such as surface mount technology (SMT), through-hole mounting, or other specialized mounting options. Understanding the mounting option is crucial for proper assembly and integration of the component into the electronic system. It helps ensure that the component is securely attached and electrically connected, optimizing its performance and reliability within the overall circuit design.
LOCKING - Contact MaterialsBrass
- Packaging
Semiconductor package is a carrier / shell used to contain and cover one or more semiconductor components or integrated circuits. The material of the shell can be metal, plastic, glass or ceramic.
Bulk - Pbfree Code
The "Pbfree Code" parameter in electronic components refers to the code or marking used to indicate that the component is lead-free. Lead (Pb) is a toxic substance that has been widely used in electronic components for many years, but due to environmental concerns, there has been a shift towards lead-free alternatives. The Pbfree Code helps manufacturers and users easily identify components that do not contain lead, ensuring compliance with regulations and promoting environmentally friendly practices. It is important to pay attention to the Pbfree Code when selecting electronic components to ensure they meet the necessary requirements for lead-free applications.
yes - Termination
Termination in electronic components refers to the practice of matching the impedance of a circuit to prevent signal reflections and ensure maximum power transfer. It involves the use of resistors or other components at the end of transmission lines or connections. Proper termination is crucial in high-frequency applications to maintain signal integrity and reduce noise.
Crimp - ECCN Code
An ECCN (Export Control Classification Number) is an alphanumeric code used by the U.S. Bureau of Industry and Security to identify and categorize electronic components and other dual-use items that may require an export license based on their technical characteristics and potential for military use.
EAR99 - Connector Type
Connector Type in electronic components refers to the specific design and configuration of the connector used to establish electrical connections between different devices or components. This parameter describes the physical shape, size, and layout of the connector, as well as the number and arrangement of pins or contacts. Common connector types include USB, HDMI, RJ45, and D-sub connectors, each serving different purposes and applications. Understanding the connector type is crucial for ensuring compatibility and proper functionality when connecting electronic devices together.
Socket - Number of Positions4
- Max Operating Temperature
The Maximum Operating Temperature is the maximum body temperature at which the thermistor is designed to operate for extended periods of time with acceptable stability of its electrical characteristics.
105°C - Min Operating Temperature
The "Min Operating Temperature" parameter in electronic components refers to the lowest temperature at which the component is designed to operate effectively and reliably. This parameter is crucial for ensuring the proper functioning and longevity of the component, as operating below this temperature may lead to performance issues or even damage. Manufacturers specify the minimum operating temperature to provide guidance to users on the environmental conditions in which the component can safely operate. It is important to adhere to this parameter to prevent malfunctions and ensure the overall reliability of the electronic system.
-40°C - ColorNatural
- Number of Rows2
- Gender
In the context of electronic components, the parameter "Gender" typically refers to the physical characteristics of connectors or interfaces that determine how they can be mated together. Connectors are often designed with specific gender types, such as male or female, to ensure proper alignment and connection between devices. A male connector typically has protruding pins or plugs that fit into a corresponding female connector, which has receptacles or sockets to receive the pins. This design helps prevent incorrect connections and ensures a secure and reliable electrical connection. Understanding the gender of connectors is crucial when designing or assembling electronic systems to ensure compatibility and proper functionality. It is essential to match the gender of connectors correctly to avoid damage and ensure optimal performance of the electronic components.
Female - Additional Feature
Any Feature, including a modified Existing Feature, that is not an Existing Feature.
MINI-FIT JR, COMPATIBLE CONTACTS: 39-00-0077; 39-00-0038, POLARIZED - Voltage - Rated DC
Voltage - Rated DC is a parameter that specifies the maximum direct current (DC) voltage that an electronic component can safely handle without being damaged. This rating is crucial for ensuring the proper functioning and longevity of the component in a circuit. Exceeding the rated DC voltage can lead to overheating, breakdown, or even permanent damage to the component. It is important to carefully consider this parameter when designing or selecting components for a circuit to prevent any potential issues related to voltage overload.
250V - MIL Conformance
MIL Conformance refers to the compliance of electronic components with military standards set by the Department of Defense. These standards define rigorous requirements for reliability, performance, and durability under extreme conditions. Components that meet MIL Conformance are often used in defense, aerospace, and other critical applications where failure is not an option. Adherence to these standards ensures that the components can withstand harsh environments, such as extreme temperatures, vibrations, and humidity.
NO - DIN Conformance
DIN Conformance refers to the compliance of an electronic component with the standards set by the Deutsches Institut für Normung (DIN), which is the German Institute for Standardization. DIN standards cover a wide range of technical specifications and requirements for various products, including electronic components. When a component is labeled as DIN-conformant, it means that it meets the specific criteria outlined by DIN for factors such as dimensions, materials, performance, and safety. Ensuring DIN conformance helps to guarantee interoperability, quality, and reliability of electronic components in various applications and industries. Manufacturers often adhere to DIN standards to demonstrate the quality and reliability of their products to customers and to ensure compatibility with other DIN-compliant devices.
NO - IEC Conformance
IEC Conformance refers to the compliance of electronic components with standards set by the International Electrotechnical Commission (IEC). These standards ensure that the components meet specific safety, performance, and interoperability criteria. Adhering to IEC conformance helps manufacturers produce reliable and compatible products, facilitating international trade and promoting consumer safety. Components that conform to IEC standards are often preferred in global markets due to their quality assurance and regulatory acceptance.
NO - Filter Feature
In electronic components, the "Filter Feature" parameter refers to the capability of a component to filter or block certain frequencies of signals while allowing others to pass through. Filters are used to remove unwanted noise or interference from a signal, ensuring that only the desired frequencies are transmitted or received. The filter feature can be implemented using various techniques such as capacitors, inductors, resistors, or active components like operational amplifiers. Different types of filters, such as low-pass, high-pass, band-pass, and band-stop filters, are designed to cater to specific frequency ranges and applications. Overall, the filter feature plays a crucial role in maintaining signal integrity and improving the performance of electronic circuits.
NO - Mixed Contacts
In electronic components, "Mixed Contacts" refers to a type of contact arrangement where different types of contacts are used within the same component. This can include a combination of different contact materials, such as gold-plated contacts for signal transmission and silver-plated contacts for power connections. Mixed contacts can also refer to a combination of different contact styles, such as pin contacts and socket contacts within the same component.The use of mixed contacts allows for optimized performance and reliability in electronic components by leveraging the specific advantages of each contact type. For example, gold-plated contacts offer excellent conductivity and corrosion resistance, while silver-plated contacts provide high current-carrying capacity. By incorporating mixed contacts, manufacturers can tailor the component to meet the specific requirements of the application, ensuring efficient and reliable operation.
NO - OptionGENERAL PURPOSE
- Pitch
In electronic components, "Pitch" refers to the distance between the center of one pin or lead to the center of the adjacent pin or lead on a component, such as an integrated circuit (IC) or a connector. It is a crucial parameter as it determines the spacing and alignment of the pins or leads on a component, which in turn affects how the component can be mounted on a circuit board or connected to other components.The pitch measurement is typically expressed in millimeters (mm) or inches (in) and plays a significant role in determining the overall size and layout of a circuit board. Components with different pitches may require specific types of circuit boards or connectors to ensure proper alignment and connection. Designers must carefully consider the pitch of components when designing circuit layouts to ensure compatibility and proper functionality of the electronic system.
4.2mm - Total Number of Contacts4
- Orientation
In electronic components, the parameter "Orientation" refers to the specific alignment or positioning of the component with respect to its intended installation or operation. This parameter is crucial for ensuring proper functionality and performance of the component within a circuit or system. Orientation may include factors such as the physical orientation of the component on a circuit board, the direction of current flow through the component, or the alignment of specific features or terminals for correct connection. Manufacturers often provide orientation guidelines in datasheets or technical specifications to help users correctly install and use the component. Paying attention to the orientation of electronic components is essential to prevent errors, ensure reliability, and optimize the overall performance of electronic devices.
Straight - Depth
In electronic components, "Depth" typically refers to the measurement of the distance from the front to the back of the component. It is an important parameter to consider when designing or selecting components for a project, as it determines how much space the component will occupy within a circuit or device. The depth of a component can impact the overall size and layout of the circuit board or enclosure in which it will be installed. It is usually specified in millimeters or inches and is crucial for ensuring proper fit and functionality within the intended application.
19.6mm - Current Rating
Current rating is the maximum current that a fuse will carry for an indefinite period without too much deterioration of the fuse element.
13A - Number of ConductorsONE
- Reference Standard
In the context of electronic components, the term "Reference Standard" typically refers to a specific set of guidelines, specifications, or requirements that serve as a benchmark for evaluating the quality, performance, and characteristics of the component. These standards are established by organizations such as the International Electrotechnical Commission (IEC), the Institute of Electrical and Electronics Engineers (IEEE), or specific industry bodies.Reference standards help ensure consistency and interoperability among different components, as they provide a common framework for manufacturers, designers, and users to adhere to. They outline parameters such as electrical properties, mechanical dimensions, environmental conditions, and safety considerations that the component must meet to be considered compliant.By referencing these standards, manufacturers can design and produce components that meet industry-recognized criteria, which in turn helps users select the right components for their applications with confidence. Adhering to reference standards also facilitates regulatory compliance and promotes overall quality and reliability in electronic systems.
UL - Voltage - Rated AC
Voltage - Rated AC is a parameter that specifies the maximum alternating current (AC) voltage that an electronic component can safely handle without being damaged. This rating is crucial for ensuring the proper functioning and longevity of the component within an electrical circuit. It is typically expressed in volts (V) and helps users determine the compatibility of the component with the voltage levels present in the circuit. Exceeding the rated AC voltage can lead to overheating, malfunction, or permanent damage to the component, so it is important to adhere to this specification when designing or using electronic systems.
250V - Reliability
Reliability in electronic components refers to the ability of a component to perform its required functions under stated conditions for a specified period of time. It is a measure of the likelihood that a component will not fail during its intended lifespan. High reliability indicates that the component is less likely to experience unexpected failures, which is crucial for maintaining the overall performance and safety of electronic systems. Factors affecting reliability include material quality, manufacturing processes, and environmental conditions.
COMMERCIAL - Approval Agency
The parameter "Approval Agency" in electronic components refers to the organization responsible for testing and certifying that a component meets specific safety, quality, and performance standards. These agencies evaluate products to ensure compliance with industry regulations and standards, providing assurance to manufacturers and consumers. Approval from recognized agencies can enhance a component's marketability and acceptance in various applications, particularly in sectors like automotive, aerospace, and healthcare. Common approval agencies include Underwriters Laboratories (UL), International Electrotechnical Commission (IEC), and the American National Standards Institute (ANSI).
CSA, TUV, UL - Row Spacing - Mating
Row Spacing - Mating is a parameter in electronic components that refers to the distance between rows of mating connectors or components. It is a critical specification that ensures proper alignment and connection between two mating parts. The row spacing is typically measured center-to-center between adjacent rows and is important for ensuring compatibility and proper functioning of the components. Manufacturers provide specific row spacing requirements to ensure that mating components fit together securely and function as intended in electronic systems.
4.2 mm - Mating Information
Mating Information in electronic components refers to the specifications and details related to how a particular component connects or interfaces with other components or systems. This information typically includes details such as the type of connectors, pin configurations, voltage and current ratings, signal compatibility, and physical dimensions required for proper mating and connection. Understanding the mating information is crucial for ensuring compatibility and proper functioning of electronic components within a system or circuit. Manufacturers provide detailed mating information in datasheets to help engineers and designers select and integrate components effectively.
MULTIPLE MATING PARTS AVAILABLE - Empty ShellNO
- Contact Style
The parameter "Contact Style" in electronic components refers to the specific design and arrangement of the contact points that enable electrical connection in various devices. It dictates how components interface with each other, affecting factors such as reliability, durability, and performance. Different contact styles can include configurations like pin, socket, blade, or surface mount, each designed to cater to specific applications and requirements in circuit assembly.
SQ PIN-SKT - Contact Resistance
Contact resistance refers to the resistance encountered at the point of contact between two conductive materials or components. It is a measure of how well the two materials make electrical contact with each other. High contact resistance can lead to voltage drops, power losses, and inefficient electrical connections. It is typically measured in ohms and is an important parameter to consider in electronic components such as connectors, switches, and relays. Lower contact resistance is desirable for ensuring reliable and efficient electrical connections in electronic circuits.
10mOhm - Insulation Resistance
The measurement of insulation resistance is carried out by means of a megohmmeter – high resistance range ohmmeter. A general rule-of-thumb is 10 Megohm or more.
1000000000Ohm - Body/Shell Style
The parameter "Body/Shell Style" in electronic components refers to the physical design or shape of the outer casing or enclosure of the component. It is an important characteristic that helps in identifying and categorizing different types of components based on their form factor. The body/shell style can vary greatly depending on the specific component and its intended use, ranging from simple rectangular shapes to more complex designs with specific features for mounting, connecting, or protecting the internal components. Understanding the body/shell style of electronic components is crucial for proper installation, compatibility, and overall functionality within electronic circuits and systems.
RECEPTACLE - Max Voltage Rating (AC)
The parameter "Max Voltage Rating (AC)" in electronic components refers to the maximum alternating current (AC) voltage that the component can safely handle without being damaged. This rating is important for ensuring the component's longevity and reliability in a circuit. Exceeding the maximum voltage rating can lead to overheating, breakdown, or even permanent damage to the component. It is crucial to select components with voltage ratings that are suitable for the intended application to prevent malfunctions or safety hazards in the circuit.
600V - Dielectric Withstanding Voltage
Dielectric Withstanding Voltage (DWV) is a crucial parameter in electronic components that measures the maximum voltage a component can withstand without breaking down. It is also known as the insulation voltage or breakdown voltage. DWV is typically tested by applying a high voltage between the conductive parts of the component and the insulation material to ensure that the insulation can withstand the specified voltage without allowing current to flow through. This parameter is important for ensuring the safety and reliability of electronic components, especially in applications where high voltages are present. Components with a higher DWV rating are more suitable for use in high-voltage environments and applications.
1500VAC V - Max Voltage Rating (DC)
The parameter "Max Voltage Rating (DC)" in electronic components refers to the maximum direct current (DC) voltage that the component can safely handle without being damaged. This rating is crucial for ensuring the proper functioning and longevity of the component within an electrical circuit. Exceeding the maximum voltage rating can lead to breakdown or failure of the component, potentially causing damage to the entire circuit. It is important to carefully consider and adhere to the specified max voltage rating when designing or working with electronic circuits to prevent any potential risks or malfunctions.
600.6kV - Halogen Free
The term "Halogen Free" in electronic components refers to a specific characteristic of the materials used in the manufacturing of the component. Halogens are a group of elements that include fluorine, chlorine, bromine, iodine, and astatine. These elements are commonly used in flame retardants and other materials in electronics. However, the presence of halogens can pose environmental and health risks when the components are disposed of or recycled.Therefore, electronic components labeled as "Halogen Free" are manufactured without the use of halogenated materials. This designation indicates that the components do not contain any halogens, making them safer for the environment and human health. Halogen-free components are becoming increasingly popular in the electronics industry due to the growing awareness of environmental concerns and regulations regarding hazardous substances in electronic products.
Low Halogen - Glow Wire Compliant
The term "Glow Wire Compliant" refers to a standard that electronic components must meet to ensure their safety in case of overheating or fire. The glow wire test is a method used to assess the fire hazard of electrical components by subjecting them to a hot wire ignition source. Components that are Glow Wire Compliant have been tested and certified to withstand a specified temperature without catching fire or spreading flames. This compliance helps ensure that the components will not contribute to the spread of fires in electrical devices or systems, making them safer for use in various applications.
Non-compliant - Height14.1mm
- Length9.6mm
- Width15.1mm
- REACH SVHC
The parameter "REACH SVHC" in electronic components refers to the compliance with the Registration, Evaluation, Authorization, and Restriction of Chemicals (REACH) regulation regarding Substances of Very High Concern (SVHC). SVHCs are substances that may have serious effects on human health or the environment, and their use is regulated under REACH to ensure their safe handling and minimize their impact.Manufacturers of electronic components need to declare if their products contain any SVHCs above a certain threshold concentration and provide information on the safe use of these substances. This information allows customers to make informed decisions about the potential risks associated with using the components and take appropriate measures to mitigate any hazards.Ensuring compliance with REACH SVHC requirements is essential for electronics manufacturers to meet regulatory standards, protect human health and the environment, and maintain transparency in their supply chain. It also demonstrates a commitment to sustainability and responsible manufacturing practices in the electronics industry.
Unknown - Radiation Hardening
Radiation hardening is the process of making electronic components and circuits resistant to damage or malfunction caused by high levels of ionizing radiation, especially for environments in outer space (especially beyond the low Earth orbit), around nuclear reactors and particle accelerators, or during nuclear accidents or nuclear warfare.
No - RoHS Status
RoHS means “Restriction of Certain Hazardous Substances” in the “Hazardous Substances Directive” in electrical and electronic equipment.
RoHS Compliant - Flammability Rating
The Flammability Rating of electronic components refers to the material's ability to resist catching fire or burning when exposed to heat or flames. It is an important safety consideration in electronic design and manufacturing, especially for components that may be used in environments where fire hazards are a concern. The rating is typically expressed using a standardized scale, such as UL94, which classifies materials based on their flammability characteristics. Components with higher flammability ratings are more resistant to ignition and contribute to overall fire safety in electronic devices. It is crucial to select components with appropriate flammability ratings to ensure the reliability and safety of electronic products.
UL94 V-2 - Lead Free
Lead Free is a term used to describe electronic components that do not contain lead as part of their composition. Lead is a toxic material that can have harmful effects on human health and the environment, so the electronics industry has been moving towards lead-free components to reduce these risks. Lead-free components are typically made using alternative materials such as silver, copper, and tin. Manufacturers must comply with regulations such as the Restriction of Hazardous Substances (RoHS) directive to ensure that their products are lead-free and environmentally friendly.
Lead Free
39-01-2040 Technical Data
| Description | Product Attribute |
| Manufacturer | Molex |
| Application | Power, Wire-to-Board, Wire-to-Wire |
| Connectors | Headers & Wire Housings |
| Contact Gender | Socket (Female) |
| Contact Type | Socket |
| Current Rating | 13 A |
| Flammability Rating | UL 94 V-2 |
| Housing Gender | Female |
| Housing Material | Nylon |
| Maximum Operating Temperature | + 105 C |
| Minimum Operating Temperature | - 40 C |
| Mounting Style | Cable Mount / Free Hanging |
| Number of Positions | 4 Position |
| Number of Rows | 2 Row |
| Packaging | Bulk |
| Pitch | 4.2 mm |
| Product | Wire Housings |
| Product Type | Headers & Wire Housings |
| Row Spacing | 4.2 mm |
| Series | 5557 |
| Termination Style | Crimp |
| Tradename | Mini-Fit Jr. |
| Type | Receptacle Housing |
| Voltage Rating | 600 V |
| Part # Aliases | 39012040 5557-04R 0039012040 |
39-01-2040 Applications
Automotive
Commercial Vehicle
Communications & Networking
Consumer Electronics
Industrial
Medical
Communications & Networking
39-01-2040 Manufacturer
Molex, a major global supplier of electrical interconnects, is dedicated to creating and developing cutting-edge solutions for products that impact almost every aspect of life. Including over 100,000 components, we have one of the broadest product portfolios in the world, with everything from electrical and fiber optic connectivity solutions to switches and application tooling. Molex has customers in a wide range of industries, including telecommunications, datacom, computer/peripherals, automotive, premise wire, industrial, consumer, medical, and military. Molex is known for offering a continuous flow of innovation in areas such as high-speed signal integrity, downsizing, greater power delivery, optical signal transmission, and sealed harsh-environment connectivity because we have the highest levels of R&D expenditure in our sector. Our attention has been on the environment for over 70 years. For over 70 years, our focus has been on providing advanced products that meet tomorrow’s needs, today.
Popularity by Region
What’s the Max Voltage Rating of 39-01-2040?
600V.
What’s the Current Rating of 39-01-2040?
13A.
What’s the operating temperature of 39-01-2040?
-40°C~105°C.
What’s the packaging way of 39-01-2040?
Bulk.
What’s the housing material of 39-01-2040?
Nylon.
AT24C512C I²C Serial EEPROM: Pinout, Equivalent and Datasheet30 December 20211400
2SC2229 BJT NPN Transistor: Datasheet pdf, Pinout and 2SC2229 Equivalents24 December 20214433
MAX3243IPW Transceiver: Pinout,Specification, and Datasheet06 July 2021574
Exploring the STM32F410CBT6 Microcontroller: Features, Specifications, and Applications29 February 2024123
ICM-20948 Gyroscope Magnetometer 9 Axis Sensor[Video]: Datasheet, Features, and Pinout07 April 20226655
LM2903 Comparator: Datasheet, Schematic, and Application07 September 20215696
TIP42C Power Transistor: Pinout, Datasheet, and Applications22 July 202124930
STR750Fxx, STR751Fxx, STR752Fxx, STR755Fxx Microcontrollers: Technical Overview and Specifications29 February 202486
Introduction to Centrifugal Switch27 January 202111364
Advancements and Challenges of High Frequency Converters19 June 20231675
Hall Effect: Definition, Principle, Measurement Methods08 November 20228466
Microwave Diode: Introduction and Types07 January 202121943
General PCB Layout Design Guidelines for RF and Digital-to-Analog Circuits20 January 202210792
Power of Dual and Isomorphic Principles in Power Electronics24 July 20232707
Revolutionizing the Electric Vehicle Industry with Silicon Carbide10 August 20231777
Arduino Authorized Distributor | UTMEL Electronics22 February 20255671
Molex
In Stock: 6745
Minimum: 1 Multiples: 1
Qty
Unit Price
Ext Price
1
$1.586826
$1.59
10
$1.497006
$14.97
100
$1.412270
$141.23
500
$1.332330
$666.16
1000
$1.256915
$1,256.92
Not the price you want? Send RFQ Now and we'll contact you ASAP.
Inquire for More Quantity












