6N135 Optocoupler: Datasheet, Application, Equivalent
Optocoupler DC-IN 1-CH Transistor With Base DC-OUT 8-Pin PDIP
The 6N135 is a high-speed Optocoupler with Transistor output. This post covers its datasheet, application and more detailed information about 6N135. And, there is a huge range of Semiconductors, Capacitors, Resistors and ICs in stock. Welcome RFQ.
6N135 Pinout

6N135 Pinout
| Pin Number | Pin Name | Description |
| 1 | NC | No Connection - Cannot be used |
| 2 | Anode (A) | Anode pin of the IR LED. Connected to the logic input |
| 3 | Cathode (C) | Cathode pin of the IR LED |
| 4 | NC | No Connection - Cannot be used |
| 5 | Ground | Ground pin of the IC |
| 6 | Output (VO) | The isolated output pin of the Optocoupler |
| 7 | Base (VB) | By default, it is enabled through a pull-up resistor. |
| 8 | Vcc | Powers the IC |
Pin Description
6N135 CAD Model
Symbol

6N135 Symbol
Footprint

6N135 Footprint
3D Model

6N135 3D Model
6N135 Description
The 6N135 is a two-photodiode, single-channel high-speed optocoupler with transistor output. It operates by separating the input and output sides with an electrical insulating shield. Due to independent biasing voltages photodiode and transistor base-collector terminals, 6N135 delivers a very high bit transmission rate when compared to traditional optoisolators such as 4N24 and MOC2031.
Specifications
- TypeParameter
- Factory Lead Time6 Weeks
- Mount
In electronic components, the term "Mount" typically refers to the method or process of physically attaching or fixing a component onto a circuit board or other electronic device. This can involve soldering, adhesive bonding, or other techniques to secure the component in place. The mounting process is crucial for ensuring proper electrical connections and mechanical stability within the electronic system. Different components may have specific mounting requirements based on their size, shape, and function, and manufacturers provide guidelines for proper mounting procedures to ensure optimal performance and reliability of the electronic device.
Through Hole - Mounting Type
The "Mounting Type" in electronic components refers to the method used to attach or connect a component to a circuit board or other substrate, such as through-hole, surface-mount, or panel mount.
Through Hole - Package / Case
refers to the protective housing that encases an electronic component, providing mechanical support, electrical connections, and thermal management.
8-DIP (0.300, 7.62mm) - Number of Pins8
- Supplier Device Package
The parameter "Supplier Device Package" in electronic components refers to the physical packaging or housing of the component as provided by the supplier. It specifies the form factor, dimensions, and layout of the component, which are crucial for compatibility and integration into electronic circuits and systems. The supplier device package information typically includes details such as the package type (e.g., DIP, SOP, QFN), number of pins, pitch, and overall size, allowing engineers and designers to select the appropriate component for their specific application requirements. Understanding the supplier device package is essential for proper component selection, placement, and soldering during the manufacturing process to ensure optimal performance and reliability of the electronic system.
8-DIP - Current Transfer Ratio-Min7% @ 16mA
- Number of Elements1
- Operating Temperature
The operating temperature is the range of ambient temperature within which a power supply, or any other electrical equipment, operate in. This ranges from a minimum operating temperature, to a peak or maximum operating temperature, outside which, the power supply may fail.
-55°C~100°C - Packaging
Semiconductor package is a carrier / shell used to contain and cover one or more semiconductor components or integrated circuits. The material of the shell can be metal, plastic, glass or ceramic.
Tube - Published2005
- Part Status
Parts can have many statuses as they progress through the configuration, analysis, review, and approval stages.
Active - Moisture Sensitivity Level (MSL)
Moisture Sensitivity Level (MSL) is a standardized rating that indicates the susceptibility of electronic components, particularly semiconductors, to moisture-induced damage during storage and the soldering process, defining the allowable exposure time to ambient conditions before they require special handling or baking to prevent failures
1 (Unlimited) - Max Operating Temperature
The Maximum Operating Temperature is the maximum body temperature at which the thermistor is designed to operate for extended periods of time with acceptable stability of its electrical characteristics.
100°C - Min Operating Temperature
The "Min Operating Temperature" parameter in electronic components refers to the lowest temperature at which the component is designed to operate effectively and reliably. This parameter is crucial for ensuring the proper functioning and longevity of the component, as operating below this temperature may lead to performance issues or even damage. Manufacturers specify the minimum operating temperature to provide guidance to users on the environmental conditions in which the component can safely operate. It is important to adhere to this parameter to prevent malfunctions and ensure the overall reliability of the electronic system.
-55°C - Max Power Dissipation
The maximum power that the MOSFET can dissipate continuously under the specified thermal conditions.
100mW - Base Part Number
The "Base Part Number" (BPN) in electronic components serves a similar purpose to the "Base Product Number." It refers to the primary identifier for a component that captures the essential characteristics shared by a group of similar components. The BPN provides a fundamental way to reference a family or series of components without specifying all the variations and specific details.
6N135 - Voltage - Isolation
Voltage - Isolation is a parameter in electronic components that refers to the maximum voltage that can be safely applied between two isolated points without causing electrical breakdown or leakage. It is a crucial specification for components such as transformers, optocouplers, and capacitors that require isolation to prevent electrical interference or safety hazards. The voltage isolation rating ensures that the component can withstand the specified voltage without compromising its performance or safety. It is typically measured in volts and is an important consideration when designing circuits that require isolation between different parts of the system.
5300Vrms - Output Voltage
Output voltage is a crucial parameter in electronic components that refers to the voltage level produced by the component as a result of its operation. It represents the electrical potential difference between the output terminal of the component and a reference point, typically ground. The output voltage is a key factor in determining the performance and functionality of the component, as it dictates the level of voltage that will be delivered to the connected circuit or load. It is often specified in datasheets and technical specifications to ensure compatibility and proper functioning within a given system.
15V - Output Type
The "Output Type" parameter in electronic components refers to the type of signal or data that is produced by the component as an output. This parameter specifies the nature of the output signal, such as analog or digital, and can also include details about the voltage levels, current levels, frequency, and other characteristics of the output signal. Understanding the output type of a component is crucial for ensuring compatibility with other components in a circuit or system, as well as for determining how the output signal can be utilized or processed further. In summary, the output type parameter provides essential information about the nature of the signal that is generated by the electronic component as its output.
Transistor with Base - Number of Channels1
- Power Dissipation
the process by which an electronic or electrical device produces heat (energy loss or waste) as an undesirable derivative of its primary action.
100mW - Output Current
The rated output current is the maximum load current that a power supply can provide at a specified ambient temperature. A power supply can never provide more current that it's rated output current unless there is a fault, such as short circuit at the load.
16mA - Voltage - Forward (Vf) (Typ)
The parameter "Voltage - Forward (Vf) (Typ)" in electronic components refers to the typical forward voltage drop across the component when it is conducting current in the forward direction. It is a crucial characteristic of components like diodes and LEDs, indicating the minimum voltage required for the component to start conducting current. The forward voltage drop is typically specified as a typical value because it can vary slightly based on factors such as temperature and manufacturing tolerances. Designers use this parameter to ensure that the component operates within its specified voltage range and to calculate power dissipation in the component.
1.33V - Input Type
Input type in electronic components refers to the classification of the signal or data that a component can accept for processing or conversion. It indicates whether the input is analog, digital, or a specific format such as TTL or CMOS. Understanding input type is crucial for ensuring compatibility between different electronic devices and circuits, as it determines how signals are interpreted and interacted with.
DC - Forward Current
Current which flows upon application of forward voltage.
25mA - Max Output Voltage
The maximum output voltage refers to the dynamic area beyond which the output is saturated in the positive or negative direction, and is limited according to the load resistance value.
15V - Data Rate
Data Rate is defined as the amount of data transmitted during a specified time period over a network. It is the speed at which data is transferred from one device to another or between a peripheral device and the computer. It is generally measured in Mega bits per second(Mbps) or Mega bytes per second(MBps).
1 Mbps - Output Current per Channel
Output Current per Channel is a specification commonly found in electronic components such as amplifiers, audio interfaces, and power supplies. It refers to the maximum amount of electrical current that can be delivered by each individual output channel of the component. This parameter is important because it determines the capacity of the component to drive connected devices or loads. A higher output current per channel means the component can deliver more power to connected devices, while a lower output current may limit the performance or functionality of the component in certain applications. It is crucial to consider the output current per channel when selecting electronic components to ensure they can meet the power requirements of the intended system or setup.
8mA - Rise Time
In electronics, when describing a voltage or current step function, rise time is the time taken by a signal to change from a specified low value to a specified high value.
5ns - Forward Voltage
the amount of voltage needed to get current to flow across a diode.
1.9V - Fall Time (Typ)
Fall Time (Typ) is a parameter used to describe the time it takes for a signal to transition from a high level to a low level in an electronic component, such as a transistor or an integrated circuit. It is typically measured in nanoseconds or microseconds and is an important characteristic that affects the performance of the component in digital circuits. A shorter fall time indicates faster switching speeds and can result in improved overall circuit performance, such as reduced power consumption and increased data transmission rates. Designers often consider the fall time specification when selecting components for their circuits to ensure proper functionality and efficiency.
5 ns - Max Collector Current
Max Collector Current is a parameter used to specify the maximum amount of current that can safely flow through the collector terminal of a transistor or other electronic component without causing damage. It is typically expressed in units of amperes (A) and is an important consideration when designing circuits to ensure that the component operates within its safe operating limits. Exceeding the specified max collector current can lead to overheating, degradation of performance, or even permanent damage to the component. Designers must carefully consider this parameter when selecting components and designing circuits to ensure reliable and safe operation.
8mA - Reverse Breakdown Voltage
Reverse Breakdown Voltage is the maximum reverse voltage a semiconductor device can withstand before it starts to conduct heavily in the reverse direction. It is a critical parameter in diodes and other components, indicating the threshold at which the material's insulating properties fail. Beyond this voltage, the device may enter a breakdown region, leading to potential damage if not properly managed. This parameter is essential for ensuring safe operation and reliability in electronic circuits.
5V - Max Input Current
Max Input Current is a parameter that specifies the maximum amount of electrical current that can safely flow into an electronic component without causing damage. It is an important consideration when designing or using electronic circuits to ensure that the component operates within its specified limits. Exceeding the maximum input current can lead to overheating, component failure, or even pose safety risks. Manufacturers provide this parameter in datasheets to help engineers and users understand the limitations of the component and ensure proper operation within the specified parameters.
25mA - Current - DC Forward (If) (Max)
The parameter "Current - DC Forward (If) (Max)" in electronic components refers to the maximum forward current that can safely pass through the component without causing damage. This parameter is typically specified in datasheets for diodes and LEDs, indicating the maximum current that can flow through the component in the forward direction. Exceeding this maximum current rating can lead to overheating and potentially permanent damage to the component. It is important to ensure that the current flowing through the component does not exceed this specified maximum to maintain proper functionality and reliability.
25mA - Input Current
Input current is a parameter that refers to the amount of electrical current flowing into a specific electronic component or device. It is typically measured in amperes (A) and represents the current required for the component to operate properly. Understanding the input current is important for designing circuits and power supplies, as it helps determine the capacity and compatibility of the components being used. Monitoring the input current also helps ensure that the component is not being overloaded or underpowered, which can affect its performance and longevity.
1.6mA - Turn On / Turn Off Time (Typ)
Turn On / Turn Off Time (Typ) in electronic components refers to the time it takes for a device to switch from a non-conducting state to a conducting state (Turn On) and vice versa (Turn Off). This parameter is crucial for understanding the speed and responsiveness of the component in switching applications. It typically indicates the average time under specified conditions and is essential for optimizing the performance in circuits where rapid switching is required, such as in power electronics and digital logic devices.
200ns, 200ns - Reverse Voltage (DC)
Reverse Voltage (DC) refers to the maximum voltage that an electronic component, typically a semiconductor device like a diode, can withstand in the reverse direction without undergoing breakdown or failure. It indicates the threshold at which the device will start to conduct in reverse, potentially damaging the component. This parameter is crucial for ensuring the reliability and safety of circuits that may experience reverse polarity or unexpected voltage conditions. Exceeding the specified reverse voltage can lead to permanent damage or catastrophic failure of the component.
5V - Current Transfer Ratio
Current Transfer Ratio (CTR) is the gain of the optocoupler. It is the ratio of the phototransistor collector current to the IRED forward current. CTR = (IC / IF) * 100 It is expressed as a percentage (%).
16 % - REACH SVHC
The parameter "REACH SVHC" in electronic components refers to the compliance with the Registration, Evaluation, Authorization, and Restriction of Chemicals (REACH) regulation regarding Substances of Very High Concern (SVHC). SVHCs are substances that may have serious effects on human health or the environment, and their use is regulated under REACH to ensure their safe handling and minimize their impact.Manufacturers of electronic components need to declare if their products contain any SVHCs above a certain threshold concentration and provide information on the safe use of these substances. This information allows customers to make informed decisions about the potential risks associated with using the components and take appropriate measures to mitigate any hazards.Ensuring compliance with REACH SVHC requirements is essential for electronics manufacturers to meet regulatory standards, protect human health and the environment, and maintain transparency in their supply chain. It also demonstrates a commitment to sustainability and responsible manufacturing practices in the electronics industry.
Unknown - Radiation Hardening
Radiation hardening is the process of making electronic components and circuits resistant to damage or malfunction caused by high levels of ionizing radiation, especially for environments in outer space (especially beyond the low Earth orbit), around nuclear reactors and particle accelerators, or during nuclear accidents or nuclear warfare.
No - RoHS Status
RoHS means “Restriction of Certain Hazardous Substances” in the “Hazardous Substances Directive” in electrical and electronic equipment.
ROHS3 Compliant - Lead Free
Lead Free is a term used to describe electronic components that do not contain lead as part of their composition. Lead is a toxic material that can have harmful effects on human health and the environment, so the electronics industry has been moving towards lead-free components to reduce these risks. Lead-free components are typically made using alternative materials such as silver, copper, and tin. Manufacturers must comply with regulations such as the Restriction of Hazardous Substances (RoHS) directive to ensure that their products are lead-free and environmentally friendly.
Lead Free
Parts with Similar Specs
- ImagePart NumberManufacturerPackage / CaseNumber of PinsNumber of ChannelsVoltage - IsolationCurrent Transfer RatioCurrent Transfer Ratio (Min)Rise TimeMax Output VoltageOutput VoltageOutput CurrentForward VoltageView Compare
6N135
8-DIP (0.300, 7.62mm)
8
1
5300Vrms
16 %
7% @ 16mA
5 ns
15 V
15 V
16 mA
1.9 V
8-DIP (0.300, 7.62mm)
8
1
5300Vrms
-
-
100 ns
500 mV
200 mV
2.5 A
1.6 V
6N135 Feature
• Isolation test voltages: 5300 VRMS
• TTL compatible
• High bit rates: 1 Mbit/s
• High common-mode interference immunity
• Bandwidth 2 MHz
• Open-collector output
• External base wiring possible
6N135 Application
Camera Strode lights
High-speed ADC and DAC
Fibre/optic communication
Noise isolation circuits
Input / Output isolation circuits
6N135 Equivalent
Equivalent for 6N135: HCPL4503M.
Where to use 6N135
In fact, the 6N135 and 6N137 are fairly similar; the main difference is that the 6N135 has transistor output while the 6N137 has NAND output. It now has a fast switching speed of 10Mbit/sec, compared to 1Mbit/sec for the 6N135.
The 6N135 transistor has a maximum operating voltage of 15V and an output current of 8mA with a peak of 16mA, making it appropriate for driving medium-level loads. Try the MOC3021 if you need some high-voltage AC/DC switching. Aside from that, the IC contains an Enable pin, which is useful for creating a strobe circuit for your camera flash.
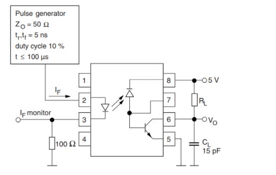
How to use 6N135
Despite the fact that the 6N135 can work with both AC and DC, It works with a 5V supply voltage and is often used in digital circuits. From the datasheet, a typical application circuit for 6N135 is given below.

How to use 6N135
The 0.1uF bypass capacitor is connected to the supply rail. For the IC to respond, the input signal must have an impedance of at least 50 ohms and rise and fall times of at least 5nS. The input signal can be explored (if necessary) on pin 3, and the pull-down resistor 100 is only required if the signal is connected to a scope.
As previously stated, the output (pin 6) is an open-drain transistor, which means it can either sink or float current. To minimize floating, a pull-up resistor RL should be used. The value of RL can range from 330 ohms to 4K, depending on the load attached.
Pin 7 is the Enable pin, which has a built-in pull-up resistor, therefore the IC is enabled by default when powered. When connected to the ground, the output is disabled. The pin can be used to make strobe circuits and other things. The truth table below will help you understand how Enable pin works.

Truth Table
Because the output is open drain, the output will be low while the input is high and vice versa. Another factor to consider is the propagation time, which is important because the IC is typically used for quick switching. When the input is logic on, the output is only turned off after (TPHL), and when the input is logic off, the output is only turned on after (TPHL) (TPLH). The switching diagram below demonstrates the same concept.

Switching Diagram
6N135 Package

6n135 Package
6N135 Manufacturer
Vishay, an important partner of Digi-Key, serves as a globally recognized manufacturer famous for its discrete semiconductors and passive electronic components. Their discrete semiconductors include diodes, MOSFETs, optoelectronics, etc and their passive components include resistors, inductors, capacitors, etc. These products are widely used for almost all kinds of electronic devices and equipment in the fields of industrial, computing, automotive, telecommunications, military, aerospace, and medical.
Note: More details can be found at the 6N135 optocoupler datasheet shown below.
Datasheet PDF
- Datasheets :
- RohsStatement :
- Mfg CAD Models :
Popularity by Region
What is 6N135?
The 6N135 is a two-photodiode, single-channel high-speed optocoupler with transistor output. It operates by separating the input and output sides with an electrical insulating shield. Due to independent biasing voltages photodiode and transistor base-collector terminals, 6N135 delivers a very high bit transmission rate when compared to traditional optoisolators such as 4N24 and MOC2031.
What is an optocoupler used for?
Optocouplers can either be used on their own as a switching device or used with other electronic devices to provide isolation between low and high voltage circuits. You'll typically find these devices being used for Microprocessor input/output switching. DC and AC power control.
Are optocouplers analog or digital?
Even though most optocouplers have a digital 'nature' to them (the exception being an H11F1, which has a FET output and is analogue over a limited range), there are those that work over wide voltage and current ranges, sometimes referred to as high-voltage digital.
BA159 Fast Diode: Datasheet, Equivalent and Pinout13 October 202113652
Panasonic ERJ-3EKF1001V Tips to Spot Real Resistors Easily20 August 2025281
STM32F303VBT6 Microcontroller: 32-Bit, 100-LQFP, Pinout and Datasheet14 January 20221000
MPR121 Capacitive Touch Sensor Module: How to use the MPR121?01 June 20225637
1N5407 Diode: Datasheet, Equivalent, 1N5407 vs.1N5408 [Video]22 December 20212961
IRLZ34N N-Channel Power MOSFET: Pinout, Equivalent and Datasheet22 October 20219459
2N7002 Transistor: Pinout, Datasheet, and Test Circuit05 July 20215540
NRF24L01P Transceiver: Datasheet, Pinout and Applications14 August 20212909
Introduction to TFT Displays29 August 20207519
Silicon Carbide Substrate Manufacturing: Advancing Technology to New Heights08 June 20233144
Ten Smart Sensor Technology Trends for IoT Applications20 November 20216134
What Makes a CPU?30 March 20221584
Will HBM replace DDR and become Computer Memory?09 September 202122993
Japanese Companies Increase Investment in Power Semiconductors17 March 20223392
Surge Protection Devices (SPD): The Complete 2025 Guide25 December 202527052
Getting Started with Raspberry Pi: A Beginner's Guide23 August 20233080
Vishay Semiconductor Opto Division
In Stock
United States
China
Canada
Japan
Russia
Germany
United Kingdom
Singapore
Italy
Hong Kong(China)
Taiwan(China)
France
Korea
Mexico
Netherlands
Malaysia
Austria
Spain
Switzerland
Poland
Thailand
Vietnam
India
United Arab Emirates
Afghanistan
Åland Islands
Albania
Algeria
American Samoa
Andorra
Angola
Anguilla
Antigua & Barbuda
Argentina
Armenia
Aruba
Australia
Azerbaijan
Bahamas
Bahrain
Bangladesh
Barbados
Belarus
Belgium
Belize
Benin
Bermuda
Bhutan
Bolivia
Bonaire, Sint Eustatius and Saba
Bosnia & Herzegovina
Botswana
Brazil
British Indian Ocean Territory
British Virgin Islands
Brunei
Bulgaria
Burkina Faso
Burundi
Cabo Verde
Cambodia
Cameroon
Cayman Islands
Central African Republic
Chad
Chile
Christmas Island
Cocos (Keeling) Islands
Colombia
Comoros
Congo
Congo (DRC)
Cook Islands
Costa Rica
Côte d’Ivoire
Croatia
Cuba
Curaçao
Cyprus
Czechia
Denmark
Djibouti
Dominica
Dominican Republic
Ecuador
Egypt
El Salvador
Equatorial Guinea
Eritrea
Estonia
Eswatini
Ethiopia
Falkland Islands
Faroe Islands
Fiji
Finland
French Guiana
French Polynesia
Gabon
Gambia
Georgia
Ghana
Gibraltar
Greece
Greenland
Grenada
Guadeloupe
Guam
Guatemala
Guernsey
Guinea
Guinea-Bissau
Guyana
Haiti
Honduras
Hungary
Iceland
Indonesia
Iran
Iraq
Ireland
Isle of Man
Israel
Jamaica
Jersey
Jordan
Kazakhstan
Kenya
Kiribati
Kosovo
Kuwait
Kyrgyzstan
Laos
Latvia
Lebanon
Lesotho
Liberia
Libya
Liechtenstein
Lithuania
Luxembourg
Macao(China)
Madagascar
Malawi
Maldives
Mali
Malta
Marshall Islands
Martinique
Mauritania
Mauritius
Mayotte
Micronesia
Moldova
Monaco
Mongolia
Montenegro
Montserrat
Morocco
Mozambique
Myanmar
Namibia
Nauru
Nepal
New Caledonia
New Zealand
Nicaragua
Niger
Nigeria
Niue
Norfolk Island
North Korea
North Macedonia
Northern Mariana Islands
Norway
Oman
Pakistan
Palau
Palestinian Authority
Panama
Papua New Guinea
Paraguay
Peru
Philippines
Pitcairn Islands
Portugal
Puerto Rico
Qatar
Réunion
Romania
Rwanda
Samoa
San Marino
São Tomé & Príncipe
Saudi Arabia
Senegal
Serbia
Seychelles
Sierra Leone
Sint Maarten
Slovakia
Slovenia
Solomon Islands
Somalia
South Africa
South Sudan
Sri Lanka
St Helena, Ascension, Tristan da Cunha
St. Barthélemy
St. Kitts & Nevis
St. Lucia
St. Martin
St. Pierre & Miquelon
St. Vincent & Grenadines
Sudan
Suriname
Svalbard & Jan Mayen
Sweden
Syria
Tajikistan
Tanzania
Timor-Leste
Togo
Tokelau
Tonga
Trinidad & Tobago
Tunisia
Turkey
Turkmenistan
Turks & Caicos Islands
Tuvalu
U.S. Outlying Islands
U.S. Virgin Islands
Uganda
Ukraine
Uruguay
Uzbekistan
Vanuatu
Vatican City
Venezuela
Wallis & Futuna
Yemen
Zambia
Zimbabwe













