74HCT14 Hex Inverter: Pinout, Equivalent and Datasheet
34 ns ns 51 ns ns 5.1mm mm Gates & Inverters 1.05mm mm Surface Mount Surface Mount 4.5V~5.5V V 40μA μA
Unit Price: $0.186474
Ext Price: $0.19









34 ns ns 51 ns ns 5.1mm mm Gates & Inverters 1.05mm mm Surface Mount Surface Mount 4.5V~5.5V V 40μA μA
The 74HCT14 provides six independent Schmitt trigger input inverters with standard push-pull outputs. The device is designed for operation with a power supply range of 4.5V to 5.5V. Furthermore, Huge range of Semiconductors, Capacitors, Resistors and IcS in stock. Welcome RFQ.

Making A Crystal Frequency Driver (74HCT14/74HC14)
74HCT14 Pinout

Pinout
74HCT14 CAD Model

Symbol

Footprint

3D Model
74HCT14 Overview
The 74HCT14 provides six independent Schmitt trigger input inverters with standard push-pull outputs. The device is designed for operation with a power supply range of 4.5V to 5.5V.
This article provides you with a basic overview of the 74HCT14, including its pin descriptions, features and specifications, etc., to help you quickly understand what 74HCT14 is.
74HCT14 Features
● Wide Supply Voltage Range from 4.5V to 5.5V
● Pin Compatible with Low Power Schottky (LSTTL)
● Inputs Are TTL Voltage Level Compatible
● Sinks or sources 4mA at VCC = 4.5V
● CMOS Low Power Consumption
● Schmitt Trigger Action at All Inputs
● ESD Protection Exceeds JESD 22
◆ 200-V Machine Model (A115-A)
◆ 2000-V Human Body Model (A114-A)
◆ Exceeds 1000-V Charged Device Model (C101C)
● Range of Package Options SO-14 and TSSOP-14
● Totally Lead-Free & Fully RoHS Compliant
● Halogen and Antimony Free. “Green” Device
Specifications
- TypeParameter
- Contact Plating
Contact plating (finish) provides corrosion protection for base metals and optimizes the mechanical and electrical properties of the contact interfaces.
Tin - Mount
In electronic components, the term "Mount" typically refers to the method or process of physically attaching or fixing a component onto a circuit board or other electronic device. This can involve soldering, adhesive bonding, or other techniques to secure the component in place. The mounting process is crucial for ensuring proper electrical connections and mechanical stability within the electronic system. Different components may have specific mounting requirements based on their size, shape, and function, and manufacturers provide guidelines for proper mounting procedures to ensure optimal performance and reliability of the electronic device.
Surface Mount - Mounting Type
The "Mounting Type" in electronic components refers to the method used to attach or connect a component to a circuit board or other substrate, such as through-hole, surface-mount, or panel mount.
Surface Mount - Package / Case
refers to the protective housing that encases an electronic component, providing mechanical support, electrical connections, and thermal management.
14-TSSOP (0.173, 4.40mm Width) - Number of Pins14
- Logic Level-High1.9V ~ 2.1V
- Logic Level-Low0.5V ~ 0.6V
- Operating Temperature
The operating temperature is the range of ambient temperature within which a power supply, or any other electrical equipment, operate in. This ranges from a minimum operating temperature, to a peak or maximum operating temperature, outside which, the power supply may fail.
-40°C~125°C TA - Packaging
Semiconductor package is a carrier / shell used to contain and cover one or more semiconductor components or integrated circuits. The material of the shell can be metal, plastic, glass or ceramic.
Tape & Reel (TR) - Series
In electronic components, the "Series" refers to a group of products that share similar characteristics, designs, or functionalities, often produced by the same manufacturer. These components within a series typically have common specifications but may vary in terms of voltage, power, or packaging to meet different application needs. The series name helps identify and differentiate between various product lines within a manufacturer's catalog.
74HCT - Published2013
- JESD-609 Code
The "JESD-609 Code" in electronic components refers to a standardized marking code that indicates the lead-free solder composition and finish of electronic components for compliance with environmental regulations.
e3 - Pbfree Code
The "Pbfree Code" parameter in electronic components refers to the code or marking used to indicate that the component is lead-free. Lead (Pb) is a toxic substance that has been widely used in electronic components for many years, but due to environmental concerns, there has been a shift towards lead-free alternatives. The Pbfree Code helps manufacturers and users easily identify components that do not contain lead, ensuring compliance with regulations and promoting environmentally friendly practices. It is important to pay attention to the Pbfree Code when selecting electronic components to ensure they meet the necessary requirements for lead-free applications.
yes - Part Status
Parts can have many statuses as they progress through the configuration, analysis, review, and approval stages.
Active - Moisture Sensitivity Level (MSL)
Moisture Sensitivity Level (MSL) is a standardized rating that indicates the susceptibility of electronic components, particularly semiconductors, to moisture-induced damage during storage and the soldering process, defining the allowable exposure time to ambient conditions before they require special handling or baking to prevent failures
1 (Unlimited) - Number of Terminations14
- HTS Code
HTS (Harmonized Tariff Schedule) codes are product classification codes between 8-1 digits. The first six digits are an HS code, and the countries of import assign the subsequent digits to provide additional classification. U.S. HTS codes are 1 digits and are administered by the U.S. International Trade Commission.
8542.39.00.01 - Voltage - Supply
Voltage - Supply refers to the range of voltage levels that an electronic component or circuit is designed to operate with. It indicates the minimum and maximum supply voltage that can be applied for the device to function properly. Providing supply voltages outside this range can lead to malfunction, damage, or reduced performance. This parameter is critical for ensuring compatibility between different components in a circuit.
4.5V~5.5V - Terminal Position
In electronic components, the term "Terminal Position" refers to the physical location of the connection points on the component where external electrical connections can be made. These connection points, known as terminals, are typically used to attach wires, leads, or other components to the main body of the electronic component. The terminal position is important for ensuring proper connectivity and functionality of the component within a circuit. It is often specified in technical datasheets or component specifications to help designers and engineers understand how to properly integrate the component into their circuit designs.
DUAL - Terminal Form
Occurring at or forming the end of a series, succession, or the like; closing; concluding.
GULL WING - Peak Reflow Temperature (Cel)
Peak Reflow Temperature (Cel) is a parameter that specifies the maximum temperature at which an electronic component can be exposed during the reflow soldering process. Reflow soldering is a common method used to attach electronic components to a circuit board. The Peak Reflow Temperature is crucial because it ensures that the component is not damaged or degraded during the soldering process. Exceeding the specified Peak Reflow Temperature can lead to issues such as component failure, reduced performance, or even permanent damage to the component. It is important for manufacturers and assemblers to adhere to the recommended Peak Reflow Temperature to ensure the reliability and functionality of the electronic components.
260 - Number of Functions6
- Supply Voltage
Supply voltage refers to the electrical potential difference provided to an electronic component or circuit. It is crucial for the proper operation of devices, as it powers their functions and determines performance characteristics. The supply voltage must be within specified limits to ensure reliability and prevent damage to components. Different electronic devices have specific supply voltage requirements, which can vary widely depending on their design and intended application.
5V - Time@Peak Reflow Temperature-Max (s)
Time@Peak Reflow Temperature-Max (s) refers to the maximum duration that an electronic component can be exposed to the peak reflow temperature during the soldering process, which is crucial for ensuring reliable solder joint formation without damaging the component.
40 - Pin Count
a count of all of the component leads (or pins)
14 - Operating Supply Voltage
The voltage level by which an electrical system is designated and to which certain operating characteristics of the system are related.
5V - Number of Circuits6
- Propagation Delay
the flight time of packets over the transmission link and is limited by the speed of light.
34 ns - Quiescent Current
The quiescent current is defined as the current level in the amplifier when it is producing an output of zero.
40μA - Turn On Delay Time
Turn-on delay, td(on), is the time taken to charge the input capacitance of the device before drain current conduction can start.
51 ns - Family
In electronic components, the parameter "Family" typically refers to a categorization or classification system used to group similar components together based on their characteristics, functions, or applications. This classification helps users easily identify and select components that meet their specific requirements. The "Family" parameter can include various subcategories such as resistors, capacitors, diodes, transistors, integrated circuits, and more. Understanding the "Family" of an electronic component can provide valuable information about its compatibility, performance specifications, and potential uses within a circuit or system. It is important to consider the "Family" parameter when designing or troubleshooting electronic circuits to ensure proper functionality and compatibility with other components.
HCT - Logic Function
In electronic components, the term "Logic Function" refers to the specific operation or behavior of a component based on its input signals. It describes how the component processes the input signals to produce the desired output. Logic functions are fundamental to digital circuits and are used to perform logical operations such as AND, OR, NOT, and XOR.Each electronic component, such as logic gates or flip-flops, is designed to perform a specific logic function based on its internal circuitry. By understanding the logic function of a component, engineers can design and analyze complex digital systems to ensure proper functionality and performance. Different logic functions can be combined to create more complex operations, allowing for the creation of sophisticated digital devices and systems.
Inverter, Schmitt Trigger - Logic Type
Logic Type in electronic components refers to the classification of circuits based on the logical operations they perform. It includes types such as AND, OR, NOT, NAND, NOR, XOR, and XNOR, each defining the relationship between binary inputs and outputs. The logic type determines how the inputs affect the output state based on specific rules of Boolean algebra. This classification is crucial for designing digital circuits and systems, enabling engineers to select appropriate components for desired functionalities.
Inverter - Max Propagation Delay @ V, Max CL
The parameter "Max Propagation Delay @ V, Max CL" in electronic components refers to the maximum amount of time it takes for a signal to propagate through the component from input to output when operating at a specific voltage (V) and driving a maximum specified load capacitance (CL). This parameter is crucial in determining the speed and performance of the component in a circuit. A shorter propagation delay indicates faster signal processing and better overall performance. Designers use this parameter to ensure that signals can be transmitted and received within the required timing constraints in their electronic systems.
34ns @ 4.5V, 50pF - Current - Quiescent (Max)
The parameter "Current - Quiescent (Max)" in electronic components refers to the maximum amount of current that a device consumes when it is in a quiescent or idle state. This parameter is important because it indicates the minimum power consumption of the device when it is not actively performing any tasks. It is typically measured in units of amperes (A) and helps in determining the overall power efficiency and battery life of the electronic component. Designers and engineers use this parameter to ensure that the device meets power consumption requirements and operates within specified limits during standby or idle modes.
20μA - Schmitt Trigger Input
The Schmitt Trigger is a logic input type that provides hysteresis or two different threshold voltage levels for rising and falling edge.
Yes - Height1.05mm
- Length5.1mm
- Width4.5mm
- REACH SVHC
The parameter "REACH SVHC" in electronic components refers to the compliance with the Registration, Evaluation, Authorization, and Restriction of Chemicals (REACH) regulation regarding Substances of Very High Concern (SVHC). SVHCs are substances that may have serious effects on human health or the environment, and their use is regulated under REACH to ensure their safe handling and minimize their impact.Manufacturers of electronic components need to declare if their products contain any SVHCs above a certain threshold concentration and provide information on the safe use of these substances. This information allows customers to make informed decisions about the potential risks associated with using the components and take appropriate measures to mitigate any hazards.Ensuring compliance with REACH SVHC requirements is essential for electronics manufacturers to meet regulatory standards, protect human health and the environment, and maintain transparency in their supply chain. It also demonstrates a commitment to sustainability and responsible manufacturing practices in the electronics industry.
No SVHC - RoHS Status
RoHS means “Restriction of Certain Hazardous Substances” in the “Hazardous Substances Directive” in electrical and electronic equipment.
ROHS3 Compliant - Lead Free
Lead Free is a term used to describe electronic components that do not contain lead as part of their composition. Lead is a toxic material that can have harmful effects on human health and the environment, so the electronics industry has been moving towards lead-free components to reduce these risks. Lead-free components are typically made using alternative materials such as silver, copper, and tin. Manufacturers must comply with regulations such as the Restriction of Hazardous Substances (RoHS) directive to ensure that their products are lead-free and environmentally friendly.
Lead Free
74HCT14 Functional Block Diagram

Logic Diagram
74HCT14 Equivalent
| Model number | Manufacturer | Description |
| MM74HCT14MTCX | On Semiconductor | Hex Inverting Schmitt Trigger, 2500-REEL |
| MC74HCT14ADT | Rochester Electronics LLC | HCT SERIES, HEX 1-INPUT INVERT GATE, PDSO14, TSSOP-14 |
| 74HCT14DTR2G | On Semiconductor | HCT SERIES, HEX 1-INPUT INVERT GATE, PDSO14, LEAD FREE, TSSOP-14 |
| 74HCT14PW | Philips Semiconductors | Inverter, CMOS, PDSO14 |
| MC74HCT14ADTR2 | On Semiconductor | IC HCT SERIES, HEX 1-INPUT INVERT GATE, PDSO14, LEAD FREE, TSSOP-14, Gate |
| 74HCT14PW-Q100 | Nexperia | Inverter, HCT Series, 6-Func, 1-Input, CMOS, PDSO14 |
| 935183540118 | Nexperia | Inverter, HCT Series, 6-Func, 1-Input, CMOS, PDSO14 |
| CD74HCT14PWR | Texas Instruments | 6-ch, 4.5-V to 5.5-V inverters with Schmitt-Trigger inputs 14-TSSOP -55 to 125 |
| 74HCT14PW-T | NXP Semiconductors | IC HCT SERIES, HEX 1-INPUT INVERT GATE, PDSO14, SOT-402-1, TSSOP-14, Gate |
| SN74HCT14PW | Texas Instruments | HCT SERIES, HEX 1-INPUT INVERT GATE, PDSO14, TSSOP-14 |
Parts with Similar Specs
- ImagePart NumberManufacturerPackage / CaseNumber of PinsLogic FunctionNumber of CircuitsPropagation DelaySupply VoltageQuiescent CurrentPackagingView Compare
74HCT14T14-13
14-TSSOP (0.173, 4.40mm Width)
14
Inverter, Schmitt Trigger
6
34 ns
5 V
40 μA
Tape & Reel (TR)
14-TSSOP (0.173, 4.40mm Width)
14
Inverter, Schmitt Trigger
6
10 ns
5 V
40 μA
Tape & Reel (TR)
14-TSSOP (0.173, 4.40mm Width)
14
Buffer, Inverter, NOT, Schmitt Trigger
6
4.8 ns
3.3 V
40 μA
Tape & Reel (TR)
14-TSSOP (0.173, 4.40mm Width)
14
Inverter, Schmitt Trigger
6
22 ns
5 V
40 μA
Tape & Reel (TR)
TSSOP
14
Inverter
6
7.7 ns
-
2 μA
Tape & Reel (TR)
74HCT14 Application
● General Purpose Logic
● Wide array of products such as:
◆ PCs, networking, notebooks, netbooks
◆ Computer peripherals, hard drives, CD/DVD ROM
◆ TV, DVD, DVR, set top box
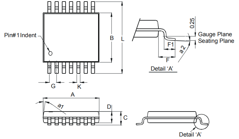
74HCT14 Package

Package
74HCT14 Marking Information

Marking Information
74HCT14 Suggested Pad Layout

Suggested Pad Layout
74HCT14 Manufacturer
Diodes Incorporated (Nasdaq: DIOD), a Standard and Poor's Smallcap 600 and Russell 3000 Index company, is a leading global manufacturer and supplier of high-quality application-specific standard products within the broad discrete, logic, analog, and mixed-signal semiconductor markets. Diodes serves the consumer electronics, computing, communications, industrial, and automotive markets.
Diodes Incorporated is devoted to be the leading provider for large-volume and high-growing markets. With cutting-edge products of package technology, analog, discrete and mixed-signal products, Diodes Incorporated is capable to provide high-quality semiconductor products to meet the customers’ needs from walks of communications, computing, consumer electronics, automotive and industrial markets. Their product lines cover a wide range of application solutions together with 25 operations around the world which serve with examine, engineering, manufacturing and customer service.
Datasheet PDF
- Environmental Information :
- RohsStatement :
- Datasheets :
Trend Analysis
What is the essential property of the 74HCT14?
The 74HCT14 provides six independent Schmitt trigger input inverters with standard push-pull outputs. The device is designed for operation with a power supply range of 4.5V to 5.5V.
What can be used instead of 74HCT14T14-13?
74AHCT14T14-13, 74LVC14AT14-13, 74HCT04T14-13, 74VHCT04AFT(BJ).
IRF4905PBF:pinout, datasheet, description12 March 20222053
AD260BND-1 Digital Isolators: Pinout, Specification, Datasheet14 August 2024453
L293D Vs. L298N: What’s The Difference?20 December 202324241
DS18B20 Temperature Sensor[FAQ+Video]: Circuit, Equivalents,and Pinout17 April 20253262
ATMEGA2560 Microcontroller: Pinout, Datasheet and Schematic13 July 202112818
L7809CV Positive Voltage Regulator ICs: Pinout, Equivalent and Datasheet28 February 20227644
OPA548 Operational Amplifiers: Pinout, Application and Datasheet PDF03 July 20214460
IRF630 Power Mosfet: Pinout, Application, Datasheet28 July 20215551
What are Laser Diodes?20 October 202514642
What is Surge?09 February 20226198
Apple M1 Ultra -- The Technology Behind the Chip Interconnection12 March 20226339
Electronic components distributor UTMEL Stands Out at electronica china 202409 July 20244438
Google Unveils LM-Nav, A Robotic Navigation System, In Association With Universities03 August 20224324
PWM vs MPPT Solar Charge Controllers: A Complete Comparison Guide06 June 20252914
What is inductor: Symbol, Applications and Types04 January 202210066
What are Types and Application of Gas Sensors?18 November 20259926
Diodes Incorporated
In Stock: 7500
Minimum: 1 Multiples: 1
Qty
Unit Price
Ext Price
1
$0.186474
$0.19
10
$0.175919
$1.76
100
$0.165961
$16.60
500
$0.156567
$78.28
1000
$0.147705
$147.70
Not the price you want? Send RFQ Now and we'll contact you ASAP.
Inquire for More Quantity


Product
Brand
Articles
Tools








