FT900 Embedded Microcontroller: Datasheet, Application, Pinout
256KB 256K x 8 FLASH FT32 32-Bit Microcontroller FT90x Series 3.3V 100-LQFP









256KB 256K x 8 FLASH FT32 32-Bit Microcontroller FT90x Series 3.3V 100-LQFP
FT900 is complete System-On-Chip 32-bit RISC microcontrollers for embedded applications featuring a high level of integration and low power consumption.

FT9xx DFU Programming
FT900 Description
The FT900 is complete System-On-Chip 32-bit RISC microcontrollers for embedded applications featuring a high level of integration and low power consumption included in the FT90x series.
FT900 Pinout

FT900 CAD Model
Symbol

Footprint

3D Model

FT900 Features
· High performance, low power 32-bit FT32 core processor, running at a frequency of 100MHz.
· 256kB on-chip Flash memory.
· 256kB on-chip shadow program memory.
· True Zero Wait States (0WS) up to 3.1 DMIPS per MHz performance
· 64kB on-chip data memory.
· EFUSE for security configuration.
· Integrated Phase-Locked Loop (PLL) supports external 12MHz crystal and direct external clock source input.
· 32.768 kHz real-time clock support.
· One USB2.0 EHCI compatible host controller supports high-speed (480 Mbit/s), full-speed (12 Mbit/s), and low-speed (1.5 Mbit/s).
· One USB2.0 peripheral controller supports highspeed (480 Mbit/s) and full-speed (12 Mbit/s).
· USB2.0 host and peripheral controllers support the Isochronous, Interrupt, Control, and Bulk transfers.
· 10/100 Mbps Ethernet that is compliant with the IEEE 802.3/802.3u standards. (FT900 and FT901 only)
· Supports One-Wire debugger for downloading firmware to Flash memory or shadow program memory and supports a software debugger.
· Two CAN controllers support CAN protocol 2.0 parts A & B, the data rate is up to 1 Mbit/s. (FT900 and FT902 only)
· One SPI master supports single/dual/quad modes of data transfer. The clock rate is up to 25 MHz
· Two SPI slaves support a single data transfer with a 25MHz clock.
· Two I2C bus interfaces can be configured as master or slave, which support standard / fast/fast plus / high-speed mode data transfers. Max data transfer rate up to 3.4 Mbit/s. Clock stretching is supported.
· I 2S bus interface can be configured as master or slave. Two clock input options (24.576 MHz and 22.5792 MHz) to support I 2S master mode for different audio sample rates.
· UART interface can be configured as one full programmable UART0 or two simple interfaces, UART0 and UART1 with CTS / RTS control function.
· Four user timers with pre-scaling and a watchdog function.
· 8-bit parallel data interface supports camera data capturing.
· Support 7 independent PWM channels. Channel 0 and 1 can be configured as PCM 8-bit/16-bit stereo audio output.
· SD host controller is compatible with standard specification V3.0, it supports up to 25 MHz SD clock speed and software supports SD card format in SD/SDHC/SDXC.
· Support two 10-bit DAC 0/1 channels output, sample rate at ~1 MS/s.
· Support seven 10-bit ADC 1/7 channels input, the sample rate is up to ~960 kS/s.
· Single 3.3 volt power supply, built-in 1.2 V regulators.
· 3.3-volt I/O power supply.
· Support USB Battery Charging Specification Rev 1.2. A downstream port can be configured as SDP, CDP or DCP. An upstream port can perform BCD mode detection.
· Support VBUS power switching and over-current control.
· Power-On Reset (POR).
· -40°C to 85°C extended operating temperature range.
· Available in compact Pb-free 100-Pin packages (all RoHS compliant).
FT900 Block Diagram

Specifications
- TypeParameter
- Mounting Type
The "Mounting Type" in electronic components refers to the method used to attach or connect a component to a circuit board or other substrate, such as through-hole, surface-mount, or panel mount.
Surface Mount - Package / Case
refers to the protective housing that encases an electronic component, providing mechanical support, electrical connections, and thermal management.
100-LQFP - Surface Mount
having leads that are designed to be soldered on the side of a circuit board that the body of the component is mounted on.
YES - Data ConvertersA/D 7x10b; D/A 2x10b
- Number of I/Os65
- Operating Temperature
The operating temperature is the range of ambient temperature within which a power supply, or any other electrical equipment, operate in. This ranges from a minimum operating temperature, to a peak or maximum operating temperature, outside which, the power supply may fail.
-40°C~85°C TA - Packaging
Semiconductor package is a carrier / shell used to contain and cover one or more semiconductor components or integrated circuits. The material of the shell can be metal, plastic, glass or ceramic.
Tray - Series
In electronic components, the "Series" refers to a group of products that share similar characteristics, designs, or functionalities, often produced by the same manufacturer. These components within a series typically have common specifications but may vary in terms of voltage, power, or packaging to meet different application needs. The series name helps identify and differentiate between various product lines within a manufacturer's catalog.
FT90x - Published2014
- Part Status
Parts can have many statuses as they progress through the configuration, analysis, review, and approval stages.
Obsolete - Moisture Sensitivity Level (MSL)
Moisture Sensitivity Level (MSL) is a standardized rating that indicates the susceptibility of electronic components, particularly semiconductors, to moisture-induced damage during storage and the soldering process, defining the allowable exposure time to ambient conditions before they require special handling or baking to prevent failures
3 (168 Hours) - Number of Terminations100
- Terminal Position
In electronic components, the term "Terminal Position" refers to the physical location of the connection points on the component where external electrical connections can be made. These connection points, known as terminals, are typically used to attach wires, leads, or other components to the main body of the electronic component. The terminal position is important for ensuring proper connectivity and functionality of the component within a circuit. It is often specified in technical datasheets or component specifications to help designers and engineers understand how to properly integrate the component into their circuit designs.
QUAD - Terminal Form
Occurring at or forming the end of a series, succession, or the like; closing; concluding.
GULL WING - Peak Reflow Temperature (Cel)
Peak Reflow Temperature (Cel) is a parameter that specifies the maximum temperature at which an electronic component can be exposed during the reflow soldering process. Reflow soldering is a common method used to attach electronic components to a circuit board. The Peak Reflow Temperature is crucial because it ensures that the component is not damaged or degraded during the soldering process. Exceeding the specified Peak Reflow Temperature can lead to issues such as component failure, reduced performance, or even permanent damage to the component. It is important for manufacturers and assemblers to adhere to the recommended Peak Reflow Temperature to ensure the reliability and functionality of the electronic components.
NOT SPECIFIED - Supply Voltage
Supply voltage refers to the electrical potential difference provided to an electronic component or circuit. It is crucial for the proper operation of devices, as it powers their functions and determines performance characteristics. The supply voltage must be within specified limits to ensure reliability and prevent damage to components. Different electronic devices have specific supply voltage requirements, which can vary widely depending on their design and intended application.
3.3V - Terminal Pitch
The center distance from one pole to the next.
0.5mm - Time@Peak Reflow Temperature-Max (s)
Time@Peak Reflow Temperature-Max (s) refers to the maximum duration that an electronic component can be exposed to the peak reflow temperature during the soldering process, which is crucial for ensuring reliable solder joint formation without damaging the component.
NOT SPECIFIED - JESD-30 Code
JESD-30 Code refers to a standardized descriptive designation system established by JEDEC for semiconductor-device packages. This system provides a systematic method for generating designators that convey essential information about the package's physical characteristics, such as size and shape, which aids in component identification and selection. By using JESD-30 codes, manufacturers and engineers can ensure consistency and clarity in the specification of semiconductor packages across various applications and industries.
S-PQFP-G100 - Oscillator Type
Wien Bridge Oscillator; RC Phase Shift Oscillator; Hartley Oscillator; Voltage Controlled Oscillator; Colpitts Oscillator; Clapp Oscillators; Crystal Oscillators; Armstrong Oscillator.
Internal - Speed
In electronic components, "Speed" typically refers to the rate at which data can be processed or transferred within the component. It is a measure of how quickly the component can perform its functions, such as executing instructions or transmitting signals. Speed is often specified in terms of frequency, such as clock speed in processors or data transfer rate in memory modules. Higher speed components can perform tasks more quickly, leading to improved overall performance in electronic devices. It is an important parameter to consider when designing or selecting electronic components for specific applications.
100MHz - RAM Size
RAM size refers to the amount of random access memory (RAM) available in an electronic component, such as a computer or smartphone. RAM is a type of volatile memory that stores data and instructions that are actively being used by the device's processor. The RAM size is typically measured in gigabytes (GB) and determines how much data the device can store and access quickly for processing. A larger RAM size allows for smoother multitasking, faster loading times, and better overall performance of the electronic component. It is an important factor to consider when choosing a device, especially for tasks that require a lot of memory, such as gaming, video editing, or running multiple applications simultaneously.
320K x 8 - Voltage - Supply (Vcc/Vdd)
Voltage - Supply (Vcc/Vdd) is a key parameter in electronic components that specifies the voltage level required for the proper operation of the device. It represents the power supply voltage that needs to be provided to the component for it to function correctly. This parameter is crucial as supplying the component with the correct voltage ensures that it operates within its specified limits and performance characteristics. It is typically expressed in volts (V) and is an essential consideration when designing and using electronic circuits to prevent damage and ensure reliable operation.
2.97V~3.63V - uPs/uCs/Peripheral ICs Type
The parameter "uPs/uCs/Peripheral ICs Type" refers to the classification of various integrated circuits used in electronic devices. It encompasses microprocessors (uPs), microcontrollers (uCs), and peripheral integrated circuits that provide additional functionalities. This classification helps in identifying the specific type of chip used for processing tasks, controlling hardware, or interfacing with other components in a system. Understanding this parameter is essential for selecting the appropriate electronic components for a given application.
MICROCONTROLLER, RISC - Core Processor
The term "Core Processor" typically refers to the central processing unit (CPU) of a computer or electronic device. It is the primary component responsible for executing instructions, performing calculations, and managing data within the system. The core processor is often considered the brain of the device, as it controls the overall operation and functionality. It is crucial for determining the speed and performance capabilities of the device, as well as its ability to handle various tasks and applications efficiently. In modern devices, core processors can have multiple cores, allowing for parallel processing and improved multitasking capabilities.
FT32 - Peripherals
In the context of electronic components, "Peripherals" refer to devices or components that are connected to a main system or device to enhance its functionality or provide additional features. These peripherals can include input devices such as keyboards, mice, and touchscreens, as well as output devices like monitors, printers, and speakers. Other examples of peripherals include external storage devices, network adapters, and cameras. Essentially, peripherals are external devices that expand the capabilities of a main electronic system or device.
I2S, POR, PWM, WDT - Program Memory Type
Program memory typically refers to flash memory when it is used to hold the program (instructions). Program memory may also refer to a hard drive or solid state drive (SSD). Contrast with data memory.
FLASH - Core Size
Core size in electronic components refers to the physical dimensions of the core material used in devices such as inductors and transformers. The core size directly impacts the performance characteristics of the component, including its inductance, saturation current, and frequency response. A larger core size typically allows for higher power handling capabilities and lower core losses, while a smaller core size may result in a more compact design but with limitations on power handling and efficiency. Designers must carefully select the core size based on the specific requirements of the application to achieve optimal performance and efficiency.
32-Bit - Program Memory Size
Program Memory Size refers to the amount of memory available in an electronic component, such as a microcontroller or microprocessor, that is used to store program instructions. This memory is non-volatile, meaning that the data stored in it is retained even when the power is turned off. The program memory size determines the maximum amount of code that can be stored and executed by the electronic component. It is an important parameter to consider when selecting a component for a specific application, as insufficient program memory size may limit the functionality or performance of the device.
256KB 256K x 8 - Connectivity
In electronic components, "Connectivity" refers to the ability of a component to establish and maintain connections with other components or devices within a circuit. It is a crucial parameter that determines how easily signals can be transmitted between different parts of a circuit. Connectivity can be influenced by factors such as the number of input and output ports, the type of connectors used, and the overall design of the component. Components with good connectivity are essential for ensuring reliable and efficient operation of electronic systems.
CANbus, Ethernet, I2C, SD, SPI, UART/USART, USB - Bit Size
In electronic components, "Bit Size" refers to the number of bits that can be processed or stored by a particular component. A bit is the smallest unit of data in computing and can have a value of either 0 or 1. The Bit Size parameter is commonly used to describe the capacity or performance of components such as microprocessors, memory modules, and data buses. A larger Bit Size generally indicates a higher processing capability or storage capacity, allowing for more complex operations and larger amounts of data to be handled efficiently. It is an important specification to consider when selecting electronic components for specific applications that require certain levels of performance and data processing capabilities.
32 - Has ADC
Has ADC refers to the presence of an Analog-to-Digital Converter (ADC) in an electronic component. An ADC is a crucial component in many electronic devices as it converts analog signals, such as voltage or current, into digital data that can be processed by a digital system. Having an ADC allows the electronic component to interface with analog signals and convert them into a format that can be manipulated and analyzed digitally. This parameter is important for applications where analog signals need to be converted into digital form for further processing or control.
YES - DMA Channels
DMA (Direct Memory Access) Channels are a feature found in electronic components such as microcontrollers, microprocessors, and peripheral devices. DMA Channels allow data to be transferred directly between peripherals and memory without involving the CPU, thereby reducing the burden on the CPU and improving overall system performance. Each DMA Channel is typically assigned to a specific peripheral device or memory region, enabling efficient data transfer operations. The number of DMA Channels available in a system determines the concurrent data transfer capabilities and can vary depending on the specific hardware design. Overall, DMA Channels play a crucial role in optimizing data transfer efficiency and system performance in electronic devices.
NO - PWM Channels
PWM Channels, or Pulse Width Modulation Channels, refer to the number of independent PWM outputs available in an electronic component, such as a microcontroller or a motor driver. PWM is a technique used to generate analog-like signals by varying the duty cycle of a square wave signal. Each PWM channel can control the output of a specific device or component by adjusting the pulse width of the signal. Having multiple PWM channels allows for precise control of multiple devices simultaneously, making it a valuable feature in applications such as motor control, LED dimming, and audio signal generation. The number of PWM channels available in a component determines the flexibility and complexity of the system it can control.
YES - DAC Channels
DAC Channels refer to the number of independent analog output channels available in a digital-to-analog converter (DAC) electronic component. Each channel can convert a digital input signal into an analog output voltage or current. The number of DAC channels determines how many separate analog signals can be generated simultaneously by the DAC. For example, a DAC with two channels can output two different analog signals at the same time, while a DAC with only one channel can only output a single analog signal. The number of DAC channels is an important specification to consider when selecting a DAC for applications requiring multiple analog outputs.
YES - Length14mm
- Height Seated (Max)
Height Seated (Max) is a parameter in electronic components that refers to the maximum allowable height of the component when it is properly seated or installed on a circuit board or within an enclosure. This specification is crucial for ensuring proper fit and alignment within the overall system design. Exceeding the maximum seated height can lead to mechanical interference, electrical shorts, or other issues that may impact the performance and reliability of the electronic device. Manufacturers provide this information to help designers and engineers select components that will fit within the designated space and function correctly in the intended application.
1.6mm - Width14mm
- RoHS Status
RoHS means “Restriction of Certain Hazardous Substances” in the “Hazardous Substances Directive” in electrical and electronic equipment.
RoHS Compliant
FT900 Application
·Home security system
· Home Automation
· Embedded audio application
· Motor drive and application control
· E-meter
· CCTV monitor
· Industrial automation
· Medical appliances
· Instrumentation
· DAQ System
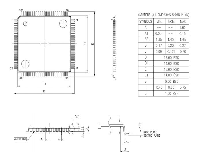
FT900 Dimensions

FT900 Manufacturer
Bridgetek is a leading global semiconductor company providing high performance microcontroller units (MCUs), display IC products and developing innovative silicon solutions that enhance seamless interaction with the latest connectivity technologies. Our key objective is to provide core bridging technology to support engineers with highly sophisticated, feature-rich, robust and simple-to-use product platforms.
Datasheet PDF
- Datasheets :
- Environmental Information :
- PCN Obsolescence/ EOL :
What is FT90x series?
The FT90x series includes the FT900, FT901, FT902 and FT903 which are complete System-On-Chip 32-bit RISC microcontrollers for embedded applications featuring a high level of integration and low power consumption.
What differences are between embedded microprocessor and embedded microcontroller?
Microprocessor: MPU microprocessor must include ROM, RAM, bus interface and this peripheral device on the circuit board, thereby reducing the reliability of the system. Microprocessors currently mainly include ARM series, MIPS, PowerPC series and so on. Microcontroller: MCU Microcontroller integrates the entire computer system into a chip. Microcontrollers generally take a certain kind of core as the core. The chip integrates ROM, E2ROM, RAM, bus, bus logic, timing, counter, watchdog, GPIO, PWM, AD, DA, FLASH and other necessary functions and external Assume. Compared with microprocessors, the biggest advantage of microcontrollers is that they are monolithic and greatly reduced in size, which reduces power consumption and cost, and improves reliability.
ACS712 Current Sensor: Pinout, Datasheet and Circuit09 July 202120162
CC2640R2FRGZR:Wireless Microcontroller, Bluetooth® 5.1 Low Energy, CC2640R2F VS. CC2640R2L03 March 20222308
STM32H7 Arm® Cortex®-M7 MCUs: Features, Advantage and Datasheet07 January 202210710
AO3401 Transistor: Circuit, Pinout, and Datasheet [FAQ]20 October 20219430
A Comprehensive Guide to LTC6406CMS8E#PBF - A High-Speed ADC Driver06 March 2024108
GRM21BR71C475KA73L Ceramic Capacitor: Datasheet, Price, GRM Series15 March 2022277
Designing with AD5933: Datasheet, Pinout, and Impedance Spectroscopy Guide05 February 2026156
KSZ8081MNXCA 10BASE-T/100BASE-TX Physical Layer Transceiver[FAQ]: Datasheet, Features, and Pinout22 March 2022330
Basic Introduction to Power Amplifier09 January 20269603
Semiconductor Industry Faces Challenges Amid Chip Shortage05 December 20233889
13 Semiconductor Startups Poised for Success in 2024, According to Investors11 December 20235665
The Difference and Application of SPI, UART, I2C Communication15 October 202511050
RVDT(Rotary Variable Differential Transformer) Basics02 February 202119261
Introduction to MD8002A Audio Amplifier27 March 20258405
Voltage Follower: Purpose, Working, and Circuits27 March 202527508
Electronic components distributor UTMEL Stands Out at electronica china 202409 July 20244438
Bridgetek Pte Ltd.
In Stock
United States
China
Canada
Japan
Russia
Germany
United Kingdom
Singapore
Italy
Hong Kong(China)
Taiwan(China)
France
Korea
Mexico
Netherlands
Malaysia
Austria
Spain
Switzerland
Poland
Thailand
Vietnam
India
United Arab Emirates
Afghanistan
Åland Islands
Albania
Algeria
American Samoa
Andorra
Angola
Anguilla
Antigua & Barbuda
Argentina
Armenia
Aruba
Australia
Azerbaijan
Bahamas
Bahrain
Bangladesh
Barbados
Belarus
Belgium
Belize
Benin
Bermuda
Bhutan
Bolivia
Bonaire, Sint Eustatius and Saba
Bosnia & Herzegovina
Botswana
Brazil
British Indian Ocean Territory
British Virgin Islands
Brunei
Bulgaria
Burkina Faso
Burundi
Cabo Verde
Cambodia
Cameroon
Cayman Islands
Central African Republic
Chad
Chile
Christmas Island
Cocos (Keeling) Islands
Colombia
Comoros
Congo
Congo (DRC)
Cook Islands
Costa Rica
Côte d’Ivoire
Croatia
Cuba
Curaçao
Cyprus
Czechia
Denmark
Djibouti
Dominica
Dominican Republic
Ecuador
Egypt
El Salvador
Equatorial Guinea
Eritrea
Estonia
Eswatini
Ethiopia
Falkland Islands
Faroe Islands
Fiji
Finland
French Guiana
French Polynesia
Gabon
Gambia
Georgia
Ghana
Gibraltar
Greece
Greenland
Grenada
Guadeloupe
Guam
Guatemala
Guernsey
Guinea
Guinea-Bissau
Guyana
Haiti
Honduras
Hungary
Iceland
Indonesia
Iran
Iraq
Ireland
Isle of Man
Israel
Jamaica
Jersey
Jordan
Kazakhstan
Kenya
Kiribati
Kosovo
Kuwait
Kyrgyzstan
Laos
Latvia
Lebanon
Lesotho
Liberia
Libya
Liechtenstein
Lithuania
Luxembourg
Macao(China)
Madagascar
Malawi
Maldives
Mali
Malta
Marshall Islands
Martinique
Mauritania
Mauritius
Mayotte
Micronesia
Moldova
Monaco
Mongolia
Montenegro
Montserrat
Morocco
Mozambique
Myanmar
Namibia
Nauru
Nepal
New Caledonia
New Zealand
Nicaragua
Niger
Nigeria
Niue
Norfolk Island
North Korea
North Macedonia
Northern Mariana Islands
Norway
Oman
Pakistan
Palau
Palestinian Authority
Panama
Papua New Guinea
Paraguay
Peru
Philippines
Pitcairn Islands
Portugal
Puerto Rico
Qatar
Réunion
Romania
Rwanda
Samoa
San Marino
São Tomé & Príncipe
Saudi Arabia
Senegal
Serbia
Seychelles
Sierra Leone
Sint Maarten
Slovakia
Slovenia
Solomon Islands
Somalia
South Africa
South Sudan
Sri Lanka
St Helena, Ascension, Tristan da Cunha
St. Barthélemy
St. Kitts & Nevis
St. Lucia
St. Martin
St. Pierre & Miquelon
St. Vincent & Grenadines
Sudan
Suriname
Svalbard & Jan Mayen
Sweden
Syria
Tajikistan
Tanzania
Timor-Leste
Togo
Tokelau
Tonga
Trinidad & Tobago
Tunisia
Turkey
Turkmenistan
Turks & Caicos Islands
Tuvalu
U.S. Outlying Islands
U.S. Virgin Islands
Uganda
Ukraine
Uruguay
Uzbekistan
Vanuatu
Vatican City
Venezuela
Wallis & Futuna
Yemen
Zambia
Zimbabwe


Product
Brand
Articles
Tools






