IRF540N N-Channel Power MOSFET: Circuits, Equivalent, and IRF540N vs IRF540
IRF540N datasheet pdf and Unclassified product details from VBsemi Elec stock available at Utmel









The IRF540N is an N-channel power MOSFET in the TO-220AB package.

Voltage controller circuit with ampere using IRF540N? Electronics
- IRF540N Description
- IRF540N Pinout
- IRF540N CAD Model
- IRF540N Features
- IRF540N Advantages
- Specifications
- IRF540N Test Circuits and Waveforms
- IRF540N Functional Alternatives
- IRF540N Equivalents
- Where to use IRF540N
- How to use IRF540N
- How to Connect IRF540N
- IRF540N vs IRF540
- IRF540N Applications
- IRF540N Package
- IRF540N Manufacturer
- Trend Analysis
- Datasheet PDF
IRF540N Description
The IRF540N is an N-channel power MOSFET in the TO-220AB package. The IRF540N utilizes advanced processing techniques to achieve extremely low on-resistance per silicon area. This benefit, combined with the fast switching speed and ruggedized device design that HEXFET Power MOSFETs are well known for, provides the designer with an extremely efficient and reliable device for use in a wide variety of applications.
The TO-220 package is universally preferred for all commercial-industrial applications at power dissipation levels to approximately 50 watts. The low thermal resistance and low package cost of the TO-220 contribute to its wide acceptance throughout the industry.
IRF540N Pinout

IRF540N CAD Model
Symbol

Footprint

3D Model

IRF540N Features
Package Type: TO-220AB
Transistor Type: N Channel
Max Drain to Source Voltage: 100 V
Max Drain to Gate Voltage: 100 V
Max Gate to Source Voltage: ±20 V
Max Continuous Drain Current: 45 A (Different manufacturers might have different ratings, for Fairchild Semiconductor it is 33 A)
Max Power Dissipation: 127 W (For Fairchild Semiconductor it is 120 W)
Typical Drain to Source On Resistance: 0.032 Ω
Max Drain to Source On Resistance: 0.065 Ω (For Fairchild Semiconductor it is 0.04 Ω)
Storage & Operating temperature: -55 to +175 Celsius
IRF540N Advantages
Cutting-Edge Process Technology
Ultra-Low On-Resistance
Dynamic dv/dt Rating
Fast Switching
Fully Avalanche Rated
Capable of Being Wave-soldered
Specifications
- TypeParameter
- Package / Case
refers to the protective housing that encases an electronic component, providing mechanical support, electrical connections, and thermal management.
TO-220AB - Packaging
Semiconductor package is a carrier / shell used to contain and cover one or more semiconductor components or integrated circuits. The material of the shell can be metal, plastic, glass or ceramic.
Tube-packed - RoHS Status
RoHS means “Restriction of Certain Hazardous Substances” in the “Hazardous Substances Directive” in electrical and electronic equipment.
RoHS Compliant
IRF540N Test Circuits and Waveforms

IRF540N Unclamped Energy Test Circuit and Waveform

IRF540N Gate Charge Test Circuit and Waveform

IRF540N Switching Time Test Circuit and Waveform
IRF540N Functional Alternatives

IRF540N Equivalents
RFP30N06, IRFZ44, 2N3055, IRF3205, IRF1310N, IRF3415, IRF3710, IRF3710Z, IRF3710ZG, IRF8010, IRFB260N, IRFB4110, IRFB4110G, IRFB4115, IRFB4115G, IRFB4127, IRFB4227, IRFB4233, IRFB4310, IRFB4310G, IRFB4310Z, IRFB4310ZG, IRFB4321, IRFB4321G, IRFB4332, IRFB4410, IRFB4410Z, IRFB4410ZG, IRFB4510, IRFB4510G, IRFB4610, IRFB4615, IRFB4710, IRFB52N15D, IRFB5615, IRFB59N10D, IRFB61N15D
Please check the pin configuration before replacing them in your circuit.
Where to use IRF540N
The IRF540N is an N-Channel power MOSFET that's best suited for high power DC switching applications, such as in high current SMPS power supplies, compact ferrite inverter circuits, iron core inverter circuits, buck and boost converters, power amplifiers, motor sped controllers, robotics, etc. It can also be used with Arduino and other microcontrollers for logic switching.
How to use IRF540N
As a voltage-controlled device, MOSFET can be turned on/off by supplying the required gate threshold voltage (VGS). The IRF540N is an N-channel MOSFET, so the Drain and Source pins will be left open when there is no voltage applied to the Gate pin. When a voltage is applied to the Gate, the Drain and Source pins will close.
This circuit shows how this MOSFET behaves when there is a Gate voltage (5V) and there is not (0V). Since this is an N-Channel MOSFET, the load to be switched (in this case a motor) should always be connected above the drain pin.

When you turn on a MOSFET by supplying the required voltage to the gate pin, it will remain on unless you supply 0V to the gate. To avoid this problem we should always use a pull-down resistor (R1), here I have used a value of 10k. In applications like controlling the speed of the motor or dimming light, we would use a PWM signal for fast switching, during this scenario the MOSFET's gate capacitance will create a reverse current due to the parasitic effect. To tackle this problem we should use a current limiting capacitor, I have used a value of 470 here.
How to Connect IRF540N
1. Connect the source to the ground or the negative line of the supply.
2. Connect the drain to the positive terminal of the supply via the load which needs to be operated by the device.
3. Connect the gate, which is the trigger lead of the device, to the trigger point of the circuit. This trigger input should be preferably a +5V supply from a CMOS logic source. If the trigger input is not a logic source make sure the gate is permanently connected to the ground via a high-value resistor.
4. When the device is being used for switching inductive loads like a transformer or a motor, a flyback diode should be connected across the load, with the cathode of the diode connected to the positive side of the load.
5. Because the IRF540N has a built-in avalanche protective diode, there is no need for an external diode. But you can use one if you want to provide extra safety to the device.
IRF540N vs IRF540
The IRF540N and IRF540 are both N-channel MOSFETs. The IRF540 is made with trench technology, with a small wafer area and relatively lower cost. The IRF540N, however, is made with planar technology, with a large wafer area and high current-carrying capability. The IRF540N also has a lower maximum on-resistance which is 0.044 Ω, while the IRF540 is 0.077 Ω.
The difference in some important parameters (Note: different manufacturers might have different parameters):
IRF540: 23 A, 100 V, 0.077 Ohm; IRF540N: 33 A, 100 V, 0.044 Ohm. They both come in the TO-220 package and their pins are the same, the main difference is their current-carrying capability, if you are fine with it, then the two are totally interchangeable.
IRF540N Applications
Switching high power devices
Control speed of motors
LED dimmers or flashers
High-speed switching applications
Converters or inverter circuits
Microcontroller logic switching
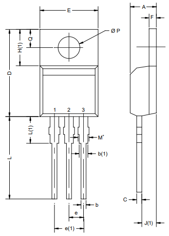
IRF540N Package

IRF540N Package Outline

IRF540N Mechanical Data
IRF540N Manufacturer
Founded in 2003, VBsemi Co., Ltd. is a national high-tech enterprise specializing in the production of high-quality VBsemi MOSFET and other related products. We are a terminal manufacturer serving the mid to high-end market and are committed to providing your company with high-quality MOSFET to make your company a success in today's highly competitive market. VBsemi factory is headquartered in Taiwan China, We take VBsemi brand series products as the core, actively developing our product line, and strictly implements ISO9001 international quality standards.
Trend Analysis
1.What is IRF540N?
The IRF540N is an advanced HEXFET N-channel power MOSFET. The device is extremely versatile with its current, voltage switching capabilities, and thus becomes ideal for numerous electronic applications.
2.How to use IRF540N?
Unlike transistors, MOSFETs are voltage-controlled devices. Meaning, they can be turned on or turned off by supplying the required Gate threshold voltage (VGS). IRF540N is an N-channel MOSFET, so the Drain and Source pins will be left open when there is no voltage applied to the gate pin.
3.Is IRF540N a logic level MOSFET?
The IRF540N is an N-Channel MOSFET. This MOSFET can drive loads up to 23A and can support peak current up to 110A. It also has a threshold voltage of 4V, which means it can easily be driven by low voltages like 5V. Hence it is mostly used with Arduino and other microcontrollers for logic switching.
4.Which region MOSFET works as an amplifier?
The saturation region. When used as a switching device, only triode and cut-off regions are used, whereas, when it is used as an amplifier, the MOSFET must operate in the saturation region, which corresponds to the active region in the BJT. The device operates in the cut-off region (off-state) when vGS < VTh, resulting in no induced channel.
Best Practices for Yageo RC0402FR-070RL Zero Ohm Use20 August 2025381
OP27CJ8 Linear Amplifier: Product Overview and Applications06 March 202478
AD5700 HART Modem: Pinout, Features and Datasheet18 January 20221925
TPS4H160BQPWPRQ1: 28-PowerTSSOP Package, High-Side Switch, FETs28 February 2022504
AT24C256 Two-wire Serial EEPROM: Pinout, Datasheet and Address06 November 20215320
LM723CN: Voltage Regulator12 March 20222112
TPS22918TDBVRQ1 On-Resistance Load Switch: Schematic, Pinout, and Datasheet02 April 20224466
A Comprehensive Guide to LTM9012IY-AB#PBF µModule® Simultaneous Sampling ADC06 March 2024492
VRLA Battery: Working Principle, Capacity and Maintenance12 March 20219408
Devices based on Semiconductor Laser Chaos for Optical Communications22 February 2023928
Clamp Diodes: Principles, Functions, and Applications27 October 202048655
How to make an Obstacle Avoiding Robot?29 August 20239438
How does Lidar Work?20 April 20218478
Introduction to MSP430 Microcontroller24 December 20219088
TSMC's Global Distribution25 March 20222956
Voltage Supervisor ICs: Solutions for IoT, Automotive, and Industrial Applications04 June 2025532
VBsemi Elec
In Stock
United States
China
Canada
Japan
Russia
Germany
United Kingdom
Singapore
Italy
Hong Kong(China)
Taiwan(China)
France
Korea
Mexico
Netherlands
Malaysia
Austria
Spain
Switzerland
Poland
Thailand
Vietnam
India
United Arab Emirates
Afghanistan
Åland Islands
Albania
Algeria
American Samoa
Andorra
Angola
Anguilla
Antigua & Barbuda
Argentina
Armenia
Aruba
Australia
Azerbaijan
Bahamas
Bahrain
Bangladesh
Barbados
Belarus
Belgium
Belize
Benin
Bermuda
Bhutan
Bolivia
Bonaire, Sint Eustatius and Saba
Bosnia & Herzegovina
Botswana
Brazil
British Indian Ocean Territory
British Virgin Islands
Brunei
Bulgaria
Burkina Faso
Burundi
Cabo Verde
Cambodia
Cameroon
Cayman Islands
Central African Republic
Chad
Chile
Christmas Island
Cocos (Keeling) Islands
Colombia
Comoros
Congo
Congo (DRC)
Cook Islands
Costa Rica
Côte d’Ivoire
Croatia
Cuba
Curaçao
Cyprus
Czechia
Denmark
Djibouti
Dominica
Dominican Republic
Ecuador
Egypt
El Salvador
Equatorial Guinea
Eritrea
Estonia
Eswatini
Ethiopia
Falkland Islands
Faroe Islands
Fiji
Finland
French Guiana
French Polynesia
Gabon
Gambia
Georgia
Ghana
Gibraltar
Greece
Greenland
Grenada
Guadeloupe
Guam
Guatemala
Guernsey
Guinea
Guinea-Bissau
Guyana
Haiti
Honduras
Hungary
Iceland
Indonesia
Iran
Iraq
Ireland
Isle of Man
Israel
Jamaica
Jersey
Jordan
Kazakhstan
Kenya
Kiribati
Kosovo
Kuwait
Kyrgyzstan
Laos
Latvia
Lebanon
Lesotho
Liberia
Libya
Liechtenstein
Lithuania
Luxembourg
Macao(China)
Madagascar
Malawi
Maldives
Mali
Malta
Marshall Islands
Martinique
Mauritania
Mauritius
Mayotte
Micronesia
Moldova
Monaco
Mongolia
Montenegro
Montserrat
Morocco
Mozambique
Myanmar
Namibia
Nauru
Nepal
New Caledonia
New Zealand
Nicaragua
Niger
Nigeria
Niue
Norfolk Island
North Korea
North Macedonia
Northern Mariana Islands
Norway
Oman
Pakistan
Palau
Palestinian Authority
Panama
Papua New Guinea
Paraguay
Peru
Philippines
Pitcairn Islands
Portugal
Puerto Rico
Qatar
Réunion
Romania
Rwanda
Samoa
San Marino
São Tomé & Príncipe
Saudi Arabia
Senegal
Serbia
Seychelles
Sierra Leone
Sint Maarten
Slovakia
Slovenia
Solomon Islands
Somalia
South Africa
South Sudan
Sri Lanka
St Helena, Ascension, Tristan da Cunha
St. Barthélemy
St. Kitts & Nevis
St. Lucia
St. Martin
St. Pierre & Miquelon
St. Vincent & Grenadines
Sudan
Suriname
Svalbard & Jan Mayen
Sweden
Syria
Tajikistan
Tanzania
Timor-Leste
Togo
Tokelau
Tonga
Trinidad & Tobago
Tunisia
Turkey
Turkmenistan
Turks & Caicos Islands
Tuvalu
U.S. Outlying Islands
U.S. Virgin Islands
Uganda
Ukraine
Uruguay
Uzbekistan
Vanuatu
Vatican City
Venezuela
Wallis & Futuna
Yemen
Zambia
Zimbabwe


