OP132 Hermetic Infrared Diode: Datasheet, Specifications and Applications
EMITTER IR 935NM 100MA TO-46
The OP130 is a hermetic infrared diode in a TO-46 package. This article enforces datasheet, features, specifications, and other details about OP132.
OP132 Description
The OP130 is a 935 nm gallium arsenide (GaAs) infrared LED mounted in a hermetically sealed TO-46 package that provides an enhanced temperature range with a variety of power ranges. The TO-46 housing also offers high power dissipation and superior protection for hostile environments.
OP132 CAD Model
Footprint

OP132 Features
• TO-46 hermetically sealed package
• Focused and non-focused optical light pattern
• Enhanced temperature range
• Mechanically and spectrally matched to other OPTEK devices
• Choice of power ranges
• Choice of narrow or wide irradiance pattern
Specifications
- TypeParameter
- Factory Lead Time8 Weeks
- Mount
In electronic components, the term "Mount" typically refers to the method or process of physically attaching or fixing a component onto a circuit board or other electronic device. This can involve soldering, adhesive bonding, or other techniques to secure the component in place. The mounting process is crucial for ensuring proper electrical connections and mechanical stability within the electronic system. Different components may have specific mounting requirements based on their size, shape, and function, and manufacturers provide guidelines for proper mounting procedures to ensure optimal performance and reliability of the electronic device.
Through Hole - Mounting Type
The "Mounting Type" in electronic components refers to the method used to attach or connect a component to a circuit board or other substrate, such as through-hole, surface-mount, or panel mount.
Through Hole - Package / Case
refers to the protective housing that encases an electronic component, providing mechanical support, electrical connections, and thermal management.
TO-46-2 Lens Top Metal Can - Number of Pins2
- Operating Temperature
The operating temperature is the range of ambient temperature within which a power supply, or any other electrical equipment, operate in. This ranges from a minimum operating temperature, to a peak or maximum operating temperature, outside which, the power supply may fail.
-65°C~125°C TA - Packaging
Semiconductor package is a carrier / shell used to contain and cover one or more semiconductor components or integrated circuits. The material of the shell can be metal, plastic, glass or ceramic.
Bulk - Published1997
- Part Status
Parts can have many statuses as they progress through the configuration, analysis, review, and approval stages.
Active - Moisture Sensitivity Level (MSL)
Moisture Sensitivity Level (MSL) is a standardized rating that indicates the susceptibility of electronic components, particularly semiconductors, to moisture-induced damage during storage and the soldering process, defining the allowable exposure time to ambient conditions before they require special handling or baking to prevent failures
1 (Unlimited) - TypeInfrared (IR)
- Max Operating Temperature
The Maximum Operating Temperature is the maximum body temperature at which the thermistor is designed to operate for extended periods of time with acceptable stability of its electrical characteristics.
125°C - Min Operating Temperature
The "Min Operating Temperature" parameter in electronic components refers to the lowest temperature at which the component is designed to operate effectively and reliably. This parameter is crucial for ensuring the proper functioning and longevity of the component, as operating below this temperature may lead to performance issues or even damage. Manufacturers specify the minimum operating temperature to provide guidance to users on the environmental conditions in which the component can safely operate. It is important to adhere to this parameter to prevent malfunctions and ensure the overall reliability of the electronic system.
-65°C - Power Rating
The "Power Rating" of an electronic component refers to the maximum amount of power that the component can handle or dissipate without being damaged. It is typically measured in watts and is an important specification to consider when designing or selecting components for a circuit. Exceeding the power rating of a component can lead to overheating, malfunction, or even permanent damage. It is crucial to ensure that the power rating of each component in a circuit is sufficient to handle the power levels expected during normal operation to maintain the reliability and longevity of the electronic system.
200mW - Orientation
In electronic components, the parameter "Orientation" refers to the specific alignment or positioning of the component with respect to its intended installation or operation. This parameter is crucial for ensuring proper functionality and performance of the component within a circuit or system. Orientation may include factors such as the physical orientation of the component on a circuit board, the direction of current flow through the component, or the alignment of specific features or terminals for correct connection. Manufacturers often provide orientation guidelines in datasheets or technical specifications to help users correctly install and use the component. Paying attention to the orientation of electronic components is essential to prevent errors, ensure reliability, and optimize the overall performance of electronic devices.
Top View - Power Dissipation
the process by which an electronic or electrical device produces heat (energy loss or waste) as an undesirable derivative of its primary action.
200mW - Voltage - Forward (Vf) (Typ)
The parameter "Voltage - Forward (Vf) (Typ)" in electronic components refers to the typical forward voltage drop across the component when it is conducting current in the forward direction. It is a crucial characteristic of components like diodes and LEDs, indicating the minimum voltage required for the component to start conducting current. The forward voltage drop is typically specified as a typical value because it can vary slightly based on factors such as temperature and manufacturing tolerances. Designers use this parameter to ensure that the component operates within its specified voltage range and to calculate power dissipation in the component.
1.75V - Viewing Angle
the angle at which a display can be viewed with acceptable visual performance.
18° - Forward Current
Current which flows upon application of forward voltage.
100mA - Lens Style
In the context of electronic components, the parameter "Lens Style" typically refers to the design or shape of the lens used in optical components such as LEDs, photodiodes, or sensors. The lens style can affect the light output, beam angle, and overall performance of the component. Common lens styles include flat top, dome, narrow beam, wide beam, and diffused lenses. Choosing the appropriate lens style is important for achieving the desired light distribution and optical characteristics in electronic devices. Manufacturers often provide specifications on the lens style to help users select the most suitable component for their application.
Dome - Rise Time
In electronics, when describing a voltage or current step function, rise time is the time taken by a signal to change from a specified low value to a specified high value.
1μs - Forward Voltage
the amount of voltage needed to get current to flow across a diode.
1.75V - Fall Time (Typ)
Fall Time (Typ) is a parameter used to describe the time it takes for a signal to transition from a high level to a low level in an electronic component, such as a transistor or an integrated circuit. It is typically measured in nanoseconds or microseconds and is an important characteristic that affects the performance of the component in digital circuits. A shorter fall time indicates faster switching speeds and can result in improved overall circuit performance, such as reduced power consumption and increased data transmission rates. Designers often consider the fall time specification when selecting components for their circuits to ensure proper functionality and efficiency.
500 ns - Current - DC Forward (If) (Max)
The parameter "Current - DC Forward (If) (Max)" in electronic components refers to the maximum forward current that can safely pass through the component without causing damage. This parameter is typically specified in datasheets for diodes and LEDs, indicating the maximum current that can flow through the component in the forward direction. Exceeding this maximum current rating can lead to overheating and potentially permanent damage to the component. It is important to ensure that the current flowing through the component does not exceed this specified maximum to maintain proper functionality and reliability.
100mA - Peak Wavelength
Peak Wavelength is a parameter used to describe the specific wavelength at which an electronic component, such as an LED or photodetector, emits or detects light most efficiently. It represents the maximum intensity of light emitted or detected by the component. Peak Wavelength is typically measured in nanometers (nm) and is an important characteristic for determining the color or sensitivity of the component. Understanding the Peak Wavelength of an electronic component is crucial for selecting the right component for a particular application where specific light wavelengths are required.
935 nm - Radiant Intensity (Ie) Min @ If
Radiant Intensity (Ie) Min @ If is a parameter used to describe the minimum radiant intensity emitted by an electronic component, typically an LED, at a specific forward current (If). Radiant intensity refers to the power emitted by a light source within a solid angle per unit of solid angle. This parameter helps determine the brightness or luminous intensity of the LED at a given operating current. A lower value for "Radiant Intensity (Ie) Min @ If" indicates a dimmer output from the LED, while a higher value indicates a brighter output. Manufacturers provide this specification to help users understand the performance characteristics of the component and ensure it meets their requirements for a particular application.
4mW/cm2 @ 100mA - REACH SVHC
The parameter "REACH SVHC" in electronic components refers to the compliance with the Registration, Evaluation, Authorization, and Restriction of Chemicals (REACH) regulation regarding Substances of Very High Concern (SVHC). SVHCs are substances that may have serious effects on human health or the environment, and their use is regulated under REACH to ensure their safe handling and minimize their impact.Manufacturers of electronic components need to declare if their products contain any SVHCs above a certain threshold concentration and provide information on the safe use of these substances. This information allows customers to make informed decisions about the potential risks associated with using the components and take appropriate measures to mitigate any hazards.Ensuring compliance with REACH SVHC requirements is essential for electronics manufacturers to meet regulatory standards, protect human health and the environment, and maintain transparency in their supply chain. It also demonstrates a commitment to sustainability and responsible manufacturing practices in the electronics industry.
No SVHC - RoHS Status
RoHS means “Restriction of Certain Hazardous Substances” in the “Hazardous Substances Directive” in electrical and electronic equipment.
RoHS Compliant - Lead Free
Lead Free is a term used to describe electronic components that do not contain lead as part of their composition. Lead is a toxic material that can have harmful effects on human health and the environment, so the electronics industry has been moving towards lead-free components to reduce these risks. Lead-free components are typically made using alternative materials such as silver, copper, and tin. Manufacturers must comply with regulations such as the Restriction of Hazardous Substances (RoHS) directive to ensure that their products are lead-free and environmentally friendly.
Lead Free
OP132 Applications
• Non-contact reflective object sensor
• Assembly line automation
• Machine automation
• Machine safety
• End of travel sensor
OP132 Electrical Characteristics

Operation Principle of Infrared Diodes
Electronic components called infrared diodes transform electrical signals into infrared light signals (a kind of invisible light). The infrared judge diode receives a set of encoded electrical signals, converts the fluctuating electrical signals into fluctuating infrared light signals (pulse signals), and transmits them; the infrared receiving diode receives this set of pulse signals, converts them into fluctuating infrared light signals (pulse signals), and transmits them.
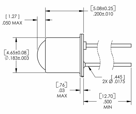
OP132 Dimension


OP132 Manufacturer
TT Electronics’ Optek brand designs and manufacturers innovative optoelectronic solutions for sensing and illumination applications. Our capabilities also include the design and manufacture of standard and application-specific lighting components and assemblies for applications in signage, entertainment, exterior and interior lighting, automotive and high-reliability applications. TT Electronics is a global provider of engineered electronics for performance-critical applications. With nearly 5,000 staff members operating from 29 key locations around the world, TT designs and manufactures a wide range of electronics for sensing, power management, and connectivity for application in the industrial, medical, aerospace, and defense, and transportation sectors.
Datasheet PDF
- Datasheets :
- PCN Design/Specification :
- Mfg CAD Models :
What is the principle of operation of infrared diodes?
Electronic components called infrared diodes transform electrical signals into infrared light signals (a kind of invisible light). The infrared judge diode receives a set of encoded electrical signals, converts the fluctuating electrical signals into fluctuating infrared light signals (pulse signals), and transmits them; the infrared receiving diode receives this set of pulse signals, converts them into fluctuating infrared light signals (pulse signals), and transmits them.
What are OP132 infrared diodes used for?
OP132 infrared diodes are mainly used in color TV, video recorder, DVD player, audio device, air conditioner control panel, game console, coin machine, remote control, infrared camera, electronic instrument, electric meter, water meter, various security equipment, various infrared remote control product systems.
AD7524: A High-Performance Digital to Analog Converter for Data Acquisition06 March 202496
AD7528 - A High-Performance 8-Bit Digital to Analog Converter for Precise Data Acquisition06 March 2024148
INA219 Current/Power Monitor: Features, Speicifications and Applications24 May 20212484
Arduino Mega 2560 Rev3: Block Diagram, Features and Applications06 October 20236316
STM32F103RET6 Review: Cost-Effective ARM Cortex-M3 Microcontroller for Embedded Applications24 July 20251427
LTC3305 Battery Balancer: Datasheet, Price, and Typical Application06 November 20212786
23LCV512 SPI Serial SRAM: Pinout, Equivalent and Datasheet20 April 20221353
IRFZ44N Power MOSFET: Uses, Price and Application27 August 202122721
Texas Semiconductor Summit: A Step Towards Overcoming Chip Shortage14 October 20232471
What is Metaverse?09 October 20212761
What is UART(Universal Asynchronous Receiver And Transmitter) ?25 September 20216215
Basis of Fiber Optic and Fiber Optic Communication22 October 20214672
DeepMind Building AI That Thinks Like a Baby May Help Build Computer Models With Human Minds18 July 20222492
Opportunities and Challenges for 2D Materials22 March 20225052
Oregon's Semiconductor Boost: Governor Announces $240 Million Investment06 October 20232928
What Makes Rocker Switches Unique18 July 2025722
TT Electronics/Optek Technology
In Stock: 959
Minimum: 1 Multiples: 1
Qty
Unit Price
Ext Price
1
$3.028745
$3.03
10
$2.857307
$28.57
100
$2.695573
$269.56
500
$2.542993
$1,271.50
1000
$2.399050
$2,399.05
Not the price you want? Send RFQ Now and we'll contact you ASAP.
Inquire for More Quantity


Product
Brand
Articles
Tools















