LTC3305 Battery Balancer: Datasheet, Price, and Typical Application
IC BATTERY BALANCER
The LTC3305 balances up to 4 lead-acid batteries connected in series. There is a huge range of Semiconductors, Capacitors, Resistors and ICs in stock. Welcome RFQ.

How to make 12V (24V) Battery Equalizer / Battery Balancer
LTC3305 Pinout

LTC3305 Pinout
LTC3305 CAD Model
Symbol

LTC3305 Symbol
Footprint

LTC3305 Footprint
3D Model

LTC3305 3D Model
What is LTC3305
The LTC3305 balances up to 4 lead-acid batteriesconnected in series. It is intended to be used in conjunction with a separate pre-existing battery charger as part of a high-performance battery system. All voltage monitoring, gate drive, and fault detection circuitry are integrated. The LTC3305 employs an auxiliary battery or an alternative storage cell to transfer charge to or from each individual battery in the stack. A mode pin provides two operating modes, timer mode and continuous mode.
LTC3305 Manufacturer
As a member of the S&P 500, Linear Technology Corporation is committed to designing, manufacturing and marketing an extensive line of high-performance analogue integrated circuits for main companies around the world. Between the analogue world and digital electronic products in communications, networks, industry, automobiles, computers, medical, instrumentation, consumer, military and aerospace systems, our products have built an important bridge for them. Our products include not only the production of power management, data conversion, signal conditioning, RF and interface ICs, μModule subsystems, but also wireless sensor network products.
Specifications
- TypeParameter
- Lifecycle Status
Lifecycle Status refers to the current stage of an electronic component in its product life cycle, indicating whether it is active, obsolete, or transitioning between these states. An active status means the component is in production and available for purchase. An obsolete status indicates that the component is no longer being manufactured or supported, and manufacturers typically provide a limited time frame for support. Understanding the lifecycle status is crucial for design engineers to ensure continuity and reliability in their projects.
PRODUCTION (Last Updated: 1 month ago) - Factory Lead Time12 Weeks
- Mounting Type
The "Mounting Type" in electronic components refers to the method used to attach or connect a component to a circuit board or other substrate, such as through-hole, surface-mount, or panel mount.
Surface Mount - Package / Case
refers to the protective housing that encases an electronic component, providing mechanical support, electrical connections, and thermal management.
38-TFSOP (0.173, 4.40mm Width) Exposed Pad - Number of Pins38
- Operating Temperature
The operating temperature is the range of ambient temperature within which a power supply, or any other electrical equipment, operate in. This ranges from a minimum operating temperature, to a peak or maximum operating temperature, outside which, the power supply may fail.
-40°C~125°C TJ - Packaging
Semiconductor package is a carrier / shell used to contain and cover one or more semiconductor components or integrated circuits. The material of the shell can be metal, plastic, glass or ceramic.
Tube - Published2015
- Part Status
Parts can have many statuses as they progress through the configuration, analysis, review, and approval stages.
Active - Moisture Sensitivity Level (MSL)
Moisture Sensitivity Level (MSL) is a standardized rating that indicates the susceptibility of electronic components, particularly semiconductors, to moisture-induced damage during storage and the soldering process, defining the allowable exposure time to ambient conditions before they require special handling or baking to prevent failures
1 (Unlimited) - Base Part Number
The "Base Part Number" (BPN) in electronic components serves a similar purpose to the "Base Product Number." It refers to the primary identifier for a component that captures the essential characteristics shared by a group of similar components. The BPN provides a fundamental way to reference a family or series of components without specifying all the variations and specific details.
LTC3305 - Function
The parameter "Function" in electronic components refers to the specific role or purpose that the component serves within an electronic circuit. It defines how the component interacts with other elements, influences the flow of electrical signals, and contributes to the overall behavior of the system. Functions can include amplification, signal processing, switching, filtering, and energy storage, among others. Understanding the function of each component is essential for designing effective and efficient electronic systems.
Battery Balancer - Max Supply Voltage
In general, the absolute maximum common-mode voltage is VEE-0.3V and VCC+0.3V, but for products without a protection element at the VCC side, voltages up to the absolute maximum rated supply voltage (i.e. VEE+36V) can be supplied, regardless of supply voltage.
64V - Output Current
The rated output current is the maximum load current that a power supply can provide at a specified ambient temperature. A power supply can never provide more current that it's rated output current unless there is a fault, such as short circuit at the load.
10A - Fault Protection
Protection against electric shock under. single fault conditions.
Over Current, Over Temperature - Battery Chemistry
A battery is a device that stores chemical energy, and converts it to electricity. This is known as electrochemistry and the system that underpins a battery is called an electrochemical cell. A battery can be made up of one or several (like in Volta's original pile) electrochemical cells.
Lead Acid - Number of Cells1 ~ 4
- REACH SVHC
The parameter "REACH SVHC" in electronic components refers to the compliance with the Registration, Evaluation, Authorization, and Restriction of Chemicals (REACH) regulation regarding Substances of Very High Concern (SVHC). SVHCs are substances that may have serious effects on human health or the environment, and their use is regulated under REACH to ensure their safe handling and minimize their impact.Manufacturers of electronic components need to declare if their products contain any SVHCs above a certain threshold concentration and provide information on the safe use of these substances. This information allows customers to make informed decisions about the potential risks associated with using the components and take appropriate measures to mitigate any hazards.Ensuring compliance with REACH SVHC requirements is essential for electronics manufacturers to meet regulatory standards, protect human health and the environment, and maintain transparency in their supply chain. It also demonstrates a commitment to sustainability and responsible manufacturing practices in the electronics industry.
No SVHC - RoHS Status
RoHS means “Restriction of Certain Hazardous Substances” in the “Hazardous Substances Directive” in electrical and electronic equipment.
ROHS3 Compliant
Parts with Similar Specs
- ImagePart NumberManufacturerPackage / CaseNumber of PinsMax Supply VoltageRoHS StatusMounting TypePart StatusFactory Lead TimePbfree CodeView Compare
LTC3305EFE#PBF
38-TFSOP (0.173, 4.40mm Width) Exposed Pad
38
64 V
ROHS3 Compliant
Surface Mount
Active
12 Weeks
-
38-TFSOP (0.173, 4.40mm Width)
38
46 V
ROHS3 Compliant
Surface Mount
Active
6 Weeks
yes
38-TFSOP (0.173, 4.40mm Width)
38
3.6 V
ROHS3 Compliant
Surface Mount
Active
6 Weeks
yes
38-TFSOP (0.173, 4.40mm Width)
38
25 V
ROHS3 Compliant
Surface Mount
Active
6 Weeks
yes
38-TFSOP (0.173, 4.40mm Width)
38
-
ROHS3 Compliant
Surface Mount
Active
6 Weeks
yes
LTC3305 Features
Single IC Balances Up to Four 12V Lead-Acid Batteries in Series
All NFET Design n Stackable to Balance Larger Series Battery Packs
Standalone Balancing Operation: Requires No External μP or Additional Control Circuitry
Balancing Current Limited by External PTC Thermistor
Continuous Mode and Timer Mode
Programmable UV and OV Fault Thresholds
Programmable Termination Time and Termination Voltage
Thermally Enhanced 38-Lead TSSOP Package
LTC3305 Application
Telecom Backup Systems
Home Battery Powered Backup Systems
Industrial Electric Vehicles
Energy Storage Systems (ESS)
Medical Equipment
LTC3305 Typical Application Circuit
Typical Application for the LTC3305 balances up to 4 lead-acid batteries connected in series. It is intended to be used in conjunction with a separate pre-existing battery charger as part of a high-performance battery system

LTC3305 Typical Application Circuit-1

LTC3305 Typical Application Circuit-2
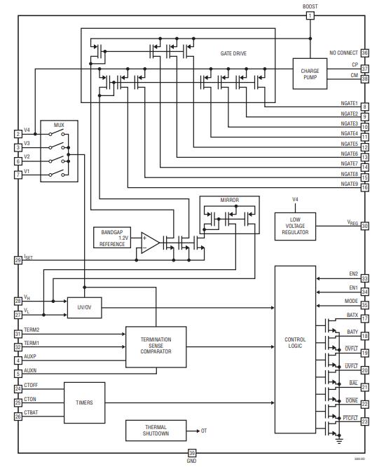
LTC3305 Block Diagram

LTC3305 Block Diagram
How to Operate LTC3305
The LTC3305 balancer is intended to be used in conjunction with a separate pre-existing battery stack charger as part of a high-performance battery system. The balancing operation itself is stand-alone and can operate independently of whether the battery stack is being charged, discharged, or both. That being said, because the LTC3305 balances voltages, it works best if the voltage readings are stable, which is more true when the battery stack is not being charged or discharged.
Nevertheless, it will properly balance the battery voltages when the stack is being concurrently charged and/or discharged since the voltage across the batteries will average out over time as the LTC3305 repeatedly cycles through them.
Like all balancers, the LTC3305 will slightly net-discharge the stack in the absence of a separate charger. The LTC3305 balances batteries using an auxiliary cell or an alternate storage cell as a charge reservoir. External NMOS switches are controlled in a preprogrammed sequence to connect each battery in the stack to an auxiliary cell. A charge is transferred to or from the auxiliary cell when it is connected to a battery.
The LTC3305 can operate in one of two modes programmable via the MODE pin.
In timer mode, once the balancing operation is completed, the LTC3305 goes into a low power state for a programmed time and then periodically rebalances the batteries. In continuous mode, the balancing operation continues even after the batteries are balanced to their programmed termination voltage.
How to package LTC3305
The LTC3305 is available in a thermally enhanced 38-lead TSSOP package.

LTC3305 Package
Datasheet PDF
- Datasheets :
- ConflictMineralStatement :
Popularity by Region
How many operating modes does LTC3305 mode pin provide?
A mode pin provides two operating modes, timer mode and continuous mode. In timer mode, once the balancing operation is completed, the LTC3305 goes into a low power state for a programmed time and then periodically rebalances the batteries. In continuous mode, the balancing operation continues even after the batteries are balanced to their programmed termination voltage.
What conditions does LTC3305 operate?
The LTC3305 is tested under pulsed load conditions such that TJ ≈ TA. The LTC3305E is guaranteed to meet specifications from 0ºC to 85ºC junction temperature. Specifications over the –40ºC to 125ºC operating junction temperature range are assured by design, characterization and correlation with statistical process controls. The LTC3305I is guaranteed over the –40°C to 125°C operating junction temperature range.
What kind of PTC is suitable for LTC3305 application?
A PTC thermistor is a type of resistor with a Positive Temperature Coefficient that serves as a protection device by limiting its current above a certain threshold. The PTC must be selected such that power dissipation through the external NMOS switches never exceeds their rated SOA power dissipation value.
BSH103 N-Chanel MOSFET: MOS Transistor, 30V, Datasheet and Pinout11 February 2022427
MOC3021M Optocoupler: Circuit, Pinout, and Datasheet02 March 20227035
LM234 Current Source: Pinout, 3D Model and Datasheet29 October 20212250
BT134 Series Triacs: Pinout, Datasheet, BT134 vs. BT13622 April 202232601
ATxmega64A1U and ATxmega128A1U Microcontrollers: Technical Overview and Specifications29 February 2024157
AMG8833 Infrared Array Sensor: Pinout, Datasheet and Applications31 July 20215474
CC1101 Transceiver: Features, Pinout, and Datasheet27 December 202112041
TPS22965NQWDSGRQ1 On-Resistance Load Switch: Circuit, Pinout, and Datasheet08 April 20221348
Blackstone acquires U.S. property investment group PS Business Parks for $7.6 billion19 May 20221111
What is a Microcontroller?30 October 2025116231
13 Semiconductor Startups Poised for Success in 2024, According to Investors11 December 20235665
Analysis of Magnetic and Thermal Semiconductor Power Modules13 March 20241949
What are Weight Sensors?31 October 202516829
MOSFET vs. IGBT: Characteristics, Structure and Market Analysis25 December 202520793
What is Inter-Integrated Circuit (I2C)?23 February 20223292
Protect USB Ports From Nefarious USB Killers15 November 20191593
Linear Technology/Analog Devices
In Stock: 40
Minimum: 1 Multiples: 1
Qty
Unit Price
Ext Price
1
$19.722558
$19.72
10
$18.606187
$186.06
100
$17.553006
$1,755.30
500
$16.559440
$8,279.72
1000
$15.622113
$15,622.11
Not the price you want? Send RFQ Now and we'll contact you ASAP.
Inquire for More Quantity


Product
Brand
Articles
Tools





















