Overcoming EMI and Power Noise with LTM8065: A Silent Switcher µModule Deep Dive
DC DC CONVERTER 0.97-18V
Discover the LTM8065 40V step-down µModule regulator. Learn about its Silent Switcher architecture, specs, and pinout. Buy or design your low-noise circuit now!
- Executive Summary: What is the LTM8065?
- 1. Technical Specifications & Performance Analysis
- 2. Pinout, Package, and Configuration
- 3. Design & Integration Guide (For Engineers & Makers)
- 4. Typical Applications & Use Cases
- 5. Alternatives and Cross-Reference Guide
- 6. Frequently Asked Questions (FAQ)
- 7. Resources
- Specifications
- Datasheet PDF
Executive Summary: What is the LTM8065?
The LTM8065 is a 40V input, step-down µModule® (power module) regulator designed for space-constrained, low-noise applications like automotive battery regulation and sensitive ADC power supplies. By integrating the switching controller, power switches, inductor, and all essential support components into a single compact BGA package, it drastically simplifies power supply design while minimizing electromagnetic interference (EMI).
Market Position: High-performance, premium integration. It bridges the gap between complex discrete DC-DC converter designs and easy-to-use, drop-in power solutions.
Top Features: Wide 3.4V to 40V input range, 2.5A continuous (3.5A peak) output, and proprietary Low Noise Silent Switcher® architecture.
Primary Audience: Ideal for power supply designers, automotive engineers, and industrial IoT developers who need highly reliable, low-EMI power without the hassle of custom inductor selection.
Supply Status: Active and recommended for new designs (Standard Analog Devices / Linear Technology lifecycle).
1. Technical Specifications & Performance Analysis
1.1 Core Architecture (CPU/Logic/Power)
At its core, the LTM8065 utilizes Analog Devices' proprietary Silent Switcher® architecture. This design minimizes EMI emissions, making it highly suitable for noise-sensitive environments without requiring bulky metal shielding. Because it is a complete µModule®, the internal layout of the controller, MOSFETs, and inductor is optimized at the silicon and packaging level to keep parasitic inductance exceptionally low. This guarantees stable switching even at higher frequencies.
1.2 Key Electrical Characteristics
For procurement managers evaluating BOM requirements and engineers calculating power budgets, the LTM8065 offers robust electrical parameters:
Input Voltage Range: 3.4V to 40V (Accommodates harsh automotive cold-crank and load-dump scenarios).
Output Voltage Range: 0.97V to 18V (Highly versatile for powering standard 3.3V/5V logic or higher voltage analog rails).
Continuous Output Current: 2.5A (Safe, sustained operation under typical thermal conditions).
Peak Output Current: 3.5A (Handles transient load spikes effectively).
Switching Frequency: Selectable from 200kHz to 3MHz (Allows engineers to balance efficiency against component size and noise).
1.3 Interfaces and Connectivity
The LTM8065 features several crucial control interfaces to ensure seamless integration with host microcontrollers or larger power management systems: - External Synchronization: A dedicated SYNC pin allows the switching frequency to be locked to an external clock, preventing beat frequencies in multi-rail systems. - Programmable Soft-Start: Mitigates inrush current during power-up, protecting upstream power supplies and batteries.

2. Pinout, Package, and Configuration
2.1 Pin Configuration Guide

While the BGA package contains multiple solder balls for thermal and electrical conductivity, the primary pin functions are grouped logically: - VIN / VOUT: Wide copper-ball groupings for high-current input and output power transfer. - GND: Extensive ground balls designed to maximize heat transfer to the PCB ground plane and minimize EMI. - SYNC / RT: Frequency control pins for external clock synchronization and internal oscillator timing. - RUN: Precision enable pin, often used for undervoltage lockout (UVLO) programming.
2.2 Naming Convention & Ordering Codes
Understanding the Part Numbers:Procurement teams should note the specific suffixes when ordering, as they dictate the temperature grade and packaging:
- Prefix: LTM designates a Linear Technology Module.
- Base: 8065 indicates the specific 40V, 2.5A/3.5A step-down family.
- Suffixes (e.g., EY, IY): Indicate the operating junction temperature range (e.g., 'E' for standard industrial, 'I' for extended industrial) and RoHS compliance.
2.3 Available Packages
| Package Type | Dimensions | Common Use Case |
|---|---|---|
| BGA (Ball Grid Array) | 6.25mm x 6.25mm x 2.32mm | Space-constrained PCBs, automotive modules. Note: Requires machine assembly (reflow soldering); not suitable for hand-soldering. |
3. Design & Integration Guide (For Engineers & Makers)
Pro Tip: Always verify the input voltage transients of your application. Even if the nominal voltage is 24V, inductive spikes can exceed the 40V absolute maximum rating if not properly bypassed.
3.1 Hardware Implementation
Bypass Capacitors: Place low-ESR ceramic capacitors as close to the VIN and VOUT pins as possible to handle high-frequency decoupling.
PCB Layout: A solid, uninterrupted ground plane immediately beneath the module is mandatory. Use multiple thermal vias directly under the GND pads to wick heat away from the BGA.
Thermal Management: While the module is highly efficient, continuous operation at 2.5A with a high step-down ratio (e.g., 24V to 3.3V) will generate heat. Rely heavily on the PCB copper area as the primary heatsink.
3.2 Common Design Challenges
Issue: Input Voltage Ringing (Hot-Plugging)
Cause: Plugging into a live supply can cause the input voltage to ring to more than twice the nominal voltage due to ceramic capacitors and stray inductance, potentially damaging the part.
Fix: Add an electrolytic capacitor or a TVS diode at the input to damp the ringing (refer to Linear Technology App Note 88 for detailed damping network calculations).
Issue: Switching Noise on Sensitive Rails
Cause: When powering sensitive analog loads like ADCs, the switching frequency noise (200kHz to 3MHz) can degrade sensor accuracy and resolution.
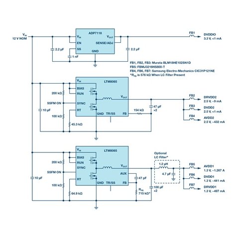
Fix: Add a secondary low-pass LC filter (e.g., a 1.2µH inductor and a 4.7µF capacitor) at the LTM8065 output to drastically reduce switching spurs.
Issue: Thermal Management at High Loads
Cause: Continuous operation near the 3.5A peak or 2.5A continuous limit can cause the internal temperature to exceed maximum ratings, triggering overtemperature protection.
Fix: Utilize proper PCB layout with adequate copper planes (ideally 2oz copper) and numerous thermal vias to improve heat dissipation from the BGA package to the bottom layers of the board.
4. Typical Applications & Use Cases
4.1 Real-World Example: Low Noise Power for ADCs
In high-precision industrial control systems, analog-to-digital converters (ADCs) require exceptionally clean power. Traditional switching regulators introduce high-frequency ripple that compromises the ADC's signal-to-noise ratio (SNR).
By using the LTM8065, engineers can step down a noisy 24V industrial backplane directly to an intermediate voltage (like 5V) using the Silent Switcher architecture. Combined with a small post-LC filter, the LTM8065 provides an ultra-low noise profile that rivals inefficient linear regulators (LDOs), but with significantly higher power efficiency and zero need for massive heatsinks.
5. Alternatives and Cross-Reference Guide
When balancing BOM costs, availability, and specific performance metrics, procurement managers and designers might consider the following alternatives:
Direct Upgrades / Family Members:
Analog Devices LTM8053: A similar step-down µModule that offers slightly higher current capabilities (3.5A continuous, up to 6A peak) for more demanding loads.
Analog Devices LTM8066: Another variant in the µModule family, often used when different input/output voltage ranges or specific EMI profiles are required.
Competitor Equivalents:
Texas Instruments LMZM33620: A 36V, 2A power module that competes in the same compact footprint space, offering a cost-effective alternative if the 40V/2.5A overhead of the LTM8065 is not strictly necessary.
Texas Instruments TPS61090: While typically a boost converter, TI offers several buck equivalents in the TPS family that can be evaluated if discrete/semi-discrete designs are acceptable to reduce BOM cost at the expense of PCB space.
6. Frequently Asked Questions (FAQ)
Q: What is the difference between LTM8065 and LTM8053? A: The LTM8053 provides higher continuous output current (3.5A vs the LTM8065's 2.5A) but shares a similar 40V input architecture and Silent Switcher technology.
Q: Can LTM8065 be used in automotive applications? A: Yes. Its wide input voltage range (3.4V to 40V) makes it highly resilient to automotive battery fluctuations, including cold-crank and load-dump conditions.
Q: Where can I find the datasheet and library files for LTM8065? A: The official datasheet, LTspice simulation models, and CAD footprints (Altium, Eagle, KiCad) can be downloaded directly from the Analog Devices website.
Q: Is LTM8065 suitable for battery-operated devices? A: Yes, it is used in portable products, though designers should review the quiescent current specifications in the datasheet to ensure it meets strict standby battery-life requirements.
Q: How do I program the output voltage of the LTM8065? A: The output voltage is easily configured using a single external feedback resistor connected between the VOUT and FB pins.
7. Resources
Development Tools & Software:
LTspice®: Highly recommended for simulating the LTM8065's transient response, thermal behavior, and EMI performance before PCB fabrication.
DC2604A Evaluation Board: The official Analog Devices demo board for the LTM8065, allowing rapid prototyping and physical testing of the module's capabilities.
Specifications
Datasheet PDF
- Datasheets :
- Other Related Documents :
- PCN Assembly/Origin :
- TechnicalDrawing :
- ConflictMineralStatement :
LP5018RSMR LED Driver: Datasheet, Alternatives, CAD Models23 March 20222157
BSS138LT1G Power MOSFET: Pinout, Datasheet, and Applications23 July 20211979
HEF4094BT Shift Register: Pinout, Datasheet, Functional Diagram16 February 20226027
OPA1652 Audio Operational Amplifier: Datasheet, Pinout and Replacement23 September 20213172
Designing with PCA9306: Datasheet, Pinout, and I2C Level Translation Guide05 February 2026421
A Comprehensive Guide to LTC6903IMS8#TRPBF Programmable Timer and Oscillator06 March 2024463
BC557B Transistors: Pinout, Features and Datasheet28 September 20213967
P82B96 Bipolar IC: Pinout, 3D Model and Datasheet02 November 20212717
How much do you know about VR Technology?01 September 20212270
What is an Optical Sensor?19 March 20216638
How to Use an External Hard Drive?24 June 20218986
Clamp Diodes: Principles, Functions, and Applications23 March 202654297
What is First In First Out (FIFO)?30 November 20213198
L1154F Battery Features and What Makes It Unique22 August 20251342
STM32U5: The Most Complex Low-power MCU19 January 202210956
H-bridge: Working, Circuits and Applications03 December 202144951
Linear Technology/Analog Devices
In Stock
United States
China
Canada
Japan
Russia
Germany
United Kingdom
Singapore
Italy
Hong Kong(China)
Taiwan(China)
France
Korea
Mexico
Netherlands
Malaysia
Austria
Spain
Switzerland
Poland
Thailand
Vietnam
India
United Arab Emirates
Afghanistan
Åland Islands
Albania
Algeria
American Samoa
Andorra
Angola
Anguilla
Antigua & Barbuda
Argentina
Armenia
Aruba
Australia
Azerbaijan
Bahamas
Bahrain
Bangladesh
Barbados
Belarus
Belgium
Belize
Benin
Bermuda
Bhutan
Bolivia
Bonaire, Sint Eustatius and Saba
Bosnia & Herzegovina
Botswana
Brazil
British Indian Ocean Territory
British Virgin Islands
Brunei
Bulgaria
Burkina Faso
Burundi
Cabo Verde
Cambodia
Cameroon
Cayman Islands
Central African Republic
Chad
Chile
Christmas Island
Cocos (Keeling) Islands
Colombia
Comoros
Congo
Congo (DRC)
Cook Islands
Costa Rica
Côte d’Ivoire
Croatia
Cuba
Curaçao
Cyprus
Czechia
Denmark
Djibouti
Dominica
Dominican Republic
Ecuador
Egypt
El Salvador
Equatorial Guinea
Eritrea
Estonia
Eswatini
Ethiopia
Falkland Islands
Faroe Islands
Fiji
Finland
French Guiana
French Polynesia
Gabon
Gambia
Georgia
Ghana
Gibraltar
Greece
Greenland
Grenada
Guadeloupe
Guam
Guatemala
Guernsey
Guinea
Guinea-Bissau
Guyana
Haiti
Honduras
Hungary
Iceland
Indonesia
Iran
Iraq
Ireland
Isle of Man
Israel
Jamaica
Jersey
Jordan
Kazakhstan
Kenya
Kiribati
Kosovo
Kuwait
Kyrgyzstan
Laos
Latvia
Lebanon
Lesotho
Liberia
Libya
Liechtenstein
Lithuania
Luxembourg
Macao(China)
Madagascar
Malawi
Maldives
Mali
Malta
Marshall Islands
Martinique
Mauritania
Mauritius
Mayotte
Micronesia
Moldova
Monaco
Mongolia
Montenegro
Montserrat
Morocco
Mozambique
Myanmar
Namibia
Nauru
Nepal
New Caledonia
New Zealand
Nicaragua
Niger
Nigeria
Niue
Norfolk Island
North Korea
North Macedonia
Northern Mariana Islands
Norway
Oman
Pakistan
Palau
Palestinian Authority
Panama
Papua New Guinea
Paraguay
Peru
Philippines
Pitcairn Islands
Portugal
Puerto Rico
Qatar
Réunion
Romania
Rwanda
Samoa
San Marino
São Tomé & Príncipe
Saudi Arabia
Senegal
Serbia
Seychelles
Sierra Leone
Sint Maarten
Slovakia
Slovenia
Solomon Islands
Somalia
South Africa
South Sudan
Sri Lanka
St Helena, Ascension, Tristan da Cunha
St. Barthélemy
St. Kitts & Nevis
St. Lucia
St. Martin
St. Pierre & Miquelon
St. Vincent & Grenadines
Sudan
Suriname
Svalbard & Jan Mayen
Sweden
Syria
Tajikistan
Tanzania
Timor-Leste
Togo
Tokelau
Tonga
Trinidad & Tobago
Tunisia
Turkey
Turkmenistan
Turks & Caicos Islands
Tuvalu
U.S. Outlying Islands
U.S. Virgin Islands
Uganda
Ukraine
Uruguay
Uzbekistan
Vanuatu
Vatican City
Venezuela
Wallis & Futuna
Yemen
Zambia
Zimbabwe


Product
Brand
Articles
Tools
















