SP335 Transceiver: Features, Datasheet and Block Diagram
32 Terminations Receivers 2 Bits 1/1, 2/2 Drivers/Receivers 2 Functions
The SP335 is an advanced multiprotocol transceiver supporting RS-232, RS-485, and RS-422 serial standards. The SP335 operates from a single power supply, either 3.3V or 5V, with low idle current. Furthermore, Huge range of Semiconductors, Capacitors, Resistors and IcS in stock. Welcome RFQ.

What is TRANSCEIVER? What does TRANSCEIVER mean? TRANSCEIVER meaning, definition & explanation
SP335 Overview
The SP335 is an advanced multiprotocol transceiver supporting RS-232, RS-485, and RS-422 serial standards. The SP335 operates from a single power supply, either 3.3V or 5V, with low idle current. The shutdown mode consumes less than 1µA in low power standby operation with RS-232 receivers enabled.
This article provides you with a basic overview of the SP335 Transceiver, including its pin descriptions, features and specifications, etc., to help you quickly understand what SP335 is.
SP335 CAD Model
The followings are SP335 Symbol, Footprint, and 3D Model.

PCB Symbol

PCB Footprint

3D Model
SP335 Features
● Pin-Selectable Cable Termination
● No External Resistors Required for RS-485/422 Termination or Biasing
● Robust ESD Protection:
◆ ±15kV IEC 61000-4-2 Air Gap Discharge
◆ ± 8kV IEC 61000-4-2 Contact Discharge
◆ ±15kV Human Body Model (HBM)
● 20Mbps RS-485 and 1Mbps RS-232 Data Rates
● Pin-Selectable 250kbps Slew Limiting
● Single Supply Operation from 3V to 5.5V
● 1.65V to 5.5V Logic Interface VL pin
● 2 Drivers, 2 Receivers RS-232/V.28
● 1 Driver, 1 Receiver RS-485/422
◆ Full or Half Duplex Configuration
◆ 1/8th Unit Load, up to 256 receivers on bus
● RS-485/422 Enhanced Receiver Fail-safe for open, shorted, or terminated but idle inputs
● 10nA Shutdown Supply Current (typical)
● Small 32 QFN package (5mm x 5mm)
Specifications
- TypeParameter
- Factory Lead Time16 Weeks
- Surface Mount
having leads that are designed to be soldered on the side of a circuit board that the body of the component is mounted on.
YES - Package / Case
refers to the protective housing that encases an electronic component, providing mechanical support, electrical connections, and thermal management.
32-VFQFN Exposed Pad - Mounting Type
The "Mounting Type" in electronic components refers to the method used to attach or connect a component to a circuit board or other substrate, such as through-hole, surface-mount, or panel mount.
Surface Mount - Interface StandardsEIA-232; V.28
- Packaging
Semiconductor package is a carrier / shell used to contain and cover one or more semiconductor components or integrated circuits. The material of the shell can be metal, plastic, glass or ceramic.
Tray - Operating Temperature
The operating temperature is the range of ambient temperature within which a power supply, or any other electrical equipment, operate in. This ranges from a minimum operating temperature, to a peak or maximum operating temperature, outside which, the power supply may fail.
-40°C~85°C - JESD-609 Code
The "JESD-609 Code" in electronic components refers to a standardized marking code that indicates the lead-free solder composition and finish of electronic components for compliance with environmental regulations.
e3 - Part Status
Parts can have many statuses as they progress through the configuration, analysis, review, and approval stages.
Active - Moisture Sensitivity Level (MSL)
Moisture Sensitivity Level (MSL) is a standardized rating that indicates the susceptibility of electronic components, particularly semiconductors, to moisture-induced damage during storage and the soldering process, defining the allowable exposure time to ambient conditions before they require special handling or baking to prevent failures
2 (1 Year) - Number of Terminations32
- ECCN Code
An ECCN (Export Control Classification Number) is an alphanumeric code used by the U.S. Bureau of Industry and Security to identify and categorize electronic components and other dual-use items that may require an export license based on their technical characteristics and potential for military use.
EAR99 - TypeTransceiver
- Terminal Finish
Terminal Finish refers to the surface treatment applied to the terminals or leads of electronic components to enhance their performance and longevity. It can improve solderability, corrosion resistance, and overall reliability of the connection in electronic assemblies. Common finishes include nickel, gold, and tin, each possessing distinct properties suitable for various applications. The choice of terminal finish can significantly impact the durability and effectiveness of electronic devices.
Matte Tin (Sn) - Additional Feature
Any Feature, including a modified Existing Feature, that is not an Existing Feature.
IT ALSO SUPPORTS 1 DRIVER, 1 RECEIVER WITH INTERFACE STANDARD RS-485/422 - HTS Code
HTS (Harmonized Tariff Schedule) codes are product classification codes between 8-1 digits. The first six digits are an HS code, and the countries of import assign the subsequent digits to provide additional classification. U.S. HTS codes are 1 digits and are administered by the U.S. International Trade Commission.
8542.39.00.01 - Voltage - Supply
Voltage - Supply refers to the range of voltage levels that an electronic component or circuit is designed to operate with. It indicates the minimum and maximum supply voltage that can be applied for the device to function properly. Providing supply voltages outside this range can lead to malfunction, damage, or reduced performance. This parameter is critical for ensuring compatibility between different components in a circuit.
3V~5.5V - Terminal Position
In electronic components, the term "Terminal Position" refers to the physical location of the connection points on the component where external electrical connections can be made. These connection points, known as terminals, are typically used to attach wires, leads, or other components to the main body of the electronic component. The terminal position is important for ensuring proper connectivity and functionality of the component within a circuit. It is often specified in technical datasheets or component specifications to help designers and engineers understand how to properly integrate the component into their circuit designs.
QUAD - Terminal Form
Occurring at or forming the end of a series, succession, or the like; closing; concluding.
NO LEAD - Peak Reflow Temperature (Cel)
Peak Reflow Temperature (Cel) is a parameter that specifies the maximum temperature at which an electronic component can be exposed during the reflow soldering process. Reflow soldering is a common method used to attach electronic components to a circuit board. The Peak Reflow Temperature is crucial because it ensures that the component is not damaged or degraded during the soldering process. Exceeding the specified Peak Reflow Temperature can lead to issues such as component failure, reduced performance, or even permanent damage to the component. It is important for manufacturers and assemblers to adhere to the recommended Peak Reflow Temperature to ensure the reliability and functionality of the electronic components.
NOT SPECIFIED - Number of Functions2
- Supply Voltage
Supply voltage refers to the electrical potential difference provided to an electronic component or circuit. It is crucial for the proper operation of devices, as it powers their functions and determines performance characteristics. The supply voltage must be within specified limits to ensure reliability and prevent damage to components. Different electronic devices have specific supply voltage requirements, which can vary widely depending on their design and intended application.
3.3V - Terminal Pitch
The center distance from one pole to the next.
0.5mm - Time@Peak Reflow Temperature-Max (s)
Time@Peak Reflow Temperature-Max (s) refers to the maximum duration that an electronic component can be exposed to the peak reflow temperature during the soldering process, which is crucial for ensuring reliable solder joint formation without damaging the component.
NOT SPECIFIED - JESD-30 Code
JESD-30 Code refers to a standardized descriptive designation system established by JEDEC for semiconductor-device packages. This system provides a systematic method for generating designators that convey essential information about the package's physical characteristics, such as size and shape, which aids in component identification and selection. By using JESD-30 codes, manufacturers and engineers can ensure consistency and clarity in the specification of semiconductor packages across various applications and industries.
S-XQCC-N32 - Data Rate
Data Rate is defined as the amount of data transmitted during a specified time period over a network. It is the speed at which data is transferred from one device to another or between a peripheral device and the computer. It is generally measured in Mega bits per second(Mbps) or Mega bytes per second(MBps).
1Mbps, 20Mbps - Differential Output
a differential output voltage in electronics is the difference between the values of two AC voltages, 180° out of phase, present at the output terminals of an amplifier when you apply a differential input voltage to the input terminals of an amplifier.
YES - Protocol
In electronic components, the parameter "Protocol" refers to a set of rules and standards that govern the communication between devices. It defines the format, timing, sequencing, and error checking methods for data exchange between different components or systems. Protocols ensure that devices can understand and interpret data correctly, enabling them to communicate effectively with each other. Common examples of protocols in electronics include USB, Ethernet, SPI, I2C, and Bluetooth, each with its own specifications for data transmission. Understanding and adhering to protocols is essential for ensuring compatibility and reliable communication between electronic devices.
RS232, RS422, RS485 - Input Characteristics
In electronic components, "Input Characteristics" refer to the set of specifications that describe how the component behaves in response to signals or inputs applied to it. These characteristics typically include parameters such as input voltage, input current, input impedance, input capacitance, and input frequency range. Understanding the input characteristics of a component is crucial for designing circuits and systems, as it helps ensure compatibility and proper functioning. By analyzing these parameters, engineers can determine how the component will interact with the signals it receives and make informed decisions about its use in a particular application.
DIFFERENTIAL SCHMITT TRIGGER - Number of Drivers/Receivers1/1, 2/2
- Driver Number of Bits2
- Receiver Number of Bits2
- Duplex
In the context of electronic components, "Duplex" refers to a type of communication system that allows for bidirectional data flow. It enables two devices to communicate with each other simultaneously, allowing for both sending and receiving of data at the same time. Duplex communication can be further categorized into two types: half-duplex, where data can be transmitted in both directions but not at the same time, and full-duplex, where data can be sent and received simultaneously. This parameter is crucial in networking and telecommunications systems to ensure efficient and effective data transmission between devices.
Full - Receiver Hysteresis
Receiver hysteresis is?commonly used to ensure glitch-free reception even when differential noise is present. This application report compares the noise immunity of the SN65HVD37 to similar devices available from competitors. Contents.
25mV - Receive Delay-Max
Receive Delay-Max is a parameter in electronic components that refers to the maximum amount of time it takes for a device to receive and process incoming signals or data after they have been transmitted. This parameter is crucial in determining the overall performance and efficiency of the component, especially in applications where timing is critical. A lower Receive Delay-Max value indicates faster response times and better overall performance, while a higher value may result in delays and potential issues in data transmission. It is important to consider and optimize the Receive Delay-Max parameter when designing or selecting electronic components for specific applications to ensure reliable and efficient operation.
150 ns - Transmit Delay-Max
Transmit Delay-Max refers to the maximum time interval it takes for a signal to be transmitted from the input to the output of an electronic component or system. This parameter is critical in digital circuits and communication systems, as it affects the overall performance and timing of data transmission. A lower Transmit Delay-Max indicates faster signal propagation, which is essential for high-speed applications. It is typically specified in nanoseconds or microseconds, depending on the technology and design of the component.
1000 ns - Width5mm
- Height Seated (Max)
Height Seated (Max) is a parameter in electronic components that refers to the maximum allowable height of the component when it is properly seated or installed on a circuit board or within an enclosure. This specification is crucial for ensuring proper fit and alignment within the overall system design. Exceeding the maximum seated height can lead to mechanical interference, electrical shorts, or other issues that may impact the performance and reliability of the electronic device. Manufacturers provide this information to help designers and engineers select components that will fit within the designated space and function correctly in the intended application.
1mm - Length5mm
- RoHS Status
RoHS means “Restriction of Certain Hazardous Substances” in the “Hazardous Substances Directive” in electrical and electronic equipment.
RoHS Compliant
SP335 Functional Block Diagram
The followings are Block Diagrams of SP335.

RS-232 Mode

RS-485 Full Duplex Mode

RS-485 Half Duplex Mode
SP335 Applications
● Software Programmable Serial Ports (RS-232, RS-422, RS-485)
● Industrial and Single Board Computers
● Industrial and Process Control Equipment
● Point-Of-Sale Equipment
● HVAC Controls and Networking Equipment
● Building Security and Automation
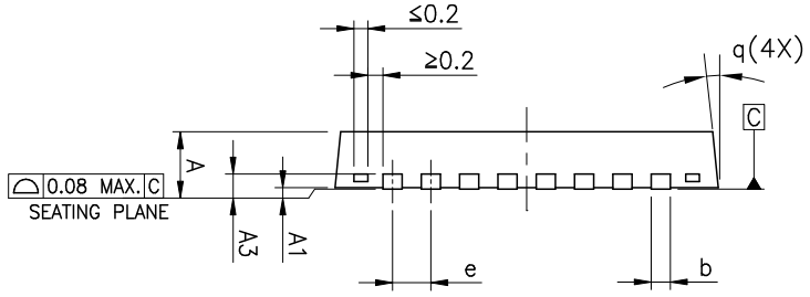
SP335 Package
The following diagrams show the SP335 package.

Top View

Bottom View

Side View
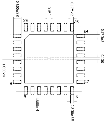
SP335 Recommended Stencil Design
The following figure is the diagram of SP335 Recommended Stencil Design.

Recommended Stencil Design
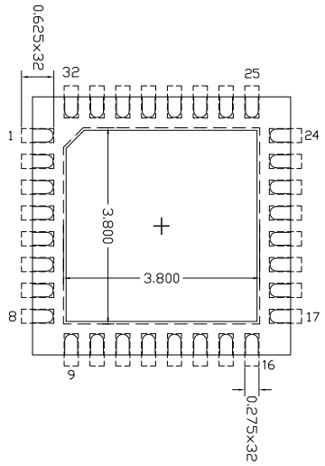
SP335 Recommended Land Pattern
The following figure is the diagram of SP335 Recommended Land Pattern.

Recommended Land Pattern
SP335 Manufacturer
MaxLinear delivers high-performance broadband and networking semiconductors based on its highly integrated radio frequency analog technology, high-performance optical networking technology and its pioneering MoCA and Direct Broadcast Satellite ODU single-wire technology.
Trend Analysis
Datasheet PDF
- Datasheets :
- PCN Assembly/Origin :
How many pins of SP335?
32 pins.
What’s the operating temperature of SP335?
-40°C~85°C.
What is the essential property of the SP335?
The SP335 is an advanced multiprotocol transceiver supporting RS-232, RS-485, and RS-422 serial standards.
What is the purpose of installing ESD protection structures on all pins?
ESD protection structures are incorporated on all pins to protect against electrostatic discharges encountered during handling and assembly.
OP177 25 μV Ultraprecision Op Amp: High-Gain Performance and Datasheet Review11 March 2026122
MCP4151 Dual SPI Digital POT: Pinout, Equivalent and Datasheet31 December 20213759
STM32H743XIH6 Review: High-Performance 480MHz ARM Cortex-M7 Microcontroller Comparison Guide24 July 20255590
1N4003 Rectifier Diode: Pinout, Datasheet, and 1N4003 vs 1N400720 August 20217365
Guide to the STMicroelectronics STM32F100VCT6B Microcontroller07 June 2025317
A Comprehensive Overview of the AD390 Digital to Analog Converter (DAC)06 March 2024200
PIC12F675 Microcontroller: Circuit, Pinout, and Datasheet [Video&FAQ]14 December 20218589
STM32H750VBT6: Features, Applications, and Datasheet31 October 20235865
What are Quantum Sensors?27 October 20212480
RVDT(Rotary Variable Differential Transformer) Basics02 February 202120048
What is ToF Technology?22 January 20213343
What is a Gyroscope Sensor?11 September 202017729
Why Your Power Supply Ripple Is So Big?18 March 20225298
Good news | Warm Congratulations to UTMEL Electronic for Obtaining the Letter of Authorization from XKB Connectivity21 July 20253604
SR44 vs LR44 Which Battery Should You Use21 August 20252222
Introduction to TFT Displays29 August 20209367
MaxLinear, Inc.
In Stock: 7125
United States
China
Canada
Japan
Russia
Germany
United Kingdom
Singapore
Italy
Hong Kong(China)
Taiwan(China)
France
Korea
Mexico
Netherlands
Malaysia
Austria
Spain
Switzerland
Poland
Thailand
Vietnam
India
United Arab Emirates
Afghanistan
Åland Islands
Albania
Algeria
American Samoa
Andorra
Angola
Anguilla
Antigua & Barbuda
Argentina
Armenia
Aruba
Australia
Azerbaijan
Bahamas
Bahrain
Bangladesh
Barbados
Belarus
Belgium
Belize
Benin
Bermuda
Bhutan
Bolivia
Bonaire, Sint Eustatius and Saba
Bosnia & Herzegovina
Botswana
Brazil
British Indian Ocean Territory
British Virgin Islands
Brunei
Bulgaria
Burkina Faso
Burundi
Cabo Verde
Cambodia
Cameroon
Cayman Islands
Central African Republic
Chad
Chile
Christmas Island
Cocos (Keeling) Islands
Colombia
Comoros
Congo
Congo (DRC)
Cook Islands
Costa Rica
Côte d’Ivoire
Croatia
Cuba
Curaçao
Cyprus
Czechia
Denmark
Djibouti
Dominica
Dominican Republic
Ecuador
Egypt
El Salvador
Equatorial Guinea
Eritrea
Estonia
Eswatini
Ethiopia
Falkland Islands
Faroe Islands
Fiji
Finland
French Guiana
French Polynesia
Gabon
Gambia
Georgia
Ghana
Gibraltar
Greece
Greenland
Grenada
Guadeloupe
Guam
Guatemala
Guernsey
Guinea
Guinea-Bissau
Guyana
Haiti
Honduras
Hungary
Iceland
Indonesia
Iran
Iraq
Ireland
Isle of Man
Israel
Jamaica
Jersey
Jordan
Kazakhstan
Kenya
Kiribati
Kosovo
Kuwait
Kyrgyzstan
Laos
Latvia
Lebanon
Lesotho
Liberia
Libya
Liechtenstein
Lithuania
Luxembourg
Macao(China)
Madagascar
Malawi
Maldives
Mali
Malta
Marshall Islands
Martinique
Mauritania
Mauritius
Mayotte
Micronesia
Moldova
Monaco
Mongolia
Montenegro
Montserrat
Morocco
Mozambique
Myanmar
Namibia
Nauru
Nepal
New Caledonia
New Zealand
Nicaragua
Niger
Nigeria
Niue
Norfolk Island
North Korea
North Macedonia
Northern Mariana Islands
Norway
Oman
Pakistan
Palau
Palestinian Authority
Panama
Papua New Guinea
Paraguay
Peru
Philippines
Pitcairn Islands
Portugal
Puerto Rico
Qatar
Réunion
Romania
Rwanda
Samoa
San Marino
São Tomé & Príncipe
Saudi Arabia
Senegal
Serbia
Seychelles
Sierra Leone
Sint Maarten
Slovakia
Slovenia
Solomon Islands
Somalia
South Africa
South Sudan
Sri Lanka
St Helena, Ascension, Tristan da Cunha
St. Barthélemy
St. Kitts & Nevis
St. Lucia
St. Martin
St. Pierre & Miquelon
St. Vincent & Grenadines
Sudan
Suriname
Svalbard & Jan Mayen
Sweden
Syria
Tajikistan
Tanzania
Timor-Leste
Togo
Tokelau
Tonga
Trinidad & Tobago
Tunisia
Turkey
Turkmenistan
Turks & Caicos Islands
Tuvalu
U.S. Outlying Islands
U.S. Virgin Islands
Uganda
Ukraine
Uruguay
Uzbekistan
Vanuatu
Vatican City
Venezuela
Wallis & Futuna
Yemen
Zambia
Zimbabwe


Product
Brand
Articles
Tools












