TBA820M Amplifier: Datasheet, Circuit, Alternative
1.5A mA 2W W Audio Amplifiers 3.32mm mm 6.6mm mm 1W W 8 pins 8-DIP (0.300, 7.62mm)









1.5A mA 2W W Audio Amplifiers 3.32mm mm 6.6mm mm 1W W 8 pins 8-DIP (0.300, 7.62mm)
The TBA820M is a monolithic integrated audio amplifier. This article will unlock more detailS about TBA820M. There is a huge range of Semiconductors, Capacitors, Resistors and ICs in stock. Welcome RFQ.

TBA820M_AMP
TBA820M Pinout

TBA820M Pinout
| Pin No | Pin Name |
| 1 | Frequency Compensation |
| 2 | Gain Setting |
| 3 | Input |
| 4 | Ground |
| 5 | Output |
| 6 | Supply Voltage |
| 7 | Bootstrap |
| 8 | Ripple Rejection |
TBA820M CAD Model
Symbol

TBA820M Symbol
Footprint

TBA820M Footprint
3D Model

TBA820M 3D Model
TBA820M Description
The TBA820M is a monolithic integrated audio amplifier in an 8 lead dual-in-line plastic package. It is intended for use as a low-frequency class B power amplifier with a wide range of supply voltage: 3 to 16V, in portable radios, cassette recorders and players etc.
TBA820M Feature
Wide operating supply voltage: Vcc=3~14V
Output power(Po):
2W at 12V/8Ω, THD=10%
1.6W at 9V/4Ω
1.2W at 9V/8Ω.
Output Peak Current IO(peak): 1.5 A
Low harmonic distortion: 0.2% typical
Performance specifications within 0~70 operating temperature range
Low quiescent circuit current: IQ=4mA(type)
Good ripple rejection
Little external parts required
No cross-over distortion
Low power dissipation
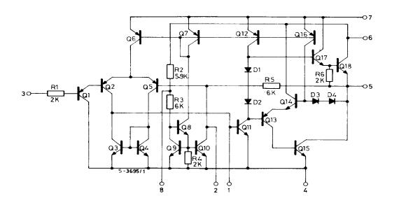
TBA820M Schematic

TBA820M Schematic
TBA820M Alternative
The alternative parts for TBA820M:
| Parts | Description | Manufacturer |
| TDA7267 CONSUMER CIRCUITS | 2W, 1 CHANNEL, AUDIO AMPLIFIER, PDIP8, MINI, DIP-8 | STMicroelectronics |
| LM2895P CONSUMER CIRCUITS | 4.3W, 1 CHANNEL, AUDIO AMPLIFIER, PSFM11, PLASTIC, SIP-11 | Texas Instruments |
| MC34119P CONSUMER CIRCUITS | 0.4W, 1 CHANNEL, AUDIO AMPLIFIER, PDIP8, PLASTIC, DIP-8 | Motorola Mobility LLC |
| TDA7267A CONSUMER CIRCUITS | 3W, 1 CHANNEL, AUDIO AMPLIFIER, PDIP16, POWER, DIP-16 | STMicroelectronics |
| LM1895N CONSUMER CIRCUITS | 1.1W, 1 CHANNEL, AUDIO AMPLIFIER, PDIP8, MINI, PLASTIC, DIP-8 | Texas Instruments |
| TDA7231A CONSUMER CIRCUITS | 1.8W, 1 CHANNEL, AUDIO AMPLIFIER, PDIP8, MINI, DIP-8 | STMicroelectronics |
| TDA7235 CONSUMER CIRCUITS | 1.8W, 1 CHANNEL, AUDIO AMPLIFIER, PDIP8, MINI, DIP-8 | STMicroelectronics |
| MSC1157RS CONSUMER CIRCUITS | Audio Amplifier, 0.44W, 1 Channel(s), 1 Func, PDIP8, 0.300 INCH, 2.54 MM PITCH, PLASTIC, DIP-8 | LAPIS Semiconductor Co Ltd |
| AN7511 CONSUMER CIRCUITS | Audio Amplifier, 1.1W, 1 Channel(s), 1 Func, Bipolar, PDIP8, DIP-8 | Panasonic Electronic Components |
| SSM2211P CONSUMER CIRCUITS | 1.5 W, 1 CHANNEL, AUDIO AMPLIFIER, PDIP8, PLASTIC, DIP-8 | Rochester Electronics LLC |
How to use TBA820M
As the circuits are shown below, it is also like LM386. We begin by entering the circuit's power supply voltage. The input signal should then be connected. Even though there are numerous elements, they are simple to comprehend.

Circuit diagram with the load connected to the supply voltage

Circuit diagram with the load connected to ground
TBA820M Package


TBA820M Package
TBA820M Manufacturer
STMicroelectronics is a globally recognized semiconductor company. They are dedicated to developing semiconductor solutions for various microelectronics applications. STMicroelectronics enjoys unrivalled silicon and system expertise, strong manufacturing strength, IP portfolio, and solid relationships with their strategic partners. Based on these advantages, STMicroelectronics has become a pioneer in System-on-Chip (SoC) technology and its products have a positive effect in realizing today's convergence trends.
Datasheet PDF
- Datasheets :
TBA820M-STMicroelectronics-datasheet-8215493.pdf
TBA820M-STMicroelectronics-datasheet-10540888.pdf
TBA820M.-STMicroelectronics-datasheet-35393.pdf
TBA820M-STMicroelectronics-datasheet-102887.pdf
TBA820M-STMicroelectronics-datasheet-11967384.pdf
TBA820M-STMicroelectronics-datasheet-14136090.pdf
TBA820M-STMicroelectronics-datasheet-9892067.pdf
pid_4771102_tba820m-stmicroelectronics-datasheet-10540888.pdf
Specifications
- TypeParameter
- Mount
In electronic components, the term "Mount" typically refers to the method or process of physically attaching or fixing a component onto a circuit board or other electronic device. This can involve soldering, adhesive bonding, or other techniques to secure the component in place. The mounting process is crucial for ensuring proper electrical connections and mechanical stability within the electronic system. Different components may have specific mounting requirements based on their size, shape, and function, and manufacturers provide guidelines for proper mounting procedures to ensure optimal performance and reliability of the electronic device.
Surface Mount, Through Hole - Mounting Type
The "Mounting Type" in electronic components refers to the method used to attach or connect a component to a circuit board or other substrate, such as through-hole, surface-mount, or panel mount.
Through Hole - Package / Case
refers to the protective housing that encases an electronic component, providing mechanical support, electrical connections, and thermal management.
8-DIP (0.300, 7.62mm) - Number of Pins8
- Operating Temperature
The operating temperature is the range of ambient temperature within which a power supply, or any other electrical equipment, operate in. This ranges from a minimum operating temperature, to a peak or maximum operating temperature, outside which, the power supply may fail.
-40°C~150°C TJ - Packaging
Semiconductor package is a carrier / shell used to contain and cover one or more semiconductor components or integrated circuits. The material of the shell can be metal, plastic, glass or ceramic.
Tube - JESD-609 Code
The "JESD-609 Code" in electronic components refers to a standardized marking code that indicates the lead-free solder composition and finish of electronic components for compliance with environmental regulations.
e3 - Pbfree Code
The "Pbfree Code" parameter in electronic components refers to the code or marking used to indicate that the component is lead-free. Lead (Pb) is a toxic substance that has been widely used in electronic components for many years, but due to environmental concerns, there has been a shift towards lead-free alternatives. The Pbfree Code helps manufacturers and users easily identify components that do not contain lead, ensuring compliance with regulations and promoting environmentally friendly practices. It is important to pay attention to the Pbfree Code when selecting electronic components to ensure they meet the necessary requirements for lead-free applications.
yes - Part Status
Parts can have many statuses as they progress through the configuration, analysis, review, and approval stages.
Obsolete - Moisture Sensitivity Level (MSL)
Moisture Sensitivity Level (MSL) is a standardized rating that indicates the susceptibility of electronic components, particularly semiconductors, to moisture-induced damage during storage and the soldering process, defining the allowable exposure time to ambient conditions before they require special handling or baking to prevent failures
1 (Unlimited) - Number of Terminations8
- ECCN Code
An ECCN (Export Control Classification Number) is an alphanumeric code used by the U.S. Bureau of Industry and Security to identify and categorize electronic components and other dual-use items that may require an export license based on their technical characteristics and potential for military use.
EAR99 - TypeClass B
- Terminal Finish
Terminal Finish refers to the surface treatment applied to the terminals or leads of electronic components to enhance their performance and longevity. It can improve solderability, corrosion resistance, and overall reliability of the connection in electronic assemblies. Common finishes include nickel, gold, and tin, each possessing distinct properties suitable for various applications. The choice of terminal finish can significantly impact the durability and effectiveness of electronic devices.
Matte Tin (Sn) - Max Power Dissipation
The maximum power that the MOSFET can dissipate continuously under the specified thermal conditions.
1W - Voltage - Supply
Voltage - Supply refers to the range of voltage levels that an electronic component or circuit is designed to operate with. It indicates the minimum and maximum supply voltage that can be applied for the device to function properly. Providing supply voltages outside this range can lead to malfunction, damage, or reduced performance. This parameter is critical for ensuring compatibility between different components in a circuit.
3V~16V - Terminal Position
In electronic components, the term "Terminal Position" refers to the physical location of the connection points on the component where external electrical connections can be made. These connection points, known as terminals, are typically used to attach wires, leads, or other components to the main body of the electronic component. The terminal position is important for ensuring proper connectivity and functionality of the component within a circuit. It is often specified in technical datasheets or component specifications to help designers and engineers understand how to properly integrate the component into their circuit designs.
DUAL - Number of Functions1
- Terminal Pitch
The center distance from one pole to the next.
2.54mm - Base Part Number
The "Base Part Number" (BPN) in electronic components serves a similar purpose to the "Base Product Number." It refers to the primary identifier for a component that captures the essential characteristics shared by a group of similar components. The BPN provides a fundamental way to reference a family or series of components without specifying all the variations and specific details.
TBA820 - Pin Count
a count of all of the component leads (or pins)
8 - Output Voltage
Output voltage is a crucial parameter in electronic components that refers to the voltage level produced by the component as a result of its operation. It represents the electrical potential difference between the output terminal of the component and a reference point, typically ground. The output voltage is a key factor in determining the performance and functionality of the component, as it dictates the level of voltage that will be delivered to the connected circuit or load. It is often specified in datasheets and technical specifications to ensure compatibility and proper functioning within a given system.
5V - Output Type
The "Output Type" parameter in electronic components refers to the type of signal or data that is produced by the component as an output. This parameter specifies the nature of the output signal, such as analog or digital, and can also include details about the voltage levels, current levels, frequency, and other characteristics of the output signal. Understanding the output type of a component is crucial for ensuring compatibility with other components in a circuit or system, as well as for determining how the output signal can be utilized or processed further. In summary, the output type parameter provides essential information about the nature of the signal that is generated by the electronic component as its output.
1-Channel (Mono) - Max Output Current
The maximum current that can be supplied to the load.
1.5A - Operating Supply Voltage
The voltage level by which an electrical system is designated and to which certain operating characteristics of the system are related.
15V - Supply Voltage-Min (Vsup)
The parameter "Supply Voltage-Min (Vsup)" in electronic components refers to the minimum voltage level required for the component to operate within its specified performance range. This parameter indicates the lowest voltage that can be safely applied to the component without risking damage or malfunction. It is crucial to ensure that the supply voltage provided to the component meets or exceeds this minimum value to ensure proper functionality and reliability. Failure to adhere to the specified minimum supply voltage may result in erratic behavior, reduced performance, or even permanent damage to the component.
3V - Number of Channels1
- Nominal Supply Current
Nominal current is the same as the rated current. It is the current drawn by the motor while delivering rated mechanical output at its shaft.
1.5A - Power Dissipation
the process by which an electronic or electrical device produces heat (energy loss or waste) as an undesirable derivative of its primary action.
1W - Output Current
The rated output current is the maximum load current that a power supply can provide at a specified ambient temperature. A power supply can never provide more current that it's rated output current unless there is a fault, such as short circuit at the load.
1.5A - Quiescent Current
The quiescent current is defined as the current level in the amplifier when it is producing an output of zero.
12mA - Output Power
That power available at a specified output of a device under specified conditions of operation.
1.2W - Supply Type
Supply Type in electronic components refers to the classification of power sources used to operate the component. It indicates whether the component requires DC or AC power, and if DC, specifies the voltage levels such as low, medium, or high. Different supply types can affect the performance, compatibility, and application of the component in electronic circuits. Understanding the supply type is crucial for proper component selection and integration into electronic designs.
Single - Voltage Gain
Voltage gain is a measure of how much an electronic component or circuit amplifies an input voltage signal to produce an output voltage signal. It is typically expressed as a ratio or in decibels (dB). A higher voltage gain indicates a greater amplification of the input signal. Voltage gain is an important parameter in amplifiers, where it determines the level of amplification provided by the circuit. It is calculated by dividing the output voltage by the input voltage and is a key factor in determining the overall performance and functionality of electronic devices.
75dB - Gain
In electronic components, "Gain" refers to the ratio of the output signal amplitude to the input signal amplitude. It is a measure of the amplification provided by the component, such as a transistor or operational amplifier. Gain is typically expressed in decibels (dB) or as a numerical value, indicating how much the signal is amplified by the component.A higher gain value indicates a greater amplification of the input signal, while a lower gain value indicates less amplification. Gain is an important parameter in designing and analyzing electronic circuits, as it determines the overall performance and functionality of the system. Different components have different gain characteristics, and understanding the gain of a component is crucial for achieving the desired signal processing or amplification in electronic systems.
75 dB - Max Output Power
The maximum output power = the maximum output current × the rated output voltage
2W - Input Bias Current
Input Bias Current refers to the small amount of current that flows into the input terminals of an electronic component, such as an operational amplifier. It is primarily caused by the input impedance of the device and the characteristics of the transistors within it. This current is crucial in determining the accuracy of the analog signal processing, as it can affect the level of voltage offset and signal integrity in the application. In many precise applications, minimizing input bias current is essential to achieve optimal performance.
100nA - Max Output Power x Channels @ Load
Max Output Power x Channels @ Load is a specification that describes the maximum power output that an electronic component, such as an amplifier or audio device, can deliver across a certain number of channels at a specific load impedance. This parameter is important for understanding the capability of the component to drive speakers or other devices effectively. The value is typically expressed in watts and can vary depending on the number of channels being used and the impedance of the load. It helps users determine the compatibility of the component with their audio setup and ensures that the component can provide sufficient power for optimal performance.
2W x 1 @ 8 Ω - Harmonic Distortion
Harmonic distortion is a common parameter used to describe the quality of audio or electronic signals. It refers to the presence of unwanted harmonics or additional frequencies in the output signal that were not present in the input signal. These harmonics are typically multiples of the original signal frequency and can distort the waveform, affecting the overall sound quality or performance of the electronic component. Lower harmonic distortion values indicate a cleaner and more accurate output signal, while higher distortion levels can result in a more distorted or altered sound. Manufacturers often specify harmonic distortion levels in percentage or decibels to help users understand the quality of the component's output.
10% - Load Impedance
Load impedance is a crucial parameter in electronic components that refers to the impedance presented by the load to the output of a circuit or device. It is a measure of how much the load resists the flow of current from the source. Load impedance is typically expressed in ohms and can greatly affect the performance and efficiency of a circuit. Matching the load impedance to the source impedance is important for maximum power transfer and signal integrity in electronic systems. Failure to properly match load impedance can result in signal distortion, power loss, and reduced overall performance of the circuit.
8Ohm - Height3.32mm
- Length10.92mm
- Width6.6mm
- REACH SVHC
The parameter "REACH SVHC" in electronic components refers to the compliance with the Registration, Evaluation, Authorization, and Restriction of Chemicals (REACH) regulation regarding Substances of Very High Concern (SVHC). SVHCs are substances that may have serious effects on human health or the environment, and their use is regulated under REACH to ensure their safe handling and minimize their impact.Manufacturers of electronic components need to declare if their products contain any SVHCs above a certain threshold concentration and provide information on the safe use of these substances. This information allows customers to make informed decisions about the potential risks associated with using the components and take appropriate measures to mitigate any hazards.Ensuring compliance with REACH SVHC requirements is essential for electronics manufacturers to meet regulatory standards, protect human health and the environment, and maintain transparency in their supply chain. It also demonstrates a commitment to sustainability and responsible manufacturing practices in the electronics industry.
No SVHC - Radiation Hardening
Radiation hardening is the process of making electronic components and circuits resistant to damage or malfunction caused by high levels of ionizing radiation, especially for environments in outer space (especially beyond the low Earth orbit), around nuclear reactors and particle accelerators, or during nuclear accidents or nuclear warfare.
No - RoHS Status
RoHS means “Restriction of Certain Hazardous Substances” in the “Hazardous Substances Directive” in electrical and electronic equipment.
ROHS3 Compliant - Lead Free
Lead Free is a term used to describe electronic components that do not contain lead as part of their composition. Lead is a toxic material that can have harmful effects on human health and the environment, so the electronics industry has been moving towards lead-free components to reduce these risks. Lead-free components are typically made using alternative materials such as silver, copper, and tin. Manufacturers must comply with regulations such as the Restriction of Hazardous Substances (RoHS) directive to ensure that their products are lead-free and environmentally friendly.
Lead Free
Trend Analysis
What is the operating condition of TBA820M?
It operates with a Vcc=3~14V wide operating supply voltage and performance specifications within the 0~70 operating temperature range.
What package is TBA820M available?
It is available in an 8 lead dual-in-line plastic package.
282080-1 Rectangular Connectors Housings CONN PLUG BLACK[Video]: Datasheet, Features, and Drawings29 March 20222840
NE556 Timer: Datasheet, Pinout and Circuit20 July 20214876
CR2354 Lithium Battery: CR2354 Battery Equivalent, 3V Coin CR2354, and Replacement18 November 202118152
74HC244 Driver IC: Pinout, Alterntaive and Price30 August 20213320
TL431CD Programmable Voltage Reference: Pinout, Features, and Datasheet15 May 20211578
A Comprehensive Guide to LTC6905MPS5#TRPBF Programmable Timer and Oscillator06 March 2024186
SX1276 Transceiver: Datasheet, SX1276 vs. SX127209 November 202112092
Introduction to Microchip ATUC64L4UZAUT Microcontroller29 February 202495
Proximity Sensors: Types, Working Principles and Applications22 April 202244097
What is Inter-Integrated Circuit (I2C)?23 February 20223292
Everything You Need to Know About Fuse Resistors30 July 20252182
The Key Role of Electronic Components in IoT Devices01 September 20235096
The Introduction to PCB Inspection Knowledge and Methods22 December 20214225
CR2450 vs CR2032 Batteries18 June 20251654
What is a Delay Circuit? 6 Types of Delay Circuits Explained28 March 202549030
Structure, Types and Working of Dry Cell04 March 202111832
STMicroelectronics
In Stock: 200
United States
China
Canada
Japan
Russia
Germany
United Kingdom
Singapore
Italy
Hong Kong(China)
Taiwan(China)
France
Korea
Mexico
Netherlands
Malaysia
Austria
Spain
Switzerland
Poland
Thailand
Vietnam
India
United Arab Emirates
Afghanistan
Åland Islands
Albania
Algeria
American Samoa
Andorra
Angola
Anguilla
Antigua & Barbuda
Argentina
Armenia
Aruba
Australia
Azerbaijan
Bahamas
Bahrain
Bangladesh
Barbados
Belarus
Belgium
Belize
Benin
Bermuda
Bhutan
Bolivia
Bonaire, Sint Eustatius and Saba
Bosnia & Herzegovina
Botswana
Brazil
British Indian Ocean Territory
British Virgin Islands
Brunei
Bulgaria
Burkina Faso
Burundi
Cabo Verde
Cambodia
Cameroon
Cayman Islands
Central African Republic
Chad
Chile
Christmas Island
Cocos (Keeling) Islands
Colombia
Comoros
Congo
Congo (DRC)
Cook Islands
Costa Rica
Côte d’Ivoire
Croatia
Cuba
Curaçao
Cyprus
Czechia
Denmark
Djibouti
Dominica
Dominican Republic
Ecuador
Egypt
El Salvador
Equatorial Guinea
Eritrea
Estonia
Eswatini
Ethiopia
Falkland Islands
Faroe Islands
Fiji
Finland
French Guiana
French Polynesia
Gabon
Gambia
Georgia
Ghana
Gibraltar
Greece
Greenland
Grenada
Guadeloupe
Guam
Guatemala
Guernsey
Guinea
Guinea-Bissau
Guyana
Haiti
Honduras
Hungary
Iceland
Indonesia
Iran
Iraq
Ireland
Isle of Man
Israel
Jamaica
Jersey
Jordan
Kazakhstan
Kenya
Kiribati
Kosovo
Kuwait
Kyrgyzstan
Laos
Latvia
Lebanon
Lesotho
Liberia
Libya
Liechtenstein
Lithuania
Luxembourg
Macao(China)
Madagascar
Malawi
Maldives
Mali
Malta
Marshall Islands
Martinique
Mauritania
Mauritius
Mayotte
Micronesia
Moldova
Monaco
Mongolia
Montenegro
Montserrat
Morocco
Mozambique
Myanmar
Namibia
Nauru
Nepal
New Caledonia
New Zealand
Nicaragua
Niger
Nigeria
Niue
Norfolk Island
North Korea
North Macedonia
Northern Mariana Islands
Norway
Oman
Pakistan
Palau
Palestinian Authority
Panama
Papua New Guinea
Paraguay
Peru
Philippines
Pitcairn Islands
Portugal
Puerto Rico
Qatar
Réunion
Romania
Rwanda
Samoa
San Marino
São Tomé & Príncipe
Saudi Arabia
Senegal
Serbia
Seychelles
Sierra Leone
Sint Maarten
Slovakia
Slovenia
Solomon Islands
Somalia
South Africa
South Sudan
Sri Lanka
St Helena, Ascension, Tristan da Cunha
St. Barthélemy
St. Kitts & Nevis
St. Lucia
St. Martin
St. Pierre & Miquelon
St. Vincent & Grenadines
Sudan
Suriname
Svalbard & Jan Mayen
Sweden
Syria
Tajikistan
Tanzania
Timor-Leste
Togo
Tokelau
Tonga
Trinidad & Tobago
Tunisia
Turkey
Turkmenistan
Turks & Caicos Islands
Tuvalu
U.S. Outlying Islands
U.S. Virgin Islands
Uganda
Ukraine
Uruguay
Uzbekistan
Vanuatu
Vatican City
Venezuela
Wallis & Futuna
Yemen
Zambia
Zimbabwe


Product
Brand
Articles
Tools








