282080-1 Rectangular Connectors Housings CONN PLUG BLACK[Video]: Datasheet, Features, and Drawings
CONN PLUG 2POS 1.5 SERIES BLACK
The AMP Superseal 1.5mm series housing for female terminals is the 282080-1 from TE Connectivity. So this article is going to talk about more detailed information about 282080-1.

Superseal Waterproof Connectors [How to crimp and connect]
Overview of 282080-1
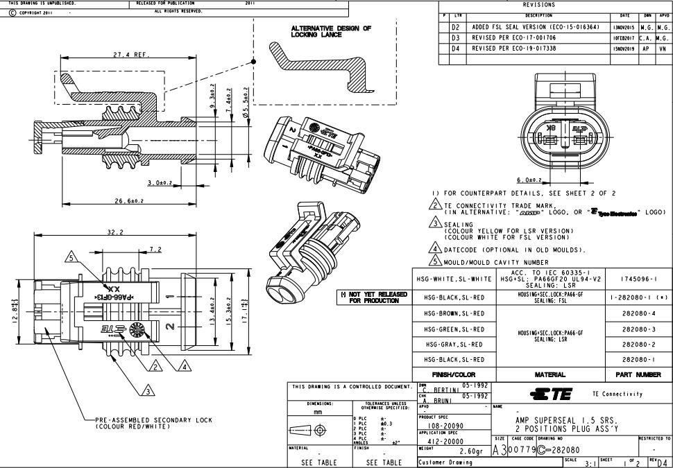
The AMP Superseal 1.5mm series housing for female terminals is the 282080-1 from TE Connectivity. It's a two-position sealed black housing with a pitch spacing of 6mm. 282080-1 has below features such as Housing material is polyamide 66, Integrated with locking feature, Single row housing suitable with a mating tab width of 1.5mm, and suitable for Wire to board/device, wire connector system.
282080-1 Features
Connector & Housing Type: Housing for Female Terminals
Connector System: Wire-to-Board, Wire-to-Device, Wire-to-Wire
Sealable: Yes
Hybrid Connector: No
Primary Locking Feature: On the Terminal
Number of Positions: 2
Number of Rows: 1
Operating Voltage (VDC): 24
Nominal Voltage Architecture (V): 12, 24
Body Material: PA GF
Cable Exit Angle: 180°
Primary Product Color: Black
Connector Code: Z
Product Height : 32.2 mm [ 1.268 in ]
Product Length : 17.1 mm [ .673 in ]
Product Width : 9.3 mm [ .366 in ]
282080-1 Drawings

282080-1 Drawings
282080-1 3D Model

282080-1 3D Model
Specifications
- TypeParameter
- Lifecycle Status
Lifecycle Status refers to the current stage of an electronic component in its product life cycle, indicating whether it is active, obsolete, or transitioning between these states. An active status means the component is in production and available for purchase. An obsolete status indicates that the component is no longer being manufactured or supported, and manufacturers typically provide a limited time frame for support. Understanding the lifecycle status is crucial for design engineers to ensure continuity and reliability in their projects.
ACTIVE (Last Updated: 3 days ago) - Factory Lead Time9 Weeks
- Contact Plating
Contact plating (finish) provides corrosion protection for base metals and optimizes the mechanical and electrical properties of the contact interfaces.
Tin - Mounting Type
The "Mounting Type" in electronic components refers to the method used to attach or connect a component to a circuit board or other substrate, such as through-hole, surface-mount, or panel mount.
Free Hanging (In-Line) - Material
In electronic components, the parameter "Material" refers to the substance or material used in the construction of the component. The choice of material is crucial as it directly impacts the component's performance, durability, and other characteristics. Different materials have varying properties such as conductivity, resistance to heat, corrosion resistance, and mechanical strength, which determine how the component functions in a circuit. Common materials used in electronic components include metals like copper and aluminum, semiconductors like silicon, insulators like ceramics and plastics, and various alloys. Selecting the appropriate material is essential for designing reliable and efficient electronic components.
Polyamide - Contact Finish MatingNOT SPECIFIED
- Packaging
Semiconductor package is a carrier / shell used to contain and cover one or more semiconductor components or integrated circuits. The material of the shell can be metal, plastic, glass or ceramic.
Bulk - Series
In electronic components, the "Series" refers to a group of products that share similar characteristics, designs, or functionalities, often produced by the same manufacturer. These components within a series typically have common specifications but may vary in terms of voltage, power, or packaging to meet different application needs. The series name helps identify and differentiate between various product lines within a manufacturer's catalog.
Superseal - Published1998
- Pbfree Code
The "Pbfree Code" parameter in electronic components refers to the code or marking used to indicate that the component is lead-free. Lead (Pb) is a toxic substance that has been widely used in electronic components for many years, but due to environmental concerns, there has been a shift towards lead-free alternatives. The Pbfree Code helps manufacturers and users easily identify components that do not contain lead, ensuring compliance with regulations and promoting environmentally friendly practices. It is important to pay attention to the Pbfree Code when selecting electronic components to ensure they meet the necessary requirements for lead-free applications.
yes - Part Status
Parts can have many statuses as they progress through the configuration, analysis, review, and approval stages.
Active - Moisture Sensitivity Level (MSL)
Moisture Sensitivity Level (MSL) is a standardized rating that indicates the susceptibility of electronic components, particularly semiconductors, to moisture-induced damage during storage and the soldering process, defining the allowable exposure time to ambient conditions before they require special handling or baking to prevent failures
1 (Unlimited) - ECCN Code
An ECCN (Export Control Classification Number) is an alphanumeric code used by the U.S. Bureau of Industry and Security to identify and categorize electronic components and other dual-use items that may require an export license based on their technical characteristics and potential for military use.
EAR99 - Connector Type
Connector Type in electronic components refers to the specific design and configuration of the connector used to establish electrical connections between different devices or components. This parameter describes the physical shape, size, and layout of the connector, as well as the number and arrangement of pins or contacts. Common connector types include USB, HDMI, RJ45, and D-sub connectors, each serving different purposes and applications. Understanding the connector type is crucial for ensuring compatibility and proper functionality when connecting electronic devices together.
Plug - Number of Positions2
- ColorBlack
- Number of Rows1
- Gender
In the context of electronic components, the parameter "Gender" typically refers to the physical characteristics of connectors or interfaces that determine how they can be mated together. Connectors are often designed with specific gender types, such as male or female, to ensure proper alignment and connection between devices. A male connector typically has protruding pins or plugs that fit into a corresponding female connector, which has receptacles or sockets to receive the pins. This design helps prevent incorrect connections and ensures a secure and reliable electrical connection. Understanding the gender of connectors is crucial when designing or assembling electronic systems to ensure compatibility and proper functionality. It is essential to match the gender of connectors correctly to avoid damage and ensure optimal performance of the electronic components.
Receptacle - HTS Code
HTS (Harmonized Tariff Schedule) codes are product classification codes between 8-1 digits. The first six digits are an HS code, and the countries of import assign the subsequent digits to provide additional classification. U.S. HTS codes are 1 digits and are administered by the U.S. International Trade Commission.
8536.69.40.30 - Fastening Type
There are 5 Main Types of Fastening Type: Screws, Nails, Bolts, Anchors, Rivets.
Latch Lock - MIL Conformance
MIL Conformance refers to the compliance of electronic components with military standards set by the Department of Defense. These standards define rigorous requirements for reliability, performance, and durability under extreme conditions. Components that meet MIL Conformance are often used in defense, aerospace, and other critical applications where failure is not an option. Adherence to these standards ensures that the components can withstand harsh environments, such as extreme temperatures, vibrations, and humidity.
NO - DIN Conformance
DIN Conformance refers to the compliance of an electronic component with the standards set by the Deutsches Institut für Normung (DIN), which is the German Institute for Standardization. DIN standards cover a wide range of technical specifications and requirements for various products, including electronic components. When a component is labeled as DIN-conformant, it means that it meets the specific criteria outlined by DIN for factors such as dimensions, materials, performance, and safety. Ensuring DIN conformance helps to guarantee interoperability, quality, and reliability of electronic components in various applications and industries. Manufacturers often adhere to DIN standards to demonstrate the quality and reliability of their products to customers and to ensure compatibility with other DIN-compliant devices.
NO - IEC Conformance
IEC Conformance refers to the compliance of electronic components with standards set by the International Electrotechnical Commission (IEC). These standards ensure that the components meet specific safety, performance, and interoperability criteria. Adhering to IEC conformance helps manufacturers produce reliable and compatible products, facilitating international trade and promoting consumer safety. Components that conform to IEC standards are often preferred in global markets due to their quality assurance and regulatory acceptance.
NO - Filter Feature
In electronic components, the "Filter Feature" parameter refers to the capability of a component to filter or block certain frequencies of signals while allowing others to pass through. Filters are used to remove unwanted noise or interference from a signal, ensuring that only the desired frequencies are transmitted or received. The filter feature can be implemented using various techniques such as capacitors, inductors, resistors, or active components like operational amplifiers. Different types of filters, such as low-pass, high-pass, band-pass, and band-stop filters, are designed to cater to specific frequency ranges and applications. Overall, the filter feature plays a crucial role in maintaining signal integrity and improving the performance of electronic circuits.
NO - Contact Type
Contact Type in electronic components refers to the specific design and configuration of the electrical contacts used to establish connections between components or devices. The contact type determines how the electrical signals are transmitted between the components, and it can vary based on factors such as the application requirements, signal type, and environmental conditions. Common contact types include pin contacts, socket contacts, surface mount contacts, and wire-to-board contacts. Understanding the contact type is crucial for ensuring proper connectivity and reliable performance in electronic systems.
Female Socket - Mixed Contacts
In electronic components, "Mixed Contacts" refers to a type of contact arrangement where different types of contacts are used within the same component. This can include a combination of different contact materials, such as gold-plated contacts for signal transmission and silver-plated contacts for power connections. Mixed contacts can also refer to a combination of different contact styles, such as pin contacts and socket contacts within the same component.The use of mixed contacts allows for optimized performance and reliability in electronic components by leveraging the specific advantages of each contact type. For example, gold-plated contacts offer excellent conductivity and corrosion resistance, while silver-plated contacts provide high current-carrying capacity. By incorporating mixed contacts, manufacturers can tailor the component to meet the specific requirements of the application, ensuring efficient and reliable operation.
NO - OptionGENERAL PURPOSE
- Pitch
In electronic components, "Pitch" refers to the distance between the center of one pin or lead to the center of the adjacent pin or lead on a component, such as an integrated circuit (IC) or a connector. It is a crucial parameter as it determines the spacing and alignment of the pins or leads on a component, which in turn affects how the component can be mounted on a circuit board or connected to other components.The pitch measurement is typically expressed in millimeters (mm) or inches (in) and plays a significant role in determining the overall size and layout of a circuit board. Components with different pitches may require specific types of circuit boards or connectors to ensure proper alignment and connection. Designers must carefully consider the pitch of components when designing circuit layouts to ensure compatibility and proper functionality of the electronic system.
0.236 6.00mm - Total Number of Contacts2
- Current Rating
Current rating is the maximum current that a fuse will carry for an indefinite period without too much deterioration of the fuse element.
14A - Empty ShellNO
- Insulation Resistance
The measurement of insulation resistance is carried out by means of a megohmmeter – high resistance range ohmmeter. A general rule-of-thumb is 10 Megohm or more.
200MOhm - NoteContacts Not Included
- Contact Termination
Contact termination in electronic components refers to the method used to connect the component to a circuit or system. It is the point where the component's electrical connection is terminated or connected to the external circuit. Common contact termination methods include soldering, wire bonding, press-fit connectors, and surface mount technology (SMT). The choice of contact termination method depends on factors such as the type of component, the application requirements, and the manufacturing process. Proper contact termination is crucial for ensuring reliable electrical connections and overall performance of the electronic component.
Crimp - Length17.0942mm
- Width9.2964mm
- RoHS Status
RoHS means “Restriction of Certain Hazardous Substances” in the “Hazardous Substances Directive” in electrical and electronic equipment.
RoHS Compliant
282080-1 Parameters

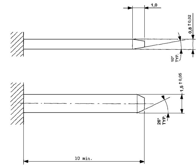
TEST TAB DIMENSIONS

DYNAMIC IMMERSION TEST SETUP

VIBRATION TEST SETUP
Parts with Similar Specs
- ImagePart NumberManufacturerGenderPitchNumber of PositionsNumber of RowsContact PlatingPart StatusRoHS StatusView Compare
282080-1
Receptacle
0.236 (6.00mm)
2
1
Tin
Active
RoHS Compliant
Male
0.236 (6.00mm)
2
1
-
Active
RoHS Compliant
282080-1 Manufacturer
TE Connectivity AMP, previously Tyco Electronics AMP, is a global pioneer in the design and manufacture of electronic and electrical connectors and interconnection systems. Terminals and splices are among the products available, as are sophisticated high-speed printed circuit board connections and IC sockets, as well as USB and Circular Connectors.
Datasheet PDF
- PCN Design/Specification :
- Datasheets :
- Environmental Information :
- PCN Assembly/Origin :
Popularity by Region
What is the 282080-1?
The AMP Superseal 1.5mm series housing for female terminals is the 282080-1 from TE Connectivity. It's a two-position sealed black housing with a pitch spacing of 6mm.
What’s the current rating of 282080-1?
14A.
What’s the Insulation Resistance of 282080-1?
200MOhm.
What’s the Contact Type of 282080-1?
Female Socket.
What’s the packaging way of 282080-1?
Bulk.
CC1000-RTB1 Transceiver: Datashee, Pinout, Application11 August 2021739
MMBTA42 NPN High-Voltage Transistor: NPN, SOT-23, Datasheet07 February 20222013
TLP521-4XGBSM Optocoupler: Isocom, Datasheet, Applications [FAQ]12 January 2023716
Unveiling the PIC16CR7X Microcontroller: Technical Insights and Applications29 February 2024126
FQP30N06L MOSFET: Pinout, Datasheet, and Circuit10 August 20217490
TPS22919DCKR Load Switch: Features, Pinout, and Datasheet02 April 20222423
DB3 DIAC 36V 0.05mA 2-Pin DO-35[video]: Datasheet, Features, and Applications11 March 20227041
AD9833 Digitally Programming Waveform Generator:Pinout,Datasheet,Description18 September 20215675
Top Batteries That Can Replace LR4409 June 20251900
A Simple Method to Build a Programmable Oscillator27 May 20226773
Understanding the Crystal Oscillator: Construction, Working Principles and Applications08 July 20243212
Hot Swap Controllers:Semiconductors That Provide In-circuit Protection and Control Functions22 February 20234210
Parallel Plate Capacitor: Features, Working Principle and Applications30 January 20217814
ARM, FPGA, DSP and CPLD: Connection and Difference15 March 20227835
Antenna: Principles, Performance Parameters and Classification15 November 20218031
Selection Criteria for Power Management ICs (PMICs)06 April 20223395
TE Connectivity AMP Connectors
In Stock: 6420
United States
China
Canada
Japan
Russia
Germany
United Kingdom
Singapore
Italy
Hong Kong(China)
Taiwan(China)
France
Korea
Mexico
Netherlands
Malaysia
Austria
Spain
Switzerland
Poland
Thailand
Vietnam
India
United Arab Emirates
Afghanistan
Åland Islands
Albania
Algeria
American Samoa
Andorra
Angola
Anguilla
Antigua & Barbuda
Argentina
Armenia
Aruba
Australia
Azerbaijan
Bahamas
Bahrain
Bangladesh
Barbados
Belarus
Belgium
Belize
Benin
Bermuda
Bhutan
Bolivia
Bonaire, Sint Eustatius and Saba
Bosnia & Herzegovina
Botswana
Brazil
British Indian Ocean Territory
British Virgin Islands
Brunei
Bulgaria
Burkina Faso
Burundi
Cabo Verde
Cambodia
Cameroon
Cayman Islands
Central African Republic
Chad
Chile
Christmas Island
Cocos (Keeling) Islands
Colombia
Comoros
Congo
Congo (DRC)
Cook Islands
Costa Rica
Côte d’Ivoire
Croatia
Cuba
Curaçao
Cyprus
Czechia
Denmark
Djibouti
Dominica
Dominican Republic
Ecuador
Egypt
El Salvador
Equatorial Guinea
Eritrea
Estonia
Eswatini
Ethiopia
Falkland Islands
Faroe Islands
Fiji
Finland
French Guiana
French Polynesia
Gabon
Gambia
Georgia
Ghana
Gibraltar
Greece
Greenland
Grenada
Guadeloupe
Guam
Guatemala
Guernsey
Guinea
Guinea-Bissau
Guyana
Haiti
Honduras
Hungary
Iceland
Indonesia
Iran
Iraq
Ireland
Isle of Man
Israel
Jamaica
Jersey
Jordan
Kazakhstan
Kenya
Kiribati
Kosovo
Kuwait
Kyrgyzstan
Laos
Latvia
Lebanon
Lesotho
Liberia
Libya
Liechtenstein
Lithuania
Luxembourg
Macao(China)
Madagascar
Malawi
Maldives
Mali
Malta
Marshall Islands
Martinique
Mauritania
Mauritius
Mayotte
Micronesia
Moldova
Monaco
Mongolia
Montenegro
Montserrat
Morocco
Mozambique
Myanmar
Namibia
Nauru
Nepal
New Caledonia
New Zealand
Nicaragua
Niger
Nigeria
Niue
Norfolk Island
North Korea
North Macedonia
Northern Mariana Islands
Norway
Oman
Pakistan
Palau
Palestinian Authority
Panama
Papua New Guinea
Paraguay
Peru
Philippines
Pitcairn Islands
Portugal
Puerto Rico
Qatar
Réunion
Romania
Rwanda
Samoa
San Marino
São Tomé & Príncipe
Saudi Arabia
Senegal
Serbia
Seychelles
Sierra Leone
Sint Maarten
Slovakia
Slovenia
Solomon Islands
Somalia
South Africa
South Sudan
Sri Lanka
St Helena, Ascension, Tristan da Cunha
St. Barthélemy
St. Kitts & Nevis
St. Lucia
St. Martin
St. Pierre & Miquelon
St. Vincent & Grenadines
Sudan
Suriname
Svalbard & Jan Mayen
Sweden
Syria
Tajikistan
Tanzania
Timor-Leste
Togo
Tokelau
Tonga
Trinidad & Tobago
Tunisia
Turkey
Turkmenistan
Turks & Caicos Islands
Tuvalu
U.S. Outlying Islands
U.S. Virgin Islands
Uganda
Ukraine
Uruguay
Uzbekistan
Vanuatu
Vatican City
Venezuela
Wallis & Futuna
Yemen
Zambia
Zimbabwe


Product
Brand
Articles
Tools




















