25AA160D 16K SPI Bus Serial EEPROM: Pinout, Equivalent and Datasheet
2/5V V Memory IC 25AA160D
The Microchip Technology Inc. 25AA160D is 16 Kbit Serial Electrically Erasable PROM. The memory is accessed via a simple Serial Peripheral Interface (SPI) compatible serial bus. Furthermore, Huge range of Semiconductors, Capacitors, Resistors and IcS in stock. Welcome RFQ.

What Is EEPROM?
25AA160D Pinout
The following figure is the diagram of 25AA160D Pinout.

Pinout
25AA160D CAD Model
The followings are 25AA160D Symbol, Footprint, and 3D Model.

Symbol

Footprint

3D Model
25AA160D Description
The Microchip Technology Inc. 25AA160D is 16 Kbit Serial Electrically Erasable PROM. The memory is accessed via a simple Serial Peripheral Interface (SPI) compatible serial bus. The bus signals required are a clock input (SCK) plus separate data in (SI) and data out (SO) lines. Access to the device is controlled through a Chip Select (CS) input. Communication to the device can be paused via the hold pin (HOLD). While the device is paused, transitions on its inputs will be ignored, with the exception of Chip Select, allowing the host to service higher priority interrupts. The 25XX160C/D is available in standard packages including 8-lead PDIP and SOIC, and advanced packaging including 8-lead MSOP, TSSOP, and 2x3 TDFN. All packages are Pb-free and RoHS compliant.
This article provides you with a basic overview of the 25AA160D 16K SPI Bus Serial EEPROM, including its pin descriptions, features and specifications, etc., to help you quickly understand what 25AA160D is.
25AA160D Features
● Max. Clock 10 MHz
● Low-Power CMOS Technology:
◆ Max. write current: 5 mA at 5.5V
◆ Read current: 5 mA at 5.5V, 10 MHz
◆ Standby current: 5 uA at 5.5V
● 2048 x 8-bit Organization
● 16-Byte Page (‘C’ version devices)
● 32-Byte Page (‘D’ version devices)
● Self-Timed Erase and Write Cycles (5 ms max.)
● Block Write Protection:
◆ Protect none, 1/4, 1/2 or all of array
● Built-In Write Protection:
◆ Power-on/off data protection circuitry
◆ Write enable latch
◆ Write-protect pin
● Sequential Read
● High Reliability:
◆ Endurance: > 1M erase/write cycles
◆ Data retention: > 200 years
◆ ESD protection: > 4000V
● Temperature Ranges Supported:
◆ Industrial (I): -40 ℃ to +85 ℃
◆ Automotive (E): -40 °C to +125 °C
● Pb-Free and RoHS Compliant
Specifications
- TypeParameter
- Factory Lead Time8 Weeks
- Contact Plating
Contact plating (finish) provides corrosion protection for base metals and optimizes the mechanical and electrical properties of the contact interfaces.
Tin - Mounting Type
The "Mounting Type" in electronic components refers to the method used to attach or connect a component to a circuit board or other substrate, such as through-hole, surface-mount, or panel mount.
Surface Mount - Package / Case
refers to the protective housing that encases an electronic component, providing mechanical support, electrical connections, and thermal management.
8-TSSOP, 8-MSOP (0.118, 3.00mm Width) - Surface Mount
having leads that are designed to be soldered on the side of a circuit board that the body of the component is mounted on.
YES - Memory TypesNon-Volatile
- Operating Temperature
The operating temperature is the range of ambient temperature within which a power supply, or any other electrical equipment, operate in. This ranges from a minimum operating temperature, to a peak or maximum operating temperature, outside which, the power supply may fail.
-40°C~125°C TA - Packaging
Semiconductor package is a carrier / shell used to contain and cover one or more semiconductor components or integrated circuits. The material of the shell can be metal, plastic, glass or ceramic.
Tube - Published2013
- JESD-609 Code
The "JESD-609 Code" in electronic components refers to a standardized marking code that indicates the lead-free solder composition and finish of electronic components for compliance with environmental regulations.
e3 - Part Status
Parts can have many statuses as they progress through the configuration, analysis, review, and approval stages.
Active - Moisture Sensitivity Level (MSL)
Moisture Sensitivity Level (MSL) is a standardized rating that indicates the susceptibility of electronic components, particularly semiconductors, to moisture-induced damage during storage and the soldering process, defining the allowable exposure time to ambient conditions before they require special handling or baking to prevent failures
1 (Unlimited) - Number of Terminations8
- Voltage - Supply
Voltage - Supply refers to the range of voltage levels that an electronic component or circuit is designed to operate with. It indicates the minimum and maximum supply voltage that can be applied for the device to function properly. Providing supply voltages outside this range can lead to malfunction, damage, or reduced performance. This parameter is critical for ensuring compatibility between different components in a circuit.
1.8V~5.5V - Terminal Position
In electronic components, the term "Terminal Position" refers to the physical location of the connection points on the component where external electrical connections can be made. These connection points, known as terminals, are typically used to attach wires, leads, or other components to the main body of the electronic component. The terminal position is important for ensuring proper connectivity and functionality of the component within a circuit. It is often specified in technical datasheets or component specifications to help designers and engineers understand how to properly integrate the component into their circuit designs.
DUAL - Terminal Pitch
The center distance from one pole to the next.
0.635mm - Base Part Number
The "Base Part Number" (BPN) in electronic components serves a similar purpose to the "Base Product Number." It refers to the primary identifier for a component that captures the essential characteristics shared by a group of similar components. The BPN provides a fundamental way to reference a family or series of components without specifying all the variations and specific details.
25AA160D - JESD-30 Code
JESD-30 Code refers to a standardized descriptive designation system established by JEDEC for semiconductor-device packages. This system provides a systematic method for generating designators that convey essential information about the package's physical characteristics, such as size and shape, which aids in component identification and selection. By using JESD-30 codes, manufacturers and engineers can ensure consistency and clarity in the specification of semiconductor packages across various applications and industries.
R-PDSO-G8 - Qualification Status
An indicator of formal certification of qualifications.
Not Qualified - Power Supplies
an electronic circuit that converts the voltage of an alternating current (AC) into a direct current (DC) voltage.?
2/5V - Interface
In electronic components, the term "Interface" refers to the point at which two different systems, devices, or components connect and interact with each other. It can involve physical connections such as ports, connectors, or cables, as well as communication protocols and standards that facilitate the exchange of data or signals between the connected entities. The interface serves as a bridge that enables seamless communication and interoperability between different parts of a system or between different systems altogether. Designing a reliable and efficient interface is crucial in ensuring proper functionality and performance of electronic components and systems.
SPI, Serial - Memory Size
The memory capacity is the amount of data a device can store at any given time in its memory.
16Kb 2K x 8 - Clock Frequency
Clock frequency, also known as clock speed, refers to the rate at which a processor or electronic component can execute instructions. It is measured in hertz (Hz) and represents the number of cycles per second that the component can perform. A higher clock frequency typically indicates a faster processing speed and better performance. However, it is important to note that other factors such as architecture, efficiency, and workload also play a significant role in determining the overall performance of a component. In summary, clock frequency is a crucial parameter that influences the speed and efficiency of electronic components in processing data and executing tasks.
10MHz - Memory Format
Memory Format in electronic components refers to the specific organization and structure of data storage within a memory device. It defines how data is stored, accessed, and managed within the memory module. Different memory formats include RAM (Random Access Memory), ROM (Read-Only Memory), and various types of flash memory. The memory format determines the speed, capacity, and functionality of the memory device, and it is crucial for compatibility with other components in a system. Understanding the memory format is essential for selecting the right memory module for a particular application or device.
EEPROM - Memory Interface
An external memory interface is a bus protocol for communication from an integrated circuit, such as a microprocessor, to an external memory device located on a circuit board.
SPI - Organization
In the context of electronic components, the parameter "Organization" typically refers to the arrangement or structure of the internal components within a device or system. It can describe how various elements such as transistors, resistors, capacitors, and other components are physically arranged and interconnected on a circuit board or within a semiconductor chip.The organization of electronic components plays a crucial role in determining the functionality, performance, and efficiency of a device. It can impact factors such as signal propagation, power consumption, thermal management, and overall system complexity. Engineers carefully design the organization of components to optimize the operation of electronic devices and ensure reliable performance.Different types of electronic components may have specific organizational requirements based on the intended application and design considerations. For example, integrated circuits may have a highly compact and intricate organization to maximize functionality within a small footprint, while larger electronic systems may have a more modular and distributed organization to facilitate maintenance and scalability.
2KX8 - Memory Width
Memory width refers to the number of bits that can be read or written to memory at one time. It is an important specification in electronic components, particularly in memory devices like RAM and cache. A wider memory width allows for greater data throughput, enabling faster performance as more data can be processed simultaneously. Memory width can vary among different types of memory and can impact both the complexity and efficiency of data handling within electronic systems.
8 - Write Cycle Time - Word, Page
Write Cycle Time - Word, Page refers to the duration required to write data to a specific memory cell or a page of memory in electronic components, particularly in non-volatile memories like Flash or EEPROM. It indicates the time taken to complete a writing operation for a single word or an entire page of data. This parameter is crucial for determining the performance and speed of memory devices in applications where quick data storage is essential. It impacts the overall efficiency in data handling, affecting both read and write speeds in memory-related operations.
5ms - Standby Current-Max
Standby Current-Max refers to the maximum amount of current that an electronic component or device consumes while in a low-power standby mode. This parameter is critical for power management, especially in battery-operated devices, as it indicates how efficiently the device can conserve energy when not actively in use. A lower Standby Current-Max value is typically desirable, as it contributes to longer battery life and reduced energy consumption. Manufacturers specify this value to help engineers select components that meet specific power efficiency requirements in their designs.
0.000001A - Memory Density
Memory density in electronic components refers to the amount of data that can be stored in a given physical space or memory module. It is typically measured in bits or bytes per unit area, such as bits per square inch. Higher memory density means that more data can be stored in a smaller space, which is important for devices with limited physical size or power constraints. Memory density is a key factor in determining the capacity and performance of memory devices, such as RAM, ROM, and flash memory, and is a critical consideration in the design and manufacturing of electronic products.
16384 bit - Serial Bus Type
Serial bus type refers to the method by which data is transmitted between components in an electronic system using a serial communication protocol. It involves the sequential transfer of data bits over a single channel or wire, allowing for a reduced number of interconnections compared to parallel communication. Common examples of serial bus types include I2C, SPI, USB, and UART, each with its own specific protocol and applications. The choice of serial bus type can affect the speed, complexity, and power consumption of the communication between devices.
SPI - Endurance
In electronic components, "Endurance" refers to the ability of a component to withstand repeated cycles of operation without degradation in performance or failure. It is a crucial parameter, especially in components that are subjected to frequent switching or high levels of stress during operation. Endurance testing is often conducted to evaluate the reliability and durability of electronic components under real-world conditions. Components with high endurance ratings are more likely to have a longer lifespan and provide consistent performance over time. Manufacturers typically provide endurance specifications in datasheets to help engineers and designers select components that meet the required durability for their applications.
1000000 Write/Erase Cycles - Data Retention Time-Min
The parameter "Data Retention Time-Min" in electronic components refers to the minimum amount of time that data can be stored in a non-volatile memory device without requiring a refresh or rewrite operation to maintain its integrity. This parameter is crucial for applications where data integrity and reliability are essential, such as in embedded systems, IoT devices, and critical infrastructure. A longer data retention time indicates a more stable memory device that can retain data for extended periods without degradation or loss. It is important to consider the data retention time when selecting memory components for specific applications to ensure data reliability and longevity.
200 - Write Protection
Write protection is a feature found in electronic components, such as memory devices, that prevents data from being modified or erased. When write protection is enabled, the data stored in the component is locked and cannot be altered, ensuring the integrity and security of the information. This feature is commonly used in devices like USB flash drives, SD cards, and EEPROMs to prevent accidental data loss or unauthorized access. Write protection can be implemented through hardware mechanisms, such as physical switches or jumpers, or through software settings that restrict write access to the component.
HARDWARE/SOFTWARE - RoHS Status
RoHS means “Restriction of Certain Hazardous Substances” in the “Hazardous Substances Directive” in electrical and electronic equipment.
ROHS3 Compliant
25AA160D Functional Block Diagram
The following is the Block Diagram of 25AA160D.

Block Diagram
25AA160D Equivalent
| Model number | Manufacturer | Description |
| 25AA160TIST | Microchip Technology Inc | 2K X 8 SPI BUS SERIAL EEPROM, PDSO8, TSSOP-8 |
| 25AA160-E/P | Microchip Technology Inc | SPI BUS SERIAL EEPROM |
| 25AA160D-I/MS | Microchip Technology Inc | 1K X 8 SPI BUS SERIAL EEPROM, PDSO8, PLASTIC, MSOP-8 |
| 25AA160B-E/P | Microchip Technology Inc | 2K X 8 SPI BUS SERIAL EEPROM, PDIP8, 0.300 INCH, PLASTIC, MS-001, DIP-8 |
| 25AA160B-I/ST | Microchip Technology Inc | 2K X 8 SPI BUS SERIAL EEPROM, PDSO8, 4.40 MM, PLASTIC, TSSOP-8 |
| 25AA160D-I/P | Microchip Technology Inc | 1K X 8 SPI BUS SERIAL EEPROM, PDIP8, 0.300 INCH, ROHS COMPLIANT, PLASTIC, DIP-8 |
| 25AA160P | Microchip Technology Inc | 2K X 8 SPI BUS SERIAL EEPROM, PDIP8, 0.300 INCH, PLASTIC, DIP-8 |
| 25AA160T/SNB63 | Microchip Technology Inc | 2K X 8 SPI BUS SERIAL EEPROM, PDSO8, 0.150 INCH, PLASTIC, SOIC-8 |
| 25AA160BT-I/ST | Microchip Technology Inc | 2K X 8 SPI BUS SERIAL EEPROM, PDSO8, 4.40 MM, PLASTIC, TSSOP-8 |
| 25AA160TST | Microchip Technology Inc | 2K X 8 SPI BUS SERIAL EEPROM, PDSO8, TSSOP-8 |
Parts with Similar Specs
- ImagePart NumberManufacturerPackage / CaseMemory TypeInterfaceClock FrequencyMemory FormatMoisture Sensitivity Level (MSL)EnduranceWrite ProtectionView Compare
25AA160D-E/MS
8-TSSOP, 8-MSOP (0.118, 3.00mm Width)
Non-Volatile
SPI, Serial
10MHz
EEPROM
1 (Unlimited)
1000000 Write/Erase Cycles
HARDWARE/SOFTWARE
8-TSSOP, 8-MSOP (0.118, 3.00mm Width)
Non-Volatile
SPI, Serial
10MHz
EEPROM
1 (Unlimited)
1000000 Write/Erase Cycles
HARDWARE/SOFTWARE
8-TSSOP, 8-MSOP (0.118, 3.00mm Width)
Non-Volatile
SPI, Serial
10MHz
EEPROM
1 (Unlimited)
1000000 Write/Erase Cycles
HARDWARE/SOFTWARE
8-TSSOP, 8-MSOP (0.118, 3.00mm Width)
Non-Volatile
SPI, Serial
10MHz
EEPROM
1 (Unlimited)
1000000 Write/Erase Cycles
HARDWARE/SOFTWARE
8-TSSOP, 8-MSOP (0.118, 3.00mm Width)
Non-Volatile
SPI, Serial
10MHz
EEPROM
1 (Unlimited)
1000000 Write/Erase Cycles
HARDWARE/SOFTWARE
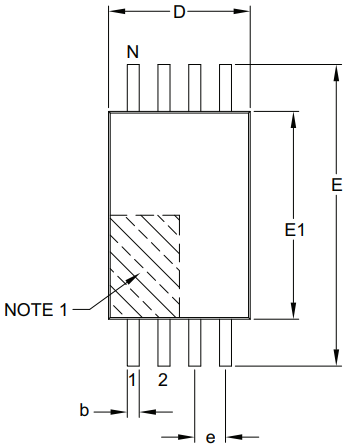
25AA160D Package
The following diagrams show the 25AA160D Package.

View A

View B

View C
25AA160D Package Marking Information
The following diagram shows the 25AA160D Package Marking Information.

8-Lead TSSOP

Example
25AA160D Recommended Land Pattern
The following is the Recommended Land Pattern of 25AA160D.

Recommended Land Pattern
25AA160D Manufacturer
Microchip Technology Inc. is a leading provider of microcontroller and analog semiconductors, providing low-risk product development, lower total system cost and faster time to market for thousands of diverse customer applications worldwide. Headquartered in Chandler, Arizona, Microchip offers outstanding technical support along with dependable delivery and quality.
Datasheet PDF
- Datasheets :
- PCN Design/Specification :
- PCN Assembly/Origin :
- PCN Packaging :
- ConflictMineralStatement :
How many pins of 25AA160D-E/MS?
8 Pins.
What’s the operating temperature of 25AA160D-E/MS?
-40°C~125°C TA.
What is the essential property of the 25AA160D?
The Microchip Technology Inc. 25AA160D is 16 Kbit Serial Electrically Erasable PROM. The memory is accessed via a simple Serial Peripheral Interface (SPI) compatible serial bus.
What is 25XX160C/D designed for?
The 25XX160C/D are 2048 byte Serial EEPROMs designed to interface directly with the Serial Peripheral Interface (SPI) port of many of today’s popular microcontroller families, including Microchip’s PIC® microcontrollers. It may also interface with microcontrollers that do not have a built-in SPI port by using discrete I/O lines programmed properly with the software.
LM340 Voltage Regulator: Datasheet, Pinout and Circuit28 September 20216738
BB18 POWR-BAR Distribution: Datasheet, Features, Equivalents12 January 20221416
STM8S103F3P6 Microcontroller, STM8 Pin, and STM8S103F3P6 VS ATMEGA328P [FAQ]17 December 20213767
MC34164 Micropower Undervoltage Sensing Circuits: Pinout, Equivalent and Datasheet10 March 2022728
LM35 Sensor: Pinout, Alternatives and Datasheet26 August 202111719
HDMI2C1-6C1 IC:Datasheet, Pinout, Function27 August 2021708
STM32H750 Value Line 480 MHz MCU: Maximizing 1MB RAM for High-Performance Designs05 February 202649
STM32F042K6T6: 48MHz, 32-LQFP, Pinout and Datasheet25 February 20223076
Top 10 Popular Semiconductor Companies in 202525 December 202512096
How much do you know about VR Technology?01 September 20212210
Load Resistor: Principles, Calculation and LED Applications23 July 20252880
Utmel Discount Coupon is being delivered19 October 20201311
RF Switches Guide: Types, Specifications & Applications03 July 20252032
What is a 555 Timer?09 April 202511464
All You Need to Know About Rectifier Circuit24 April 202514561
Analyzing Temperature Parameters of Si, SiC and GaN Power Devices09 September 20231214
Microchip Technology
In Stock
United States
China
Canada
Japan
Russia
Germany
United Kingdom
Singapore
Italy
Hong Kong(China)
Taiwan(China)
France
Korea
Mexico
Netherlands
Malaysia
Austria
Spain
Switzerland
Poland
Thailand
Vietnam
India
United Arab Emirates
Afghanistan
Åland Islands
Albania
Algeria
American Samoa
Andorra
Angola
Anguilla
Antigua & Barbuda
Argentina
Armenia
Aruba
Australia
Azerbaijan
Bahamas
Bahrain
Bangladesh
Barbados
Belarus
Belgium
Belize
Benin
Bermuda
Bhutan
Bolivia
Bonaire, Sint Eustatius and Saba
Bosnia & Herzegovina
Botswana
Brazil
British Indian Ocean Territory
British Virgin Islands
Brunei
Bulgaria
Burkina Faso
Burundi
Cabo Verde
Cambodia
Cameroon
Cayman Islands
Central African Republic
Chad
Chile
Christmas Island
Cocos (Keeling) Islands
Colombia
Comoros
Congo
Congo (DRC)
Cook Islands
Costa Rica
Côte d’Ivoire
Croatia
Cuba
Curaçao
Cyprus
Czechia
Denmark
Djibouti
Dominica
Dominican Republic
Ecuador
Egypt
El Salvador
Equatorial Guinea
Eritrea
Estonia
Eswatini
Ethiopia
Falkland Islands
Faroe Islands
Fiji
Finland
French Guiana
French Polynesia
Gabon
Gambia
Georgia
Ghana
Gibraltar
Greece
Greenland
Grenada
Guadeloupe
Guam
Guatemala
Guernsey
Guinea
Guinea-Bissau
Guyana
Haiti
Honduras
Hungary
Iceland
Indonesia
Iran
Iraq
Ireland
Isle of Man
Israel
Jamaica
Jersey
Jordan
Kazakhstan
Kenya
Kiribati
Kosovo
Kuwait
Kyrgyzstan
Laos
Latvia
Lebanon
Lesotho
Liberia
Libya
Liechtenstein
Lithuania
Luxembourg
Macao(China)
Madagascar
Malawi
Maldives
Mali
Malta
Marshall Islands
Martinique
Mauritania
Mauritius
Mayotte
Micronesia
Moldova
Monaco
Mongolia
Montenegro
Montserrat
Morocco
Mozambique
Myanmar
Namibia
Nauru
Nepal
New Caledonia
New Zealand
Nicaragua
Niger
Nigeria
Niue
Norfolk Island
North Korea
North Macedonia
Northern Mariana Islands
Norway
Oman
Pakistan
Palau
Palestinian Authority
Panama
Papua New Guinea
Paraguay
Peru
Philippines
Pitcairn Islands
Portugal
Puerto Rico
Qatar
Réunion
Romania
Rwanda
Samoa
San Marino
São Tomé & Príncipe
Saudi Arabia
Senegal
Serbia
Seychelles
Sierra Leone
Sint Maarten
Slovakia
Slovenia
Solomon Islands
Somalia
South Africa
South Sudan
Sri Lanka
St Helena, Ascension, Tristan da Cunha
St. Barthélemy
St. Kitts & Nevis
St. Lucia
St. Martin
St. Pierre & Miquelon
St. Vincent & Grenadines
Sudan
Suriname
Svalbard & Jan Mayen
Sweden
Syria
Tajikistan
Tanzania
Timor-Leste
Togo
Tokelau
Tonga
Trinidad & Tobago
Tunisia
Turkey
Turkmenistan
Turks & Caicos Islands
Tuvalu
U.S. Outlying Islands
U.S. Virgin Islands
Uganda
Ukraine
Uruguay
Uzbekistan
Vanuatu
Vatican City
Venezuela
Wallis & Futuna
Yemen
Zambia
Zimbabwe

















