2SK3878 Field Effect Transistor: Equivalent, Datasheet and Diagram
2SK3878 datasheet pdf and Unclassified product details from TOSHIBA stock available at Utmel









2SK3878 is a three-terminal silicon device. This article is going to introduce 2SK3878 pinout, equivalents, applications, and other details.

Test mosfet on easy way!!
2SK3878 Description
2SK3878 is a three-terminal silicon device with current conduction capability of 9A, fast switching speed, l ow on-state resistance, breakdown voltage rating of 900V, and max.
threshold voltage of 4 volts.
They are designed for use in applications such as switched mode power supplies, DC to DC converters, motor control circuits,UPS, switching regulator and general purpose switching applications .
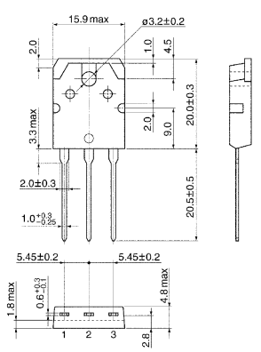
2SK3878 Pinout

2SK3878 Pinout
2SK3878 Features
Marking Code: K3878
Type of Transistor : MOSFET
Type of Control Channel: N -Channel
Maximum Power Dissipation (Pd): 150 W
Maximum Drain-Source Voltage |Vds|: 900 V
Maximum Gate-Source Voltage |Vgs|: 30 V
Maximum Gate-Threshold Voltage |Vgs(th)|: 4 V
Maximum Drain Current |Id|: 9 A
Maximum Junction Temperature (Tj): 150 °C
Total Gate Charge (Qg): 60 nC
Rise Time (tr): 25 nS
Drain-Source Capacitance (Cd): 190 pF
Maximum Drain-Source On-State Resistance (Rds): 1.3 Ohm
Package: SC65 TO3P
Specifications
- TypeParameter
- Package / Case
refers to the protective housing that encases an electronic component, providing mechanical support, electrical connections, and thermal management.
TO-3P - Current - Continuous Drain (Id) @ 25℃9A
- Power Dissipation (Max)150W
- Packaging
Semiconductor package is a carrier / shell used to contain and cover one or more semiconductor components or integrated circuits. The material of the shell can be metal, plastic, glass or ceramic.
Tube-packed - FET Type
"FET Type" refers to the type of Field-Effect Transistor (FET) being used in an electronic component. FETs are three-terminal semiconductor devices that can be classified into different types based on their construction and operation. The main types of FETs include Metal-Oxide-Semiconductor FETs (MOSFETs), Junction FETs (JFETs), and Insulated-Gate Bipolar Transistors (IGBTs).Each type of FET has its own unique characteristics and applications. MOSFETs are commonly used in digital circuits due to their high input impedance and low power consumption. JFETs are often used in low-noise amplifiers and switching circuits. IGBTs combine the high input impedance of MOSFETs with the high current-carrying capability of bipolar transistors, making them suitable for high-power applications like motor control and power inverters.When selecting an electronic component, understanding the FET type is crucial as it determines the device's performance and suitability for a specific application. It is important to consider factors such as voltage ratings, current handling capabilities, switching speeds, and power dissipation when choosing the right FET type for a particular circuit design.
N-Channel - Rds On (Max) @ Id, Vgs
Rds On (Max) @ Id, Vgs refers to the maximum on-resistance of a MOSFET or similar transistor when it is fully turned on or in the saturation region. It is specified at a given drain current (Id) and gate-source voltage (Vgs). This parameter indicates how much resistance the component will offer when conducting, impacting power loss and efficiency in a circuit. Lower Rds On values are preferred for better performance in switching applications.
1.3Ω@4A,10V - Vgs(th) (Max) @ Id
The parameter "Vgs(th) (Max) @ Id" in electronic components refers to the maximum gate-source threshold voltage at a specified drain current (Id). This parameter is commonly found in field-effect transistors (FETs) and is used to define the minimum voltage required at the gate terminal to turn on the transistor and allow current to flow from the drain to the source. The maximum value indicates the upper limit of this threshold voltage under specified operating conditions. It is an important parameter for determining the proper biasing and operating conditions of the FET in a circuit to ensure proper functionality and performance.
4V@1mA - Drain to Source Voltage (Vdss)
The Drain to Source Voltage (Vdss) is a key parameter in electronic components, particularly in field-effect transistors (FETs) such as MOSFETs. It refers to the maximum voltage that can be applied between the drain and source terminals of the FET without causing damage to the component. Exceeding this voltage limit can lead to breakdown and potentially permanent damage to the device.Vdss is an important specification to consider when designing or selecting components for a circuit, as it determines the operating range and reliability of the FET. It is crucial to ensure that the Vdss rating of the component is higher than the maximum voltage expected in the circuit to prevent failures and ensure proper functionality.In summary, the Drain to Source Voltage (Vdss) is a critical parameter that defines the maximum voltage tolerance of a FET component and plays a significant role in determining the overall performance and reliability of electronic circuits.
900V - RoHS Status
RoHS means “Restriction of Certain Hazardous Substances” in the “Hazardous Substances Directive” in electrical and electronic equipment.
RoHS Compliant
2SK3878 Applications
Low drain-source ON resistance: RDS (ON) = 1.0 Ω (typ.)
High forward transfer admittance : ⎪Yfs⎪ = 7.0 S (typ.)
Low leakage current: IDSS = 100 μA (max) (VDS = 720 V)
Enhancement model: Vth = 2.0~4.0 V (VDS = 10 V, ID = 1 mA)
2SK3878 Equivalents
2SK3757 , 2SK3766 , 2SK3767 , 2SK3798 , 2SK3799 , 2SK3842 , 2SK3843 , 2SK3845 , 2SK4106 , 2SK3880 , 2SK3940 , 2SK4003 , 2SK4013 , 2SK4014 , 2SK4017 , 2SK4023 , 2SK4026
2SK3878 Package

2SK3878 Package
2SK3878 Manufacturer
Toshiba is a world leader and innovator in pioneering high technology, a diversified manufacturer and marketer of advanced electronic and electrical products spanning information & communications systems; digital consumer products; electronic devices and components; power systems, including nuclear energy; industrial and social infrastructure systems; and home appliances. Toshiba was founded in 1875, and today operates a global network of more than 740 companies, with 204,000 employees worldwide and annual sales surpassing 6.3 trillion yen (US$68 billion).
What is the breakdown voltage rating of a three-terminal silicon device?
900V
What is 2SK3878?
2SK3878 is a three-terminal silicon device.
What is 2SK3878 used for?
It is designed for use in switched-mode power supplies.
IRFB7545PBF Power MOSFET: IRFB7545PBF MOSFET Equivalent, Datasheet, Pinout14 January 202212535
MC33164 Micropower Undervoltage Sensing Circuit: Pinout, Features and Datasheet29 March 20221022
Unraveling the XMC4700 / XMC4800 Microcontroller Series: A Comprehensive Data Sheet Analysis29 February 2024800
MPM-10-24 vs MPM-15-12: A Detailed Comparison27 May 2025340
LM2902DG Op-Amp: Pinout, Equivalent and Datasheet06 December 20212791
2N3055 NPN Power Transistor: Datasheet, Pinout and Specifications17 May 20219379
CR2032 Battery: Benefits, Pinout and Datasheet05 August 202134385
A Comprehensive Guide to LTC6560HUD#TRPBF Transimpedance Amplifier06 March 2024148
How to treat 5G?23 October 20212285
Power Transformer Basics and Operation Cautions16 October 20205343
When Designing a Power Supply, How to Consider the Selection of Topology?07 March 20223874
Why are TWS Earbuds so Popular?17 July 20216388
How to Pick the Perfect Boost Converter for Your Needs07 June 2025975
Switching Diodes Basics: Working, Types and Circuit Analysis24 October 202541191
Understanding the Low Noise Amplifier (LNA)20 March 202522572
Understanding the Flight Sensing Modules of Drones06 September 20211716
TOSHIBA
In Stock: 1
United States
China
Canada
Japan
Russia
Germany
United Kingdom
Singapore
Italy
Hong Kong(China)
Taiwan(China)
France
Korea
Mexico
Netherlands
Malaysia
Austria
Spain
Switzerland
Poland
Thailand
Vietnam
India
United Arab Emirates
Afghanistan
Åland Islands
Albania
Algeria
American Samoa
Andorra
Angola
Anguilla
Antigua & Barbuda
Argentina
Armenia
Aruba
Australia
Azerbaijan
Bahamas
Bahrain
Bangladesh
Barbados
Belarus
Belgium
Belize
Benin
Bermuda
Bhutan
Bolivia
Bonaire, Sint Eustatius and Saba
Bosnia & Herzegovina
Botswana
Brazil
British Indian Ocean Territory
British Virgin Islands
Brunei
Bulgaria
Burkina Faso
Burundi
Cabo Verde
Cambodia
Cameroon
Cayman Islands
Central African Republic
Chad
Chile
Christmas Island
Cocos (Keeling) Islands
Colombia
Comoros
Congo
Congo (DRC)
Cook Islands
Costa Rica
Côte d’Ivoire
Croatia
Cuba
Curaçao
Cyprus
Czechia
Denmark
Djibouti
Dominica
Dominican Republic
Ecuador
Egypt
El Salvador
Equatorial Guinea
Eritrea
Estonia
Eswatini
Ethiopia
Falkland Islands
Faroe Islands
Fiji
Finland
French Guiana
French Polynesia
Gabon
Gambia
Georgia
Ghana
Gibraltar
Greece
Greenland
Grenada
Guadeloupe
Guam
Guatemala
Guernsey
Guinea
Guinea-Bissau
Guyana
Haiti
Honduras
Hungary
Iceland
Indonesia
Iran
Iraq
Ireland
Isle of Man
Israel
Jamaica
Jersey
Jordan
Kazakhstan
Kenya
Kiribati
Kosovo
Kuwait
Kyrgyzstan
Laos
Latvia
Lebanon
Lesotho
Liberia
Libya
Liechtenstein
Lithuania
Luxembourg
Macao(China)
Madagascar
Malawi
Maldives
Mali
Malta
Marshall Islands
Martinique
Mauritania
Mauritius
Mayotte
Micronesia
Moldova
Monaco
Mongolia
Montenegro
Montserrat
Morocco
Mozambique
Myanmar
Namibia
Nauru
Nepal
New Caledonia
New Zealand
Nicaragua
Niger
Nigeria
Niue
Norfolk Island
North Korea
North Macedonia
Northern Mariana Islands
Norway
Oman
Pakistan
Palau
Palestinian Authority
Panama
Papua New Guinea
Paraguay
Peru
Philippines
Pitcairn Islands
Portugal
Puerto Rico
Qatar
Réunion
Romania
Rwanda
Samoa
San Marino
São Tomé & Príncipe
Saudi Arabia
Senegal
Serbia
Seychelles
Sierra Leone
Sint Maarten
Slovakia
Slovenia
Solomon Islands
Somalia
South Africa
South Sudan
Sri Lanka
St Helena, Ascension, Tristan da Cunha
St. Barthélemy
St. Kitts & Nevis
St. Lucia
St. Martin
St. Pierre & Miquelon
St. Vincent & Grenadines
Sudan
Suriname
Svalbard & Jan Mayen
Sweden
Syria
Tajikistan
Tanzania
Timor-Leste
Togo
Tokelau
Tonga
Trinidad & Tobago
Tunisia
Turkey
Turkmenistan
Turks & Caicos Islands
Tuvalu
U.S. Outlying Islands
U.S. Virgin Islands
Uganda
Ukraine
Uruguay
Uzbekistan
Vanuatu
Vatican City
Venezuela
Wallis & Futuna
Yemen
Zambia
Zimbabwe


Product
Brand
Articles
Tools
