BMA150 Acceleration Sensor: Pinout, Features and Specification
ACCELEROMETER 2-8G I2C/SPI 12LGA
The BMA150 is a consumer-market-oriented triaxial low-g acceleration sensor IC with digital performance. It has the ability to calculate acceleration in perpendicular axes as well as absolute temperature.
![http://thomaspfeifer.net/quadrocopter... [BMA150 i2c Acceleration Sensor avr pitch tilt roll avr accelerometer beschleunigungssensor]](https://i.ytimg.com/vi/73kXujmWJ94/hq720.jpg?sqp=-oaymwEcCOgCEMoBSFXyq4qpAw4IARUAAIhCGAFwAcABBg==&rs=AOn4CLAwWvfd3AkbnTqA9rNnPGxyn4_iWA)
3-Axis Accelerometer sensor test (BMA150)
BMA150 Description
The BMA150 is a consumer-market-oriented triaxial low-g acceleration sensor IC with digital performance. It has the ability to calculate acceleration in perpendicular axes as well as absolute temperature.
The performance of a three-channel micromechanical accelerationsensing structure that operates on the differential capacitance principle is converted by an evaluation circuitry. The package and interface have been designed to work with a wide range of hardware. The sensor IC is appealing for mobile applications because of its compact footprint and flat box. In customer-specific applications, the sensor IC can be configured to optimize functionality, efficiency, and power consumption.
In mobile phones, handhelds, computer peripherals, man-machine interfaces, virtual reality features, and game controllers, the BMA150 detects tilt, motion, and shock vibration. The SMB380 triaxial acceleration sensor is available in a 3mm x 3mm x 0.9mm QFN package, and the BMA150 is the LGA package version.
BMA150 Pinout

pinout description of BMA150:

BMA150 Features
Three-axis accelerometer
Temperature output
Small package
LGA package Footprint 3mm x 3mm
height 0.90mm
Digital interface
SPI (4-wire, 3-wire), FC, interrupt pin
Programmable functionality
g-range ±2g/±4g/±8g, bandwidth 25-1500Hz, internal acceleration evaluation for interrupt trigger also enabling stand-alone capability (without use of microcontroller), self-test
Ultra-low power ASIC
Low current consumption, short wake-up time, advanced features for system power management
Eco-friendly
RoHS compliant Halogen-free (part number 0 273 141 043 only)
Specifications
- TypeParameter
- Mount
In electronic components, the term "Mount" typically refers to the method or process of physically attaching or fixing a component onto a circuit board or other electronic device. This can involve soldering, adhesive bonding, or other techniques to secure the component in place. The mounting process is crucial for ensuring proper electrical connections and mechanical stability within the electronic system. Different components may have specific mounting requirements based on their size, shape, and function, and manufacturers provide guidelines for proper mounting procedures to ensure optimal performance and reliability of the electronic device.
Surface Mount - Mounting Type
The "Mounting Type" in electronic components refers to the method used to attach or connect a component to a circuit board or other substrate, such as through-hole, surface-mount, or panel mount.
Surface Mount - Package / Case
refers to the protective housing that encases an electronic component, providing mechanical support, electrical connections, and thermal management.
12-VFLGA - Number of Pins12
- Operating Temperature
The operating temperature is the range of ambient temperature within which a power supply, or any other electrical equipment, operate in. This ranges from a minimum operating temperature, to a peak or maximum operating temperature, outside which, the power supply may fail.
-40°C~85°C TA - Packaging
Semiconductor package is a carrier / shell used to contain and cover one or more semiconductor components or integrated circuits. The material of the shell can be metal, plastic, glass or ceramic.
Tape & Reel (TR) - Published2007
- Part Status
Parts can have many statuses as they progress through the configuration, analysis, review, and approval stages.
Obsolete - Moisture Sensitivity Level (MSL)
Moisture Sensitivity Level (MSL) is a standardized rating that indicates the susceptibility of electronic components, particularly semiconductors, to moisture-induced damage during storage and the soldering process, defining the allowable exposure time to ambient conditions before they require special handling or baking to prevent failures
1 (Unlimited) - TypeDigital
- Voltage - Supply
Voltage - Supply refers to the range of voltage levels that an electronic component or circuit is designed to operate with. It indicates the minimum and maximum supply voltage that can be applied for the device to function properly. Providing supply voltages outside this range can lead to malfunction, damage, or reduced performance. This parameter is critical for ensuring compatibility between different components in a circuit.
2.4V~3.6V - Output Type
The "Output Type" parameter in electronic components refers to the type of signal or data that is produced by the component as an output. This parameter specifies the nature of the output signal, such as analog or digital, and can also include details about the voltage levels, current levels, frequency, and other characteristics of the output signal. Understanding the output type of a component is crucial for ensuring compatibility with other components in a circuit or system, as well as for determining how the output signal can be utilized or processed further. In summary, the output type parameter provides essential information about the nature of the signal that is generated by the electronic component as its output.
I2C, SPI - Bandwidth
In electronic components, "Bandwidth" refers to the range of frequencies over which the component can effectively operate or pass signals without significant loss or distortion. It is a crucial parameter for devices like amplifiers, filters, and communication systems. The bandwidth is typically defined as the difference between the upper and lower frequencies at which the component's performance meets specified criteria, such as a certain level of signal attenuation or distortion. A wider bandwidth indicates that the component can handle a broader range of frequencies, making it more versatile for various applications. Understanding the bandwidth of electronic components is essential for designing and optimizing circuits to ensure proper signal transmission and reception within the desired frequency range.
25Hz ~ 750Hz - Axis
In electronic components, the parameter "Axis" typically refers to the orientation or direction along which a specific characteristic or measurement is being considered. For example, in a sensor or accelerometer, the axis may indicate the direction in which the device is measuring acceleration. In a motor or actuator, the axis may refer to the direction of movement or rotation.Understanding the axis of a component is crucial for proper installation, calibration, and operation. It helps in determining how the component will interact with other parts of a system and how its performance can be optimized. Different components may have multiple axes to consider, especially in complex systems where movement or measurements occur in multiple directions.Overall, the axis parameter provides important information about the spatial orientation or directionality of an electronic component, guiding engineers and technicians in effectively utilizing the component within a larger system.
X, Y, Z - Acceleration Range
The "Acceleration Range" parameter in electronic components refers to the range of acceleration levels that the component can withstand without experiencing damage or malfunction. This parameter is particularly important for components that are used in applications where they may be subjected to varying levels of acceleration, such as in automotive or aerospace systems. The acceleration range is typically specified in units of gravity (g) and indicates the maximum and minimum levels of acceleration that the component can tolerate while still operating within its specified performance limits. It is crucial to consider the acceleration range when selecting components for applications where acceleration levels may vary significantly to ensure reliable and safe operation.
±2g, 4g, 8g - Sensitivity (mV/G)
The parameter "Sensitivity (mV/G)" in electronic components refers to the ratio of the output voltage of a sensor to the applied mechanical input in terms of acceleration or force, typically measured in millivolts per unit of gravitational force (G). This parameter indicates how effectively the sensor converts mechanical input into electrical output signals. A higher sensitivity value means that the sensor can detect smaller changes in the input and produce a larger output signal, making it more responsive and accurate in measuring the applied force or acceleration. Understanding the sensitivity of a sensor is crucial for selecting the appropriate component for specific applications where precise measurements are required.
256 (±2g) ~ 64 (±8g) - Features
In the context of electronic components, the term "Features" typically refers to the specific characteristics or functionalities that a particular component offers. These features can vary depending on the type of component and its intended use. For example, a microcontroller may have features such as built-in memory, analog-to-digital converters, and communication interfaces like UART or SPI.When evaluating electronic components, understanding their features is crucial in determining whether they meet the requirements of a particular project or application. Engineers and designers often look at features such as operating voltage, speed, power consumption, and communication protocols to ensure compatibility and optimal performance.In summary, the "Features" parameter in electronic components describes the unique attributes and capabilities that differentiate one component from another, helping users make informed decisions when selecting components for their electronic designs.
Sleep Mode, Temperature Sensor - RoHS Status
RoHS means “Restriction of Certain Hazardous Substances” in the “Hazardous Substances Directive” in electrical and electronic equipment.
RoHS Compliant
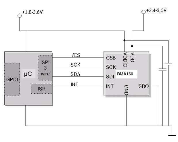
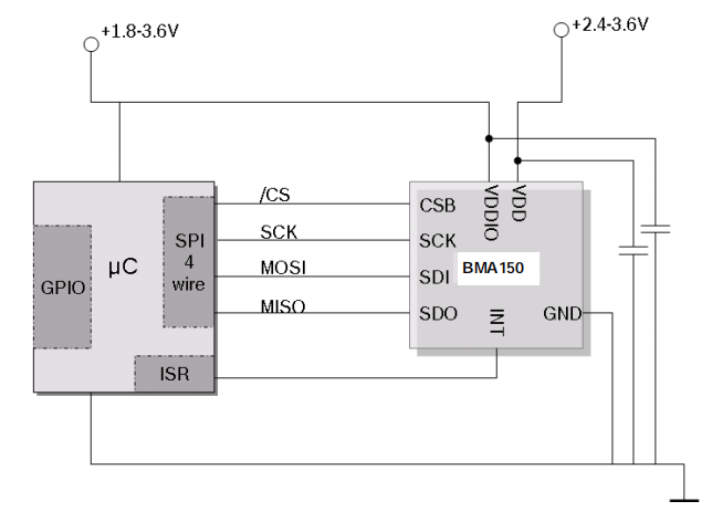
How to Use BMA150
Connection diagram for use with 3-wire SPI interface:

Connection diagram for use with 4-wire SPI interface:

Connection diagram for use with I²C interface:

Connection diagram for standalone use without microcontroller:

BMA150 Applications
HDD protection
Menu scrolling, tap sensing function
Gaming
Pedometer/step-counting
Drop detection for warranty logging
Display profile switching
Advanced system power management for mobile applications
Shock detection
BMA150 Package
The BMA150 is packaged in a 3mm x 3mm x 0.9mm LGA package following JEDEC MO-229.
Basic outline geometry is based on:
Mold package footprint: 3mm x 3mm (tolerance ±0.1mm)
Height: 0.9mm
No. of leads: 12
- 8 used for electrical connection
- 2 not used / reserved
- 2 additional metal features on front edges without electrical functionality (not available on first engineering samples)
Lead pitch: 0.5mm
Top, bottom and side views of the 3mm x 3mm x 0.9mm LGA package outline drawing (dimensions in mm):

Notes:
1) The vertical bar on the left-hand side of the marking on top of the package is just optional.
2) For the halogen-free version of BMA150 (order code 0 273 141 043) the number on top of the package marking is “043” instead of “028”.
BMA150 Functions
The BMA150 have the following logic functions:
Internal logic functions
The sensor IC can inform the host system about specific conditions (e.g. new data ready flag or acceleration thresholds passed) by setting an interrupt pin high even if interface communication is not taking place. This feature can be used as “freefall indicator”, “wake-up” or “data ready flag” for instance.
The interrupt performance can be programmed by means of control bits. Thus the criteria to identify a special event can be tailored to a customer’s application and the sensor IC output can be defined specifically.
Freefall logic
For freefall detection the absolute value of the acceleration data of all axes are investigated (global criteria). A freefall situation is likely to occur when all axes fall below a lower threshold value (“LG_thres”). The interrupt pin will be raised high if the threshold is passed for a minimum duration. The duration time can be programmed in units of ms (max. 255ms). The function “Freefall Interrupt” can be switched on/off by a control bit which is located within the image of the non-volatile memory. Thus this functionality can be stored as default setting of the sensor IC (EEPROM) but can also rapidly be changed within the image. The reset of the freefall interrupt can be accomplished by means of a master reset of the interrupt flag (latched interrupt) or the reset can be triggered by the acceleration signal itself
(validation of a programmable “hysteresis”).
High-g logic
For indicating high-g events an upper threshold can be programmed. This logic can also be activated by a control bit. Threshold, duration and reset behaviour can be programmed. The high-g and freefall criteria can be logically combined with an <OR>.
Any motion detection
The “any motion algorithm” can be used to detect changes of the acceleration. Thus it provides a relative evaluation of the acceleration signals. The criterion is kind of a gradient threshold of the acceleration over time. Thus one can distinguish between fast events with strong inertial dynamic (e.g. shock), instant changes of force balance (e.g. drop, tumbling) and even slight changes (e.g. touch of a mobile device). Due to a high bandwidth and a fast response MEMS device the BMA150 is capable to detect shock situations. The “any motion interrupt’ or a high-g criterion setting can be used to give a shock alert. The phase shift between onset of mechanical shock and interrupt output is defined
by the mechanical transfer function of the chassis and internal mounting interfaces (e.g. PDA shell) and the data output rate of the sensor IC (currently 330psec, lOOpsec under consideration).
Alert Mode
Using the BMA150 it is possible to combine the “any motion criterion” with low-g and high-g interrupt logic to improve the reaction time for e.g. free-fall identification.
Trend Analysis
What is acceleration sensor?
Accelerometer sensors are ICs that measure acceleration, which is the change in speed (velocity) per unit time. Measuring acceleration makes it possible to obtain information such as object inclination and vibration. Other units include Gal (CGS) used to measure seismic acceleration.
How does an acceleration sensor work?
An accelerometer is a device that measures the vibration, or acceleration of motion of a structure. The force caused by vibration or a change in motion (acceleration) causes the mass to "squeeze" the piezoelectric material which produces an electrical charge that is proportional to the force exerted upon it.
What is the use of accelerometer sensor in mobile phones?
Accelerometers in mobile phones are used to detect the orientation of the phone. The gyroscope, or gyro for short, adds an additional dimension to the information supplied by the accelerometer by tracking rotation or twist.
ISO124 Isolation Amplifiers:Pinout, Price and Datasheet PDF28 June 20216086
dsPIC33FJ32MC202/204 and dsPIC33FJ16MC304: A Comprehensive Analysis29 February 2024128
H11L1 Trigger Photocoupler: Pinout, Datasheet and Circuit14 July 20218597
PC817 Optoisolators Transistor Photovoltaic 4DIP[Video]: Pinout, Datasheet, and Equivalents24 March 20223940
A Comprehensive Guide to LTC6605IDJC-7#TRPBF Active Filter Interface06 March 2024117
2SA1941 PNP Bipolar Transistor: 10 A, 140 V, 3-Pin TO-3PN, 2SA1941 Equivalents17 January 20228504
INA126P Precision Instrumentation Amplifier: Application, Feature and Datasheet16 August 20243920
LM340 Voltage Regulator: Datasheet, Pinout and Circuit28 September 20216777
Detailed Explanation About Twenty Kinds of Capacitor08 November 20218285
Applications of FPGAs in Artificial Intelligence: A Comprehensive Guide29 August 20252835
What is UWB (Ultra-wideband)?04 June 20216455
CCTC Authorized Distributor | UTMEL Electronics22 February 20255418
The Complete Guide to DC-DC Converters24 May 20251515
DIP Switch: Introduction and Classification20 January 202112847
What is a Baseband Processor?11 November 20217673
Introduction to Lead Acid Battery: Construction, Working Principle and Types04 March 20219495
Bosch Sensortec
In Stock
United States
China
Canada
Japan
Russia
Germany
United Kingdom
Singapore
Italy
Hong Kong(China)
Taiwan(China)
France
Korea
Mexico
Netherlands
Malaysia
Austria
Spain
Switzerland
Poland
Thailand
Vietnam
India
United Arab Emirates
Afghanistan
Åland Islands
Albania
Algeria
American Samoa
Andorra
Angola
Anguilla
Antigua & Barbuda
Argentina
Armenia
Aruba
Australia
Azerbaijan
Bahamas
Bahrain
Bangladesh
Barbados
Belarus
Belgium
Belize
Benin
Bermuda
Bhutan
Bolivia
Bonaire, Sint Eustatius and Saba
Bosnia & Herzegovina
Botswana
Brazil
British Indian Ocean Territory
British Virgin Islands
Brunei
Bulgaria
Burkina Faso
Burundi
Cabo Verde
Cambodia
Cameroon
Cayman Islands
Central African Republic
Chad
Chile
Christmas Island
Cocos (Keeling) Islands
Colombia
Comoros
Congo
Congo (DRC)
Cook Islands
Costa Rica
Côte d’Ivoire
Croatia
Cuba
Curaçao
Cyprus
Czechia
Denmark
Djibouti
Dominica
Dominican Republic
Ecuador
Egypt
El Salvador
Equatorial Guinea
Eritrea
Estonia
Eswatini
Ethiopia
Falkland Islands
Faroe Islands
Fiji
Finland
French Guiana
French Polynesia
Gabon
Gambia
Georgia
Ghana
Gibraltar
Greece
Greenland
Grenada
Guadeloupe
Guam
Guatemala
Guernsey
Guinea
Guinea-Bissau
Guyana
Haiti
Honduras
Hungary
Iceland
Indonesia
Iran
Iraq
Ireland
Isle of Man
Israel
Jamaica
Jersey
Jordan
Kazakhstan
Kenya
Kiribati
Kosovo
Kuwait
Kyrgyzstan
Laos
Latvia
Lebanon
Lesotho
Liberia
Libya
Liechtenstein
Lithuania
Luxembourg
Macao(China)
Madagascar
Malawi
Maldives
Mali
Malta
Marshall Islands
Martinique
Mauritania
Mauritius
Mayotte
Micronesia
Moldova
Monaco
Mongolia
Montenegro
Montserrat
Morocco
Mozambique
Myanmar
Namibia
Nauru
Nepal
New Caledonia
New Zealand
Nicaragua
Niger
Nigeria
Niue
Norfolk Island
North Korea
North Macedonia
Northern Mariana Islands
Norway
Oman
Pakistan
Palau
Palestinian Authority
Panama
Papua New Guinea
Paraguay
Peru
Philippines
Pitcairn Islands
Portugal
Puerto Rico
Qatar
Réunion
Romania
Rwanda
Samoa
San Marino
São Tomé & Príncipe
Saudi Arabia
Senegal
Serbia
Seychelles
Sierra Leone
Sint Maarten
Slovakia
Slovenia
Solomon Islands
Somalia
South Africa
South Sudan
Sri Lanka
St Helena, Ascension, Tristan da Cunha
St. Barthélemy
St. Kitts & Nevis
St. Lucia
St. Martin
St. Pierre & Miquelon
St. Vincent & Grenadines
Sudan
Suriname
Svalbard & Jan Mayen
Sweden
Syria
Tajikistan
Tanzania
Timor-Leste
Togo
Tokelau
Tonga
Trinidad & Tobago
Tunisia
Turkey
Turkmenistan
Turks & Caicos Islands
Tuvalu
U.S. Outlying Islands
U.S. Virgin Islands
Uganda
Ukraine
Uruguay
Uzbekistan
Vanuatu
Vatican City
Venezuela
Wallis & Futuna
Yemen
Zambia
Zimbabwe


















