A1203LLHLT-T Bipolar Switch:Pinout, Datasheet, Function
Open Drain 3.8V~24V -40°C~150°C TA Latch North Pole, South Pole 9.5mT Trip, -9.5mT Release Matte Tin (Sn) SOT-23W









Open Drain 3.8V~24V -40°C~150°C TA Latch North Pole, South Pole 9.5mT Trip, -9.5mT Release Matte Tin (Sn) SOT-23W
The A1203LLHLT-T comes from Continuous-Time Bipolar Switch Family. Then, this article covers more detailed information about A1203LLHLT-T.
A1203LLHLT-T Pinout

Pinout
A1203LLHLT-T CAD Model
Symbol

Symbol
Footprint

Footprint
A1203LLHLT-T Description
The A1203LLHLT-T comes from Continuous-Time Bipolar Switch A120x Family.
The Allegro™ A1202 and A1203 Hall-effect bipolar switches are next-generation replacements and extensions of the popular Allegro A3133 and A3132 bipolar switch product line. Overall, the A120x family, produced with BiCMOS technology, consists of continuous-time devices that feature fast power-on time and low-noise operation.
Specifications
- TypeParameter
- Factory Lead Time8 Weeks
- Mount
In electronic components, the term "Mount" typically refers to the method or process of physically attaching or fixing a component onto a circuit board or other electronic device. This can involve soldering, adhesive bonding, or other techniques to secure the component in place. The mounting process is crucial for ensuring proper electrical connections and mechanical stability within the electronic system. Different components may have specific mounting requirements based on their size, shape, and function, and manufacturers provide guidelines for proper mounting procedures to ensure optimal performance and reliability of the electronic device.
Surface Mount - Mounting Type
The "Mounting Type" in electronic components refers to the method used to attach or connect a component to a circuit board or other substrate, such as through-hole, surface-mount, or panel mount.
Surface Mount - Package / Case
refers to the protective housing that encases an electronic component, providing mechanical support, electrical connections, and thermal management.
SOT-23W - Number of Pins3
- Test Conditions-40°C ~ 150°C
- Usage LevelAutomotive grade
- Operating Temperature
The operating temperature is the range of ambient temperature within which a power supply, or any other electrical equipment, operate in. This ranges from a minimum operating temperature, to a peak or maximum operating temperature, outside which, the power supply may fail.
-40°C~150°C TA - Packaging
Semiconductor package is a carrier / shell used to contain and cover one or more semiconductor components or integrated circuits. The material of the shell can be metal, plastic, glass or ceramic.
Tape & Reel (TR) - Published2006
- JESD-609 Code
The "JESD-609 Code" in electronic components refers to a standardized marking code that indicates the lead-free solder composition and finish of electronic components for compliance with environmental regulations.
e3 - Pbfree Code
The "Pbfree Code" parameter in electronic components refers to the code or marking used to indicate that the component is lead-free. Lead (Pb) is a toxic substance that has been widely used in electronic components for many years, but due to environmental concerns, there has been a shift towards lead-free alternatives. The Pbfree Code helps manufacturers and users easily identify components that do not contain lead, ensuring compliance with regulations and promoting environmentally friendly practices. It is important to pay attention to the Pbfree Code when selecting electronic components to ensure they meet the necessary requirements for lead-free applications.
yes - Part Status
Parts can have many statuses as they progress through the configuration, analysis, review, and approval stages.
Active - Moisture Sensitivity Level (MSL)
Moisture Sensitivity Level (MSL) is a standardized rating that indicates the susceptibility of electronic components, particularly semiconductors, to moisture-induced damage during storage and the soldering process, defining the allowable exposure time to ambient conditions before they require special handling or baking to prevent failures
1 (Unlimited) - Number of Terminations3
- TypeBipolar Switch
- Terminal Finish
Terminal Finish refers to the surface treatment applied to the terminals or leads of electronic components to enhance their performance and longevity. It can improve solderability, corrosion resistance, and overall reliability of the connection in electronic assemblies. Common finishes include nickel, gold, and tin, each possessing distinct properties suitable for various applications. The choice of terminal finish can significantly impact the durability and effectiveness of electronic devices.
Matte Tin (Sn) - Voltage - Supply
Voltage - Supply refers to the range of voltage levels that an electronic component or circuit is designed to operate with. It indicates the minimum and maximum supply voltage that can be applied for the device to function properly. Providing supply voltages outside this range can lead to malfunction, damage, or reduced performance. This parameter is critical for ensuring compatibility between different components in a circuit.
3.8V~24V - Terminal Position
In electronic components, the term "Terminal Position" refers to the physical location of the connection points on the component where external electrical connections can be made. These connection points, known as terminals, are typically used to attach wires, leads, or other components to the main body of the electronic component. The terminal position is important for ensuring proper connectivity and functionality of the component within a circuit. It is often specified in technical datasheets or component specifications to help designers and engineers understand how to properly integrate the component into their circuit designs.
DUAL - Terminal Form
Occurring at or forming the end of a series, succession, or the like; closing; concluding.
GULL WING - Peak Reflow Temperature (Cel)
Peak Reflow Temperature (Cel) is a parameter that specifies the maximum temperature at which an electronic component can be exposed during the reflow soldering process. Reflow soldering is a common method used to attach electronic components to a circuit board. The Peak Reflow Temperature is crucial because it ensures that the component is not damaged or degraded during the soldering process. Exceeding the specified Peak Reflow Temperature can lead to issues such as component failure, reduced performance, or even permanent damage to the component. It is important for manufacturers and assemblers to adhere to the recommended Peak Reflow Temperature to ensure the reliability and functionality of the electronic components.
260 - Supply Voltage
Supply voltage refers to the electrical potential difference provided to an electronic component or circuit. It is crucial for the proper operation of devices, as it powers their functions and determines performance characteristics. The supply voltage must be within specified limits to ensure reliability and prevent damage to components. Different electronic devices have specific supply voltage requirements, which can vary widely depending on their design and intended application.
12V - Terminal Pitch
The center distance from one pole to the next.
0.95mm - Time@Peak Reflow Temperature-Max (s)
Time@Peak Reflow Temperature-Max (s) refers to the maximum duration that an electronic component can be exposed to the peak reflow temperature during the soldering process, which is crucial for ensuring reliable solder joint formation without damaging the component.
40 - Function
The parameter "Function" in electronic components refers to the specific role or purpose that the component serves within an electronic circuit. It defines how the component interacts with other elements, influences the flow of electrical signals, and contributes to the overall behavior of the system. Functions can include amplification, signal processing, switching, filtering, and energy storage, among others. Understanding the function of each component is essential for designing effective and efficient electronic systems.
Latch - Qualification Status
An indicator of formal certification of qualifications.
Not Qualified - Output Type
The "Output Type" parameter in electronic components refers to the type of signal or data that is produced by the component as an output. This parameter specifies the nature of the output signal, such as analog or digital, and can also include details about the voltage levels, current levels, frequency, and other characteristics of the output signal. Understanding the output type of a component is crucial for ensuring compatibility with other components in a circuit or system, as well as for determining how the output signal can be utilized or processed further. In summary, the output type parameter provides essential information about the nature of the signal that is generated by the electronic component as its output.
Open Drain - Max Output Current
The maximum current that can be supplied to the load.
25mA - Supply Voltage-Max (Vsup)
The parameter "Supply Voltage-Max (Vsup)" in electronic components refers to the maximum voltage that can be safely applied to the component without causing damage. It is an important specification to consider when designing or using electronic circuits to ensure the component operates within its safe operating limits. Exceeding the maximum supply voltage can lead to overheating, component failure, or even permanent damage. It is crucial to adhere to the specified maximum supply voltage to ensure the reliable and safe operation of the electronic component.
24V - Operating Supply Current
Operating Supply Current, also known as supply current or quiescent current, is a crucial parameter in electronic components that indicates the amount of current required for the device to operate under normal conditions. It represents the current drawn by the component from the power supply while it is functioning. This parameter is important for determining the power consumption of the component and is typically specified in datasheets to help designers calculate the overall power requirements of their circuits. Understanding the operating supply current is essential for ensuring proper functionality and efficiency of electronic systems.
7.5mA - Polarization
In electronic components, polarization refers to the orientation or alignment of certain properties within the component. This property can affect the behavior and performance of the component in a circuit. For example, in capacitors, polarization refers to the alignment of the electric field within the dielectric material. Polarized capacitors, such as electrolytic capacitors, have a specific orientation for proper functioning. In other components like diodes, polarization refers to the direction of current flow, which is important for their correct operation. Understanding polarization is crucial for proper usage and integration of electronic components in circuits.
North Pole, South Pole - Output Current
The rated output current is the maximum load current that a power supply can provide at a specified ambient temperature. A power supply can never provide more current that it's rated output current unless there is a fault, such as short circuit at the load.
25mA - Max Supply Current
Max Supply Current refers to the maximum amount of electrical current that a component can draw from its power supply under normal operating conditions. It is a critical parameter that ensures the component operates reliably without exceeding its thermal limits or damaging internal circuitry. Exceeding this current can lead to overheating, performance degradation, or failure of the component. Understanding this parameter is essential for designing circuits that provide adequate power while avoiding overload situations.
7.5mA - Screening Level
In electronic components, the term "Screening Level" refers to the level of testing and inspection that a component undergoes to ensure its reliability and performance. This process involves subjecting the component to various tests, such as temperature cycling, burn-in, and electrical testing, to identify any defects or weaknesses that could affect its functionality. The screening level is typically determined based on the application requirements and the criticality of the component in the system. Components that undergo higher screening levels are generally more reliable but may also be more expensive. Overall, the screening level helps to ensure that electronic components meet the necessary quality standards for their intended use.
AEC-Q100 - Sensing Range
The sensing range of position sensors is the displacement between the sensing face of the sensor and the approaching measurement object that triggers a signal change in the sensor.
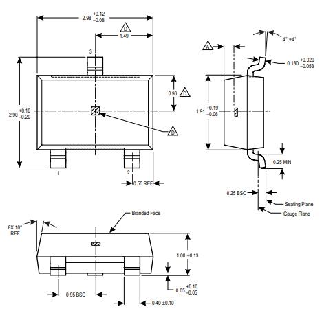
9.5mT Trip, -9.5mT Release - Length2.98mm
- Width1.91mm
- REACH SVHC
The parameter "REACH SVHC" in electronic components refers to the compliance with the Registration, Evaluation, Authorization, and Restriction of Chemicals (REACH) regulation regarding Substances of Very High Concern (SVHC). SVHCs are substances that may have serious effects on human health or the environment, and their use is regulated under REACH to ensure their safe handling and minimize their impact.Manufacturers of electronic components need to declare if their products contain any SVHCs above a certain threshold concentration and provide information on the safe use of these substances. This information allows customers to make informed decisions about the potential risks associated with using the components and take appropriate measures to mitigate any hazards.Ensuring compliance with REACH SVHC requirements is essential for electronics manufacturers to meet regulatory standards, protect human health and the environment, and maintain transparency in their supply chain. It also demonstrates a commitment to sustainability and responsible manufacturing practices in the electronics industry.
No SVHC - RoHS Status
RoHS means “Restriction of Certain Hazardous Substances” in the “Hazardous Substances Directive” in electrical and electronic equipment.
ROHS3 Compliant - Lead Free
Lead Free is a term used to describe electronic components that do not contain lead as part of their composition. Lead is a toxic material that can have harmful effects on human health and the environment, so the electronics industry has been moving towards lead-free components to reduce these risks. Lead-free components are typically made using alternative materials such as silver, copper, and tin. Manufacturers must comply with regulations such as the Restriction of Hazardous Substances (RoHS) directive to ensure that their products are lead-free and environmentally friendly.
Lead Free
Parts with Similar Specs
- ImagePart NumberManufacturerPackage / CaseNumber of PinsMax Output CurrentOutput CurrentOperating Supply CurrentSupply VoltageOperating TemperatureNumber of TerminationsView Compare
A1203LLHLT-T
SOT-23W
3
25 mA
25 mA
7.5 mA
12 V
-40°C ~ 150°C (TA)
3
SOT-23W
3
25 mA
25 mA
7.5 mA
12 V
-40°C ~ 150°C (TA)
3
TO-236-3, SC-59, SOT-23-3
3
20 mA
20 mA
9 mA
5 V
-40°C ~ 150°C (TA)
3
SOT-23W
3
25 mA
20 mA
7.5 mA
12 V
-40°C ~ 150°C (TA)
3
SOT-23W
3
25 mA
25 mA
7.5 mA
12 V
-40°C ~ 150°C (TA)
3
A1203LLHLT-T Features
• AEC-Q100 automotive qualified
• Continuous-time operation
□ Fast power-on time
□ Low noise
• Stable operation over the full operating temperature range
• Reverse-battery protection
• Solid-state reliability
• Factory-programmed at end-of-line for optimum performance
• Robust EMC performance
• High ESD rating
• Regulator stability without a bypass capacitor
A1203LLHLT-T Function Description
Bipolar Device Switching
The devices of the A120x family provide highly sensitive switching for applications using magnetic fields of alternating polarities, such as ring magnets. There are three switching modes for bipolar devices, referred to as latch, unipolar switch, and negative switch. Mode is determined by the switch point characteristics of the individual device. The characteristic hysteresis, BHYS, of the device, is the difference in the relative magnetic strength and polarity of the switch points of the device.
Continuous-Time Benefits
Continuous-time devices, such as the A120x family, offer the fastest available power-on settling time and frequency response. Due to offsets generated during the IC packaging process, continuous-time devices typically require programming after packaging to tighten magnetic parameter distributions.
Additional Application Information
Extensive applications information for Hall-effect devices is available in:
• Hall-Effect IC Applications Guide, Application Note 27701
• Hall-Effect Devices: Gluing, Potting, Encapsulating, Lead Welding and Lead Forming, Application Note 27703.1
• Soldering Methods for Allegro’s Products – SMT and ThroughHole, Application Note 26009
A1203LLHLT-T Functional Block Diagram

A1203LLHLT-T Package

Package
A1203LLHLT-T Manufacturer
As a leading company in the development, manufacture and market of high-performance semiconductors, Allegro Micro Systems, LLC provides high-growth applications for the automotive market and also stays focus on consumer/communications, automation and industrial solutions. Headquartered in Worcester, Massachusetts (USA) Allegro locates its design, applications and sales support centres worldwide.
Datasheet PDF
- Datasheets :
Popularity by Region
What type is A1203LLHLT-T?
The A1203LLHLT-T is Bipolar Switch.
What package is the A1203LLHLT-T available in?
It is available in the SOT-23W package.
What is the operating temperature of A1203LLHLT-T?
The operating temperature of A1203LLHLT-T is -40°C ~ 150°C (TA).
What chips does the A120x Hall-effect bipolar switches include?
The A120x Hall-effect bipolar switches include the following on a single silicon chip: voltage regulator, Hall voltage generator, small-signal amplifier, Schmitt trigger, and NMOS output transistor.
CC2640R2FRGZR:Wireless Microcontroller, Bluetooth® 5.1 Low Energy, CC2640R2F VS. CC2640R2L03 March 20222427
LTC6991IDCB#TRPBF Programmable Timer and Oscillator: A Versatile Timing Solution06 March 2024336
TTA1943 VS. 2SA1943 How to Differentiate?27 June 20226965
STM32F103C6T6 Microcontroller: 72MHz, 48-LQFP, Pinout and Datasheet18 February 20227996
TPS7A33: Regulator, Pinout, Circuit30 March 20222096
A Comprehensive Guide to LTC6943IGN#PBF PMIC Voltage Regulator06 March 2024242
AD600: Datasheet, Pinout, and Ultrasound Imaging Guide27 January 2026143
L7805CV Voltage Regulator: L7805CV Pinout, Datasheet and Features07 July 202141428
Ultimate Guide to KVM Switches: Definition, Usage, and 2025 Trends18 December 202510593
Organic Semiconductor Market Set to Reach USD 843.62 Billion by 2032, Driven by Rising Demand for Flexible Electronics05 October 20232495
Nearly 60% of the Industry Believes That the Chip Shortage Will Be Solved in 2023 at the Earliest21 April 2022927
How to Design an Accurate DC Power Supply15 October 20255233
Utmel Christmas and New Year Carnival07 December 20204052
Inductor Basics: Structure, Parameters, and Measurement24 October 202516174
What is Solid-state Battery08 March 20216069
What is a Tactile Sensor?21 October 20213897
Allegro MicroSystems
In Stock: 625
United States
China
Canada
Japan
Russia
Germany
United Kingdom
Singapore
Italy
Hong Kong(China)
Taiwan(China)
France
Korea
Mexico
Netherlands
Malaysia
Austria
Spain
Switzerland
Poland
Thailand
Vietnam
India
United Arab Emirates
Afghanistan
Åland Islands
Albania
Algeria
American Samoa
Andorra
Angola
Anguilla
Antigua & Barbuda
Argentina
Armenia
Aruba
Australia
Azerbaijan
Bahamas
Bahrain
Bangladesh
Barbados
Belarus
Belgium
Belize
Benin
Bermuda
Bhutan
Bolivia
Bonaire, Sint Eustatius and Saba
Bosnia & Herzegovina
Botswana
Brazil
British Indian Ocean Territory
British Virgin Islands
Brunei
Bulgaria
Burkina Faso
Burundi
Cabo Verde
Cambodia
Cameroon
Cayman Islands
Central African Republic
Chad
Chile
Christmas Island
Cocos (Keeling) Islands
Colombia
Comoros
Congo
Congo (DRC)
Cook Islands
Costa Rica
Côte d’Ivoire
Croatia
Cuba
Curaçao
Cyprus
Czechia
Denmark
Djibouti
Dominica
Dominican Republic
Ecuador
Egypt
El Salvador
Equatorial Guinea
Eritrea
Estonia
Eswatini
Ethiopia
Falkland Islands
Faroe Islands
Fiji
Finland
French Guiana
French Polynesia
Gabon
Gambia
Georgia
Ghana
Gibraltar
Greece
Greenland
Grenada
Guadeloupe
Guam
Guatemala
Guernsey
Guinea
Guinea-Bissau
Guyana
Haiti
Honduras
Hungary
Iceland
Indonesia
Iran
Iraq
Ireland
Isle of Man
Israel
Jamaica
Jersey
Jordan
Kazakhstan
Kenya
Kiribati
Kosovo
Kuwait
Kyrgyzstan
Laos
Latvia
Lebanon
Lesotho
Liberia
Libya
Liechtenstein
Lithuania
Luxembourg
Macao(China)
Madagascar
Malawi
Maldives
Mali
Malta
Marshall Islands
Martinique
Mauritania
Mauritius
Mayotte
Micronesia
Moldova
Monaco
Mongolia
Montenegro
Montserrat
Morocco
Mozambique
Myanmar
Namibia
Nauru
Nepal
New Caledonia
New Zealand
Nicaragua
Niger
Nigeria
Niue
Norfolk Island
North Korea
North Macedonia
Northern Mariana Islands
Norway
Oman
Pakistan
Palau
Palestinian Authority
Panama
Papua New Guinea
Paraguay
Peru
Philippines
Pitcairn Islands
Portugal
Puerto Rico
Qatar
Réunion
Romania
Rwanda
Samoa
San Marino
São Tomé & Príncipe
Saudi Arabia
Senegal
Serbia
Seychelles
Sierra Leone
Sint Maarten
Slovakia
Slovenia
Solomon Islands
Somalia
South Africa
South Sudan
Sri Lanka
St Helena, Ascension, Tristan da Cunha
St. Barthélemy
St. Kitts & Nevis
St. Lucia
St. Martin
St. Pierre & Miquelon
St. Vincent & Grenadines
Sudan
Suriname
Svalbard & Jan Mayen
Sweden
Syria
Tajikistan
Tanzania
Timor-Leste
Togo
Tokelau
Tonga
Trinidad & Tobago
Tunisia
Turkey
Turkmenistan
Turks & Caicos Islands
Tuvalu
U.S. Outlying Islands
U.S. Virgin Islands
Uganda
Ukraine
Uruguay
Uzbekistan
Vanuatu
Vatican City
Venezuela
Wallis & Futuna
Yemen
Zambia
Zimbabwe


Product
Brand
Articles
Tools



