SN74LVC1G126DCKR Single Bus Buffer Gate: Schematic, Pinout, and Datasheet
DUAL Buffer, Non-Inverting 1.65V~5.5V 3-State Buffers 74LVC Series 74LVC1G126 5 Pins 5-TSSOP, SC-70-5, SOT-353









DUAL Buffer, Non-Inverting 1.65V~5.5V 3-State Buffers 74LVC Series 74LVC1G126 5 Pins 5-TSSOP, SC-70-5, SOT-353
The SN74LVC1G126DCKR single buffer is designed to work with a VCC voltage range of 1.65 to 3.6 volts. This article mainly introduces Schematic, Pinout, Datasheet and other detailed information about Texas Instruments SN74LVC1G126DCKR.

Buffer Gate
- SN74LVC1G126DCKR Description
- SN74LVC1G126DCKR Pinout
- SN74LVC1G126DCKR CAD Model
- SN74LVC1G126DCKR Features
- Specifications
- Parts with Similar Specs
- SN74LVC1G126DCKR Functional Block Diagram
- SN74LVC1G126DCKR Typical Application
- SN74LVC1G126DCKR Simplified Schematic
- SN74LVC1G126DCKR Layout
- SN74LVC1G126DCKR Alternatives
- SN74LVC1G126DCKR Applications
- SN74LVC1G126DCKR Package
- SN74LVC1G126DCKR Manufacturer
- Trend Analysis
- Datasheet PDF
SN74LVC1G126DCKR Description
This single buffer is designed to work with a VCC voltage range of 1.65 to 3.6 volts. The SN74LVC1G126DCKR is a single-line driver having three output states. When the output-enable input is low, the output is disabled.
The SN74LVC1G126DCKR gadget performs the Boolean function Y = A and has a dual buffer gate with output enable control.
This device is completely qualified for Ioff-based partial-power-down applications. When the device is turned off, the Ioff circuitry disables the outputs, preventing dangerous current backflow through the device.
OE should be connected to GND via a pulldown resistor to ensure a high-impedance state during power up or power down; the minimum value of the resistor is specified by the driver's current-sourcing capabilities.
SN74LVC1G126DCKR Pinout
The following figure is SN74LVC1G126DCKR Pinout.

Pinout
| Pin Number | Pin Name | Description |
| 2 | A | A Input |
| 3 | GND | Ground Pin |
| 1 | OE | OE Enable/Input |
| 5 | VCC | Power Pin |
| 4 | Y | Y Output |
SN74LVC1G126DCKR CAD Model
SN74LVC1G126DCKR Features
• Available in the Texas Instruments NanoFree™ Package
• Supports 5-V VCC Operation
• Inputs Accept Voltages to 5.5 V
• Provides Down Translation to VCC
• Max tpd of 3.7 ns at 3.3 V
• Low Power Consumption, 10-μA Max ICC
• ±24-mA Output Drive at 3.3 V
• Ioff Supports Live Insertion, Partial-Power-Down Mode, and Back Drive Protection
• Latch-Up Performance Exceeds 100 mA Per JESD 78, Class II
• ESD Protection Exceeds JESD 22
– 2000-V Human-Body Model
– 200-V Machine Model
– 1000-V Charged-Device Model
Specifications
- TypeParameter
- Lifecycle Status
Lifecycle Status refers to the current stage of an electronic component in its product life cycle, indicating whether it is active, obsolete, or transitioning between these states. An active status means the component is in production and available for purchase. An obsolete status indicates that the component is no longer being manufactured or supported, and manufacturers typically provide a limited time frame for support. Understanding the lifecycle status is crucial for design engineers to ensure continuity and reliability in their projects.
ACTIVE (Last Updated: 5 days ago) - Factory Lead Time6 Weeks
- Mount
In electronic components, the term "Mount" typically refers to the method or process of physically attaching or fixing a component onto a circuit board or other electronic device. This can involve soldering, adhesive bonding, or other techniques to secure the component in place. The mounting process is crucial for ensuring proper electrical connections and mechanical stability within the electronic system. Different components may have specific mounting requirements based on their size, shape, and function, and manufacturers provide guidelines for proper mounting procedures to ensure optimal performance and reliability of the electronic device.
Surface Mount - Mounting Type
The "Mounting Type" in electronic components refers to the method used to attach or connect a component to a circuit board or other substrate, such as through-hole, surface-mount, or panel mount.
Surface Mount - Package / Case
refers to the protective housing that encases an electronic component, providing mechanical support, electrical connections, and thermal management.
5-TSSOP, SC-70-5, SOT-353 - Number of Pins5
- Operating Temperature
The operating temperature is the range of ambient temperature within which a power supply, or any other electrical equipment, operate in. This ranges from a minimum operating temperature, to a peak or maximum operating temperature, outside which, the power supply may fail.
-40°C~125°C TA - Packaging
Semiconductor package is a carrier / shell used to contain and cover one or more semiconductor components or integrated circuits. The material of the shell can be metal, plastic, glass or ceramic.
Tape & Reel (TR) - Series
In electronic components, the "Series" refers to a group of products that share similar characteristics, designs, or functionalities, often produced by the same manufacturer. These components within a series typically have common specifications but may vary in terms of voltage, power, or packaging to meet different application needs. The series name helps identify and differentiate between various product lines within a manufacturer's catalog.
74LVC - JESD-609 Code
The "JESD-609 Code" in electronic components refers to a standardized marking code that indicates the lead-free solder composition and finish of electronic components for compliance with environmental regulations.
e4 - Pbfree Code
The "Pbfree Code" parameter in electronic components refers to the code or marking used to indicate that the component is lead-free. Lead (Pb) is a toxic substance that has been widely used in electronic components for many years, but due to environmental concerns, there has been a shift towards lead-free alternatives. The Pbfree Code helps manufacturers and users easily identify components that do not contain lead, ensuring compliance with regulations and promoting environmentally friendly practices. It is important to pay attention to the Pbfree Code when selecting electronic components to ensure they meet the necessary requirements for lead-free applications.
yes - Part Status
Parts can have many statuses as they progress through the configuration, analysis, review, and approval stages.
Active - Moisture Sensitivity Level (MSL)
Moisture Sensitivity Level (MSL) is a standardized rating that indicates the susceptibility of electronic components, particularly semiconductors, to moisture-induced damage during storage and the soldering process, defining the allowable exposure time to ambient conditions before they require special handling or baking to prevent failures
1 (Unlimited) - Number of Terminations5
- Termination
Termination in electronic components refers to the practice of matching the impedance of a circuit to prevent signal reflections and ensure maximum power transfer. It involves the use of resistors or other components at the end of transmission lines or connections. Proper termination is crucial in high-frequency applications to maintain signal integrity and reduce noise.
SMD/SMT - ECCN Code
An ECCN (Export Control Classification Number) is an alphanumeric code used by the U.S. Bureau of Industry and Security to identify and categorize electronic components and other dual-use items that may require an export license based on their technical characteristics and potential for military use.
EAR99 - Terminal Finish
Terminal Finish refers to the surface treatment applied to the terminals or leads of electronic components to enhance their performance and longevity. It can improve solderability, corrosion resistance, and overall reliability of the connection in electronic assemblies. Common finishes include nickel, gold, and tin, each possessing distinct properties suitable for various applications. The choice of terminal finish can significantly impact the durability and effectiveness of electronic devices.
Nickel/Palladium/Gold (Ni/Pd/Au) - Packing Method
The packing method in electronic components refers to the technique used to package and protect the component during shipping and handling. It encompasses various forms including tape and reel, tray, tube, or bulk packaging, each suited for different types of components and manufacturing processes. The choice of packing method can affect the ease of handling, storage, and the efficiency of assembly in automated processes. Additionally, it plays a crucial role in ensuring the reliability and integrity of the components until they are used in electronic devices.
TR - Voltage - Supply
Voltage - Supply refers to the range of voltage levels that an electronic component or circuit is designed to operate with. It indicates the minimum and maximum supply voltage that can be applied for the device to function properly. Providing supply voltages outside this range can lead to malfunction, damage, or reduced performance. This parameter is critical for ensuring compatibility between different components in a circuit.
1.65V~5.5V - Terminal Position
In electronic components, the term "Terminal Position" refers to the physical location of the connection points on the component where external electrical connections can be made. These connection points, known as terminals, are typically used to attach wires, leads, or other components to the main body of the electronic component. The terminal position is important for ensuring proper connectivity and functionality of the component within a circuit. It is often specified in technical datasheets or component specifications to help designers and engineers understand how to properly integrate the component into their circuit designs.
DUAL - Terminal Form
Occurring at or forming the end of a series, succession, or the like; closing; concluding.
GULL WING - Peak Reflow Temperature (Cel)
Peak Reflow Temperature (Cel) is a parameter that specifies the maximum temperature at which an electronic component can be exposed during the reflow soldering process. Reflow soldering is a common method used to attach electronic components to a circuit board. The Peak Reflow Temperature is crucial because it ensures that the component is not damaged or degraded during the soldering process. Exceeding the specified Peak Reflow Temperature can lead to issues such as component failure, reduced performance, or even permanent damage to the component. It is important for manufacturers and assemblers to adhere to the recommended Peak Reflow Temperature to ensure the reliability and functionality of the electronic components.
260 - Number of Functions1
- Supply Voltage
Supply voltage refers to the electrical potential difference provided to an electronic component or circuit. It is crucial for the proper operation of devices, as it powers their functions and determines performance characteristics. The supply voltage must be within specified limits to ensure reliability and prevent damage to components. Different electronic devices have specific supply voltage requirements, which can vary widely depending on their design and intended application.
3.3V - Frequency
In electronic components, the parameter "Frequency" refers to the rate at which a signal oscillates or cycles within a given period of time. It is typically measured in Hertz (Hz) and represents how many times a signal completes a full cycle in one second. Frequency is a crucial aspect in electronic components as it determines the behavior and performance of various devices such as oscillators, filters, and communication systems. Understanding the frequency characteristics of components is essential for designing and analyzing electronic circuits to ensure proper functionality and compatibility with other components in a system.
100MHz - Base Part Number
The "Base Part Number" (BPN) in electronic components serves a similar purpose to the "Base Product Number." It refers to the primary identifier for a component that captures the essential characteristics shared by a group of similar components. The BPN provides a fundamental way to reference a family or series of components without specifying all the variations and specific details.
74LVC1G126 - Pin Count
a count of all of the component leads (or pins)
5 - Output Type
The "Output Type" parameter in electronic components refers to the type of signal or data that is produced by the component as an output. This parameter specifies the nature of the output signal, such as analog or digital, and can also include details about the voltage levels, current levels, frequency, and other characteristics of the output signal. Understanding the output type of a component is crucial for ensuring compatibility with other components in a circuit or system, as well as for determining how the output signal can be utilized or processed further. In summary, the output type parameter provides essential information about the nature of the signal that is generated by the electronic component as its output.
3-State - Polarity
In electronic components, polarity refers to the orientation or direction in which the component must be connected in a circuit to function properly. Components such as diodes, capacitors, and LEDs have polarity markings to indicate which terminal should be connected to the positive or negative side of the circuit. Connecting a component with incorrect polarity can lead to malfunction or damage. It is important to pay attention to polarity markings and follow the manufacturer's instructions to ensure proper operation of electronic components.
Non-Inverting - Power Supplies
an electronic circuit that converts the voltage of an alternating current (AC) into a direct current (DC) voltage.?
3.3V - Number of Channels1
- Number of Ports
A port is identified for each transport protocol and address combination by a 16-bit unsigned number,.
2 - Nominal Supply Current
Nominal current is the same as the rated current. It is the current drawn by the motor while delivering rated mechanical output at its shaft.
10μA - Number of Bits1
- Propagation Delay
the flight time of packets over the transmission link and is limited by the speed of light.
9 ns - Quiescent Current
The quiescent current is defined as the current level in the amplifier when it is producing an output of zero.
10μA - Turn On Delay Time
Turn-on delay, td(on), is the time taken to charge the input capacitance of the device before drain current conduction can start.
9.8 ns - Family
In electronic components, the parameter "Family" typically refers to a categorization or classification system used to group similar components together based on their characteristics, functions, or applications. This classification helps users easily identify and select components that meet their specific requirements. The "Family" parameter can include various subcategories such as resistors, capacitors, diodes, transistors, integrated circuits, and more. Understanding the "Family" of an electronic component can provide valuable information about its compatibility, performance specifications, and potential uses within a circuit or system. It is important to consider the "Family" parameter when designing or troubleshooting electronic circuits to ensure proper functionality and compatibility with other components.
LVC/LCX/Z - Logic Function
In electronic components, the term "Logic Function" refers to the specific operation or behavior of a component based on its input signals. It describes how the component processes the input signals to produce the desired output. Logic functions are fundamental to digital circuits and are used to perform logical operations such as AND, OR, NOT, and XOR.Each electronic component, such as logic gates or flip-flops, is designed to perform a specific logic function based on its internal circuitry. By understanding the logic function of a component, engineers can design and analyze complex digital systems to ensure proper functionality and performance. Different logic functions can be combined to create more complex operations, allowing for the creation of sophisticated digital devices and systems.
Buffer, Inverting - Number of Inputs1
- Logic Type
Logic Type in electronic components refers to the classification of circuits based on the logical operations they perform. It includes types such as AND, OR, NOT, NAND, NOR, XOR, and XNOR, each defining the relationship between binary inputs and outputs. The logic type determines how the inputs affect the output state based on specific rules of Boolean algebra. This classification is crucial for designing digital circuits and systems, enabling engineers to select appropriate components for desired functionalities.
Buffer, Non-Inverting - Max I(ol)
Max I(ol) refers to the maximum output current that a specific electronic component, such as a transistor or integrated circuit, can sink or source. This parameter is crucial in determining the capability of the component to drive external loads without being damaged. It is typically specified in the component's datasheet and is important for ensuring proper operation and reliability of the circuit in which the component is used. Designers must ensure that the output current requirements of the circuit do not exceed the specified "Max I(ol)" value to prevent overloading and potential failure of the component.
0.032 A - Control Type
Control Type in electronic components refers to the method used to regulate or manipulate an electronic system's behavior or output. It can indicate whether the component operates in an analog or digital manner, and may include types such as on/off, proportional, or pulse-width modulation. Understanding the control type is crucial for determining how components interact with each other and the overall system's functionality.
ENABLE HIGH - Count Direction
Count Direction in electronic components refers to the direction in which a counter or digital circuit increments or decrements its count. It indicates whether the counting process moves forward (upward count) or backward (downward count). This parameter is crucial in applications such as timers, event counters, and digital clocks, where precise control over the counting sequence is necessary. The count direction can usually be set or controlled through external inputs, allowing for flexibility in circuit operation.
UNIDIRECTIONAL - Schmitt Trigger Input
The Schmitt Trigger is a logic input type that provides hysteresis or two different threshold voltage levels for rising and falling edge.
No - Ambient Temperature Range High
This varies from person to person, but it is somewhere between 68 and 77 degrees F on average. The temperature setting that is comfortable for an individual may fluctuate with humidity and outside temperature as well. The temperature of an air conditioned room can also be considered ambient temperature.
125°C - Height1.1mm
- Length2mm
- Width1.25mm
- Thickness
Thickness in electronic components refers to the measurement of how thick a particular material or layer is within the component structure. It can pertain to various aspects, such as the thickness of a substrate, a dielectric layer, or conductive traces. This parameter is crucial as it impacts the electrical, mechanical, and thermal properties of the component, influencing its performance and reliability in electronic circuits.
900μm - REACH SVHC
The parameter "REACH SVHC" in electronic components refers to the compliance with the Registration, Evaluation, Authorization, and Restriction of Chemicals (REACH) regulation regarding Substances of Very High Concern (SVHC). SVHCs are substances that may have serious effects on human health or the environment, and their use is regulated under REACH to ensure their safe handling and minimize their impact.Manufacturers of electronic components need to declare if their products contain any SVHCs above a certain threshold concentration and provide information on the safe use of these substances. This information allows customers to make informed decisions about the potential risks associated with using the components and take appropriate measures to mitigate any hazards.Ensuring compliance with REACH SVHC requirements is essential for electronics manufacturers to meet regulatory standards, protect human health and the environment, and maintain transparency in their supply chain. It also demonstrates a commitment to sustainability and responsible manufacturing practices in the electronics industry.
No SVHC - RoHS Status
RoHS means “Restriction of Certain Hazardous Substances” in the “Hazardous Substances Directive” in electrical and electronic equipment.
ROHS3 Compliant - Lead Free
Lead Free is a term used to describe electronic components that do not contain lead as part of their composition. Lead is a toxic material that can have harmful effects on human health and the environment, so the electronics industry has been moving towards lead-free components to reduce these risks. Lead-free components are typically made using alternative materials such as silver, copper, and tin. Manufacturers must comply with regulations such as the Restriction of Hazardous Substances (RoHS) directive to ensure that their products are lead-free and environmentally friendly.
Lead Free
Parts with Similar Specs
- ImagePart NumberManufacturerPackage / CaseNumber of InputsNumber of PinsLogic FunctionPropagation DelaySupply VoltageTechnologyWidthView Compare
SN74LVC1G126DCKR
5-TSSOP, SC-70-5, SOT-353
1
5
Buffer, Inverting
9 ns
3.3 V
CMOS
1.25 mm
5-TSSOP, SC-70-5, SOT-353
-
5
-
3 ns
1.2 V
CMOS
1.25 mm
5-TSSOP, SC-70-5, SOT-353
-
5
Buffer, Inverter, Schmitt Trigger
4 ns
1.2 V
CMOS
1.25 mm
5-TSSOP, SC-70-5, SOT-353
1
5
Buffer, Inverter
4.5 ns
1.8 V
CMOS
1.25 mm
-
1
-
-
-
1.8 V
CMOS
1.25 mm
SN74LVC1G126DCKR Functional Block Diagram
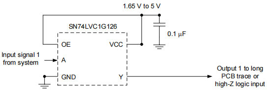
SN74LVC1G126DCKR Typical Application
SN74LVC1G126DCKR Simplified Schematic
SN74LVC1G126DCKR Layout
Inputs should not float while working with multiple bit logic devices. Digital logic devices often have functionalities or sections of functions that aren't utilised. When only two of a triple-input AND gate's inputs are used, for example, or when only three of a four-buffer gate's inputs are used, these are examples. The undefined voltages at the outside connections result in undefined operating states, hence such input pins should not be kept disconnected.
The following diagram illustrates the principles that must be followed at all times. To prevent floating, all unused inputs of digital logic devices must be connected to a high or low bias. The logic level that should be applied to any given unused input is determined by the device's function. They'll usually be connected to GND or VCC, depending on which makes more sense or is handier. Floating outputs are permissible unless the part is a transceiver. If the transceiver has an output enable pin, asserting it will disable the part's outputs section. The input component of the I/Os will not be disabled, therefore they will not float when disabled.

Layout
SN74LVC1G126DCKR Alternatives
| Part Number | Description | Manufacturer |
| 74LVC1G126SE-7LOGIC | Bus Driver, LVC/LCX/Z Series, 1-Func, 1-Bit, True Output, CMOS, PDSO5, GREEN, SOT-353, 5 PIN | Diodes Incorporated |
| 74LVC1G126GW-GLOGIC | IC LVC/LCX/Z SERIES, 1-BIT DRIVER, TRUE OUTPUT, PDSO5, 1.25 MM, PLASTIC, MO-203, SC-88A, SOT353-1, TSSOP-5, Bus Driver/Transceiver | NXP Semiconductors |
| SN74LVC1G126DCKRE4LOGIC | LVC/LCX/Z SERIES, 1-BIT DRIVER, TRUE OUTPUT, PDSO5 | Texas Instruments |
| TC7SZ126FULOGIC | IC LVC/LCX/Z SERIES, 1-BIT DRIVER, TRUE OUTPUT, PDSO5, 0.65 MM PITCH, PLASTIC, SSOP-5, Bus Driver/Transceiver | Toshiba America Electronic Components |
| 935299659125LOGIC | Bus Driver, LVC/LCX/Z Series, 1-Func, 1-Bit, True Output, CMOS, PDSO5 | Nexperia |
| 935268721125LOGIC | IC LVC/LCX/Z SERIES, 1-BIT DRIVER, TRUE OUTPUT, PDSO5, PLASTIC, SC-88A, SOT-353, 5 PIN, Bus Driver/Transceiver | NXP Semiconductors |
| 74LVC1G126GW,165LOGIC | 74LVC1G126 - Bus buffer/line driver; 3-state TSSOP 5-Pin | NXP Semiconductors |
SN74LVC1G126DCKR Applications
• Cable Modem Termination Systems
• High-Speed Data Acquisition and Generation
• Military: Radars and Sonars
• Motor Controls: High-Voltage
• Power Line Communication Modems
• SSDs: Internal or External
• Video Broadcasting and Infrastructure: Scalable Platforms
• Video Broadcasting: IP-Based Multi-Format Transcoders
• Video Communication Systems
SN74LVC1G126DCKR Package
SN74LVC1G126DCKR Manufacturer
As a global semiconductor company operating in 35 countries, Texas Instruments (TI) is first and foremost a reflection of its people. From the TIer who unveiled the first working integrated circuit in 1958 to the more than 30,000 TIers around the world today who design, manufacture and sell analog and embedded processing chips, we are problem-solvers collaborating to change the world through technology.
Trend Analysis
Datasheet PDF
- PCN Design/Specification :
- PCN Assembly/Origin :
What is the Buffer Gate?
The Buffer Gate is a logic block that takes any input and compares the value to 0. If the input signal is zero, the output will be zero. If the input is non-zero, the output will be a “1” in the bit position designated by the drop-down box. This is the opposite output result of the Zero Comparator block.
What is the difference between an NOT gate and buffer gate?
A buffer has only a single input and a single output with behavior that is the opposite of a NOT gate. It simply passes its input, unchanged, to its output. In a boolean logic simulator, a buffer is mainly used to increase propagation delay.
What is the point of a buffer gate?
Buffer gates merely serve the purpose of signal amplification: taking a “weak” signal source that isn't capable of sourcing or sinking much current, and boosting the current capacity of the signal so as to be able to drive a load. Buffer circuits are symbolized by a triangle symbol with no inverter “bubble.”
What voltage range is the single buffer designed to work with?
VCC voltage range of 1.65 to 3.6 volts.
What is a single-line driver with three output states?
SN74LVC1G126DCKR.
What does the SN74LVC1G126DCKR gadget perform?
Boolean function Y = A.
What type of applications is the SN74LVC1G126DCKR device completely qualified for?
Partial-power-down.
What disables the outputs when the device is turned off?
The Ioff circuitry.
What should OE be connected to GND via to ensure a high-impedance state during power up or power down?
A pulldown resistor.
L9110S 2-Channel Motor driver: Circuit, Pinout, and How to work [Video&FAQ]25 April 202220553
The Comprehensive Introduction to AD8310 [FAQ]27 May 20222392
TPS1H200AQDGNRQ1 High-Side Switch: Diagram, Pinout, and Datasheet30 March 20222107
STM32G070RBT6: Overview, Features, and Datasheet30 October 20233194
STM8S103F3P6 vs ATtiny85: Which Microcontroller to Choose24 July 2025812
LM7812 Positive Voltage Regulators: Specifications, Pinout and Datasheet13 August 202118113
A Comprehensive Guide to LTC695ISW-3.3#TRPBF PMIC Supervisor from Linear Technology/Analog Devices06 March 2024203
PMLL4148L Diode: 100 V, 200 mA, PMLL4148L Datasheet PDF25 February 20221188
What is a Fiber Optic Connector?27 October 20257235
How Many Types of Inverters are There?28 March 202217436
Demand for Automotive Chips Will Surge 300%09 April 20225175
Exploring the Strengths and Hurdles of Wide Bandgap Devices in Alternating Current Electric Drives19 January 20243264
Arduino Authorized Distributor | UTMEL Electronics22 February 20257280
Selection Criteria for Power Management ICs (PMICs)06 April 20223396
Global Semiconductor Industry Outlook: SEMI Discusses the Future06 September 20231773
Introduction to the Types of IoT Sensors21 July 20201625
Texas Instruments
In Stock: 23901
United States
China
Canada
Japan
Russia
Germany
United Kingdom
Singapore
Italy
Hong Kong(China)
Taiwan(China)
France
Korea
Mexico
Netherlands
Malaysia
Austria
Spain
Switzerland
Poland
Thailand
Vietnam
India
United Arab Emirates
Afghanistan
Åland Islands
Albania
Algeria
American Samoa
Andorra
Angola
Anguilla
Antigua & Barbuda
Argentina
Armenia
Aruba
Australia
Azerbaijan
Bahamas
Bahrain
Bangladesh
Barbados
Belarus
Belgium
Belize
Benin
Bermuda
Bhutan
Bolivia
Bonaire, Sint Eustatius and Saba
Bosnia & Herzegovina
Botswana
Brazil
British Indian Ocean Territory
British Virgin Islands
Brunei
Bulgaria
Burkina Faso
Burundi
Cabo Verde
Cambodia
Cameroon
Cayman Islands
Central African Republic
Chad
Chile
Christmas Island
Cocos (Keeling) Islands
Colombia
Comoros
Congo
Congo (DRC)
Cook Islands
Costa Rica
Côte d’Ivoire
Croatia
Cuba
Curaçao
Cyprus
Czechia
Denmark
Djibouti
Dominica
Dominican Republic
Ecuador
Egypt
El Salvador
Equatorial Guinea
Eritrea
Estonia
Eswatini
Ethiopia
Falkland Islands
Faroe Islands
Fiji
Finland
French Guiana
French Polynesia
Gabon
Gambia
Georgia
Ghana
Gibraltar
Greece
Greenland
Grenada
Guadeloupe
Guam
Guatemala
Guernsey
Guinea
Guinea-Bissau
Guyana
Haiti
Honduras
Hungary
Iceland
Indonesia
Iran
Iraq
Ireland
Isle of Man
Israel
Jamaica
Jersey
Jordan
Kazakhstan
Kenya
Kiribati
Kosovo
Kuwait
Kyrgyzstan
Laos
Latvia
Lebanon
Lesotho
Liberia
Libya
Liechtenstein
Lithuania
Luxembourg
Macao(China)
Madagascar
Malawi
Maldives
Mali
Malta
Marshall Islands
Martinique
Mauritania
Mauritius
Mayotte
Micronesia
Moldova
Monaco
Mongolia
Montenegro
Montserrat
Morocco
Mozambique
Myanmar
Namibia
Nauru
Nepal
New Caledonia
New Zealand
Nicaragua
Niger
Nigeria
Niue
Norfolk Island
North Korea
North Macedonia
Northern Mariana Islands
Norway
Oman
Pakistan
Palau
Palestinian Authority
Panama
Papua New Guinea
Paraguay
Peru
Philippines
Pitcairn Islands
Portugal
Puerto Rico
Qatar
Réunion
Romania
Rwanda
Samoa
San Marino
São Tomé & Príncipe
Saudi Arabia
Senegal
Serbia
Seychelles
Sierra Leone
Sint Maarten
Slovakia
Slovenia
Solomon Islands
Somalia
South Africa
South Sudan
Sri Lanka
St Helena, Ascension, Tristan da Cunha
St. Barthélemy
St. Kitts & Nevis
St. Lucia
St. Martin
St. Pierre & Miquelon
St. Vincent & Grenadines
Sudan
Suriname
Svalbard & Jan Mayen
Sweden
Syria
Tajikistan
Tanzania
Timor-Leste
Togo
Tokelau
Tonga
Trinidad & Tobago
Tunisia
Turkey
Turkmenistan
Turks & Caicos Islands
Tuvalu
U.S. Outlying Islands
U.S. Virgin Islands
Uganda
Ukraine
Uruguay
Uzbekistan
Vanuatu
Vatican City
Venezuela
Wallis & Futuna
Yemen
Zambia
Zimbabwe


Product
Brand
Articles
Tools

















