AD9361: Detailed Datasheet, Pinout, and Alternatives Guide
TxRx Only 70MHz~6GHz SPI 175mA~445mA - Receiving 240mA~820mA - Transmitting 144-LFBGA, CSPBGA









TxRx Only 70MHz~6GHz SPI 175mA~445mA - Receiving 240mA~820mA - Transmitting 144-LFBGA, CSPBGA
Unlock the full potential of the AD9361 RF Agile Transceiver. Explore critical specs, pinout diagrams, SDR design tips, and cost-effective alternatives today.
- Executive Summary: What is the AD9361?
- 1. Technical Specifications & Performance Analysis
- 2. Pinout, Package, and Configuration
- 3. Design & Integration Guide (For Engineers & Makers)
- 4. Typical Applications & Use Cases
- 5. Alternatives and Cross-Reference Guide
- 6. Frequently Asked Questions (FAQ)
- Specifications
- Datasheet PDF
Executive Summary: What is the AD9361?
The AD9361 is a highly integrated, high-performance RF Agile Transceiver™ specifically designed for 3G/4G base stations and software-defined radio (SDR) applications requiring tunable operation from 70 MHz to 6.0 GHz. Combining dual receivers and transmitters with integrated mixed-signal stages, it serves as a complete radio front-end solution on a single chip. - Market Position: High-performance, highly versatile standard for professional SDR and cellular infrastructure. - Top Features: - Ultra-wide frequency range (70 MHz to 6.0 GHz).
Programmable channel bandwidth (<200 kHz to 56 MHz).
Integrated 12-bit ADCs and DACs for direct digital interface.
Primary Audience: RF Design Engineers, FPGA Developers, and Academic Researchers working on wireless communications.
Supply Status: Active (Refer to specific distributors for stock on reel/cut tape).
1. Technical Specifications & Performance Analysis
1.1 Core Architecture (CPU/Logic/Power)
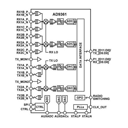
The AD9361 operates as a 2 × 2 transceiver (2 Tx, 2 Rx). Its architecture effectively replaces discrete radio signal chains by integrating low noise amplifiers (LNAs), mixers, programmable gain amplifiers, and fractional-N synthesizers directly onto the silicon. The core is designed to interface with a baseband processor (BBP) via a digital interface, offloading critical RF signal conditioning from the host processor. This high level of integration dramatically reduces the Bill of Materials (BOM) count for femtocell and picocell designs.
1.2 Key Electrical Characteristics
To ensure robust performance in variable RF environments, the AD9361 maintains strict electrical parameters:
Frequency Range: 70 MHz to 6.0 GHz (Continuous tuning).
Channel Bandwidth: Programmable from <200 kHz to 56 MHz.
Hopping Rate: Supports fast frequency hopping up to 1000 hops/s (ideal for tactical radio systems).
Converters: Integrated 12-bit ADCs and DACs efficiently handle mixed-signal conversion internal to the device.
1.3 Interfaces and Connectivity
The device communicates with the host Baseband Processor or FPGA (such as Xilinx Zynq on a Zedboard) using:
Data Interface: Parallel CMOS or Low Voltage Differential Signaling (LVDS).
Control Interface: SPI for register configuration.
Enable Pins: Hardware control pins for real-time Tx/Rx switching.
2. Pinout, Package, and Configuration
2.1 Pin Configuration Guide

AD9361 pinout diagram
The AD9361 utilizes a high-density Ball Grid Array (BGA) layout. - RF I/O: Dedicated pins for Rx1/Rx2 and Tx1/Tx2. Requires careful impedance matching (50Ω).
Power Supply: Multiple VDD_xxx pins requiring clean power tailored for RF noise sensitivity.
Digital Interface: P0_D[11:0] and P1_D[11:0] groups for sending I/Q data.
Clocking: XTALN/XTALP inputs for the reference clock.
2.2 Naming Convention & Ordering Codes
Understanding the Part Numbers:The suffix indicates packaging and grade. Ensuring the correct suffix is vital for manufacturing compatibility. -
BBCZ: Indicates the package specifications (RoHS compliant).
REEL: Delivered in Tape & Reel format for automated pick-and-place machines.
2.3 Available Packages
| Package Type | Dimensions | Common Use Case |
|---|---|---|
| 144-ball CSP_BGA | 10 mm × 10 mm | High-density PCBs, Femtocells, SDR dongles |
| AD9361-SDKW | N/A (Kit) | Software Development Kit for evaluation |
Note: The BGA package generally requires professional reflow assembly and is not suitable for hand-soldering.
3. Design & Integration Guide (For Engineers & Makers)
Pro Tip: When designing with the AD9361, thermal dissipation is non-trivial. Ensure your PCB has sufficient ground vias under the thermal pad to sink heat away from the RF core.
3.1 Hardware Implementation
Bypass Capacitors: Place 0.1µF and 1nF capacitors as close to power pins as possible to filter high-frequency noise.
PCB Layout: Use a multi-layer stack-up. Segregate RF traces from digital switching lines (LVDS/CMOS) to prevent coupling noise into the sensitive receiver path.
Impedance: all RF traces must be strictly controlled to 50Ω.
3.2 Common Design Challenges
Integration of the AD9361 is powerful but comes with known hurdles for new developers.
Issue 1: Complex FPGA IntegrationThe AXI interface and driver workflow (e.g., on Zedboard platforms) are notoriously difficult to configure from scratch. - Fix: Do not reinvent the wheel. Use Analog Devices' 'No-OS' drivers or the ADI Kuiper Linux distribution which contains pre-configured FPGA images and reliable device drivers.
Issue 2: Poor Customer SupportUsers often report difficulty obtaining direct technical support for complex integration issues. - Fix: Rely on the EngineerZone community forums. Additionally, leverage third-party reference designs and wikis from ecosystem partners like Ettus Research (USRP) or Digilent (ADALM-PLUTO) where documentation is often more application-oriented.
4. Typical Applications & Use Cases
📺 Video Recommendation: AD9361 Guide
4.1 Real-World Example: Software Defined Radio (SDR)
In a typical SDR setup, like the ADALM-PLUTO, the AD9361 acts as the RF frontend. It down-converts incoming RF signals (e.g., FM radio, ADS-B aircraft signals) to baseband digital I/Q data. This data is passed via LVDS to an FPGA, which then streams it via USB to a PC running software like MATLAB or GNU Radio for demodulation. This flexibility allows one hardware device to act as an FM radio, a GPS receiver, or a spectrum analyzer simply by changing software instructions.

AD9361 application circuit schematic
5. Alternatives and Cross-Reference Guide
If the AD9361 exceeds your budget or specification requirements, consider these alternatives.
Direct Replacements & Downgrades:
AD9364: A 1x1 (Single channel) version of the AD9361. Ideal if you do not need MIMO (Multiple Input Multiple Output) capabilities. Cost-effective for simpler radios. - Competitor Solutions:
Texas Instruments AFE7070: A viable integrated transceiver alternative for specific base station applications.
Lime Microsystems LMS7002M: A popular field-programmable RF transceiver often used in competing open-source SDR projects (LimeSDR).
Cost-Effective Options:
For simple, lower-frequency applications (< 1 GHz), older discrete tuner chains may be cheaper but require significantly more board space.
6. Frequently Asked Questions (FAQ)
Q: What is the main difference between AD9361 and AD9364?
The AD9361 is a 2x2 transceiver (Dual Tx/Rx), whereas the AD9364 is a 1x1 transceiver (Single Tx/Rx). They share the same register map and package, making migration easy.
Q: Which development boards use the AD9361?
Popular boards include the Analog Devices FMCOMMS3-EBZ, ADALM-PLUTO, Zedboard (via FMCOMMS shield), and Ettus USRP B200/B210 series.
Q: Can the AD9361 be used for fast frequency hopping?
Yes, it supports fast frequency hopping modes up to 1000 hops/s, making it suitable for secure or tactical radio systems.
Q: Where can I find the datasheet and library files for AD9361?
The official datasheet (AD9361-588050) is available on the Analog Devices website or major distributors like Mouser and DigiKey.
Q: Is AD9361 suitable for battery-operated devices?
Yes, but power consumption depends heavily on the sample rate and number of active channels. Proper power management logic in the FPGA is required to maximize battery life。
Specifications
Datasheet PDF
- Datasheets :
- ConflictMineralStatement :
LM1084 Positive Regulators : Price, Application and Circuit31 July 20213340
SST39SF020A 2 Mbit Multi-Purpose Flash: Pinout, Equivalent and Datasheet31 March 20221235
AG10 Battery, AG10 Battery Equivalents and AG10 VS LR4414 March 202237524
cr2 vs cr123:Which battery do you prefer?29 March 202225533
RC4558 Operational Amplifier: Datasheet, Replacement and Pinout20 August 20213603
EP2C35F672I8N FPGA: Features, Specifications and Pins17 April 2025906
BC556B Transistor: TO-92 PNP Transistor, Datasheet and Equivalents25 March 20223490
GRM155R71H104KE14D Ceramic Capacitor X7R 0402 50V[FAQ]: Datasheet, Features, and Equivalents14 March 20221271
Semiconductor Material Industry Guide21 January 20225487
Basic Understanding of Attenuators15 September 202016579
What is a Hard Disk Drive (HDD)?31 May 20214176
How to Pick the Perfect Boost Converter for Your Needs07 June 2025847
What is a Switched Reluctance Motor?09 July 20246709
Nearly 60% of the Industry Believes That the Chip Shortage Will Be Solved in 2023 at the Earliest21 April 2022878
Comparative Analysis of Si and SiC Devices for EV Traction Inverters10 March 20233407
Spiral wrap choices that keep hoses damage free15 July 2025510
Analog Devices Inc.
In Stock: 2952
United States
China
Canada
Japan
Russia
Germany
United Kingdom
Singapore
Italy
Hong Kong(China)
Taiwan(China)
France
Korea
Mexico
Netherlands
Malaysia
Austria
Spain
Switzerland
Poland
Thailand
Vietnam
India
United Arab Emirates
Afghanistan
Åland Islands
Albania
Algeria
American Samoa
Andorra
Angola
Anguilla
Antigua & Barbuda
Argentina
Armenia
Aruba
Australia
Azerbaijan
Bahamas
Bahrain
Bangladesh
Barbados
Belarus
Belgium
Belize
Benin
Bermuda
Bhutan
Bolivia
Bonaire, Sint Eustatius and Saba
Bosnia & Herzegovina
Botswana
Brazil
British Indian Ocean Territory
British Virgin Islands
Brunei
Bulgaria
Burkina Faso
Burundi
Cabo Verde
Cambodia
Cameroon
Cayman Islands
Central African Republic
Chad
Chile
Christmas Island
Cocos (Keeling) Islands
Colombia
Comoros
Congo
Congo (DRC)
Cook Islands
Costa Rica
Côte d’Ivoire
Croatia
Cuba
Curaçao
Cyprus
Czechia
Denmark
Djibouti
Dominica
Dominican Republic
Ecuador
Egypt
El Salvador
Equatorial Guinea
Eritrea
Estonia
Eswatini
Ethiopia
Falkland Islands
Faroe Islands
Fiji
Finland
French Guiana
French Polynesia
Gabon
Gambia
Georgia
Ghana
Gibraltar
Greece
Greenland
Grenada
Guadeloupe
Guam
Guatemala
Guernsey
Guinea
Guinea-Bissau
Guyana
Haiti
Honduras
Hungary
Iceland
Indonesia
Iran
Iraq
Ireland
Isle of Man
Israel
Jamaica
Jersey
Jordan
Kazakhstan
Kenya
Kiribati
Kosovo
Kuwait
Kyrgyzstan
Laos
Latvia
Lebanon
Lesotho
Liberia
Libya
Liechtenstein
Lithuania
Luxembourg
Macao(China)
Madagascar
Malawi
Maldives
Mali
Malta
Marshall Islands
Martinique
Mauritania
Mauritius
Mayotte
Micronesia
Moldova
Monaco
Mongolia
Montenegro
Montserrat
Morocco
Mozambique
Myanmar
Namibia
Nauru
Nepal
New Caledonia
New Zealand
Nicaragua
Niger
Nigeria
Niue
Norfolk Island
North Korea
North Macedonia
Northern Mariana Islands
Norway
Oman
Pakistan
Palau
Palestinian Authority
Panama
Papua New Guinea
Paraguay
Peru
Philippines
Pitcairn Islands
Portugal
Puerto Rico
Qatar
Réunion
Romania
Rwanda
Samoa
San Marino
São Tomé & Príncipe
Saudi Arabia
Senegal
Serbia
Seychelles
Sierra Leone
Sint Maarten
Slovakia
Slovenia
Solomon Islands
Somalia
South Africa
South Sudan
Sri Lanka
St Helena, Ascension, Tristan da Cunha
St. Barthélemy
St. Kitts & Nevis
St. Lucia
St. Martin
St. Pierre & Miquelon
St. Vincent & Grenadines
Sudan
Suriname
Svalbard & Jan Mayen
Sweden
Syria
Tajikistan
Tanzania
Timor-Leste
Togo
Tokelau
Tonga
Trinidad & Tobago
Tunisia
Turkey
Turkmenistan
Turks & Caicos Islands
Tuvalu
U.S. Outlying Islands
U.S. Virgin Islands
Uganda
Ukraine
Uruguay
Uzbekistan
Vanuatu
Vatican City
Venezuela
Wallis & Futuna
Yemen
Zambia
Zimbabwe








