TL081 Series JFET-Input Operational Amplifier Design Guide
2.54 mm Amplifier
The TL081 is a high-speed JFET-input op-amp featuring 13 V/µs slew rate and 30 pA bias current. This guide covers pinout, specs, and layout fixes.
Key Takeaway
Positioning: The TL081 by STMicroelectronics is a legacy-compatible, general-purpose operational amplifier designed for applications requiring high input impedance and fast slew rates where standard bipolar op-amps (like the 741) fall short.
Key Spec Highlight: It features an exceptionally high slew rate of 13 V/µs (typ) and ultra-low input bias current of 30 pA, enabled by its JFET-input stage.
Supply Chain Status: Active and widely available. However, due to high market volume, counterfeit risks exist; procurement through authorized distributors is critical.

TL081 product photo
1. Technical Architecture and Core Advantages
The TL081 is a monolithic integrated circuit that uniquely combines high-voltage JFET and bipolar transistors. This hybrid architecture addresses the low slew rate and high input bias current limitations of pure bipolar designs.
1.1 Processing & Control (Internal Architecture)
The core architecture of the TL081 relies on a JFET-input stage feeding into a bipolar output stage.
JFET Front-End: Provides extremely high input impedance (typically $10^{12} \Omega$) and very low input bias currents (30 pA). This effectively eliminates loading effects on high-impedance sensors.
Bipolar Output: Delivers robust drive capability and wide output voltage swing, capable of driving loads up to $\pm$18V rails.
Compensation: Includes internal frequency compensation, ensuring stability without external capacitors in unity-gain configurations.
1.2 Peripherals & Interfaces
As an analog component, the "peripherals" are its interface pins designed for signal conditioning:
Inputs: Inverting (-) and Non-Inverting (+) inputs with wide common-mode voltage ranges.
Offset Null: Pins 1 and 5 allow for external potentiometer adjustment to nullify the input offset voltage, critical for DC precision applications.
Power: Supports wide dual-supply operation ($\pm$3V to $\pm$18V), making it versatile for both industrial control systems and audio hardware.

TL081 functional block diagram internal architecture
2. Naming / Variant Map and Selection Guide
2.1 Part Number Decoding
The TL081 part numbering scheme follows STMicroelectronics' standard convention for linear ICs. Parsing the suffix is essential for selecting the correct package and temperature range:
TL081 - Base Product Type (Single JFET Op-Amp).
Suffix 1 (Grade/Precision):
(No Letter) = Standard Grade.
A = Improved Input Offset Voltage.
B = High Precision (Lowest Offset Voltage).
Suffix 2 (Temperature Range):
C = Commercial Range (0°C to +70°C).
I = Industrial Range (-40°C to +105°C/125°C).
Suffix 3 (Package):
N = DIP-8 (Dual In-Line Package, Through-hole).
D = SO-8 (Small Outline, SMD).
Suffix 4 (Packing):
T = Tape and Reel.
2.2 Core Variant Comparison
| Variant | Key Differences | Package | Target Use |
|---|---|---|---|
| TL081IN | Industrial Temp, Through-hole | DIP-8 | Prototyping, Legacy Repair |
| TL081IDT | Industrial Temp, Surface Mount | SO-8 | Compact Industrial PCBs |
| TL081ACDT | Improved Offset, Commercial Temp | SO-8 | Consumer Audio, Precision Filters |
| TL081BCDT | High Precision, Commercial Temp | SO-8 | Instrumentation |
3. Key Specifications Explained
Engineer's Note: Values below are typical at $V_{CC} = \pm 15V$. Always consult the specific datasheet for max/min limits over temperature.
3.1 Power & Operating Conditions
The TL081 is designed for high-voltage analog rails rather than low-voltage battery logic. - Supply Voltage Range: $\pm$3V to $\pm$18V. - Power Consumption: While not a low-power device by modern CMOS standards, the quiescent current is moderate (approx 1.4 mA typ), driven by the bipolar output stage required for high slew rates. - Implication: Ideal for mains-powered audio equipment or industrial controllers; less suitable for coin-cell IoT nodes.
3.2 Performance & Efficiency
The device's performance metrics highlight its speed and impedance advantages:
Slew Rate: 13 V/µs (Typical). This is significantly faster than the standard 0.5 V/µs of a 741, allowing the TL081 to reproduce fast AC signals without distortion.
Gain Bandwidth Product (GBP): 4 MHz. Provides sufficient bandwidth for audio pre-amplification and active filter designs up to the high kHz range.
Input Bias Current: 30 pA. Critical for integrating with high-impedance sources like photodiodes or piezoelectric sensors.
4. Design Notes and Common Integration Issues
4.1 PCB Layout Guidelines
To preserve the JFET input performance, layout is critical:
Power Rails: Use 0.1µF ceramic capacitors placed as close as possible to the $V_{CC+}$ and $V_{CC-}$ pins to prevent high-frequency oscillation.
Guarding: For high-impedance circuits, use a guard ring around the input pins connected to a low-impedance node (like ground or the feedback voltage) to minimize leakage currents.
Thermal: While the DIP-8 and SO-8 packages manage heat well under typical loads, keep the device away from high-heat power FETs to prevent thermal drift of the input offset voltage.
4.2 Debugging Common Faults (Pain Points)
Problem 1: Output Phase Reversal* Symptom: The output suddenly flips polarity when the input voltage approaches the negative supply rail. * Root Cause: The input common-mode voltage range is exceeded. * Fix: Ensure input signals remain within the specified common-mode range. Specifically, avoid the bottom 2-3V above the negative rail ($V_{CC-}$).
Problem 2: Input Common-Mode Range Limitation* Symptom: Signal clipping or distortion near the negative rail in single-supply designs. * Root Cause: The TL081 is not a rail-to-rail input device. The operating range does not drop to $V_{CC-}$. * Fix: Use a dual-supply configuration ($\pm$15V) or switch to a rail-to-rail op-amp if single-supply ground sensing is mandatory.
Problem 3: Counterfeit Silicon* Symptom: High bias currents, lower slew rates, or oscillation. * Root Cause: Remarked bipolar chips (like LM358) sold as JFET TL081s. * Fix: strictly source from Tier-1 authorized distributors (Mouser, Digi-Key). Verify the characteristic high input impedance.
5. Typical Applications
5.1 System Integration Analysis
Primary Application: High-Fidelity Audio Pre-Amplifier
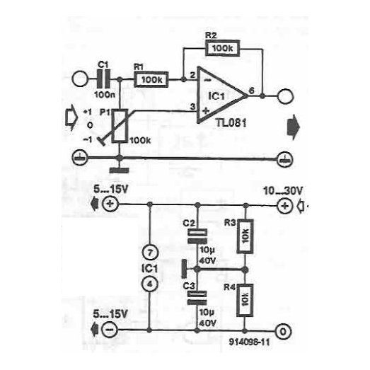
The TL081 excels in audio chains due to its low harmonic distortion and high slew rate. - The Problem: Dynamic microphones and guitar pickups have high output impedance. Connecting them to a standard bipolar op-amp results in signal loss and noise. - The Solution: The TL081's JFET inputs provide a massive input impedance ($10^{12} \Omega$), acting as a near-perfect buffer. The high slew rate ensures that rapid transients (percussion, string plucks) are amplified cleanly without "sluggish" distortion.

TL081 typical application circuit schematic
6. Competitors and Alternatives
The TL081 uses an industry-standard pinout, allowing for easy substitutions. - Vs. Texas Instruments TL081: TI is the original creator. ST's version is functionally identical and often chemically compatible, serving as a second source. - Vs. Analog Devices AD711: The AD711 is a precision upgrade offering lower drift and faster settling times but at a higher price point. - Vs. Microchip MCP601: A CMOS alternative. Better for single-supply low voltage (battery) applications, but lower voltage tolerance than the TL081. - Migration Path: If you need Rail-to-Rail I/O, migrate to a modern CMOS op-amp like the TSV911, though verify voltage limits (usually 5.5V max for CMOS vs 36V for TL081).
7. FAQ
Q: What is the absolute maximum voltage for the TL081? The TL081 generally supports a maximum supply voltage differential of 36V ($\pm$18V).
Q: Does the TL081 supports single-supply operation? Yes, but the input signal must be biased to half-supply ($V_{CC}/2$) and cannot swing near the ground rail.
Q: What represents the main difference between TL081 and TL071? The TL071 is the "Low Noise" version of the TL081 series, optimized specifically for audio fidelity, while the TL081 is the general-purpose variant.
Q: Can I replace a 741 op-amp with a TL081? Generally yes, the pinout is compatible. The TL081 offers superior speed and lower bias current, but ensure your circuit is stable given the TL081's higher bandwidth.
Q: Why does my TL081 output flip high when the input goes low? This is "Phase Reversal," occurring when the input voltage drops below the allowed common-mode range (approx $V_{CC-} + 3V$).
8. Resources and Downloads
Datasheet: Download tl081-1852215.pdf
Dev Tools: Standard breadboards and DIP-8 sockets are recommended for prototyping; no specialized compiler or firmware tools are required.
Specifications
Datasheet PDF
- Datasheets :
INA219 Current Shunt and Power Monitor: Architecture & Design Guide17 January 2026705
LM2576T Regulator: Circuit, Pinout, and Datasheet03 December 202117741
ADG202AKNZ Analog Switch: Feature, Specification, Datasheet22 May 2021550
2N3773 Transistor: 2N3773, Circuit Diagram, Equivalent21 December 202111323
LT1013 Dual Precision Op Amp: Pinout, Equivalent and Datasheet19 November 20214332
A Comprehensive Guide to DIABLO16 Microcontroller by 4D Systems Pty Ltd07 March 2024502
LP5018RSMR LED Driver: Datasheet, Alternatives, CAD Models23 March 20222137
TL06xx Series (TL064) 200µA Low-Power JFET Op-Amp: Specs, Pinout, and Design Analysis28 February 202625
The Difference and Application of SPI, UART, I2C Communication15 October 202511117
Practical Ways to Use Common Mode Chokes in 202510 July 20252201
What is Cat 7 Cable?04 January 20227290
Semiconductor Market Poised for Strong Rebound in 2024, Predicts WSTS11 December 20234675
A Guide to Semiconductor IP Core18 January 20229626
UMD Receives $2M NSF Grant for Advancement of Semiconductor Technology and Workforce Training27 September 20233538
What is a Decoupling Capacitor?23 October 202512189
Carbon Film vs Metal Film Resistors: Complete Comparison Guide19 May 20253657
STMicroelectronics
In Stock
United States
China
Canada
Japan
Russia
Germany
United Kingdom
Singapore
Italy
Hong Kong(China)
Taiwan(China)
France
Korea
Mexico
Netherlands
Malaysia
Austria
Spain
Switzerland
Poland
Thailand
Vietnam
India
United Arab Emirates
Afghanistan
Åland Islands
Albania
Algeria
American Samoa
Andorra
Angola
Anguilla
Antigua & Barbuda
Argentina
Armenia
Aruba
Australia
Azerbaijan
Bahamas
Bahrain
Bangladesh
Barbados
Belarus
Belgium
Belize
Benin
Bermuda
Bhutan
Bolivia
Bonaire, Sint Eustatius and Saba
Bosnia & Herzegovina
Botswana
Brazil
British Indian Ocean Territory
British Virgin Islands
Brunei
Bulgaria
Burkina Faso
Burundi
Cabo Verde
Cambodia
Cameroon
Cayman Islands
Central African Republic
Chad
Chile
Christmas Island
Cocos (Keeling) Islands
Colombia
Comoros
Congo
Congo (DRC)
Cook Islands
Costa Rica
Côte d’Ivoire
Croatia
Cuba
Curaçao
Cyprus
Czechia
Denmark
Djibouti
Dominica
Dominican Republic
Ecuador
Egypt
El Salvador
Equatorial Guinea
Eritrea
Estonia
Eswatini
Ethiopia
Falkland Islands
Faroe Islands
Fiji
Finland
French Guiana
French Polynesia
Gabon
Gambia
Georgia
Ghana
Gibraltar
Greece
Greenland
Grenada
Guadeloupe
Guam
Guatemala
Guernsey
Guinea
Guinea-Bissau
Guyana
Haiti
Honduras
Hungary
Iceland
Indonesia
Iran
Iraq
Ireland
Isle of Man
Israel
Jamaica
Jersey
Jordan
Kazakhstan
Kenya
Kiribati
Kosovo
Kuwait
Kyrgyzstan
Laos
Latvia
Lebanon
Lesotho
Liberia
Libya
Liechtenstein
Lithuania
Luxembourg
Macao(China)
Madagascar
Malawi
Maldives
Mali
Malta
Marshall Islands
Martinique
Mauritania
Mauritius
Mayotte
Micronesia
Moldova
Monaco
Mongolia
Montenegro
Montserrat
Morocco
Mozambique
Myanmar
Namibia
Nauru
Nepal
New Caledonia
New Zealand
Nicaragua
Niger
Nigeria
Niue
Norfolk Island
North Korea
North Macedonia
Northern Mariana Islands
Norway
Oman
Pakistan
Palau
Palestinian Authority
Panama
Papua New Guinea
Paraguay
Peru
Philippines
Pitcairn Islands
Portugal
Puerto Rico
Qatar
Réunion
Romania
Rwanda
Samoa
San Marino
São Tomé & Príncipe
Saudi Arabia
Senegal
Serbia
Seychelles
Sierra Leone
Sint Maarten
Slovakia
Slovenia
Solomon Islands
Somalia
South Africa
South Sudan
Sri Lanka
St Helena, Ascension, Tristan da Cunha
St. Barthélemy
St. Kitts & Nevis
St. Lucia
St. Martin
St. Pierre & Miquelon
St. Vincent & Grenadines
Sudan
Suriname
Svalbard & Jan Mayen
Sweden
Syria
Tajikistan
Tanzania
Timor-Leste
Togo
Tokelau
Tonga
Trinidad & Tobago
Tunisia
Turkey
Turkmenistan
Turks & Caicos Islands
Tuvalu
U.S. Outlying Islands
U.S. Virgin Islands
Uganda
Ukraine
Uruguay
Uzbekistan
Vanuatu
Vatican City
Venezuela
Wallis & Futuna
Yemen
Zambia
Zimbabwe


Product
Brand
Articles
Tools











