TL082 JFET-Input Dual Operational Amplifier: Datasheet Breakdown and Design Guide
2 Channels 40mA per Channel 20pA 80 dB Instrumentational OP Amps 18V 6V~36V ±3V~18V TL082 8 Pins 8-DIP (0.300, 7.62mm)









2 Channels 40mA per Channel 20pA 80 dB Instrumentational OP Amps 18V 6V~36V ±3V~18V TL082 8 Pins 8-DIP (0.300, 7.62mm)
Deep dive into the STMicroelectronics TL082 Op-Amp. Features high 13V/µs slew rate, 4MHz bandwidth, and critical design fixes for phase reversal issues.
Key Takeaway
Positioning: The TL082 is a high-speed, general-purpose dual JFET-input operational amplifier optimized for high-impedance signal conditioning where low input bias current is critical.
Key Spec Highlight: Features a high slew rate of 13 V/µs and extremely low input bias current (30 pA typical), making it superior to standard bipolar op-amps like the LM358 for high-speed audio and sensor applications.
Supply Chain Status: High Counterfeit Risk. Due to market popularity, unauthorized sources frequently rebrand superior low-cost bipolar chips (like LM358) as TL082s. Always procure from authorized distributors.

TL082 product photo
1. Technical Architecture and Core Advantages
The TL082 integrates two independent operational amplifiers on a single monolithic chip. Its JFET-input architecture provides specific advantages over standard bipolar inputs, primarily in input impedance and slew rate performance.
1.1 Signal Processing Core (JFET Input Stage)
The TL082 utilizes high-voltage JFET transistors at the input stage. Use this architecture when your design requires:
High Input Impedance: Minimizes loading effects on sensor sources.
Low Input Bias Current: Typical 30 pA (at 25°C), significantly reducing error in high-impedance feedback networks.
High Slew Rate: The 13 V/µs capability allows the device to track fast-changing signals without distortion, a common limitation in older general-purpose op-amps.
1.2 Output Stage & Protection
The output stage is designed for robust operation in industrial environments.
Short-Circuit Protection: Built-in output short-circuit protection prevents damage during temporary fault conditions.
Latch-Up Free: The internal design prevents latch-up, provided the inputs remain within the common-mode range.
Internal Frequency Compensation: Eliminates the need for external compensation components for unity-gain stability.

TL082 functional block diagram internal architecture
2. Naming / Variant Map and Selection Guide
The TL082 series uses specific suffixes to denote package types and temperature grades.
2.1 Part Number Decoding
Follow this logic to select the correct part for your bill of materials (BOM):
TL082C: Commercial standard grade.
TL082I: Industrial temperature grade.
Dt / PT: Suffixes indicating surface mount package styles (SO-8 vs TSSOP-8).
P: Suffix typically indicating Through-Hole (DIP-8).
2.2 Core Variant Comparison
| Order Code | Package | Pitch | Target Use |
|---|---|---|---|
| TL082IPT | TSSOP-8 | 0.65 mm | Space-constrained, high-density PCBs. |
| TL082IDT | SO-8 | 1.27 mm | Standard industrial SMT designs. |
| TL082CD | SO-8 | 1.27 mm | Cost-sensitive commercial SMT applications. |
| TL082CP | DIP-8 | 2.54 mm | Prototyping, breadboarding, and legacy repair. |
3. Key Specifications Explained
Engineer's Note: Values below are typical at 25°C. The TL082 is NOT a rail-to-rail device. Designs must account for headroom.
3.1 Power & Operating Conditions
The TL082 requires a dual supply for optimal symmetrical performance but can operate on a single supply if biased correctly.
Supply Voltage (Vcc): Operating range is ±6V to ±18V.
Design Constraint: This device requires significant voltage headroom. It is not suitable for 3.3V or 5V logic-level single-supply systems without a split-rail architecture.
3.2 Performance & Efficiency
Slew Rate: 13 V/µs (Typical @ Vcc = ±15V). This defines the maximum rate of change of the output voltage.
Gain Bandwidth Product (GBP): 4 MHz. Sufficient for audio pre-amplifiers and medium-speed active filters.
Input Bias Current: 30 pA. Critical for "Sample and Hold" circuits where leakage current causes voltage droop.

slew rate vs frequency graph
4. Design Notes and Common Integration Issues
4.1 PCB Layout Guidelines
To preserve the low bias current and high slew rate performance:
Guard Rings: For high-impedance designs, place guard rings around the inverting input pins driven by the input voltage to minimize leakage currents.
Power Rails: Place 0.1µF ceramic decoupling capacitors as close as possible to the VCC+ and VCC- pins to suppress high-frequency noise.
Trace Separation: Keep analog inputs away from high-speed digital switching traces to prevent capacitive coupling of noise.

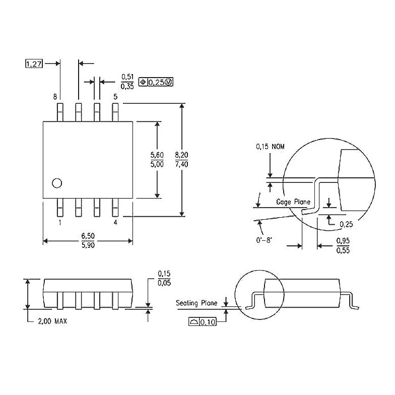
TL082 pinout diagram and footprint
4.2 Debugging Common Faults (Pain Points)
Problem 1: Phase Reversal
Symptom: The output suddenly flips polarity or latches to the opposite rail.
Cause: The input common-mode voltage range is exceeded, particularly near the negative supply rail.
Fix: Ensure input signals remain within the specified common-mode range. Leave at least a 3V headroom from the negative rail (e.g., if Vee is -15V, inputs should not go below -12V).
Problem 2: Counterfeit Components
Symptom: High noise, slow slew rate, or high input bias current closer to an LM358.
Cause: Unscrupulous vendors re-labeling cheaper bipolar op-amps as JFET TL082s.
Fix: Strictly purchase from authorized Tier-1 distributors (Mouser, DigiKey) to avoid "fake" silicon.
Problem 3: Clipping / Signal Distortion on Low Voltage
Symptom: Output signal is clipped even though it is within supply rails.
Cause: The TL082 is not rail-to-rail.
Fix: Increase supply voltage or migrate to a modern rail-to-rail alternative like the TS912 if strictly low-voltage operation is required.
5. Typical Applications
5.1 System Integration Analysis: Audio Pre-Amplifier
The TL082 is an industry standard for audio pre-amplifiers due to its 13 V/µs slew rate and JFET inputs.
Why it works: The high input impedance does not load the audio source (e.g., guitar pickup or microphone), maintaining signal fidelity. The high slew rate ensures that high-frequency transients are amplified without "slewing" distortion.
Implementation Note: Use a dual supply (e.g., ±12V) to maximize dynamic range and avoid the complexity of virtual grounds required in single-supply designs.

TL082 typical application circuit schematic
6. Competitors and Alternatives
When selecting a manufacturing partner or looking for upgrades:
Vs. Texas Instruments TL082: Direct competitor. The specs are nearly identical as this is a standard industry part number. Selection often depends on stock availability and pricing.
Vs. Analog Devices AD712: A precision upgrade. Offers tighter offset voltage but typically at a higher cost.
Vs. Microchip MCP602: A CMOS alternative. Better for low-voltage, rail-to-rail applications where the high-voltage requirement of the TL082 is a hindrance.
Migration Path: For 5V systems, consider migrating to Maxim Integrated MAX44251 or MCP602 for true rail-to-rail performance.
7. FAQ
Q: What is the absolute maximum supply voltage for the TL082?
The TL082 typically supports dual supplies up to ±18V; always verify thermal dissipation limits in the datasheet.
Q: Does the TL082 support rail-to-rail output?
No, the TL082 requires headroom regarding both the positive and negative power rails; output swing is typically Vcc - 1.5V to Vee + 1.5V.
Q: Why does my TL082 output invert when the input goes low?
This is known as phase reversal, occurring when the input voltage drops below the allowed common-mode range (close to Vee).
Q: Can I replace an LM358 with a TL082 directly?
Not always; while the pinout is often compatible, the TL082 requires a dual supply or specific biasing and does not support ground-sensing inputs like the LM358.
Q: What is the main naming difference between TL082CP and TL082CD?
TL082CP is the DIP-8 (Through-Hole) package, while TL082CD is the SO-8 (Surface Mount) package.
8. Resources and Downloads
Datasheet: TL082-1852339 Datasheet (PDF)
Dev Tools: Breadboard (for DIP-8 variant), Audio DIY Kits.
Specifications
Datasheet PDF
- Datasheets :
LM311 Differential Comparators: Features, Speicifications and Applications18 May 2021690
PIC18F4620 Enhanced Flash Microcontrollers:Pinout, Features, and Datasheet13 September 20212424
LM431 Shunt Regulator: Circuit, Pinout and Datasheet28 July 20215769
STM32H743IIT6 Microcontroller: Features, Applications, Datasheet08 November 20237832
TDA8356 Power Circuit: Equivalent, Pinout, Datasheet18 March 202210342
LP2951 Voltage Regulator: Pinout, Equivalent and Datasheet23 October 20213001
PIC24FJ128GB204 Microcontroller Datasheet Overview29 February 202484
CA3130 Operational Amplifier IC: Pinout, Equivalent and Datasheet15 September 20218373
Basic Introduction to Photocell09 April 202512353
Thermistor: Characteristics, Classification, Symbol and Applications10 December 202522627
Basis of Fiber Optic and Fiber Optic Communication22 October 20213331
Introduction to Voltage Stabilizer03 September 202017358
What is Comparator?11 April 20225887
What causes the Noise of Electronic Equipment when it is Running?01 August 20222242
Can ARM challenge X86 in the field of PC chips?06 June 20224133
Solid-state Drive (SSD): Classification and Architecture22 May 202115694
STMicroelectronics
In Stock: 58699
United States
China
Canada
Japan
Russia
Germany
United Kingdom
Singapore
Italy
Hong Kong(China)
Taiwan(China)
France
Korea
Mexico
Netherlands
Malaysia
Austria
Spain
Switzerland
Poland
Thailand
Vietnam
India
United Arab Emirates
Afghanistan
Åland Islands
Albania
Algeria
American Samoa
Andorra
Angola
Anguilla
Antigua & Barbuda
Argentina
Armenia
Aruba
Australia
Azerbaijan
Bahamas
Bahrain
Bangladesh
Barbados
Belarus
Belgium
Belize
Benin
Bermuda
Bhutan
Bolivia
Bonaire, Sint Eustatius and Saba
Bosnia & Herzegovina
Botswana
Brazil
British Indian Ocean Territory
British Virgin Islands
Brunei
Bulgaria
Burkina Faso
Burundi
Cabo Verde
Cambodia
Cameroon
Cayman Islands
Central African Republic
Chad
Chile
Christmas Island
Cocos (Keeling) Islands
Colombia
Comoros
Congo
Congo (DRC)
Cook Islands
Costa Rica
Côte d’Ivoire
Croatia
Cuba
Curaçao
Cyprus
Czechia
Denmark
Djibouti
Dominica
Dominican Republic
Ecuador
Egypt
El Salvador
Equatorial Guinea
Eritrea
Estonia
Eswatini
Ethiopia
Falkland Islands
Faroe Islands
Fiji
Finland
French Guiana
French Polynesia
Gabon
Gambia
Georgia
Ghana
Gibraltar
Greece
Greenland
Grenada
Guadeloupe
Guam
Guatemala
Guernsey
Guinea
Guinea-Bissau
Guyana
Haiti
Honduras
Hungary
Iceland
Indonesia
Iran
Iraq
Ireland
Isle of Man
Israel
Jamaica
Jersey
Jordan
Kazakhstan
Kenya
Kiribati
Kosovo
Kuwait
Kyrgyzstan
Laos
Latvia
Lebanon
Lesotho
Liberia
Libya
Liechtenstein
Lithuania
Luxembourg
Macao(China)
Madagascar
Malawi
Maldives
Mali
Malta
Marshall Islands
Martinique
Mauritania
Mauritius
Mayotte
Micronesia
Moldova
Monaco
Mongolia
Montenegro
Montserrat
Morocco
Mozambique
Myanmar
Namibia
Nauru
Nepal
New Caledonia
New Zealand
Nicaragua
Niger
Nigeria
Niue
Norfolk Island
North Korea
North Macedonia
Northern Mariana Islands
Norway
Oman
Pakistan
Palau
Palestinian Authority
Panama
Papua New Guinea
Paraguay
Peru
Philippines
Pitcairn Islands
Portugal
Puerto Rico
Qatar
Réunion
Romania
Rwanda
Samoa
San Marino
São Tomé & Príncipe
Saudi Arabia
Senegal
Serbia
Seychelles
Sierra Leone
Sint Maarten
Slovakia
Slovenia
Solomon Islands
Somalia
South Africa
South Sudan
Sri Lanka
St Helena, Ascension, Tristan da Cunha
St. Barthélemy
St. Kitts & Nevis
St. Lucia
St. Martin
St. Pierre & Miquelon
St. Vincent & Grenadines
Sudan
Suriname
Svalbard & Jan Mayen
Sweden
Syria
Tajikistan
Tanzania
Timor-Leste
Togo
Tokelau
Tonga
Trinidad & Tobago
Tunisia
Turkey
Turkmenistan
Turks & Caicos Islands
Tuvalu
U.S. Outlying Islands
U.S. Virgin Islands
Uganda
Ukraine
Uruguay
Uzbekistan
Vanuatu
Vatican City
Venezuela
Wallis & Futuna
Yemen
Zambia
Zimbabwe





