ADG1408 Multiplexer: Datasheet, Circuit and Price
120ns, 120ns 4.7Ohm DUAL Analog Switches BREAK-BEFORE-MAKE ADG1408 16 Pins 200pA 5V 16-TSSOP (0.173, 4.40mm Width)









120ns, 120ns 4.7Ohm DUAL Analog Switches BREAK-BEFORE-MAKE ADG1408 16 Pins 200pA 5V 16-TSSOP (0.173, 4.40mm Width)
The ADG1408/ADG1409 are monolithic iCMOS® analogue multiplexers comprising eight single channels and four differential channels, respectively. This article will unlock more details about ADG1408. There is a huge range of Semiconductors, Capacitors, Resistors and ICs in stock.
ADG1408 Pinout

ADG1408 Pinout
ADG1408 CAD Model
Symbol

ADG1408 Symbol
Footprint

ADG1408 Footprint
3D Model

ADG1408 3D Model
ADG1408 Overview
The ADG1408/ADG1409 are monolithic iCMOS® analogue multiplexers comprising eight single channels and four differential channels, respectively.
The industrial CMOS (iCMOS) modular manufacturing process combines high voltage complementary metal-oxide-semiconductor (CMOS) and bipolar technologies. It enables the development of a wide range of high-performance analog ICs capable of 33 V operation in a footprint that no other generation of high voltage devices has been able to achieve. Unlike analogue ICs using conventional CMOS processes, iCMOS components can tolerate high supply voltages while providing increased performance, dramatically lower power consumption, and reduced package size.
ADG1408 Manufacturer
Analog Devices is an international market leader in the design, production, and commercialization of a large range of high-performance integrated circuits (ICs) for analogue, mixed-signal, and digital signals (DSP) processing of almost all electronic systems. Since we started in 1965, the focus has been on the engineering challenge in electronic equipment related to signal to process. Our signal processing solutions, utilized by over 100,000 customers worldwide, play a key role in the conversion, conditioning, and processing of real-world events such as temperature, pressure, sonority, illumination, speed, and movement to electric signals for a wide range of electronic devices.
ADG1408 Features
4.7 Ω maximum on resistance at 25°C
0.5 Ω on-resistance flatness
Up to 190 mA continuous current
Fully specified at ±15 V/+12 V/±5 V
3 V logic-compatible inputs
Rail-to-rail operation
Break-before-make switching action
16-lead TSSOP and 4 mm × 4 mm LFCSP
ADG1408 Application
Relay replacement
Audio and video routing
Automatic test equipment
Data acquisition systems
Temperature measurement systems
Avionics Battery-powered systems
Communication systems Medical equipment
ADG1408 vs. ADG1409
The ADG1408 switches one of eight inputs to a common output, as determined by the 3-bit binary address lines, A0, A1, and A2.
The ADG1409 switches one of four differential inputs to a common differential output, as determined by the 2-bit binary address lines, A0 and A1. An EN input on both devices is used to enable or disable the device. When disabled, all channels are switched off.
Functional Block Diagram

ADG1408 vs. ADG1409 Functional Block Diagram
ADG1408 Circuit

ADG1408-Address to Output Switching Times, tTRANSITION

ADG1408-Break-Before-Make Delay, tBBM

ADG1408 Enable Delay, tON (EN), tOFF (EN)

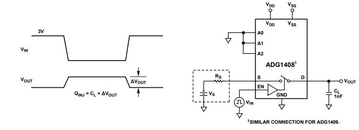
ADG1408 Charge Injection
ADG1408 Package


ADG1408 Package
Specifications
- TypeParameter
- Lifecycle Status
Lifecycle Status refers to the current stage of an electronic component in its product life cycle, indicating whether it is active, obsolete, or transitioning between these states. An active status means the component is in production and available for purchase. An obsolete status indicates that the component is no longer being manufactured or supported, and manufacturers typically provide a limited time frame for support. Understanding the lifecycle status is crucial for design engineers to ensure continuity and reliability in their projects.
PRODUCTION (Last Updated: 3 months ago) - Factory Lead Time8 Weeks
- Contact Plating
Contact plating (finish) provides corrosion protection for base metals and optimizes the mechanical and electrical properties of the contact interfaces.
Tin - Mounting Type
The "Mounting Type" in electronic components refers to the method used to attach or connect a component to a circuit board or other substrate, such as through-hole, surface-mount, or panel mount.
Surface Mount - Package / Case
refers to the protective housing that encases an electronic component, providing mechanical support, electrical connections, and thermal management.
16-TSSOP (0.173, 4.40mm Width) - Surface Mount
having leads that are designed to be soldered on the side of a circuit board that the body of the component is mounted on.
YES - Number of Pins16
- Turn Off Delay Time
It is the time from when Vgs drops below 90% of the gate drive voltage to when the drain current drops below 90% of the load current. It is the delay before current starts to transition in the load, and depends on Rg. Ciss.
100 ns - Operating Temperature
The operating temperature is the range of ambient temperature within which a power supply, or any other electrical equipment, operate in. This ranges from a minimum operating temperature, to a peak or maximum operating temperature, outside which, the power supply may fail.
-40°C~125°C TA - Packaging
Semiconductor package is a carrier / shell used to contain and cover one or more semiconductor components or integrated circuits. The material of the shell can be metal, plastic, glass or ceramic.
Tube - JESD-609 Code
The "JESD-609 Code" in electronic components refers to a standardized marking code that indicates the lead-free solder composition and finish of electronic components for compliance with environmental regulations.
e3 - Pbfree Code
The "Pbfree Code" parameter in electronic components refers to the code or marking used to indicate that the component is lead-free. Lead (Pb) is a toxic substance that has been widely used in electronic components for many years, but due to environmental concerns, there has been a shift towards lead-free alternatives. The Pbfree Code helps manufacturers and users easily identify components that do not contain lead, ensuring compliance with regulations and promoting environmentally friendly practices. It is important to pay attention to the Pbfree Code when selecting electronic components to ensure they meet the necessary requirements for lead-free applications.
no - Part Status
Parts can have many statuses as they progress through the configuration, analysis, review, and approval stages.
Active - Moisture Sensitivity Level (MSL)
Moisture Sensitivity Level (MSL) is a standardized rating that indicates the susceptibility of electronic components, particularly semiconductors, to moisture-induced damage during storage and the soldering process, defining the allowable exposure time to ambient conditions before they require special handling or baking to prevent failures
1 (Unlimited) - Number of Terminations16
- ECCN Code
An ECCN (Export Control Classification Number) is an alphanumeric code used by the U.S. Bureau of Industry and Security to identify and categorize electronic components and other dual-use items that may require an export license based on their technical characteristics and potential for military use.
EAR99 - Resistance
Resistance is a fundamental property of electronic components that measures their opposition to the flow of electric current. It is denoted by the symbol "R" and is measured in ohms (Ω). Resistance is caused by the collisions of electrons with atoms in a material, which generates heat and reduces the flow of current. Components with higher resistance will impede the flow of current more than those with lower resistance. Resistance plays a crucial role in determining the behavior and functionality of electronic circuits, such as limiting current flow, voltage division, and controlling power dissipation.
4Ohm - Max Power Dissipation
The maximum power that the MOSFET can dissipate continuously under the specified thermal conditions.
4.9mW - Terminal Position
In electronic components, the term "Terminal Position" refers to the physical location of the connection points on the component where external electrical connections can be made. These connection points, known as terminals, are typically used to attach wires, leads, or other components to the main body of the electronic component. The terminal position is important for ensuring proper connectivity and functionality of the component within a circuit. It is often specified in technical datasheets or component specifications to help designers and engineers understand how to properly integrate the component into their circuit designs.
DUAL - Terminal Form
Occurring at or forming the end of a series, succession, or the like; closing; concluding.
GULL WING - Peak Reflow Temperature (Cel)
Peak Reflow Temperature (Cel) is a parameter that specifies the maximum temperature at which an electronic component can be exposed during the reflow soldering process. Reflow soldering is a common method used to attach electronic components to a circuit board. The Peak Reflow Temperature is crucial because it ensures that the component is not damaged or degraded during the soldering process. Exceeding the specified Peak Reflow Temperature can lead to issues such as component failure, reduced performance, or even permanent damage to the component. It is important for manufacturers and assemblers to adhere to the recommended Peak Reflow Temperature to ensure the reliability and functionality of the electronic components.
260 - Number of Functions1
- Supply Voltage
Supply voltage refers to the electrical potential difference provided to an electronic component or circuit. It is crucial for the proper operation of devices, as it powers their functions and determines performance characteristics. The supply voltage must be within specified limits to ensure reliability and prevent damage to components. Different electronic devices have specific supply voltage requirements, which can vary widely depending on their design and intended application.
5V - Time@Peak Reflow Temperature-Max (s)
Time@Peak Reflow Temperature-Max (s) refers to the maximum duration that an electronic component can be exposed to the peak reflow temperature during the soldering process, which is crucial for ensuring reliable solder joint formation without damaging the component.
30 - Base Part Number
The "Base Part Number" (BPN) in electronic components serves a similar purpose to the "Base Product Number." It refers to the primary identifier for a component that captures the essential characteristics shared by a group of similar components. The BPN provides a fundamental way to reference a family or series of components without specifying all the variations and specific details.
ADG1408 - Pin Count
a count of all of the component leads (or pins)
16 - Operating Supply Voltage
The voltage level by which an electrical system is designated and to which certain operating characteristics of the system are related.
12V - Number of Channels8
- Interface
In electronic components, the term "Interface" refers to the point at which two different systems, devices, or components connect and interact with each other. It can involve physical connections such as ports, connectors, or cables, as well as communication protocols and standards that facilitate the exchange of data or signals between the connected entities. The interface serves as a bridge that enables seamless communication and interoperability between different parts of a system or between different systems altogether. Designing a reliable and efficient interface is crucial in ensuring proper functionality and performance of electronic components and systems.
Parallel - Number of Circuits1
- Max Supply Voltage
In general, the absolute maximum common-mode voltage is VEE-0.3V and VCC+0.3V, but for products without a protection element at the VCC side, voltages up to the absolute maximum rated supply voltage (i.e. VEE+36V) can be supplied, regardless of supply voltage.
16.5V - Min Supply Voltage
The minimum supply voltage (V min ) is explored for sequential logic circuits by statistically simulating the impact of within-die process variations and gate-dielectric soft breakdown on data retention and hold time.
5V - Analog IC - Other Type
Analog IC - Other Type is a parameter used to categorize electronic components that are integrated circuits (ICs) designed for analog signal processing but do not fall into more specific subcategories such as amplifiers, comparators, or voltage regulators. These ICs may include specialized analog functions such as analog-to-digital converters (ADCs), digital-to-analog converters (DACs), voltage references, or signal conditioning circuits. They are typically used in various applications where precise analog signal processing is required, such as in audio equipment, instrumentation, communication systems, and industrial control systems. Manufacturers provide detailed specifications for these components to help engineers select the most suitable IC for their specific design requirements.
SINGLE-ENDED MULTIPLEXER - Nominal Supply Current
Nominal current is the same as the rated current. It is the current drawn by the motor while delivering rated mechanical output at its shaft.
1μA - Power Dissipation
the process by which an electronic or electrical device produces heat (energy loss or waste) as an undesirable derivative of its primary action.
4.9mW - Number of Bits8
- Throw Configuration
"Throw Configuration" is a term commonly used in the context of switches and relays in electronic components. It refers to the number of positions or states that the switch or relay can be set to. For example, a single-throw (ST) configuration means the switch has only one position, while a double-throw (DT) configuration means the switch has two positions.The throw configuration is important because it determines the versatility and functionality of the switch or relay. Different applications may require different throw configurations to control the flow of current or signals effectively. Understanding the throw configuration of a component is crucial for proper installation and operation within an electronic circuit.
SPST - Voltage - Supply, Single/Dual (±)
The parameter "Voltage - Supply, Single/Dual (±)" in electronic components refers to the power supply voltage required for the proper operation of the component. This parameter indicates whether the component requires a single power supply voltage (e.g., 5V) or a dual power supply voltage (e.g., ±15V). For components that require a single power supply voltage, only one voltage level is needed for operation. On the other hand, components that require a dual power supply voltage need both positive and negative voltage levels to function correctly.Understanding the voltage supply requirements of electronic components is crucial for designing and integrating them into circuits to ensure proper functionality and prevent damage due to incorrect voltage levels.
5V~16.5V ±4.5V~16.5V - Neg Supply Voltage-Nom (Vsup)
The parameter "Neg Supply Voltage-Nom (Vsup)" in electronic components refers to the nominal negative supply voltage that the component requires to operate within its specified performance characteristics. This parameter indicates the minimum voltage level that must be provided to the component's negative supply pin for proper functionality. It is important to ensure that the negative supply voltage provided to the component does not exceed the maximum specified value to prevent damage or malfunction. Understanding and adhering to the specified negative supply voltage requirements is crucial for the reliable operation of the electronic component in a circuit.
-5V - Max Dual Supply Voltage
A Dual power supply is a regular direct current power supply. It can provide a positive as well as negative voltage. It ensures stable power supply to the device as well as it helps to prevent system damage.
16.5V - On-State Resistance (Max)
The "On-State Resistance (Max)" parameter in electronic components refers to the maximum resistance exhibited by the component when it is in the fully conducting state. This resistance is typically measured when the component is carrying the maximum specified current. A lower on-state resistance indicates better conductivity and efficiency of the component when it is in the on-state. It is an important parameter to consider when selecting components for applications where low power dissipation and high efficiency are critical factors.
4.7Ohm - Min Dual Supply Voltage
The parameter "Min Dual Supply Voltage" in electronic components refers to the minimum voltage required for the proper operation of a device that uses dual power supplies. Dual power supplies typically consist of a positive and a negative voltage source. The "Min Dual Supply Voltage" specification ensures that both the positive and negative supply voltages are within a certain range to guarantee the device functions correctly. It is important to adhere to this parameter to prevent damage to the component and ensure reliable performance.
4.5V - High Level Output Current
High-level Output Current IOH The current flowing into the output at a specified high- level voltage. Low-level Output Current IOL The current flowing into the output at a specified low- level output voltage.
30mA - Dual Supply Voltage
Dual Supply Voltage refers to an electronic component's requirement for two separate power supply voltages, typically one positive and one negative. This configuration is commonly used in operational amplifiers, analog circuits, and certain digital devices to allow for greater signal handling capabilities and improved performance. The use of dual supply voltages enables the device to process bipolar signals, thereby enhancing its functionality in various applications.
5V - Multiplexer/Demultiplexer Circuit
A Multiplexer/Demultiplexer Circuit is an electronic component used in digital circuits to select one of several input signals and route it to a single output. A multiplexer, also known as a "mux," is used to combine multiple input signals into a single output, while a demultiplexer, also known as a "demux," is used to take a single input and route it to one of several possible outputs. These circuits are commonly used in data transmission, communication systems, and digital signal processing applications to efficiently manage and control the flow of data. Multiplexers and demultiplexers play a crucial role in optimizing the use of resources and improving the overall performance of electronic systems.
8:1 - Off-state Isolation-Nom
Off-state Isolation-Nom is a parameter used to measure the level of isolation between two electronic components or circuits when one of them is in the off state. It indicates the ability of the component to prevent unwanted signals or interference from passing through when it is not actively conducting. The parameter is typically expressed in decibels (dB) and is an important consideration in designing and selecting components for applications where isolation between different parts of a circuit is critical to prevent crosstalk or interference. Higher values of Off-state Isolation-Nom indicate better isolation performance, leading to improved overall system reliability and performance.
70 dB - Current - Leakage (IS(off)) (Max)
Current - Leakage (IS(off)) (Max) refers to the maximum amount of current that flows through a device when it is in its off state, meaning it is not conducting or not intended to be active. This parameter is crucial in determining the efficiency of electronic components, especially in battery-operated devices, as higher leakage currents can lead to increased power consumption and reduced battery life. It is typically measured in microamperes (µA) or milliamperes (mA) and helps engineers assess the suitability of a component for low-power applications.
200pA - Channel Capacitance (CS(off), CD(off))
Channel capacitance (CS(off), CD(off)) in electronic components refers to the capacitance associated with the channel of a field-effect transistor (FET) when it is turned off. CS(off) represents the capacitance between the source and the gate of the FET, while CD(off) represents the capacitance between the drain and the gate. These capacitances play a crucial role in determining the high-frequency performance and switching characteristics of the FET. Understanding and controlling these capacitances is essential for optimizing the performance of electronic circuits, especially in high-speed applications where minimizing parasitic capacitances is critical for achieving desired signal integrity and efficiency.
14pF 80pF - On-state Resistance Match-Nom
On-state Resistance Match-Nom refers to the nominal or standard value of the on-state resistance for a specific electronic component, such as a transistor or a MOSFET, when it is in its "on" state. This parameter indicates how much resistance the component presents to current flow during its conducting phase, which affects power dissipation and efficiency. Matching this value across multiple devices is crucial for ensuring consistent performance in applications where several components operate together.
0.78Ohm - Switch Time (Ton, Toff) (Max)
The parameter "Switch Time (Ton, Toff) (Max)" in electronic components refers to the maximum time it takes for a device to transition between its on and off states. Ton represents the turn-on time, which is the time taken for the device to switch from the off state to the on state, while Toff represents the turn-off time, which is the time taken for the device to switch from the on state to the off state. This parameter is crucial in determining the speed and efficiency of the device's switching operation. A shorter switch time generally indicates faster switching speeds and better performance of the electronic component.
120ns, 120ns - Charge Injection
A Charge injection in analog switches and multiplexers is a level change caused by stray capacitance associated with the NMOS and PMOS transistors that make up the analog switch.
-50pC - Channel-to-Channel Matching (ΔRon)
Channel-to-Channel Matching (ΔRon) refers to the variation in the on-resistance of multiple channels within a multi-channel electronic component, such as a multiplexer or a switch. It is a measure of how closely the on-resistance values of different channels match each other. The lower the ΔRon value, the better the matching between channels, which is important for ensuring consistent performance across all channels in a system. Channel-to-Channel Matching is critical in applications where precise and uniform signal processing is required, such as in instrumentation, audio equipment, and communication systems. Manufacturers provide specifications for ΔRon to help designers select components that meet their performance requirements.
200m Ω - Switching
In electronic components, "Switching" refers to the process of turning a device on or off, or changing its state from one condition to another. This parameter is crucial in determining the speed and efficiency of a component's operation. It is often measured in terms of switching time, which is the time taken for a device to transition from one state to another. The switching characteristics of a component play a significant role in its overall performance and reliability in electronic circuits.
BREAK-BEFORE-MAKE - Switch-on Time-Max
Switch-on Time-Max is a parameter in electronic components that refers to the maximum time it takes for a device to turn on completely after receiving a signal or command. This parameter is crucial in determining the responsiveness and efficiency of the component in various applications. A shorter switch-on time-max indicates a faster response time, which is important in applications where quick activation is required. Manufacturers provide this specification to help users understand the performance characteristics of the component and ensure it meets the requirements of their specific application.
330ns - Signal Current-Max
Signal Current-Max is a parameter in electronic components that specifies the maximum current that can safely flow through the component while maintaining proper functionality. This parameter is crucial for ensuring the component's reliability and preventing damage due to excessive current flow. It is important to adhere to the Signal Current-Max rating to avoid overheating, performance degradation, or even permanent failure of the component. Manufacturers provide this specification to help users operate the component within safe limits and optimize its performance in various electronic circuits.
0.03A - Height1.05mm
- Length5mm
- Width4.4mm
- REACH SVHC
The parameter "REACH SVHC" in electronic components refers to the compliance with the Registration, Evaluation, Authorization, and Restriction of Chemicals (REACH) regulation regarding Substances of Very High Concern (SVHC). SVHCs are substances that may have serious effects on human health or the environment, and their use is regulated under REACH to ensure their safe handling and minimize their impact.Manufacturers of electronic components need to declare if their products contain any SVHCs above a certain threshold concentration and provide information on the safe use of these substances. This information allows customers to make informed decisions about the potential risks associated with using the components and take appropriate measures to mitigate any hazards.Ensuring compliance with REACH SVHC requirements is essential for electronics manufacturers to meet regulatory standards, protect human health and the environment, and maintain transparency in their supply chain. It also demonstrates a commitment to sustainability and responsible manufacturing practices in the electronics industry.
No SVHC - Radiation Hardening
Radiation hardening is the process of making electronic components and circuits resistant to damage or malfunction caused by high levels of ionizing radiation, especially for environments in outer space (especially beyond the low Earth orbit), around nuclear reactors and particle accelerators, or during nuclear accidents or nuclear warfare.
No - RoHS Status
RoHS means “Restriction of Certain Hazardous Substances” in the “Hazardous Substances Directive” in electrical and electronic equipment.
ROHS3 Compliant - Lead Free
Lead Free is a term used to describe electronic components that do not contain lead as part of their composition. Lead is a toxic material that can have harmful effects on human health and the environment, so the electronics industry has been moving towards lead-free components to reduce these risks. Lead-free components are typically made using alternative materials such as silver, copper, and tin. Manufacturers must comply with regulations such as the Restriction of Hazardous Substances (RoHS) directive to ensure that their products are lead-free and environmentally friendly.
Contains Lead
Parts with Similar Specs
- ImagePart NumberManufacturerPackage / CaseNumber of PinsNumber of CircuitsHigh Level Output CurrentMin Dual Supply VoltageMin Supply VoltageSupply VoltageMax Dual Supply VoltageView Compare
ADG1408YRUZ
16-TSSOP (0.173, 4.40mm Width)
16
1
30 mA
4.5 V
5 V
5 V
16.5 V
16-TSSOP (0.173, 4.40mm Width)
16
1
30 mA
5 V
13 V
15 V
20 V
16-TSSOP (0.173, 4.40mm Width)
16
1
-
5 V
5 V
15 V
16.5 V
16-TSSOP (0.173, 4.40mm Width)
16
1
-
5 V
5 V
15 V
16.5 V
Datasheet PDF
- Datasheets :
ADG1408YRUZ-Analog-Devices-datasheet-7575086.pdf
ADG1408YRUZ-Analog-Devices-datasheet-131591.pdf
ADG1408YRUZ-Analog-Devices-datasheet-14118777.pdf
ADG1408YRUZ-Analog-Devices-datasheet-86814143.pdf
ADG1408YRUZ-Analog-Devices-datasheet-100357570.pdf
ADG1408YRUZ-Analog-Devices-datasheet-10544558.pdf
pid_7854535_adg1408yruz-analog-devices-datasheet-10544558.pdf
- Other Related Documents :
- ConflictMineralStatement :
Popularity by Region
What is ADG1408?
The ADG1408/ADG1409 are monolithic iCMOS® analogue multiplexers comprising eight single channels and four differential channels, respectively. The industrial CMOS (iCMOS) modular manufacturing process combines high voltage complementary metal-oxide-semiconductor (CMOS) and bipolar technologies. It enables the development of a wide range of high-performance analog ICs capable of 33 V operation in a footprint that no other generation of high voltage devices has been able to achieve. Unlike analogue ICs using conventional CMOS processes, iCMOS components can tolerate high supply voltages while providing increased performance, dramatically lower power consumption, and reduced package size.
What is a multiplexer?
A multiplexer (MUX) is a device that can accept multiple input signals and synthesize a single output signal for each input signal in a recoverable manner. It's also an integrated system with a set of data inputs and a single output.
What is multiplexer with example?
The term "multiplexer" refers to a device that combines several functions into one. A multiplexer is a circuit that allows you to choose and route any of several input signals to a single output. A single-pole multi-position switch is a simple example of a multiplexer's non-electronic circuit. This duty is too difficult for a mechanical switch to handle.
How do multiplexers work?
A multiplexer is a system of multiple inputs and just one output to receive signals coming from multiple acquisition networks. The device transfers all input signals to a microprocessor, which receives and processes the data, transmits it to the output devices and controls the system as a whole.
SS16 DIODE Schottky Rectifier 60 V 1 A SMA[FAQ]: Datasheet, Features, and Applications10 March 20222085
LIS3DH vs. ADXL345 Which one is better?23 April 20226138
AD8138ARZ High-Speed Differential Amplifier: 320MHz Bandwidth, Low Distortion for Precision Applications23 July 2025257
LM318 OP-AMP: Datasheet, Pinout, Alternatives and Circuit09 September 20216543
2N5486 Transistor: 2N5486 vs. MPF102, Equivalent, Datasheet18 April 20224496
XRP7675 Step-Down Regulator: Pinout, Features and Datasheet16 March 2022759
Microchip PIC16F1829ESS Microcontroller Datasheet Overview29 February 2024106
Unveiling the Atmel SAM D21E / SAM D21G / SAM D21J Microcontroller28 February 2024360
Millimeter Wave Radar: Advantages, Types, and Applications18 October 202119240
Clamp Diodes: Principles, Functions, and Applications17 January 202652867
800G Optical Transceivers: The Guide for AI Data Centers24 December 20252227
Volkswagen CFO: Chip Supply Shortage Will Continue Until 202411 April 20224732
What are TPMS Sensors?21 November 20204662
Understanding Photodiodes: Working Principles and Applications - Part 108 July 20243811
Getting Started with Raspberry Pi: A Beginner's Guide23 August 20234445
Introduction to Five Types of Classic Power Supply Circuits08 March 20226885
Analog Devices Inc.
In Stock
United States
China
Canada
Japan
Russia
Germany
United Kingdom
Singapore
Italy
Hong Kong(China)
Taiwan(China)
France
Korea
Mexico
Netherlands
Malaysia
Austria
Spain
Switzerland
Poland
Thailand
Vietnam
India
United Arab Emirates
Afghanistan
Åland Islands
Albania
Algeria
American Samoa
Andorra
Angola
Anguilla
Antigua & Barbuda
Argentina
Armenia
Aruba
Australia
Azerbaijan
Bahamas
Bahrain
Bangladesh
Barbados
Belarus
Belgium
Belize
Benin
Bermuda
Bhutan
Bolivia
Bonaire, Sint Eustatius and Saba
Bosnia & Herzegovina
Botswana
Brazil
British Indian Ocean Territory
British Virgin Islands
Brunei
Bulgaria
Burkina Faso
Burundi
Cabo Verde
Cambodia
Cameroon
Cayman Islands
Central African Republic
Chad
Chile
Christmas Island
Cocos (Keeling) Islands
Colombia
Comoros
Congo
Congo (DRC)
Cook Islands
Costa Rica
Côte d’Ivoire
Croatia
Cuba
Curaçao
Cyprus
Czechia
Denmark
Djibouti
Dominica
Dominican Republic
Ecuador
Egypt
El Salvador
Equatorial Guinea
Eritrea
Estonia
Eswatini
Ethiopia
Falkland Islands
Faroe Islands
Fiji
Finland
French Guiana
French Polynesia
Gabon
Gambia
Georgia
Ghana
Gibraltar
Greece
Greenland
Grenada
Guadeloupe
Guam
Guatemala
Guernsey
Guinea
Guinea-Bissau
Guyana
Haiti
Honduras
Hungary
Iceland
Indonesia
Iran
Iraq
Ireland
Isle of Man
Israel
Jamaica
Jersey
Jordan
Kazakhstan
Kenya
Kiribati
Kosovo
Kuwait
Kyrgyzstan
Laos
Latvia
Lebanon
Lesotho
Liberia
Libya
Liechtenstein
Lithuania
Luxembourg
Macao(China)
Madagascar
Malawi
Maldives
Mali
Malta
Marshall Islands
Martinique
Mauritania
Mauritius
Mayotte
Micronesia
Moldova
Monaco
Mongolia
Montenegro
Montserrat
Morocco
Mozambique
Myanmar
Namibia
Nauru
Nepal
New Caledonia
New Zealand
Nicaragua
Niger
Nigeria
Niue
Norfolk Island
North Korea
North Macedonia
Northern Mariana Islands
Norway
Oman
Pakistan
Palau
Palestinian Authority
Panama
Papua New Guinea
Paraguay
Peru
Philippines
Pitcairn Islands
Portugal
Puerto Rico
Qatar
Réunion
Romania
Rwanda
Samoa
San Marino
São Tomé & Príncipe
Saudi Arabia
Senegal
Serbia
Seychelles
Sierra Leone
Sint Maarten
Slovakia
Slovenia
Solomon Islands
Somalia
South Africa
South Sudan
Sri Lanka
St Helena, Ascension, Tristan da Cunha
St. Barthélemy
St. Kitts & Nevis
St. Lucia
St. Martin
St. Pierre & Miquelon
St. Vincent & Grenadines
Sudan
Suriname
Svalbard & Jan Mayen
Sweden
Syria
Tajikistan
Tanzania
Timor-Leste
Togo
Tokelau
Tonga
Trinidad & Tobago
Tunisia
Turkey
Turkmenistan
Turks & Caicos Islands
Tuvalu
U.S. Outlying Islands
U.S. Virgin Islands
Uganda
Ukraine
Uruguay
Uzbekistan
Vanuatu
Vatican City
Venezuela
Wallis & Futuna
Yemen
Zambia
Zimbabwe


Product
Brand
Articles
Tools







