AT90CAN128 Microcontroller: Pinout, Equivalent and Datasheet
128KB 128K x 8 FLASH AVR 8-Bit Microcontroller AVR® 90CAN Series AT90CAN128 64 Pin 5V 64-VFQFN Exposed Pad









128KB 128K x 8 FLASH AVR 8-Bit Microcontroller AVR® 90CAN Series AT90CAN128 64 Pin 5V 64-VFQFN Exposed Pad
The AT90CAN128 is a low-power CMOS 8-bit microcontroller based on the AVR enhanced RISC architecture. By executing powerful instructions in a single clock cycle, the AT90CAN128 achieves throughputs approaching 1 MIPS per MHz allowing the system designer to optimize power consumption versus processing speed. Furthermore, Huge range of Semiconductors, Capacitors, Resistors and IcS in stock. Welcome RFQ.

What is a microcontroller and how microcontroller works
AT90CAN128 Pinout
The following figure is the diagram of AT90CAN128 pinout.

Pinout
AT90CAN128 CAD Model
The followings are AT90CAN128 Symbol, Footprint, and 3D Model.

PCB Symbol

PCB Footprint

3D Model
AT90CAN128 Overview
The AT90CAN128 is a low-power CMOS 8-bit microcontroller based on the AVR enhanced RISC architecture. By executing powerful instructions in a single clock cycle, the AT90CAN128 achieves throughputs approaching 1 MIPS per MHz allowing the system designer to optimize power consumption versus processing speed. AT90CAN128 is hardware and software compatible.
This article provides you with a basic overview of the AT90CAN128 Microcontroller, including its pin descriptions, features and specifications, etc., to help you quickly understand what AT90CAN128 is.
AT90CAN128 Features
● High-performance, Low-power AVR® 8-bit Microcontroller
● Advanced RISC Architecture
◆ 133 Powerful Instructions – Most Single Clock Cycle Execution
◆ 32 x 8 General Purpose Working Registers + Peripheral Control Registers
◆ Fully Static Operation
◆ Up to 16 MIPS Throughput at 16 MHz
◆ On-chip 2-cycle Multiplier
● Non volatile Program and Data Memories
◆ 128K Bytes of In-System Reprogrammable Flash
★ Endurance: 10,000 Write/Erase Cycles
◆ Optional Boot Code Section with Independent Lock Bits
★ Selectable Boot Size: 1K Bytes, 2K Bytes, 4K Bytes or 8K Bytes
★ In-System Programming by On-Chip Boot Program (CAN, UART, ...)
★ True Read-While-Write Operation
◆ 4K Bytes EEPROM (Endurance: 100,000 Write/Erase Cycles)
◆ 4K Bytes Internal SRAM
◆ Up to 64K Bytes Optional External Memory Space
◆ Programming Lock for Software Security
● JTAG (IEEE std. 1149.1 Compliant) Interface
◆ Boundary-scan Capabilities According to the JTAG Standard
◆ Programming Flash (Hardware ISP), EEPROM, Lock & Fuse Bits
◆ Extensive On-chip Debug Support
● CAN Controller 2.0A & 2.0B - ISO 16845 Certified
◆ 15 Full Message Objects with Separate Identifier Tags and Masks
◆ Transmit, Receive, Automatic Reply and Frame Buffer Receive Modes
◆ 1Mbits/s Maximum Transfer Rate at 8 MHz
◆ Time stamping, TTC & Listening Mode (Spying or Autobaud)
● Peripheral Features
◆ Programmable Watchdog Timer with On-chip Oscillator
◆ 8-bit Synchronous Timer/Counter-0
★ 10-bit Prescaler
★ External Event Counter
★ Output Compare or 8-bit PWM Output
◆ 8-bit Asynchronous Timer/Counter-2
★ 10-bit Prescaler
★ External Event Counter
★ Output Compare or 8-Bit PWM Output
★ 32Khz Oscillator for RTC Operation
◆ Dual 16-bit Synchronous Timer/Counters-1 & 3
★ 10-bit Prescaler
★ Input Capture with Noise Canceler
★ External Event Counter
★ 3-Output Compare or 16-Bit PWM Output
★ Output Compare Modulation
◆ 8-channel, 10-bit SAR ADC
★ 8 Single-ended Channels
★ 7 Differential Channels
★ 2 Differential Channels With Programmable Gain at 1x, 10x, or 200x
◆ On-chip Analog Comparator
◆ Byte-oriented Two-wire Serial Interface
◆ Dual Programmable Serial USART
◆ Master/Slave SPI Serial Interface
★ Programming Flash (Hardware ISP)
● Special Microcontroller Features
◆ Power-on Reset and Programmable Brown-out Detection
◆ Internal Calibrated RC Oscillator
◆ 8 External Interrupt Sources
◆ 5 Sleep Modes: Idle, ADC Noise Reduction, Power-save, Power-down & Standby
◆ Software Selectable Clock Frequency
◆ Global Pull-up Disable
● I/O and Packages
◆ 53 Programmable I/O Lines
◆ 64-lead TQFP and 64-lead QFN
● Operating Voltages: 2.7 - 5.5V
● Operating temperature: Industrial (-40°C to +85°C)
● Maximum Frequency: 8 MHz at 2.7V, 16 MHz at 4.5V
Specifications
- TypeParameter
- Factory Lead Time14 Weeks
- Mounting Type
The "Mounting Type" in electronic components refers to the method used to attach or connect a component to a circuit board or other substrate, such as through-hole, surface-mount, or panel mount.
Surface Mount - Package / Case
refers to the protective housing that encases an electronic component, providing mechanical support, electrical connections, and thermal management.
64-VFQFN Exposed Pad - Surface Mount
having leads that are designed to be soldered on the side of a circuit board that the body of the component is mounted on.
YES - Number of Pins64
- Data ConvertersA/D 8x10b
- Number of I/Os53
- ROM(word)131072
- Operating Temperature
The operating temperature is the range of ambient temperature within which a power supply, or any other electrical equipment, operate in. This ranges from a minimum operating temperature, to a peak or maximum operating temperature, outside which, the power supply may fail.
-40°C~85°C TA - Packaging
Semiconductor package is a carrier / shell used to contain and cover one or more semiconductor components or integrated circuits. The material of the shell can be metal, plastic, glass or ceramic.
Tray - Series
In electronic components, the "Series" refers to a group of products that share similar characteristics, designs, or functionalities, often produced by the same manufacturer. These components within a series typically have common specifications but may vary in terms of voltage, power, or packaging to meet different application needs. The series name helps identify and differentiate between various product lines within a manufacturer's catalog.
AVR® 90CAN - Published2005
- JESD-609 Code
The "JESD-609 Code" in electronic components refers to a standardized marking code that indicates the lead-free solder composition and finish of electronic components for compliance with environmental regulations.
e3 - Pbfree Code
The "Pbfree Code" parameter in electronic components refers to the code or marking used to indicate that the component is lead-free. Lead (Pb) is a toxic substance that has been widely used in electronic components for many years, but due to environmental concerns, there has been a shift towards lead-free alternatives. The Pbfree Code helps manufacturers and users easily identify components that do not contain lead, ensuring compliance with regulations and promoting environmentally friendly practices. It is important to pay attention to the Pbfree Code when selecting electronic components to ensure they meet the necessary requirements for lead-free applications.
yes - Part Status
Parts can have many statuses as they progress through the configuration, analysis, review, and approval stages.
Active - Moisture Sensitivity Level (MSL)
Moisture Sensitivity Level (MSL) is a standardized rating that indicates the susceptibility of electronic components, particularly semiconductors, to moisture-induced damage during storage and the soldering process, defining the allowable exposure time to ambient conditions before they require special handling or baking to prevent failures
3 (168 Hours) - Number of Terminations64
- Terminal Finish
Terminal Finish refers to the surface treatment applied to the terminals or leads of electronic components to enhance their performance and longevity. It can improve solderability, corrosion resistance, and overall reliability of the connection in electronic assemblies. Common finishes include nickel, gold, and tin, each possessing distinct properties suitable for various applications. The choice of terminal finish can significantly impact the durability and effectiveness of electronic devices.
MATTE TIN - Additional Feature
Any Feature, including a modified Existing Feature, that is not an Existing Feature.
ALSO OPERATES AT 2.7V MINIMUM SUPPLY AT 8 MHZ - Terminal Position
In electronic components, the term "Terminal Position" refers to the physical location of the connection points on the component where external electrical connections can be made. These connection points, known as terminals, are typically used to attach wires, leads, or other components to the main body of the electronic component. The terminal position is important for ensuring proper connectivity and functionality of the component within a circuit. It is often specified in technical datasheets or component specifications to help designers and engineers understand how to properly integrate the component into their circuit designs.
QUAD - Terminal Form
Occurring at or forming the end of a series, succession, or the like; closing; concluding.
NO LEAD - Peak Reflow Temperature (Cel)
Peak Reflow Temperature (Cel) is a parameter that specifies the maximum temperature at which an electronic component can be exposed during the reflow soldering process. Reflow soldering is a common method used to attach electronic components to a circuit board. The Peak Reflow Temperature is crucial because it ensures that the component is not damaged or degraded during the soldering process. Exceeding the specified Peak Reflow Temperature can lead to issues such as component failure, reduced performance, or even permanent damage to the component. It is important for manufacturers and assemblers to adhere to the recommended Peak Reflow Temperature to ensure the reliability and functionality of the electronic components.
240 - Supply Voltage
Supply voltage refers to the electrical potential difference provided to an electronic component or circuit. It is crucial for the proper operation of devices, as it powers their functions and determines performance characteristics. The supply voltage must be within specified limits to ensure reliability and prevent damage to components. Different electronic devices have specific supply voltage requirements, which can vary widely depending on their design and intended application.
5V - Terminal Pitch
The center distance from one pole to the next.
0.5mm - Time@Peak Reflow Temperature-Max (s)
Time@Peak Reflow Temperature-Max (s) refers to the maximum duration that an electronic component can be exposed to the peak reflow temperature during the soldering process, which is crucial for ensuring reliable solder joint formation without damaging the component.
NOT SPECIFIED - Base Part Number
The "Base Part Number" (BPN) in electronic components serves a similar purpose to the "Base Product Number." It refers to the primary identifier for a component that captures the essential characteristics shared by a group of similar components. The BPN provides a fundamental way to reference a family or series of components without specifying all the variations and specific details.
AT90CAN128 - Qualification Status
An indicator of formal certification of qualifications.
Not Qualified - Supply Voltage-Max (Vsup)
The parameter "Supply Voltage-Max (Vsup)" in electronic components refers to the maximum voltage that can be safely applied to the component without causing damage. It is an important specification to consider when designing or using electronic circuits to ensure the component operates within its safe operating limits. Exceeding the maximum supply voltage can lead to overheating, component failure, or even permanent damage. It is crucial to adhere to the specified maximum supply voltage to ensure the reliable and safe operation of the electronic component.
5.5V - Power Supplies
an electronic circuit that converts the voltage of an alternating current (AC) into a direct current (DC) voltage.?
3/5V - Supply Voltage-Min (Vsup)
The parameter "Supply Voltage-Min (Vsup)" in electronic components refers to the minimum voltage level required for the component to operate within its specified performance range. This parameter indicates the lowest voltage that can be safely applied to the component without risking damage or malfunction. It is crucial to ensure that the supply voltage provided to the component meets or exceeds this minimum value to ensure proper functionality and reliability. Failure to adhere to the specified minimum supply voltage may result in erratic behavior, reduced performance, or even permanent damage to the component.
4.5V - Oscillator Type
Wien Bridge Oscillator; RC Phase Shift Oscillator; Hartley Oscillator; Voltage Controlled Oscillator; Colpitts Oscillator; Clapp Oscillators; Crystal Oscillators; Armstrong Oscillator.
Internal - Speed
In electronic components, "Speed" typically refers to the rate at which data can be processed or transferred within the component. It is a measure of how quickly the component can perform its functions, such as executing instructions or transmitting signals. Speed is often specified in terms of frequency, such as clock speed in processors or data transfer rate in memory modules. Higher speed components can perform tasks more quickly, leading to improved overall performance in electronic devices. It is an important parameter to consider when designing or selecting electronic components for specific applications.
16MHz - RAM Size
RAM size refers to the amount of random access memory (RAM) available in an electronic component, such as a computer or smartphone. RAM is a type of volatile memory that stores data and instructions that are actively being used by the device's processor. The RAM size is typically measured in gigabytes (GB) and determines how much data the device can store and access quickly for processing. A larger RAM size allows for smoother multitasking, faster loading times, and better overall performance of the electronic component. It is an important factor to consider when choosing a device, especially for tasks that require a lot of memory, such as gaming, video editing, or running multiple applications simultaneously.
4K x 8 - Voltage - Supply (Vcc/Vdd)
Voltage - Supply (Vcc/Vdd) is a key parameter in electronic components that specifies the voltage level required for the proper operation of the device. It represents the power supply voltage that needs to be provided to the component for it to function correctly. This parameter is crucial as supplying the component with the correct voltage ensures that it operates within its specified limits and performance characteristics. It is typically expressed in volts (V) and is an essential consideration when designing and using electronic circuits to prevent damage and ensure reliable operation.
2.7V~5.5V - uPs/uCs/Peripheral ICs Type
The parameter "uPs/uCs/Peripheral ICs Type" refers to the classification of various integrated circuits used in electronic devices. It encompasses microprocessors (uPs), microcontrollers (uCs), and peripheral integrated circuits that provide additional functionalities. This classification helps in identifying the specific type of chip used for processing tasks, controlling hardware, or interfacing with other components in a system. Understanding this parameter is essential for selecting the appropriate electronic components for a given application.
MICROCONTROLLER, RISC - Core Processor
The term "Core Processor" typically refers to the central processing unit (CPU) of a computer or electronic device. It is the primary component responsible for executing instructions, performing calculations, and managing data within the system. The core processor is often considered the brain of the device, as it controls the overall operation and functionality. It is crucial for determining the speed and performance capabilities of the device, as well as its ability to handle various tasks and applications efficiently. In modern devices, core processors can have multiple cores, allowing for parallel processing and improved multitasking capabilities.
AVR - Peripherals
In the context of electronic components, "Peripherals" refer to devices or components that are connected to a main system or device to enhance its functionality or provide additional features. These peripherals can include input devices such as keyboards, mice, and touchscreens, as well as output devices like monitors, printers, and speakers. Other examples of peripherals include external storage devices, network adapters, and cameras. Essentially, peripherals are external devices that expand the capabilities of a main electronic system or device.
Brown-out Detect/Reset, POR, PWM, WDT - Clock Frequency
Clock frequency, also known as clock speed, refers to the rate at which a processor or electronic component can execute instructions. It is measured in hertz (Hz) and represents the number of cycles per second that the component can perform. A higher clock frequency typically indicates a faster processing speed and better performance. However, it is important to note that other factors such as architecture, efficiency, and workload also play a significant role in determining the overall performance of a component. In summary, clock frequency is a crucial parameter that influences the speed and efficiency of electronic components in processing data and executing tasks.
16MHz - Program Memory Type
Program memory typically refers to flash memory when it is used to hold the program (instructions). Program memory may also refer to a hard drive or solid state drive (SSD). Contrast with data memory.
FLASH - Core Size
Core size in electronic components refers to the physical dimensions of the core material used in devices such as inductors and transformers. The core size directly impacts the performance characteristics of the component, including its inductance, saturation current, and frequency response. A larger core size typically allows for higher power handling capabilities and lower core losses, while a smaller core size may result in a more compact design but with limitations on power handling and efficiency. Designers must carefully select the core size based on the specific requirements of the application to achieve optimal performance and efficiency.
8-Bit - Program Memory Size
Program Memory Size refers to the amount of memory available in an electronic component, such as a microcontroller or microprocessor, that is used to store program instructions. This memory is non-volatile, meaning that the data stored in it is retained even when the power is turned off. The program memory size determines the maximum amount of code that can be stored and executed by the electronic component. It is an important parameter to consider when selecting a component for a specific application, as insufficient program memory size may limit the functionality or performance of the device.
128KB 128K x 8 - Connectivity
In electronic components, "Connectivity" refers to the ability of a component to establish and maintain connections with other components or devices within a circuit. It is a crucial parameter that determines how easily signals can be transmitted between different parts of a circuit. Connectivity can be influenced by factors such as the number of input and output ports, the type of connectors used, and the overall design of the component. Components with good connectivity are essential for ensuring reliable and efficient operation of electronic systems.
CANbus, EBI/EMI, I2C, SPI, UART/USART - Supply Current-Max
Supply Current-Max refers to the maximum amount of current that an electronic component or circuit can draw from its power supply under specified operating conditions. It is a critical parameter that determines the power consumption and thermal performance of the device. Exceeding this limit can lead to overheating, potential damage, or failure of the component. Knowing the Supply Current-Max helps in designing circuits that ensure proper operation and reliability.
37mA - Bit Size
In electronic components, "Bit Size" refers to the number of bits that can be processed or stored by a particular component. A bit is the smallest unit of data in computing and can have a value of either 0 or 1. The Bit Size parameter is commonly used to describe the capacity or performance of components such as microprocessors, memory modules, and data buses. A larger Bit Size generally indicates a higher processing capability or storage capacity, allowing for more complex operations and larger amounts of data to be handled efficiently. It is an important specification to consider when selecting electronic components for specific applications that require certain levels of performance and data processing capabilities.
8 - Has ADC
Has ADC refers to the presence of an Analog-to-Digital Converter (ADC) in an electronic component. An ADC is a crucial component in many electronic devices as it converts analog signals, such as voltage or current, into digital data that can be processed by a digital system. Having an ADC allows the electronic component to interface with analog signals and convert them into a format that can be manipulated and analyzed digitally. This parameter is important for applications where analog signals need to be converted into digital form for further processing or control.
YES - DMA Channels
DMA (Direct Memory Access) Channels are a feature found in electronic components such as microcontrollers, microprocessors, and peripheral devices. DMA Channels allow data to be transferred directly between peripherals and memory without involving the CPU, thereby reducing the burden on the CPU and improving overall system performance. Each DMA Channel is typically assigned to a specific peripheral device or memory region, enabling efficient data transfer operations. The number of DMA Channels available in a system determines the concurrent data transfer capabilities and can vary depending on the specific hardware design. Overall, DMA Channels play a crucial role in optimizing data transfer efficiency and system performance in electronic devices.
NO - PWM Channels
PWM Channels, or Pulse Width Modulation Channels, refer to the number of independent PWM outputs available in an electronic component, such as a microcontroller or a motor driver. PWM is a technique used to generate analog-like signals by varying the duty cycle of a square wave signal. Each PWM channel can control the output of a specific device or component by adjusting the pulse width of the signal. Having multiple PWM channels allows for precise control of multiple devices simultaneously, making it a valuable feature in applications such as motor control, LED dimming, and audio signal generation. The number of PWM channels available in a component determines the flexibility and complexity of the system it can control.
YES - DAC Channels
DAC Channels refer to the number of independent analog output channels available in a digital-to-analog converter (DAC) electronic component. Each channel can convert a digital input signal into an analog output voltage or current. The number of DAC channels determines how many separate analog signals can be generated simultaneously by the DAC. For example, a DAC with two channels can output two different analog signals at the same time, while a DAC with only one channel can only output a single analog signal. The number of DAC channels is an important specification to consider when selecting a DAC for applications requiring multiple analog outputs.
NO - Address Bus Width
A computer system has an address bus with 8 parallel lines. This means that the address bus width is 8 bits.
16 - EEPROM Size
EEPROM Size refers to the amount of memory capacity available in an Electrically Erasable Programmable Read-Only Memory (EEPROM) chip. This parameter indicates the total storage space in bytes or bits that can be used to store data in a non-volatile manner. The EEPROM size determines the maximum amount of information that can be written, read, and erased from the memory chip. It is an important specification to consider when selecting an EEPROM for a particular application, as it directly impacts the amount of data that can be stored and accessed by the electronic component.
4K x 8 - External Data Bus Width
The External Data Bus Width refers to the number of bits that can be transmitted simultaneously between a microprocessor and external components, such as memory or peripherals. It determines the amount of data that can be transferred in a single clock cycle. A wider data bus allows for faster data transfer rates and can improve overall system performance. Common data bus widths include 8-bit, 16-bit, 32-bit, and 64-bit, with larger widths generally offering higher throughput but requiring more complex circuitry. The External Data Bus Width is an important parameter to consider when designing or evaluating electronic components to ensure compatibility and optimal performance.
8 - Length9mm
- Height Seated (Max)
Height Seated (Max) is a parameter in electronic components that refers to the maximum allowable height of the component when it is properly seated or installed on a circuit board or within an enclosure. This specification is crucial for ensuring proper fit and alignment within the overall system design. Exceeding the maximum seated height can lead to mechanical interference, electrical shorts, or other issues that may impact the performance and reliability of the electronic device. Manufacturers provide this information to help designers and engineers select components that will fit within the designated space and function correctly in the intended application.
1mm - Width9mm
- RoHS Status
RoHS means “Restriction of Certain Hazardous Substances” in the “Hazardous Substances Directive” in electrical and electronic equipment.
ROHS3 Compliant - Lead Free
Lead Free is a term used to describe electronic components that do not contain lead as part of their composition. Lead is a toxic material that can have harmful effects on human health and the environment, so the electronics industry has been moving towards lead-free components to reduce these risks. Lead-free components are typically made using alternative materials such as silver, copper, and tin. Manufacturers must comply with regulations such as the Restriction of Hazardous Substances (RoHS) directive to ensure that their products are lead-free and environmentally friendly.
Lead Free
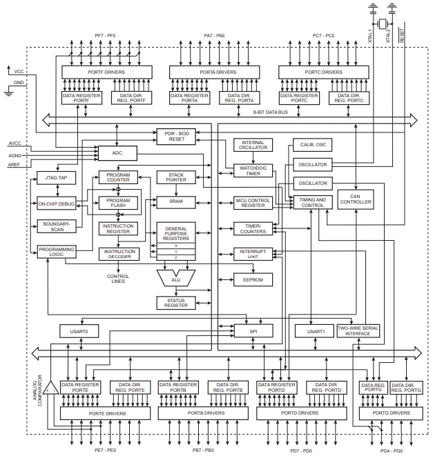
AT90CAN128 Functional Block Diagram
The following is the Block Diagram of AT90CAN128.

Block Diagram
AT90CAN128 Equivalent
| Model number | Manufacturer | Description |
| AT90CAN64-16MU | Atmel Corporation | RISC Microcontroller, 8-Bit, FLASH, AVR RISC CPU, 16MHz, CMOS, GREEN, MO-220VMMD3, QFN-64 |
| AT90CAN32-16AI | Atmel Corporation | RISC Microcontroller, 8-Bit, FLASH, AVR RISC CPU, 16MHz, CMOS, PQFP64, 1 MM HEIGHT, PLASTIC, TQFP-64 |
| AT90CAN32-15MT1 | Microchip Technology Inc | IC MCU 8BIT 32KB FLASH 64QFN |
| AT90CAN64-16AI | Atmel Corporation | RISC Microcontroller, 8-Bit, FLASH, AVR RISC CPU, 16MHz, CMOS, PQFP64, 1 MM HEIGHT, PLASTIC, TQFP-64 |
| AT90CAN32-15AT1 | Microchip Technology Inc | IC MCU 8BIT 32KB FLASH 64TQFP |
| AT90CAN32-15AT | Atmel Corporation | RISC Microcontroller, 8-Bit, FLASH, AVR RISC CPU, 16MHz, CMOS, PQFP64, 14 X 14 MM, 1 MM HEIGHT, 0.80 MM PITCH, GREEN, PLASTIC, TQFP-64 |
| AT90CAN128-15MZ | Microchip Technology Inc | IC MCU 8BIT 128KB FLASH 64QFN |
| AT90CAN64-15MT1 | Microchip Technology Inc | IC MCU 8BIT 64KB FLASH 64QFN |
| AT90CAN32-16AU | Atmel Corporation | RISC Microcontroller, 8-Bit, FLASH, AVR RISC CPU, 16MHz, CMOS, PQFP64, GREEN, 1 MM HEIGHT, PLASTIC, TQFP-64 |
Parts with Similar Specs
- ImagePart NumberManufacturerPackage / CaseNumber of PinsNumber of I/OSupply VoltagePeripheralsTerminal PitchEEPROM SizeDMA ChannelsView Compare
AT90CAN128-16MU
64-VFQFN Exposed Pad
64
53
5 V
Brown-out Detect/Reset, POR, PWM, WDT
0.5 mm
4K x 8
NO
64-VFQFN Exposed Pad
64
54
5 V
Brown-out Detect/Reset, POR, PWM, WDT
0.5 mm
4K x 8
NO
64-VFQFN Exposed Pad
64
54
5 V
Brown-out Detect/Reset, POR, PWM, WDT
0.5 mm
4K x 8
NO
64-VFQFN Exposed Pad
64
53
5 V
Brown-out Detect/Reset, POR, PWM, WDT
0.5 mm
4K x 8
NO
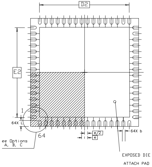
AT90CAN128 Package
The following diagrams show the AT90CAN128 package.

Top View

Bottom View

Side View
AT90CAN128 Manufacturer
Microchip Technology Inc. is a leading provider of microcontroller and analog semiconductors, providing low-risk product development, lower total system cost and faster time to market for thousands of diverse customer applications worldwide. Headquartered in Chandler, Arizona, Microchip offers outstanding technical support along with dependable delivery and quality.
Trend Analysis
Datasheet PDF
- Datasheets :
- PCN Design/Specification :
- PCN Packaging :
- ConflictMineralStatement :
How many pins of AT90CAN128?
64 pins.
What’s the operating temperature of AT90CAN128?
-40°C~85°C TA.
What is the essential property of the AT90CAN128?
The AT90CAN128 is a low-power CMOS 8-bit microcontroller based on the AVR enhanced RISC architecture.
What system development tools are supported by the AT90CAN128 AVR?
The AT90CAN128 AVR is supported with a full suite of program and system development tools including: C compilers, macro assemblers, program debugger/simulators, in-circuit emulators, and evaluation kits.
L298P: 42V,13mA, Pinout and Datasheet23 February 20223035
What is LM5119PSQX/NOPB Dual Synchronous Buck Controller?24 March 2022219
MPSA14 Darlington Transistor: Datasheet, Equivalent, Pinout08 December 20213794
ATMEGA328P Microcontroller: Pinout, Datasheet and Application07 July 202110591
NRF5340 VS NRF52840 Bluetooth LE NFC[FAQ]12 March 202210253
A Comprehensive Guide to LTC7138MPMSE#TRPBF DC-DC Switching Regulator06 March 2024211
TLV5638IDR:DAC, Pinout, Datasheet16 February 2022898
SM712-02HTG Asymmetrical TVS Diode: System, Pinout, and Datasheet22 February 20223311
Comparing Heat Sink Types for Modern Applications19 July 20253066
Working Principle and Types of Throttle Position Sensor01 April 202432178
What is RF Filter?09 December 20219076
MEMS Announces First Six-Axis IMU-Enabled Somatosensory Interactive System25 August 20223165
The Impact of SMPS on LED Lighting and Diverse Industries05 June 20252219
Exploring SPI Communication for Faster Data Transfer20 June 2025748
Weak Current Control Strong Current: How to use the Relay?28 November 20225728
FPGAs in the Electric Cars: The Complete Guide to Powertrain, ADAS, and BMS25 August 20252041
Microchip Technology
In Stock: 2000
United States
China
Canada
Japan
Russia
Germany
United Kingdom
Singapore
Italy
Hong Kong(China)
Taiwan(China)
France
Korea
Mexico
Netherlands
Malaysia
Austria
Spain
Switzerland
Poland
Thailand
Vietnam
India
United Arab Emirates
Afghanistan
Åland Islands
Albania
Algeria
American Samoa
Andorra
Angola
Anguilla
Antigua & Barbuda
Argentina
Armenia
Aruba
Australia
Azerbaijan
Bahamas
Bahrain
Bangladesh
Barbados
Belarus
Belgium
Belize
Benin
Bermuda
Bhutan
Bolivia
Bonaire, Sint Eustatius and Saba
Bosnia & Herzegovina
Botswana
Brazil
British Indian Ocean Territory
British Virgin Islands
Brunei
Bulgaria
Burkina Faso
Burundi
Cabo Verde
Cambodia
Cameroon
Cayman Islands
Central African Republic
Chad
Chile
Christmas Island
Cocos (Keeling) Islands
Colombia
Comoros
Congo
Congo (DRC)
Cook Islands
Costa Rica
Côte d’Ivoire
Croatia
Cuba
Curaçao
Cyprus
Czechia
Denmark
Djibouti
Dominica
Dominican Republic
Ecuador
Egypt
El Salvador
Equatorial Guinea
Eritrea
Estonia
Eswatini
Ethiopia
Falkland Islands
Faroe Islands
Fiji
Finland
French Guiana
French Polynesia
Gabon
Gambia
Georgia
Ghana
Gibraltar
Greece
Greenland
Grenada
Guadeloupe
Guam
Guatemala
Guernsey
Guinea
Guinea-Bissau
Guyana
Haiti
Honduras
Hungary
Iceland
Indonesia
Iran
Iraq
Ireland
Isle of Man
Israel
Jamaica
Jersey
Jordan
Kazakhstan
Kenya
Kiribati
Kosovo
Kuwait
Kyrgyzstan
Laos
Latvia
Lebanon
Lesotho
Liberia
Libya
Liechtenstein
Lithuania
Luxembourg
Macao(China)
Madagascar
Malawi
Maldives
Mali
Malta
Marshall Islands
Martinique
Mauritania
Mauritius
Mayotte
Micronesia
Moldova
Monaco
Mongolia
Montenegro
Montserrat
Morocco
Mozambique
Myanmar
Namibia
Nauru
Nepal
New Caledonia
New Zealand
Nicaragua
Niger
Nigeria
Niue
Norfolk Island
North Korea
North Macedonia
Northern Mariana Islands
Norway
Oman
Pakistan
Palau
Palestinian Authority
Panama
Papua New Guinea
Paraguay
Peru
Philippines
Pitcairn Islands
Portugal
Puerto Rico
Qatar
Réunion
Romania
Rwanda
Samoa
San Marino
São Tomé & Príncipe
Saudi Arabia
Senegal
Serbia
Seychelles
Sierra Leone
Sint Maarten
Slovakia
Slovenia
Solomon Islands
Somalia
South Africa
South Sudan
Sri Lanka
St Helena, Ascension, Tristan da Cunha
St. Barthélemy
St. Kitts & Nevis
St. Lucia
St. Martin
St. Pierre & Miquelon
St. Vincent & Grenadines
Sudan
Suriname
Svalbard & Jan Mayen
Sweden
Syria
Tajikistan
Tanzania
Timor-Leste
Togo
Tokelau
Tonga
Trinidad & Tobago
Tunisia
Turkey
Turkmenistan
Turks & Caicos Islands
Tuvalu
U.S. Outlying Islands
U.S. Virgin Islands
Uganda
Ukraine
Uruguay
Uzbekistan
Vanuatu
Vatican City
Venezuela
Wallis & Futuna
Yemen
Zambia
Zimbabwe


Product
Brand
Articles
Tools







