BMA020 Acceleration Sensor: Features, Specification and Datasheet
ACCELEROMETER 2-8G I2C/SPI 12LGA
The BMA020 is a low-g triaxial acceleration sensor with digital interfaces that is aimed at low-power user applications.
BMA020 Description
The BMA020 is a low-g triaxial acceleration sensor with digital interfaces that is aimed at low-power user applications.
The BMA020 was created to meet a wide range of hardware specifications. The customer will program key features such as g-range and filtering characteristics. The sensor is ideal for mobile applications because it comes in a compact package and consumes very little power. The BMA020 can be customized to improve functionality and efficiency in a wide range of user applications. The suitability for cutting-edge mobile low-power designs is highlighted by the extremely low stand-by current and fast wake-up time.
The BMA020 will calculate accelerations along three perpendicular axes. The performance of a three-channel micromechanical acceleration sensing structure that operates on the differential capacitance principle is converted by an evaluation circuitry. More than 100 million Bosch accelerometers and gyroscopes have proved the capability of Bosch Sensortec's micromachining technology. The modular design methodolgy used by Bosch Sensortec allows the company to respond quickly to potential customer requests for additional sensor functionality.
BMA020 Pinout

pinout description of BMA020:

BMA020 Features
Switchable g-range and bandwidth
Low-power consumption
SPI (3-wire/4-wire) and I²C interfaces
Programmable interrupt feature for mobile wake-up
Ultra-low-power self-wake-up mode
Self-test capability
LGA package (3 mm x 3 mm x 0.9 mm)
RoHS compliant
Specifications
- TypeParameter
- Mount
In electronic components, the term "Mount" typically refers to the method or process of physically attaching or fixing a component onto a circuit board or other electronic device. This can involve soldering, adhesive bonding, or other techniques to secure the component in place. The mounting process is crucial for ensuring proper electrical connections and mechanical stability within the electronic system. Different components may have specific mounting requirements based on their size, shape, and function, and manufacturers provide guidelines for proper mounting procedures to ensure optimal performance and reliability of the electronic device.
Surface Mount - Mounting Type
The "Mounting Type" in electronic components refers to the method used to attach or connect a component to a circuit board or other substrate, such as through-hole, surface-mount, or panel mount.
Surface Mount - Package / Case
refers to the protective housing that encases an electronic component, providing mechanical support, electrical connections, and thermal management.
12-VFLGA - Number of Pins12
- Operating Temperature
The operating temperature is the range of ambient temperature within which a power supply, or any other electrical equipment, operate in. This ranges from a minimum operating temperature, to a peak or maximum operating temperature, outside which, the power supply may fail.
-40°C~85°C TA - Packaging
Semiconductor package is a carrier / shell used to contain and cover one or more semiconductor components or integrated circuits. The material of the shell can be metal, plastic, glass or ceramic.
Tape & Reel (TR) - Published2008
- Part Status
Parts can have many statuses as they progress through the configuration, analysis, review, and approval stages.
Obsolete - Moisture Sensitivity Level (MSL)
Moisture Sensitivity Level (MSL) is a standardized rating that indicates the susceptibility of electronic components, particularly semiconductors, to moisture-induced damage during storage and the soldering process, defining the allowable exposure time to ambient conditions before they require special handling or baking to prevent failures
1 (Unlimited) - TypeDigital
- Voltage - Supply
Voltage - Supply refers to the range of voltage levels that an electronic component or circuit is designed to operate with. It indicates the minimum and maximum supply voltage that can be applied for the device to function properly. Providing supply voltages outside this range can lead to malfunction, damage, or reduced performance. This parameter is critical for ensuring compatibility between different components in a circuit.
2V~3.6V - Output Type
The "Output Type" parameter in electronic components refers to the type of signal or data that is produced by the component as an output. This parameter specifies the nature of the output signal, such as analog or digital, and can also include details about the voltage levels, current levels, frequency, and other characteristics of the output signal. Understanding the output type of a component is crucial for ensuring compatibility with other components in a circuit or system, as well as for determining how the output signal can be utilized or processed further. In summary, the output type parameter provides essential information about the nature of the signal that is generated by the electronic component as its output.
I2C, SPI - Bandwidth
In electronic components, "Bandwidth" refers to the range of frequencies over which the component can effectively operate or pass signals without significant loss or distortion. It is a crucial parameter for devices like amplifiers, filters, and communication systems. The bandwidth is typically defined as the difference between the upper and lower frequencies at which the component's performance meets specified criteria, such as a certain level of signal attenuation or distortion. A wider bandwidth indicates that the component can handle a broader range of frequencies, making it more versatile for various applications. Understanding the bandwidth of electronic components is essential for designing and optimizing circuits to ensure proper signal transmission and reception within the desired frequency range.
25Hz ~ 750Hz - Axis
In electronic components, the parameter "Axis" typically refers to the orientation or direction along which a specific characteristic or measurement is being considered. For example, in a sensor or accelerometer, the axis may indicate the direction in which the device is measuring acceleration. In a motor or actuator, the axis may refer to the direction of movement or rotation.Understanding the axis of a component is crucial for proper installation, calibration, and operation. It helps in determining how the component will interact with other parts of a system and how its performance can be optimized. Different components may have multiple axes to consider, especially in complex systems where movement or measurements occur in multiple directions.Overall, the axis parameter provides important information about the spatial orientation or directionality of an electronic component, guiding engineers and technicians in effectively utilizing the component within a larger system.
X, Y, Z - Acceleration Range
The "Acceleration Range" parameter in electronic components refers to the range of acceleration levels that the component can withstand without experiencing damage or malfunction. This parameter is particularly important for components that are used in applications where they may be subjected to varying levels of acceleration, such as in automotive or aerospace systems. The acceleration range is typically specified in units of gravity (g) and indicates the maximum and minimum levels of acceleration that the component can tolerate while still operating within its specified performance limits. It is crucial to consider the acceleration range when selecting components for applications where acceleration levels may vary significantly to ensure reliable and safe operation.
±2g, 4g, 8g - Features
In the context of electronic components, the term "Features" typically refers to the specific characteristics or functionalities that a particular component offers. These features can vary depending on the type of component and its intended use. For example, a microcontroller may have features such as built-in memory, analog-to-digital converters, and communication interfaces like UART or SPI.When evaluating electronic components, understanding their features is crucial in determining whether they meet the requirements of a particular project or application. Engineers and designers often look at features such as operating voltage, speed, power consumption, and communication protocols to ensure compatibility and optimal performance.In summary, the "Features" parameter in electronic components describes the unique attributes and capabilities that differentiate one component from another, helping users make informed decisions when selecting components for their electronic designs.
Adjustable Bandwidth, Selectable Scale, Sleep Mode - Sensitivity (LSB/g)
The parameter "Sensitivity (LSB/g)" in electronic components refers to the sensitivity of a sensor or device in terms of the number of least significant bits (LSBs) of output change per unit of acceleration (g). LSB is the smallest change in the digital output of a sensor. This parameter helps to quantify the resolution and accuracy of the sensor in detecting changes in acceleration. A higher sensitivity value indicates that the sensor can detect smaller changes in acceleration, while a lower sensitivity value means that larger changes in acceleration are needed to produce a noticeable output change. It is an important specification to consider when selecting a sensor for applications that require precise measurement of acceleration.
256 (±2g) ~ 64 (±8g) - RoHS Status
RoHS means “Restriction of Certain Hazardous Substances” in the “Hazardous Substances Directive” in electrical and electronic equipment.
RoHS Compliant
BMA020 Applications
Advanced power management for mobile devices
Drop detection for warranty logging
Menu scrolling, tip-tap function
Display profile switching (portrait/landscape)
Shock detection
Gaming
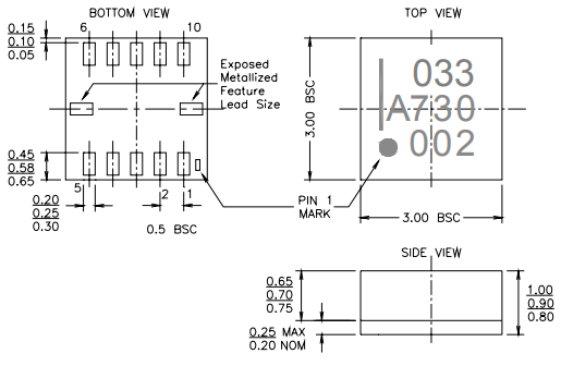
BMA020 Package
The BMA020 is packaged in a 3mm x 3mm x 0.9mm LGA package following JEDEC MO-229.
Basic outline geometry is based on:
Mold package footprint: 3mm x 3mm (tolerance ±0.1mm)
Height: 0.9mm
No. of leads: 12
- 8 used for electrical connection
- 2 not used / reserved
- 2 additional metal features on front edges without electrical functionality (not available on first engineering samples)
Lead pitch 0.5mm
Top, bottom and side views of the 3mm x 3mm x 0.9mm LGA package outline drawing (dimensions in mm):

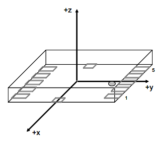
Axes orientation of the BMA020:

Perspective view of the BMA020 relative to the PCB pattern:

BMA020 Functions
The BMA020's function and performance can be tailored to meet the needs of individual customers using parameter and control settings. The BMA020 outputs a digital 10bit signal in either SPI or I2C format. The full measurement range can be set to 2g, 4g, or 8g via a serial interface order. To precondition the calculated acceleration signal, a second-order filter with a pole frequency of 1500Hz is included. 3KHz is the highest data conversion rate. S/N ratio can be improved with additional optical filtering (down to 25Hz bandwidth). The resolution is 4mg due to the typical noise level and quantization.
The typical current consumption is 200A. Several features have been introduced to assist the host system in lowering power consumption. In addition to normal operation, in which acceleration values are provided to the output registers, the BMA020 can perform internal computations of the performance. The customer may specify basic parameters, such as high-g or low-g thresholds, as well as smooth motion profile recognition criteria. An interrupt pin on the sensor will alert the host system to a violation of one of these criteria. This function can be used for a variety of things, such as waking up the host system from a deep sleep or signaling a shock situation.
The BMA020 also has a self-test feature that allows you to test the entire signal evaluation course, including the micromachined sensor structure and the evaluation ASIC.
Parts with Similar Specs
Datasheet PDF
- Datasheets :
Trend Analysis
What type of sensor is accelerometer?
An accelerometer is an electronic sensor that measures the acceleration forces acting on an object, in order to determine the object's position in space and monitor the object's movement.
What is the working principle of accelerometer?
The basic underlying working principle of an accelerometer is such as a dumped mass on a spring. When acceleration is experienced by this device, the mass gets displaced till the spring can easily move the mass, with the same rate equal to the acceleration it sensed.
GRM21BR71C475KA73L Ceramic Capacitor: Datasheet, Price, GRM Series15 March 2022267
MAX30102 Sensor: Datasheet, Pinout and Schematic09 August 202115564
STM8S105K4T6C Microcontroller: Features, Specifications and Applications10 June 2025136
MCP1702 250 mA Low Quiescent Current LDO Regulator: Circuit, Datasheet pdf and Equivalents26 November 20212787
SB230 Diode: Application, Pinout, Datasheet30 July 2021980
CS4270 Stereo Audio CODEC: CS4270 Datasheet, Pinout, CS4272 VS. CS427002 March 20223479
DP83822IRHBR:Layer Transceiver, Pinout, Datasheet03 March 20221970
An In-Depth Look at the Silicon Labs SiM3C1xx Microcontroller28 February 2024145
RF Front End in the 5G Era25 October 20214937
What is Field Programmable Gate Array(FPGA)?27 April 20221112
What is a Fiber Optic Sensor?31 October 20259688
Working and Types of Touch Screen20 March 20215768
US Set to Close Loopholes in AI Chip Export Restrictions to China23 October 2023490
Working Principles and Applications of Pressure Sensors07 April 202534504
What is 3D Printing Technology (3DP)?18 January 20223591
An Overview of SD Card12 April 202110293
Bosch Sensortec
In Stock: 999
United States
China
Canada
Japan
Russia
Germany
United Kingdom
Singapore
Italy
Hong Kong(China)
Taiwan(China)
France
Korea
Mexico
Netherlands
Malaysia
Austria
Spain
Switzerland
Poland
Thailand
Vietnam
India
United Arab Emirates
Afghanistan
Åland Islands
Albania
Algeria
American Samoa
Andorra
Angola
Anguilla
Antigua & Barbuda
Argentina
Armenia
Aruba
Australia
Azerbaijan
Bahamas
Bahrain
Bangladesh
Barbados
Belarus
Belgium
Belize
Benin
Bermuda
Bhutan
Bolivia
Bonaire, Sint Eustatius and Saba
Bosnia & Herzegovina
Botswana
Brazil
British Indian Ocean Territory
British Virgin Islands
Brunei
Bulgaria
Burkina Faso
Burundi
Cabo Verde
Cambodia
Cameroon
Cayman Islands
Central African Republic
Chad
Chile
Christmas Island
Cocos (Keeling) Islands
Colombia
Comoros
Congo
Congo (DRC)
Cook Islands
Costa Rica
Côte d’Ivoire
Croatia
Cuba
Curaçao
Cyprus
Czechia
Denmark
Djibouti
Dominica
Dominican Republic
Ecuador
Egypt
El Salvador
Equatorial Guinea
Eritrea
Estonia
Eswatini
Ethiopia
Falkland Islands
Faroe Islands
Fiji
Finland
French Guiana
French Polynesia
Gabon
Gambia
Georgia
Ghana
Gibraltar
Greece
Greenland
Grenada
Guadeloupe
Guam
Guatemala
Guernsey
Guinea
Guinea-Bissau
Guyana
Haiti
Honduras
Hungary
Iceland
Indonesia
Iran
Iraq
Ireland
Isle of Man
Israel
Jamaica
Jersey
Jordan
Kazakhstan
Kenya
Kiribati
Kosovo
Kuwait
Kyrgyzstan
Laos
Latvia
Lebanon
Lesotho
Liberia
Libya
Liechtenstein
Lithuania
Luxembourg
Macao(China)
Madagascar
Malawi
Maldives
Mali
Malta
Marshall Islands
Martinique
Mauritania
Mauritius
Mayotte
Micronesia
Moldova
Monaco
Mongolia
Montenegro
Montserrat
Morocco
Mozambique
Myanmar
Namibia
Nauru
Nepal
New Caledonia
New Zealand
Nicaragua
Niger
Nigeria
Niue
Norfolk Island
North Korea
North Macedonia
Northern Mariana Islands
Norway
Oman
Pakistan
Palau
Palestinian Authority
Panama
Papua New Guinea
Paraguay
Peru
Philippines
Pitcairn Islands
Portugal
Puerto Rico
Qatar
Réunion
Romania
Rwanda
Samoa
San Marino
São Tomé & Príncipe
Saudi Arabia
Senegal
Serbia
Seychelles
Sierra Leone
Sint Maarten
Slovakia
Slovenia
Solomon Islands
Somalia
South Africa
South Sudan
Sri Lanka
St Helena, Ascension, Tristan da Cunha
St. Barthélemy
St. Kitts & Nevis
St. Lucia
St. Martin
St. Pierre & Miquelon
St. Vincent & Grenadines
Sudan
Suriname
Svalbard & Jan Mayen
Sweden
Syria
Tajikistan
Tanzania
Timor-Leste
Togo
Tokelau
Tonga
Trinidad & Tobago
Tunisia
Turkey
Turkmenistan
Turks & Caicos Islands
Tuvalu
U.S. Outlying Islands
U.S. Virgin Islands
Uganda
Ukraine
Uruguay
Uzbekistan
Vanuatu
Vatican City
Venezuela
Wallis & Futuna
Yemen
Zambia
Zimbabwe



















