CY62128E 1-Mbit Static RAM: Pinout, Features and Datasheet
5V V Surface Mount MoBL® 32 Pin Memory IC MoBL® Series CY62128 1 Mb kb 20.75mm mm 16mA mA 8b b









5V V Surface Mount MoBL® 32 Pin Memory IC MoBL® Series CY62128 1 Mb kb 20.75mm mm 16mA mA 8b b
The CY62128E is a high performance CMOS static RAM organized as 128K words by 8 bits. This device features advanced circuit design to provide ultra low active current. Furthermore, Huge range of Semiconductors, Capacitors, Resistors and IcS in stock. Welcome RFQ.

Static RAM and Dynamic RAM Explained
CY62128E Pinout
The following figure is the diagram of CY62128E Pinout.

Pinout
CY62128E CAD Model
The followings are CY62128E Symbol, Footprint, and 3D Model.

PCB Symbol

PCB Footprint

3D Model
CY62128E Overview
The CY62128E is a high performance CMOS static RAM organized as 128K words by 8 bits. This device features advanced circuit design to provide ultra low active current. This is ideal for providing More Battery Life™ in portable applications. The device also has an automatic power down feature that significantly reduces power consumption when addresses are not toggling. The CY62128E device is suitable for interfacing with processors that have TTL I/P levels. It is not suitable for processors that require CMOS I/P levels.
This article provides you with a basic overview of the CY62128E 1-Mbit Static RAM, including its pin descriptions, features and specifications, etc., to help you quickly understand what CY62128E is.
CY62128E Features
● Very high speed: 45 ns
● Temperature ranges
◆ Industrial: –40 °C to +85 °C
◆ Automotive-A: –40 °C to +85 °C
◆ Automotive-E: –40 °C to +125 °C
● Voltage range: 4.5 V to 5.5 V
● Pin compatible with CY62128B
● Ultra low standby power
◆ Typical standby current: 1 μA
◆ Maximum standby current: 4 μA (Industrial)
● Ultra low active power
◆ Typical active current: 1.3 mA at f = 1 MHz
● Easy memory expansion with CE1, CE2, and OE features
● Automatic power down when deselected
● Complementary metal oxide semiconductor (CMOS) for optimum speed and power
● Offered in standard Pb-free 32-pin STSOP, 32-pin SOIC, and 32-pin thin small outline package (TSOP) Type I packages
Specifications
- TypeParameter
- Factory Lead Time6 Weeks
- Mount
In electronic components, the term "Mount" typically refers to the method or process of physically attaching or fixing a component onto a circuit board or other electronic device. This can involve soldering, adhesive bonding, or other techniques to secure the component in place. The mounting process is crucial for ensuring proper electrical connections and mechanical stability within the electronic system. Different components may have specific mounting requirements based on their size, shape, and function, and manufacturers provide guidelines for proper mounting procedures to ensure optimal performance and reliability of the electronic device.
Surface Mount - Mounting Type
The "Mounting Type" in electronic components refers to the method used to attach or connect a component to a circuit board or other substrate, such as through-hole, surface-mount, or panel mount.
Surface Mount - Package / Case
refers to the protective housing that encases an electronic component, providing mechanical support, electrical connections, and thermal management.
32-SOIC (0.445, 11.30mm Width) - Number of Pins32
- Weight766.089163mg
- Memory TypesVolatile
- Operating Temperature
The operating temperature is the range of ambient temperature within which a power supply, or any other electrical equipment, operate in. This ranges from a minimum operating temperature, to a peak or maximum operating temperature, outside which, the power supply may fail.
-40°C~85°C TA - Packaging
Semiconductor package is a carrier / shell used to contain and cover one or more semiconductor components or integrated circuits. The material of the shell can be metal, plastic, glass or ceramic.
Tube - Series
In electronic components, the "Series" refers to a group of products that share similar characteristics, designs, or functionalities, often produced by the same manufacturer. These components within a series typically have common specifications but may vary in terms of voltage, power, or packaging to meet different application needs. The series name helps identify and differentiate between various product lines within a manufacturer's catalog.
MoBL® - Published2001
- JESD-609 Code
The "JESD-609 Code" in electronic components refers to a standardized marking code that indicates the lead-free solder composition and finish of electronic components for compliance with environmental regulations.
e4 - Pbfree Code
The "Pbfree Code" parameter in electronic components refers to the code or marking used to indicate that the component is lead-free. Lead (Pb) is a toxic substance that has been widely used in electronic components for many years, but due to environmental concerns, there has been a shift towards lead-free alternatives. The Pbfree Code helps manufacturers and users easily identify components that do not contain lead, ensuring compliance with regulations and promoting environmentally friendly practices. It is important to pay attention to the Pbfree Code when selecting electronic components to ensure they meet the necessary requirements for lead-free applications.
yes - Part Status
Parts can have many statuses as they progress through the configuration, analysis, review, and approval stages.
Active - Moisture Sensitivity Level (MSL)
Moisture Sensitivity Level (MSL) is a standardized rating that indicates the susceptibility of electronic components, particularly semiconductors, to moisture-induced damage during storage and the soldering process, defining the allowable exposure time to ambient conditions before they require special handling or baking to prevent failures
3 (168 Hours) - Number of Terminations32
- ECCN Code
An ECCN (Export Control Classification Number) is an alphanumeric code used by the U.S. Bureau of Industry and Security to identify and categorize electronic components and other dual-use items that may require an export license based on their technical characteristics and potential for military use.
EAR99 - Terminal Finish
Terminal Finish refers to the surface treatment applied to the terminals or leads of electronic components to enhance their performance and longevity. It can improve solderability, corrosion resistance, and overall reliability of the connection in electronic assemblies. Common finishes include nickel, gold, and tin, each possessing distinct properties suitable for various applications. The choice of terminal finish can significantly impact the durability and effectiveness of electronic devices.
Nickel/Palladium/Gold (Ni/Pd/Au) - Voltage - Supply
Voltage - Supply refers to the range of voltage levels that an electronic component or circuit is designed to operate with. It indicates the minimum and maximum supply voltage that can be applied for the device to function properly. Providing supply voltages outside this range can lead to malfunction, damage, or reduced performance. This parameter is critical for ensuring compatibility between different components in a circuit.
4.5V~5.5V - Terminal Position
In electronic components, the term "Terminal Position" refers to the physical location of the connection points on the component where external electrical connections can be made. These connection points, known as terminals, are typically used to attach wires, leads, or other components to the main body of the electronic component. The terminal position is important for ensuring proper connectivity and functionality of the component within a circuit. It is often specified in technical datasheets or component specifications to help designers and engineers understand how to properly integrate the component into their circuit designs.
DUAL - Peak Reflow Temperature (Cel)
Peak Reflow Temperature (Cel) is a parameter that specifies the maximum temperature at which an electronic component can be exposed during the reflow soldering process. Reflow soldering is a common method used to attach electronic components to a circuit board. The Peak Reflow Temperature is crucial because it ensures that the component is not damaged or degraded during the soldering process. Exceeding the specified Peak Reflow Temperature can lead to issues such as component failure, reduced performance, or even permanent damage to the component. It is important for manufacturers and assemblers to adhere to the recommended Peak Reflow Temperature to ensure the reliability and functionality of the electronic components.
260 - Number of Functions1
- Supply Voltage
Supply voltage refers to the electrical potential difference provided to an electronic component or circuit. It is crucial for the proper operation of devices, as it powers their functions and determines performance characteristics. The supply voltage must be within specified limits to ensure reliability and prevent damage to components. Different electronic devices have specific supply voltage requirements, which can vary widely depending on their design and intended application.
5V - Frequency
In electronic components, the parameter "Frequency" refers to the rate at which a signal oscillates or cycles within a given period of time. It is typically measured in Hertz (Hz) and represents how many times a signal completes a full cycle in one second. Frequency is a crucial aspect in electronic components as it determines the behavior and performance of various devices such as oscillators, filters, and communication systems. Understanding the frequency characteristics of components is essential for designing and analyzing electronic circuits to ensure proper functionality and compatibility with other components in a system.
1MHz - Time@Peak Reflow Temperature-Max (s)
Time@Peak Reflow Temperature-Max (s) refers to the maximum duration that an electronic component can be exposed to the peak reflow temperature during the soldering process, which is crucial for ensuring reliable solder joint formation without damaging the component.
30 - Base Part Number
The "Base Part Number" (BPN) in electronic components serves a similar purpose to the "Base Product Number." It refers to the primary identifier for a component that captures the essential characteristics shared by a group of similar components. The BPN provides a fundamental way to reference a family or series of components without specifying all the variations and specific details.
CY62128 - Pin Count
a count of all of the component leads (or pins)
32 - Operating Supply Voltage
The voltage level by which an electrical system is designated and to which certain operating characteristics of the system are related.
5V - Power Supplies
an electronic circuit that converts the voltage of an alternating current (AC) into a direct current (DC) voltage.?
5V - Voltage
Voltage is a measure of the electric potential difference between two points in an electrical circuit. It is typically represented by the symbol "V" and is measured in volts. Voltage is a crucial parameter in electronic components as it determines the flow of electric current through a circuit. It is responsible for driving the movement of electrons from one point to another, providing the energy needed for electronic devices to function properly. In summary, voltage is a fundamental concept in electronics that plays a key role in the operation and performance of electronic components.
5V - Memory Size
The memory capacity is the amount of data a device can store at any given time in its memory.
1Mb 128K x 8 - Number of Ports
A port is identified for each transport protocol and address combination by a 16-bit unsigned number,.
1 - Nominal Supply Current
Nominal current is the same as the rated current. It is the current drawn by the motor while delivering rated mechanical output at its shaft.
16mA - Max Supply Current
Max Supply Current refers to the maximum amount of electrical current that a component can draw from its power supply under normal operating conditions. It is a critical parameter that ensures the component operates reliably without exceeding its thermal limits or damaging internal circuitry. Exceeding this current can lead to overheating, performance degradation, or failure of the component. Understanding this parameter is essential for designing circuits that provide adequate power while avoiding overload situations.
16mA - Memory Format
Memory Format in electronic components refers to the specific organization and structure of data storage within a memory device. It defines how data is stored, accessed, and managed within the memory module. Different memory formats include RAM (Random Access Memory), ROM (Read-Only Memory), and various types of flash memory. The memory format determines the speed, capacity, and functionality of the memory device, and it is crucial for compatibility with other components in a system. Understanding the memory format is essential for selecting the right memory module for a particular application or device.
SRAM - Memory Interface
An external memory interface is a bus protocol for communication from an integrated circuit, such as a microprocessor, to an external memory device located on a circuit board.
Parallel - Output Characteristics
Output characteristics in electronic components refer to the relationship between the output voltage and output current across a range of input conditions. This parameter is essential for understanding how a device, such as a transistor or operational amplifier, behaves under various loads and operating points. It provides insights into the efficiency, performance, and limitations of the component, helping designers to make informed choices for circuits and applications.
3-STATE - Write Cycle Time - Word, Page
Write Cycle Time - Word, Page refers to the duration required to write data to a specific memory cell or a page of memory in electronic components, particularly in non-volatile memories like Flash or EEPROM. It indicates the time taken to complete a writing operation for a single word or an entire page of data. This parameter is crucial for determining the performance and speed of memory devices in applications where quick data storage is essential. It impacts the overall efficiency in data handling, affecting both read and write speeds in memory-related operations.
45ns - Address Bus Width
A computer system has an address bus with 8 parallel lines. This means that the address bus width is 8 bits.
17b - Density
In electronic components, "Density" refers to the mass or weight of a material per unit volume. It is a physical property that indicates how tightly packed the atoms or molecules are within the material. The density of a component can affect its performance and characteristics, such as its strength, thermal conductivity, and electrical properties. Understanding the density of electronic components is important for designing and manufacturing processes to ensure optimal performance and reliability.
1 Mb - Standby Current-Max
Standby Current-Max refers to the maximum amount of current that an electronic component or device consumes while in a low-power standby mode. This parameter is critical for power management, especially in battery-operated devices, as it indicates how efficiently the device can conserve energy when not actively in use. A lower Standby Current-Max value is typically desirable, as it contributes to longer battery life and reduced energy consumption. Manufacturers specify this value to help engineers select components that meet specific power efficiency requirements in their designs.
0.000004A - Access Time (Max)
Access Time (Max) is a parameter in electronic components, particularly in memory devices such as RAM (Random Access Memory) and storage devices like hard drives and SSDs (Solid State Drives). It refers to the maximum amount of time it takes for the component to retrieve data after receiving a request. In simpler terms, it measures the speed at which data can be accessed from the component. A lower access time indicates faster performance, as the component can quickly retrieve and deliver data to the system. Manufacturers often specify the maximum access time in the component's datasheet to help users understand its performance capabilities.
45 ns - I/O Type
"I/O Type" in electronic components refers to the type of input/output interface that the component uses to communicate with other devices or systems. This parameter specifies whether the component uses analog or digital signals for input and output operations. Analog signals are continuous and can have an infinite number of values, while digital signals are discrete and have only two possible values (0 or 1).Understanding the I/O Type of an electronic component is crucial for ensuring compatibility and proper communication with other components in a circuit or system. It helps determine the type of signals that the component can send and receive, as well as the protocols and standards that need to be followed for successful data exchange.In summary, the I/O Type parameter of electronic components defines the nature of the signals used for input and output operations, whether they are analog or digital, and plays a key role in establishing seamless communication within electronic systems.
COMMON - Sync/Async
In the context of electronic components, the parameter "Sync/Async" refers to the synchronization mode of operation. Synchronous operation means that the component operates in coordination with an external clock signal. This ensures that data is transmitted or processed at specific intervals determined by the clock signal, allowing for precise timing and coordination between different components in a system.Asynchronous operation, on the other hand, means that the component does not rely on an external clock signal for its operation. Instead, it processes data at its own pace, which can lead to more flexibility but may also result in timing issues if not properly managed.The choice between synchronous and asynchronous operation depends on the specific requirements of the system and the desired level of coordination and timing precision.
Asynchronous - Word Size
Word "size" refers to the amount of data a CPU's internal data registers can hold and process at one time.
8b - Height2.997mm
- Length20.75mm
- Width11.43mm
- REACH SVHC
The parameter "REACH SVHC" in electronic components refers to the compliance with the Registration, Evaluation, Authorization, and Restriction of Chemicals (REACH) regulation regarding Substances of Very High Concern (SVHC). SVHCs are substances that may have serious effects on human health or the environment, and their use is regulated under REACH to ensure their safe handling and minimize their impact.Manufacturers of electronic components need to declare if their products contain any SVHCs above a certain threshold concentration and provide information on the safe use of these substances. This information allows customers to make informed decisions about the potential risks associated with using the components and take appropriate measures to mitigate any hazards.Ensuring compliance with REACH SVHC requirements is essential for electronics manufacturers to meet regulatory standards, protect human health and the environment, and maintain transparency in their supply chain. It also demonstrates a commitment to sustainability and responsible manufacturing practices in the electronics industry.
No SVHC - Radiation Hardening
Radiation hardening is the process of making electronic components and circuits resistant to damage or malfunction caused by high levels of ionizing radiation, especially for environments in outer space (especially beyond the low Earth orbit), around nuclear reactors and particle accelerators, or during nuclear accidents or nuclear warfare.
No - RoHS Status
RoHS means “Restriction of Certain Hazardous Substances” in the “Hazardous Substances Directive” in electrical and electronic equipment.
ROHS3 Compliant - Lead Free
Lead Free is a term used to describe electronic components that do not contain lead as part of their composition. Lead is a toxic material that can have harmful effects on human health and the environment, so the electronics industry has been moving towards lead-free components to reduce these risks. Lead-free components are typically made using alternative materials such as silver, copper, and tin. Manufacturers must comply with regulations such as the Restriction of Hazardous Substances (RoHS) directive to ensure that their products are lead-free and environmentally friendly.
Lead Free
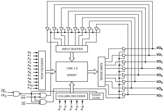
CY62128E Functional Block Diagram
The following is the Logic Block Diagram of CY62128E.

Logic Block Diagram
CY62128E Equivalent
| Model number | Manufacturer | Description |
| CY62128ELL-45SXIT | Cypress Semiconductor | Standard SRAM, 128KX8, 45ns, CMOS, PDSO32, 0.450 INCH, ROHS COMPLIANT, PLASTIC, SOIC-32 |
Parts with Similar Specs
- ImagePart NumberManufacturerPackage / CaseNumber of PinsMemory TypeDensityAddress Bus WidthFrequencySupply VoltageTime@Peak Reflow Temperature-Max (s)View Compare
CY62128ELL-45SXI
32-SOIC (0.445, 11.30mm Width)
32
Volatile
1 Mb
17 b
1 MHz
5 V
30
32-SOIC (0.445, 11.30mm Width)
32
Volatile
1 Mb
17 b
45 GHz
3 V
30
32-SOIC (0.445, 11.30mm Width)
32
Volatile
1 Mb
17 b
45 GHz
3 V
30
32-BSOJ (0.300, 7.62mm Width)
32
Volatile
1 Mb
17 b
-
5 V
30
SOIC
32
RAM, SDR, SRAM - Asynchronous
1 Mb
17 b
-
3.3 V
30
CY62128E Package
The following diagrams show the CY62128E Package.

View A

View B

View C
CY62128E Manufacturer
Cypress targets innovative markets growing faster than the overall semiconductor industry, including key segments of the automotive, industrial, home automation and appliances, medical products and consumer electronics businesses. With the help of Digi-Key Electronics, we supply customers with market-leading solutions based on our MCUs, wireless SoCs, memories, analog ICs and USB controllers. Our world-class wireless technology gives us an unparalleled position in the fast-growing Internet of Things, a business that cuts across our conventional markets and gives us a stake in exciting, next-generation segments such as connected and autonomous cars.
Datasheet PDF
- Datasheets :
CY62128ELL-45SXI-Cypress-Semiconductor-datasheet-83967903.pdf
CY62128ELL-45SXI-Cypress-Semiconductor-datasheet-27566684.pdf
CY62128ELL-45SXI-Cypress-Semiconductor-datasheet-16249473.pdf
CY62128ELL-45SXI-Cypress-Semiconductor-datasheet-10673748.pdf
CY62128ELL-45SXI-Cypress-Semiconductor-datasheet-14153077.pdf
CY62128ELL-45SXI-Cypress-Semiconductor-datasheet-516073.pdf
CY62128ELL-45SXI-Cypress-Semiconductor-datasheet-17703207.pdf
- PCN Assembly/Origin :
- PCN Packaging :
- PCN Design/Specification :
- Environmental Information :
- RohsStatement :
How many pins of CY62128ELL-45SXI?
32 Pins.
What’s the operating temperature of CY62128ELL-45SXI?
-40°C~85°C TA.
What is the essential property of the CY62128E?
The CY62128E is a high performance CMOS static RAM organized as 128K words by 8 bits. This device features advanced circuit design to provide ultra low active current.
PIC12F508 Microcontroller: Datasheet, Programming, Block Diagram13 October 20215551
MSP430F1121AIRGER Microcontroller Datasheet Overview29 February 202485
ATTINY45 Microcontroller: Pinout, Specifications and Datasheet19 October 20214861
2SK170 N-Channel MOSFET Transistor: Replacement, Equivalent and Datasheet pdf06 January 20224443
STMicroelectronics STM32L476QGI6: Microcontroller for Energy-Efficient IoT and Wearable Applications07 June 20251269
MPS2222A Transistor:MPS2222A vs. 2N2222,MPS2222A Datasheet14 March 20226845
A Comprehensive Guide to LTC7815EUHF#TRPBF DC DC Switching Controller06 March 2024128
IS181 Optocoupler: Datasheet, Pinout and Applications29 July 20212260
Semiconductor Equipment Industry Research25 March 20244307
Top-Rated AG13 Battery Equivalent Substitutes22 August 20251014
Introduction to UFS (Universal Flash Storage)23 July 20217322
Introduction to AC motor05 March 20217271
Low-Power Design of Operational Amplifiers27 March 20254571
What is Field Programmable Gate Array?29 September 20203377
Shift Register: Classification and Working Principle26 December 202010309
An Overview of Fiber Optic Cable10 August 20214751
Cypress Semiconductor Corp
In Stock: 2300
United States
China
Canada
Japan
Russia
Germany
United Kingdom
Singapore
Italy
Hong Kong(China)
Taiwan(China)
France
Korea
Mexico
Netherlands
Malaysia
Austria
Spain
Switzerland
Poland
Thailand
Vietnam
India
United Arab Emirates
Afghanistan
Åland Islands
Albania
Algeria
American Samoa
Andorra
Angola
Anguilla
Antigua & Barbuda
Argentina
Armenia
Aruba
Australia
Azerbaijan
Bahamas
Bahrain
Bangladesh
Barbados
Belarus
Belgium
Belize
Benin
Bermuda
Bhutan
Bolivia
Bonaire, Sint Eustatius and Saba
Bosnia & Herzegovina
Botswana
Brazil
British Indian Ocean Territory
British Virgin Islands
Brunei
Bulgaria
Burkina Faso
Burundi
Cabo Verde
Cambodia
Cameroon
Cayman Islands
Central African Republic
Chad
Chile
Christmas Island
Cocos (Keeling) Islands
Colombia
Comoros
Congo
Congo (DRC)
Cook Islands
Costa Rica
Côte d’Ivoire
Croatia
Cuba
Curaçao
Cyprus
Czechia
Denmark
Djibouti
Dominica
Dominican Republic
Ecuador
Egypt
El Salvador
Equatorial Guinea
Eritrea
Estonia
Eswatini
Ethiopia
Falkland Islands
Faroe Islands
Fiji
Finland
French Guiana
French Polynesia
Gabon
Gambia
Georgia
Ghana
Gibraltar
Greece
Greenland
Grenada
Guadeloupe
Guam
Guatemala
Guernsey
Guinea
Guinea-Bissau
Guyana
Haiti
Honduras
Hungary
Iceland
Indonesia
Iran
Iraq
Ireland
Isle of Man
Israel
Jamaica
Jersey
Jordan
Kazakhstan
Kenya
Kiribati
Kosovo
Kuwait
Kyrgyzstan
Laos
Latvia
Lebanon
Lesotho
Liberia
Libya
Liechtenstein
Lithuania
Luxembourg
Macao(China)
Madagascar
Malawi
Maldives
Mali
Malta
Marshall Islands
Martinique
Mauritania
Mauritius
Mayotte
Micronesia
Moldova
Monaco
Mongolia
Montenegro
Montserrat
Morocco
Mozambique
Myanmar
Namibia
Nauru
Nepal
New Caledonia
New Zealand
Nicaragua
Niger
Nigeria
Niue
Norfolk Island
North Korea
North Macedonia
Northern Mariana Islands
Norway
Oman
Pakistan
Palau
Palestinian Authority
Panama
Papua New Guinea
Paraguay
Peru
Philippines
Pitcairn Islands
Portugal
Puerto Rico
Qatar
Réunion
Romania
Rwanda
Samoa
San Marino
São Tomé & Príncipe
Saudi Arabia
Senegal
Serbia
Seychelles
Sierra Leone
Sint Maarten
Slovakia
Slovenia
Solomon Islands
Somalia
South Africa
South Sudan
Sri Lanka
St Helena, Ascension, Tristan da Cunha
St. Barthélemy
St. Kitts & Nevis
St. Lucia
St. Martin
St. Pierre & Miquelon
St. Vincent & Grenadines
Sudan
Suriname
Svalbard & Jan Mayen
Sweden
Syria
Tajikistan
Tanzania
Timor-Leste
Togo
Tokelau
Tonga
Trinidad & Tobago
Tunisia
Turkey
Turkmenistan
Turks & Caicos Islands
Tuvalu
U.S. Outlying Islands
U.S. Virgin Islands
Uganda
Ukraine
Uruguay
Uzbekistan
Vanuatu
Vatican City
Venezuela
Wallis & Futuna
Yemen
Zambia
Zimbabwe




