L7912CV Voltage Regulators: Features, Pinout, and Datasheet
Fixed 2.54mm Tin L7912 PMIC 3 TO-220-3
The three-terminal negative regulator L7912CV is available in TO-220, TO-220FP, and D²PAK packages. This article mainly introduces features, pinout, datasheet and other information about STMicroelectronics L7912CV.

Negative voltage regulator//7905 ic.7912 ic.7915 ic. Regulator ic//#electronicsverma
L7912CV Description
The three-terminal negative regulator L7912CV is available in TO-220, TO-220FP, and D²PAK packages, as well as a variety of fixed output voltages, making it suitable for a wide range of applications. These regulators can provide local on-card regulation, which eliminates the distribution issues that single-point regulation causes.
L7912CV Pinout
L7912CV Features
• Output current up to 1.5 A
• Output voltages of - 5; - 8; - 12; - 15 V
• Thermal overload protection
• Short circuit protection
• Output transition SOA protection
Specifications
- TypeParameter
- Factory Lead Time24 Weeks
- Contact Plating
Contact plating (finish) provides corrosion protection for base metals and optimizes the mechanical and electrical properties of the contact interfaces.
Tin - Mount
In electronic components, the term "Mount" typically refers to the method or process of physically attaching or fixing a component onto a circuit board or other electronic device. This can involve soldering, adhesive bonding, or other techniques to secure the component in place. The mounting process is crucial for ensuring proper electrical connections and mechanical stability within the electronic system. Different components may have specific mounting requirements based on their size, shape, and function, and manufacturers provide guidelines for proper mounting procedures to ensure optimal performance and reliability of the electronic device.
Through Hole - Mounting Type
The "Mounting Type" in electronic components refers to the method used to attach or connect a component to a circuit board or other substrate, such as through-hole, surface-mount, or panel mount.
Through Hole - Package / Case
refers to the protective housing that encases an electronic component, providing mechanical support, electrical connections, and thermal management.
TO-220-3 - Number of Pins3
- Weight6.000006g
- Operating Temperature
The operating temperature is the range of ambient temperature within which a power supply, or any other electrical equipment, operate in. This ranges from a minimum operating temperature, to a peak or maximum operating temperature, outside which, the power supply may fail.
0°C~125°C - Packaging
Semiconductor package is a carrier / shell used to contain and cover one or more semiconductor components or integrated circuits. The material of the shell can be metal, plastic, glass or ceramic.
Tube - Tolerance
In electronic components, "tolerance" refers to the acceptable deviation or variation from the specified or ideal value of a particular parameter, such as resistance, capacitance, or voltage. It indicates the range within which the actual value of the component can fluctuate while still being considered acceptable for use in a circuit. Tolerance is typically expressed as a percentage or a specific value and is important for ensuring the accuracy and reliability of electronic devices. Components with tighter tolerances are more precise but may also be more expensive. It is crucial to consider tolerance when selecting components to ensure proper functionality and performance of the circuit.
4% - JESD-609 Code
The "JESD-609 Code" in electronic components refers to a standardized marking code that indicates the lead-free solder composition and finish of electronic components for compliance with environmental regulations.
e4 - Part Status
Parts can have many statuses as they progress through the configuration, analysis, review, and approval stages.
Active - Moisture Sensitivity Level (MSL)
Moisture Sensitivity Level (MSL) is a standardized rating that indicates the susceptibility of electronic components, particularly semiconductors, to moisture-induced damage during storage and the soldering process, defining the allowable exposure time to ambient conditions before they require special handling or baking to prevent failures
1 (Unlimited) - Number of Terminations3
- ECCN Code
An ECCN (Export Control Classification Number) is an alphanumeric code used by the U.S. Bureau of Industry and Security to identify and categorize electronic components and other dual-use items that may require an export license based on their technical characteristics and potential for military use.
EAR99 - Terminal Finish
Terminal Finish refers to the surface treatment applied to the terminals or leads of electronic components to enhance their performance and longevity. It can improve solderability, corrosion resistance, and overall reliability of the connection in electronic assemblies. Common finishes include nickel, gold, and tin, each possessing distinct properties suitable for various applications. The choice of terminal finish can significantly impact the durability and effectiveness of electronic devices.
Nickel/Palladium/Gold (Ni/Pd/Au) - Terminal Position
In electronic components, the term "Terminal Position" refers to the physical location of the connection points on the component where external electrical connections can be made. These connection points, known as terminals, are typically used to attach wires, leads, or other components to the main body of the electronic component. The terminal position is important for ensuring proper connectivity and functionality of the component within a circuit. It is often specified in technical datasheets or component specifications to help designers and engineers understand how to properly integrate the component into their circuit designs.
SINGLE - Number of Functions1
- Terminal Pitch
The center distance from one pole to the next.
2.54mm - Base Part Number
The "Base Part Number" (BPN) in electronic components serves a similar purpose to the "Base Product Number." It refers to the primary identifier for a component that captures the essential characteristics shared by a group of similar components. The BPN provides a fundamental way to reference a family or series of components without specifying all the variations and specific details.
L7912 - Pin Count
a count of all of the component leads (or pins)
3 - Number of Outputs1
- Voltage - Input (Max)
Voltage - Input (Max) is a parameter in electronic components that specifies the maximum voltage that can be safely applied to the input of the component without causing damage. This parameter is crucial for ensuring the proper functioning and longevity of the component. Exceeding the maximum input voltage can lead to electrical overstress, which may result in permanent damage or failure of the component. It is important to carefully adhere to the specified maximum input voltage to prevent any potential issues and maintain the reliability of the electronic system.
-35V - Output Voltage
Output voltage is a crucial parameter in electronic components that refers to the voltage level produced by the component as a result of its operation. It represents the electrical potential difference between the output terminal of the component and a reference point, typically ground. The output voltage is a key factor in determining the performance and functionality of the component, as it dictates the level of voltage that will be delivered to the connected circuit or load. It is often specified in datasheets and technical specifications to ensure compatibility and proper functioning within a given system.
-12V - Output Type
The "Output Type" parameter in electronic components refers to the type of signal or data that is produced by the component as an output. This parameter specifies the nature of the output signal, such as analog or digital, and can also include details about the voltage levels, current levels, frequency, and other characteristics of the output signal. Understanding the output type of a component is crucial for ensuring compatibility with other components in a circuit or system, as well as for determining how the output signal can be utilized or processed further. In summary, the output type parameter provides essential information about the nature of the signal that is generated by the electronic component as its output.
Fixed - Max Output Current
The maximum current that can be supplied to the load.
1.5A - Output Configuration
Output Configuration in electronic components refers to the arrangement or setup of the output pins or terminals of a device. It defines how the output signals are structured and how they interact with external circuits or devices. The output configuration can determine the functionality and compatibility of the component in a circuit design. Common types of output configurations include single-ended, differential, open-drain, and push-pull configurations, each serving different purposes and applications in electronic systems. Understanding the output configuration of a component is crucial for proper integration and operation within a circuit.
Negative - Quiescent Current
The quiescent current is defined as the current level in the amplifier when it is producing an output of zero.
3mA - Output Voltage 1
Output Voltage 1 is a parameter commonly found in electronic components such as voltage regulators, power supplies, and amplifiers. It refers to the voltage level that is produced or delivered by the component at a specific output terminal or pin. This parameter is crucial for determining the performance and functionality of the component in a circuit. The specified output voltage should meet the requirements of the connected devices or components to ensure proper operation and compatibility. It is important to carefully consider and verify the output voltage 1 specification when selecting and using electronic components in a design or application.
12V - Number of Regulators
A regulator is a mechanism or device that controls something such as pressure, temperature, or fluid flow. The voltage regulator keeps the power level stabilized. A regulator is a mechanism or device that controls something such as pressure, temperature, or fluid flow.
1 - Min Input Voltage
The parameter "Min Input Voltage" in electronic components refers to the minimum voltage level that must be applied to the component for it to operate within its specified parameters. This value is crucial as providing a voltage below this minimum threshold may result in the component malfunctioning or not functioning at all. It is important to adhere to the specified minimum input voltage to ensure the proper operation and longevity of the electronic component. Failure to meet this requirement may lead to potential damage to the component or the overall system in which it is used.
-14.5V - Protection Features
Protection features in electronic components refer to the built-in mechanisms or functionalities designed to safeguard the component and the overall system from various external factors or internal faults. These features are crucial for ensuring the reliability, longevity, and safety of the electronic device. Common protection features include overvoltage protection, overcurrent protection, reverse polarity protection, thermal protection, and short-circuit protection. By activating these features when necessary, the electronic component can prevent damage, malfunctions, or hazards that may arise from abnormal operating conditions or unforeseen events. Overall, protection features play a vital role in enhancing the robustness and resilience of electronic components in diverse applications.
Over Temperature, Short Circuit - Voltage Dropout (Max)
Voltage Dropout (Max) refers to the minimum voltage difference between the input and output of a voltage regulator or linear power supply needed to maintain proper regulation. It indicates the maximum allowable voltage drop across the device for it to function effectively without dropout. If the input voltage falls below this threshold, the output voltage may drop below the specified level, leading to potential operational issues for connected components. This parameter is critical for ensuring stable and reliable power delivery in electronic circuits.
1.1V @ 1A Typ - PSRR
PSRR stands for Power Supply Rejection Ratio. It is a measure of how well a device, such as an amplifier or a voltage regulator, can reject variations in the power supply voltage. A high PSRR value indicates that the device is able to maintain its performance even when the power supply voltage fluctuates. This parameter is important in ensuring stable and reliable operation of electronic components, especially in applications where the power supply voltage may not be perfectly regulated. A good PSRR helps to minimize noise and interference in the output signal of the device.
60dB (120Hz) - Dropout Voltage
Dropout voltage is the input-to-output differential voltage at which the circuit ceases to regulate against further reductions in input voltage; this point occurs when the input voltage approaches the output voltage.
1.1V - Dropout Voltage1-Nom
Dropout Voltage1-Nom is a parameter commonly found in voltage regulators and power management ICs. It refers to the minimum voltage difference required between the input voltage and the output voltage for the regulator to maintain regulation. In other words, it is the minimum voltage drop that the regulator can handle while still providing a stable output voltage. This parameter is important to consider when designing power supply circuits to ensure that the regulator can operate within its specified voltage range and maintain proper regulation under varying load conditions.
1.1V - Power Supply Rejection Ratio (PSRR)
Power Supply Rejection Ratio (PSRR) is a measure of how well an electronic component, such as an operational amplifier or voltage regulator, can reject changes in its supply voltage. It indicates the ability of the component to maintain a stable output voltage despite fluctuations in the input supply voltage. A higher PSRR value signifies better performance in rejecting noise and variations from the power supply, leading to improved signal integrity and more reliable operation in electronic circuits. PSRR is typically expressed in decibels (dB).
60dB - Nominal Output Voltage
Nominal Output Voltage refers to the specified or intended voltage level that an electronic component or device is designed to provide as output under normal operating conditions. It is a crucial parameter that indicates the expected voltage level that the component will deliver to the connected circuit or load. This value is typically specified by the manufacturer and is important for ensuring proper functionality and compatibility within a system. It is important to note that the actual output voltage may vary slightly due to factors such as load variations, temperature changes, and other environmental conditions.
-12V - Height9.15mm
- Length10.4mm
- Width4.6mm
- REACH SVHC
The parameter "REACH SVHC" in electronic components refers to the compliance with the Registration, Evaluation, Authorization, and Restriction of Chemicals (REACH) regulation regarding Substances of Very High Concern (SVHC). SVHCs are substances that may have serious effects on human health or the environment, and their use is regulated under REACH to ensure their safe handling and minimize their impact.Manufacturers of electronic components need to declare if their products contain any SVHCs above a certain threshold concentration and provide information on the safe use of these substances. This information allows customers to make informed decisions about the potential risks associated with using the components and take appropriate measures to mitigate any hazards.Ensuring compliance with REACH SVHC requirements is essential for electronics manufacturers to meet regulatory standards, protect human health and the environment, and maintain transparency in their supply chain. It also demonstrates a commitment to sustainability and responsible manufacturing practices in the electronics industry.
No SVHC - Radiation Hardening
Radiation hardening is the process of making electronic components and circuits resistant to damage or malfunction caused by high levels of ionizing radiation, especially for environments in outer space (especially beyond the low Earth orbit), around nuclear reactors and particle accelerators, or during nuclear accidents or nuclear warfare.
No - RoHS Status
RoHS means “Restriction of Certain Hazardous Substances” in the “Hazardous Substances Directive” in electrical and electronic equipment.
ROHS3 Compliant - Lead Free
Lead Free is a term used to describe electronic components that do not contain lead as part of their composition. Lead is a toxic material that can have harmful effects on human health and the environment, so the electronics industry has been moving towards lead-free components to reduce these risks. Lead-free components are typically made using alternative materials such as silver, copper, and tin. Manufacturers must comply with regulations such as the Restriction of Hazardous Substances (RoHS) directive to ensure that their products are lead-free and environmentally friendly.
Lead Free
Parts with Similar Specs
- ImagePart NumberManufacturerPackage / CaseNumber of PinsNumber of OutputsMax Output CurrentMin Input VoltageVoltage - Input (Max)Nominal Output VoltageOutput VoltageDropout VoltageView Compare
L7912CV
TO-220-3
3
1
1.5 A
-14.5 V
-35V
-12 V
-12 V
1.1 V
TO-220-3
3
1
1.5 A
4.2 V
40V
-
37 V
2 V
TO-220-3
3
1
1.5 A
-35 V
-35V
-15 V
-15 V
1.1 V
TO-220-3
3
1
1.5 A
-10.5 V
-35V
-8 V
-8 V
1.1 V
TO-220-3
3
1
1.5 A
-17.5 V
-35V
-
-15 V
1.1 V
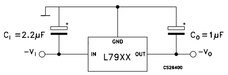
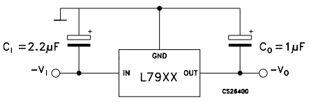
L7912CV Schematic Diagram
L7912CV Test Circuit

Test Circuit
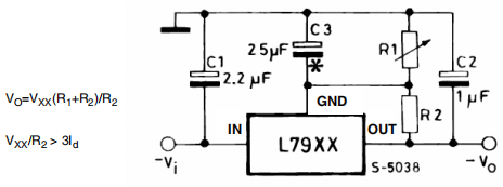
L7912CV Application Information

Fixed Output Regulator
1. Substitute voltage value for "XX" to select an output voltage.
2. It is necessary for stability. A solid tantalum capacitor must be used for the stated value. If aluminum electrolytes are utilized, a value of at least 10 times should be chosen. If the regulator is positioned at a significant distance from the power supply filter, C1 is necessary.
3. Enhance transient responsiveness A high current diode from input to output (1N4001 or similar) should be used if big capacitors are utilized to safeguard the device from a momentary input short circuit.

Split power supply (± 15 V - 1 A)

Circuit for increasing output voltage

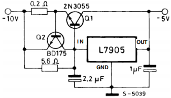
High current negative regulator (- 5 V / 4 A with 5 A current limiting)
L7912CV Alternatives
| Part Number | Description | Manufacturer |
| M38510/11501BXXPOWER CIRCUITS | IC VREG 5 V FIXED NEGATIVE REGULATOR, MBCY3, Fixed Negative Single Output Standard Regulator | Defense Supply Center Columbus |
| 5962-8874701UAPOWER CIRCUITS | Fixed Negative Standard Regulator, 12V, BIPolar, TO-257, 3 PIN | Microsemi Corporation |
| 5962-8874801YXPOWER CIRCUITS | Fixed Negative Standard Regulator, 15V, MBFM2, METAL, TO-3, 2 PIN | Omnirel Corp |
| LM120H-12/883BPOWER CIRCUITS | 12V FIXED NEGATIVE REGULATOR, MBCY3 | Texas Instruments |
| 5962-8874801NXPOWER CIRCUITS | IC VREG 15 V FIXED NEGATIVE REGULATOR, CBCC3, HERMETIC SEALED, SMT-3, Fixed Negative Single Output Standard Regulator | Defense Supply Center Columbus |
| IP7912AGPOWER CIRCUITS | 12V FIXED NEGATIVE REGULATOR, PSFM3, TO-257, 3 PIN | TT Electronics Power and Hybrid / Semelab Limited |
| IP1R19K-12-BSS2POWER CIRCUITS | 12V FIXED NEGATIVE REGULATOR, MBFM2, TO-3, 3 PIN | TT Electronics Power and Hybrid / Semelab Limited |
| IP120AIG-05R1POWER CIRCUITS | Fixed Negative Standard Regulator, 5V, PSFM3, ISOLATED, TO-257, 3 PIN | TT Electronics Resistors |
| IP120G-12-883BR1POWER CIRCUITS | Fixed Negative Standard Regulator, 12V, MSFM3, TO-257, 3 PIN | TT Electronics Resistors |
| LM120H-05-883BPOWER CIRCUITS | Fixed Negative Standard Regulator, 5V, MBCY3, TO-39, 3 PIN | TT Electronics Resistors |
L7912CV Application
• Power Management
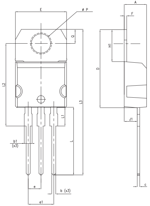
L7912CV Package

Package
L7912CV Manufacturer
STMicroelectronics is a global electronics and semiconductors company headquartered in Plan-les-Oates, Switzerland, near Geneva.
STMicroelectronics technology can be found in places where microelectronics has a positive impact on people's lives. ST chips with the latest advancements are found in a wide range of devices, including automobiles and key fobs, large factory machinery and data center power supplies, washing machines and hard drives, cellphones, and toothbrushes.
Trend Analysis
Datasheet PDF
- Datasheets :
L7912CV-STMicroelectronics-datasheet-34174497.pdf
L7912CV-STMicroelectronics-datasheet-8496952.pdf
L7912CV-STMicroelectronics-datasheet-12512286.pdf
L7912CV-STMicroelectronics-datasheet-19410.pdf
L7912CV-STMicroelectronics-datasheet-14169704.pdf
L7912CV-STMicroelectronics-datasheet-8217526.pdf
L7912CV-STMicroelectronics-datasheet-112621.pdf
L7912CV-STMicroelectronics-datasheet-9567678.pdf
pid_5445745_l7912cv-stmicroelectronics-datasheet-34174497.pdf
- PCN Assembly/Origin :
1.Is the input voltage of the three-terminal regulator L7912CV positive or negative? What is the approximate input voltage required to output -12v more stably?
The input requirement of the 79 series three-terminal regulator is a negative voltage. In order to ensure stable output voltage, the minimum input voltage is required to be greater than 2V of the output voltage of the regulator. For 7912, it is 14V. The maximum input voltage is the output voltage plus the resistance of the three terminals. The maximum input voltage of the 7912 can reach 52V.
2.What is the difference between L7812CV, L7912CV and LM7812 LM7912?
L7812CV and LM7812 are only different from the manufacturer, other electrical indexes are exactly the same, both output +12V, 1A. L7912CV and LM7912 are also the same, but it outputs a negative voltage, namely -12V.
3.How to judge the pins of L7812CV and L7912CV with a multimeter?
The word 7812 faces itself, the pin is down, from left to right are input, ground, and output; the word 7912 faces itself, the pin is down, and from left to right are ground, input, and output.
MP1584EN Step-Down Converter: Datasheet, Pinout and Circuit16 April 202520758
KA7500B Controller: Features, Pinout, and Datasheet [Video&FAQ]21 October 202156312
LM7810 Voltage Regulator: Circuit, Datasheet, Pinout28 December 202112440
A Comprehensive Guide to LTC7130IY#PBF DC-DC Switching Regulator06 March 2024153
TPIC74100QPWPRQ1: 5-V, Pinout, LC, CAD Model17 February 2022354
LR44 Battery: Equivalent, Specifications and Replacements05 November 2021148823
AD8237 Instrumentation Amplifier: Pinout, Features and Datasheet17 January 20223735
TLV75533PDBVR: Low-Dropout Regulator, Pinout, Circuit24 March 20224860
Top 10 High-Performance End Mills for Metalworking in 202517 July 20252648
What is Electronic Ballast?28 September 202014501
Introduction to UFS (Universal Flash Storage)23 July 20217670
MIT Technology Review Officially Released 2022 Top 10 Breakthrough Technologies in the World26 April 20226864
Switch-mode Power Supply Basics14 December 20207416
How to Check 2073 Transistor Pinout at Home01 September 20252739
What is Brushless DC Motors (BLDC) ?03 April 20257875
What is an Operational Amplifier?27 March 20253264
STMicroelectronics
In Stock
United States
China
Canada
Japan
Russia
Germany
United Kingdom
Singapore
Italy
Hong Kong(China)
Taiwan(China)
France
Korea
Mexico
Netherlands
Malaysia
Austria
Spain
Switzerland
Poland
Thailand
Vietnam
India
United Arab Emirates
Afghanistan
Åland Islands
Albania
Algeria
American Samoa
Andorra
Angola
Anguilla
Antigua & Barbuda
Argentina
Armenia
Aruba
Australia
Azerbaijan
Bahamas
Bahrain
Bangladesh
Barbados
Belarus
Belgium
Belize
Benin
Bermuda
Bhutan
Bolivia
Bonaire, Sint Eustatius and Saba
Bosnia & Herzegovina
Botswana
Brazil
British Indian Ocean Territory
British Virgin Islands
Brunei
Bulgaria
Burkina Faso
Burundi
Cabo Verde
Cambodia
Cameroon
Cayman Islands
Central African Republic
Chad
Chile
Christmas Island
Cocos (Keeling) Islands
Colombia
Comoros
Congo
Congo (DRC)
Cook Islands
Costa Rica
Côte d’Ivoire
Croatia
Cuba
Curaçao
Cyprus
Czechia
Denmark
Djibouti
Dominica
Dominican Republic
Ecuador
Egypt
El Salvador
Equatorial Guinea
Eritrea
Estonia
Eswatini
Ethiopia
Falkland Islands
Faroe Islands
Fiji
Finland
French Guiana
French Polynesia
Gabon
Gambia
Georgia
Ghana
Gibraltar
Greece
Greenland
Grenada
Guadeloupe
Guam
Guatemala
Guernsey
Guinea
Guinea-Bissau
Guyana
Haiti
Honduras
Hungary
Iceland
Indonesia
Iran
Iraq
Ireland
Isle of Man
Israel
Jamaica
Jersey
Jordan
Kazakhstan
Kenya
Kiribati
Kosovo
Kuwait
Kyrgyzstan
Laos
Latvia
Lebanon
Lesotho
Liberia
Libya
Liechtenstein
Lithuania
Luxembourg
Macao(China)
Madagascar
Malawi
Maldives
Mali
Malta
Marshall Islands
Martinique
Mauritania
Mauritius
Mayotte
Micronesia
Moldova
Monaco
Mongolia
Montenegro
Montserrat
Morocco
Mozambique
Myanmar
Namibia
Nauru
Nepal
New Caledonia
New Zealand
Nicaragua
Niger
Nigeria
Niue
Norfolk Island
North Korea
North Macedonia
Northern Mariana Islands
Norway
Oman
Pakistan
Palau
Palestinian Authority
Panama
Papua New Guinea
Paraguay
Peru
Philippines
Pitcairn Islands
Portugal
Puerto Rico
Qatar
Réunion
Romania
Rwanda
Samoa
San Marino
São Tomé & Príncipe
Saudi Arabia
Senegal
Serbia
Seychelles
Sierra Leone
Sint Maarten
Slovakia
Slovenia
Solomon Islands
Somalia
South Africa
South Sudan
Sri Lanka
St Helena, Ascension, Tristan da Cunha
St. Barthélemy
St. Kitts & Nevis
St. Lucia
St. Martin
St. Pierre & Miquelon
St. Vincent & Grenadines
Sudan
Suriname
Svalbard & Jan Mayen
Sweden
Syria
Tajikistan
Tanzania
Timor-Leste
Togo
Tokelau
Tonga
Trinidad & Tobago
Tunisia
Turkey
Turkmenistan
Turks & Caicos Islands
Tuvalu
U.S. Outlying Islands
U.S. Virgin Islands
Uganda
Ukraine
Uruguay
Uzbekistan
Vanuatu
Vatican City
Venezuela
Wallis & Futuna
Yemen
Zambia
Zimbabwe


Product
Brand
Articles
Tools


















