LAN7430 PCIe to Gigabit Ethernet Controller: Pinout, Equivalent and Datasheet
1.8V 2.5V 3.3V 10/100/1000 Base-TX PHY GPIO Controllers Interface ICs QUAD Controller 0.5mm 48-VFQFN Exposed Pad
Unit Price: $11.051009
Ext Price: $11.05









1.8V 2.5V 3.3V 10/100/1000 Base-TX PHY GPIO Controllers Interface ICs QUAD Controller 0.5mm 48-VFQFN Exposed Pad
The LAN7430 is a highly integrated PCIe to Gigabit Ethernet Controller, with IEEE Std 1588TM-2008 and advanced power management features, that provides a high performance and cost effective PCIe/Ethernet bridging solution for automotive and industrial applications. Furthermore, Huge range of Semiconductors, Capacitors, Resistors and IcS in stock. Welcome RFQ.

EDUP Gigabit Ethernet PCI-E Network Card Installation & Review
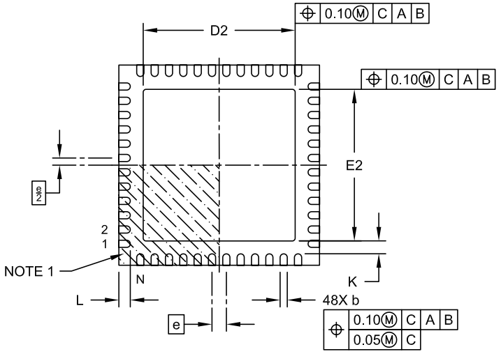
LAN7430 Pinout
The following figure is the diagram of LAN7430 pinout.

Pinout
LAN7430 CAD Model
The followings are LAN7430 Symbol, Footprint, and 3D Model.

PCB Symbol

PCB Footprint

3D Model
LAN7430 Overview
The LAN7430 is a highly integrated PCIe to Gigabit Ethernet Controller, with IEEE Std 1588TM-2008 and advanced power management features, that provides a high performance and cost effective PCIe/Ethernet bridging solution for automotive and industrial applications. The LAN7430 has an integrated 10/100/1000 Ethernet PHY port with IEEE 802.3az Energy Efficient Ethernet (EEE) and 10BASE-Te support. The LAN7430 further integrates PCIe Endpoint Controller, DMA Controller, Receive Filtering Engine, FIFO Controller, Ethernet MAC, EEPROM Controller, OTP Memory, TAP Controller, PME, and Clock/Reset/Power Management functions.
This article provides you with a basic overview of the LAN7430 PCIe to Gigabit Ethernet Controller, including its pin descriptions, features and specifications, etc., to help you quickly understand what LAN7430 is.
LAN7430 Features
● Gigabit Ethernet PHY
◆ Auto-Negotiation and Auto-MDIX support
◆ On-chip termination resistors for differential pairs
◆ LinkMD® TDR-Based cable diagnostic to identify faulty copper cabling
◆ Signal Quality Indicator
◆ Quiet-WIRE® technology to reduce line emissions and enhance immunity for 100BASE-TX
◆ Programmable LED Outputs for Link, Activity, Speed
◆ Signal Quality Indicator (SQI) support
◆ IEEE 802.3az Energy Efficient Ethernet (EEE)
● Gigabit Ethernet MAC includes
◆ 10/100/1000Mbps half/full-duplex operation (only full-duplex operation at 1000Mbps)
◆ Flow control with pause frame for full-duplex mode
◆ 100/1000Mbps Low Power Idle for EEE
◆ MDC/MDIO management for external PHY
◆ RX frame, link status, EEE wakeup for WoL
● DMA Controller
◆ Scatter-gather based for efficient data transfer to/from multiple on-chip RAM locations
◆ Multi-channel for RX prioritization
● FIFO Controller
◆ Utilize internal SRAMs to buffer RX and TX traffic between PCIe and Ethernet
◆ TX LSO and TX Checksum Offload
● Receive Ethernet Packet Filtering
◆ IP, TCP/UDP, L3, ICMP/IGMP Checksum offload
◆ IEEE 802.1Q VLAN
◆ Unicast, Multicast, Broadcast
◆ Perfect / Hash Address
◆ Priority based channel selection
◆ Receive Side Scaling (RSS)
● PME Support
◆ PCIe WAKE# and Beaconing
◆ PCIe PME Messaging
◆ GPIO, Link Change, Ethernet Frame for wakeup
● EEPROM / OTP
◆ External EEPROM support for MAC address and PCIe configuration
◆ Integrated OTP memory for EEPROM displacement
● 1149.1 (JTAG) boundary scan
LAN7430 Highlights
● Single Chip PCIe to 10/100/1000 Ethernet Controller with integrated:
◆ PCIe 3.1 PHY supporting 1 Lane at 2.5GT/s
◆ PCIe 3.1 Endpoint Controller
◆ Gigabit Ethernet PHY (LAN7430)
◆ RGMII v1.3 and v2.0 / MII (LAN7431)
● IEEE Std 1588TM-2008 PTP
◆ Master and Slave Ordinary clock support
◆ End-to-end or peer-to-peer support
◆ PTP multicast and unicast message support
◆ PTP message transport over IPv4/v6, IEEE 802.3
● Power Management
◆ PCI-PM and ASPM L0s and L1
◆ L1.1 and L1.2 PCIe sub-states support
◆ D3 hot / cold with VAUX detection for PME wakeup
◆ Wake on LAN support (WoL, AOAC)
◆ IEEE 802.3az Energy Efficient Ethernet (EEE) with 100BASE-TX/1000BASE-T Low Power Idle and 10BASE-Te TX Amplitude Reduction
Specifications
- TypeParameter
- Factory Lead Time16 Weeks
- Package / Case
refers to the protective housing that encases an electronic component, providing mechanical support, electrical connections, and thermal management.
48-VFQFN Exposed Pad - Surface Mount
having leads that are designed to be soldered on the side of a circuit board that the body of the component is mounted on.
YES - Usage LevelAutomotive grade
- Operating Temperature
The operating temperature is the range of ambient temperature within which a power supply, or any other electrical equipment, operate in. This ranges from a minimum operating temperature, to a peak or maximum operating temperature, outside which, the power supply may fail.
0°C~70°C - Series
In electronic components, the "Series" refers to a group of products that share similar characteristics, designs, or functionalities, often produced by the same manufacturer. These components within a series typically have common specifications but may vary in terms of voltage, power, or packaging to meet different application needs. The series name helps identify and differentiate between various product lines within a manufacturer's catalog.
Automotive, AEC-Q100 - Part Status
Parts can have many statuses as they progress through the configuration, analysis, review, and approval stages.
Active - Moisture Sensitivity Level (MSL)
Moisture Sensitivity Level (MSL) is a standardized rating that indicates the susceptibility of electronic components, particularly semiconductors, to moisture-induced damage during storage and the soldering process, defining the allowable exposure time to ambient conditions before they require special handling or baking to prevent failures
3 (168 Hours) - Number of Terminations48
- Additional Feature
Any Feature, including a modified Existing Feature, that is not an Existing Feature.
ALSO HAVING NETWORK PROTOCOLS IEEE 802.3AZ; IEEE 802.1Q; IEEE 802.3X - Voltage - Supply
Voltage - Supply refers to the range of voltage levels that an electronic component or circuit is designed to operate with. It indicates the minimum and maximum supply voltage that can be applied for the device to function properly. Providing supply voltages outside this range can lead to malfunction, damage, or reduced performance. This parameter is critical for ensuring compatibility between different components in a circuit.
1.8V 2.5V 3.3V - Terminal Position
In electronic components, the term "Terminal Position" refers to the physical location of the connection points on the component where external electrical connections can be made. These connection points, known as terminals, are typically used to attach wires, leads, or other components to the main body of the electronic component. The terminal position is important for ensuring proper connectivity and functionality of the component within a circuit. It is often specified in technical datasheets or component specifications to help designers and engineers understand how to properly integrate the component into their circuit designs.
QUAD - Terminal Form
Occurring at or forming the end of a series, succession, or the like; closing; concluding.
NO LEAD - Supply Voltage
Supply voltage refers to the electrical potential difference provided to an electronic component or circuit. It is crucial for the proper operation of devices, as it powers their functions and determines performance characteristics. The supply voltage must be within specified limits to ensure reliability and prevent damage to components. Different electronic devices have specific supply voltage requirements, which can vary widely depending on their design and intended application.
1.2V - Terminal Pitch
The center distance from one pole to the next.
0.5mm - JESD-30 Code
JESD-30 Code refers to a standardized descriptive designation system established by JEDEC for semiconductor-device packages. This system provides a systematic method for generating designators that convey essential information about the package's physical characteristics, such as size and shape, which aids in component identification and selection. By using JESD-30 codes, manufacturers and engineers can ensure consistency and clarity in the specification of semiconductor packages across various applications and industries.
S-XQCC-N48 - Function
The parameter "Function" in electronic components refers to the specific role or purpose that the component serves within an electronic circuit. It defines how the component interacts with other elements, influences the flow of electrical signals, and contributes to the overall behavior of the system. Functions can include amplification, signal processing, switching, filtering, and energy storage, among others. Understanding the function of each component is essential for designing effective and efficient electronic systems.
Controller - Interface
In electronic components, the term "Interface" refers to the point at which two different systems, devices, or components connect and interact with each other. It can involve physical connections such as ports, connectors, or cables, as well as communication protocols and standards that facilitate the exchange of data or signals between the connected entities. The interface serves as a bridge that enables seamless communication and interoperability between different parts of a system or between different systems altogether. Designing a reliable and efficient interface is crucial in ensuring proper functionality and performance of electronic components and systems.
GPIO - Clock Frequency
Clock frequency, also known as clock speed, refers to the rate at which a processor or electronic component can execute instructions. It is measured in hertz (Hz) and represents the number of cycles per second that the component can perform. A higher clock frequency typically indicates a faster processing speed and better performance. However, it is important to note that other factors such as architecture, efficiency, and workload also play a significant role in determining the overall performance of a component. In summary, clock frequency is a crucial parameter that influences the speed and efficiency of electronic components in processing data and executing tasks.
25MHz - Protocol
In electronic components, the parameter "Protocol" refers to a set of rules and standards that govern the communication between devices. It defines the format, timing, sequencing, and error checking methods for data exchange between different components or systems. Protocols ensure that devices can understand and interpret data correctly, enabling them to communicate effectively with each other. Common examples of protocols in electronics include USB, Ethernet, SPI, I2C, and Bluetooth, each with its own specifications for data transmission. Understanding and adhering to protocols is essential for ensuring compatibility and reliable communication between electronic devices.
Ethernet - Boundary Scan
Boundary scan is a testing technique used in electronic components to verify the interconnections between integrated circuits on a printed circuit board. It allows for the testing of digital circuits by providing a way to shift data in and out of devices through a serial interface. This method helps in identifying faults such as short circuits, open circuits, and incorrect connections without the need for physical access to the individual components. Boundary scan is commonly used during manufacturing, testing, and debugging processes to ensure the quality and reliability of electronic products.
YES - Low Power Mode
Low Power Mode is a feature found in electronic components, such as microcontrollers, processors, and devices, that allows them to operate at reduced power consumption levels. When activated, the component typically reduces its clock speed, voltage, or disables certain functions to conserve energy. This mode is often used to extend battery life in portable devices or reduce overall power consumption in energy-efficient systems. Low Power Mode can be triggered automatically based on certain conditions, such as low battery levels, or manually by the user or software. It is a crucial feature in modern electronics to balance performance with energy efficiency.
YES - Screening Level
In electronic components, the term "Screening Level" refers to the level of testing and inspection that a component undergoes to ensure its reliability and performance. This process involves subjecting the component to various tests, such as temperature cycling, burn-in, and electrical testing, to identify any defects or weaknesses that could affect its functionality. The screening level is typically determined based on the application requirements and the criticality of the component in the system. Components that undergo higher screening levels are generally more reliable but may also be more expensive. Overall, the screening level helps to ensure that electronic components meet the necessary quality standards for their intended use.
TS 16949 - Number of Serial I/Os8
- Standards
The parameter "Standards" in electronic components refers to established criteria or specifications that ensure interoperability, safety, and performance across various electronic devices and systems. These standards are often set by recognized organizations and describe the characteristics, dimensions, and testing methods for components. Adherence to these standards helps manufacturers produce compatible and reliable products, facilitates communication between devices, and ensures compliance with regulatory requirements. Standards play a crucial role in the consistency and quality of electronic components in the industry.
10/100/1000 Base-TX PHY - Bus Compatibility
Bus compatibility in electronic components refers to the ability of a device to communicate effectively with other devices on a shared data bus. This parameter is crucial in ensuring that different components can exchange information seamlessly and operate together without compatibility issues. It involves factors such as voltage levels, signal timing, and data protocols that need to be standardized for proper communication. Components with good bus compatibility can work together efficiently in a system, while those with poor compatibility may lead to communication errors or system malfunctions. Manufacturers often specify the bus compatibility of their components to help users ensure proper integration and functionality within their electronic systems.
PCI - Data Transfer Rate-Max
The parameter "Data Transfer Rate-Max" in electronic components refers to the maximum rate at which data can be transferred between different devices or components within a system. It is typically measured in bits per second (bps) or bytes per second (Bps) and indicates the peak speed at which data can be transmitted. This parameter is crucial for determining the overall performance and efficiency of a system, especially in applications where high-speed data transfer is essential, such as in networking equipment, storage devices, and communication systems. Manufacturers often specify the Data Transfer Rate-Max to help users understand the capabilities and limitations of the component when it comes to transferring data quickly and reliably.
256 MBps - Length7mm
- Height Seated (Max)
Height Seated (Max) is a parameter in electronic components that refers to the maximum allowable height of the component when it is properly seated or installed on a circuit board or within an enclosure. This specification is crucial for ensuring proper fit and alignment within the overall system design. Exceeding the maximum seated height can lead to mechanical interference, electrical shorts, or other issues that may impact the performance and reliability of the electronic device. Manufacturers provide this information to help designers and engineers select components that will fit within the designated space and function correctly in the intended application.
1mm - Width7mm
- RoHS Status
RoHS means “Restriction of Certain Hazardous Substances” in the “Hazardous Substances Directive” in electrical and electronic equipment.
ROHS3 Compliant
LAN7430 System Considerations
● Power and I/Os
◆ Single 3.3V supply operation with on-chip Switching and LDO Regulators for core and I/Os
◆ GPIOs: 4
◆ Variable voltage I/O supply (1.8V, 2.5V, or 3.3V)
● Software Support
◆ Windows 7, 8, 8.1, 10, and OneCore drivers
◆ Linux driver
◆ Android driver
◆ Windows command line OTP / EEPROM programming and testing utility
● Packaging: 48-pin SQFN (7 x 7 mm)
● Environmental
◆ Commercial temp. range (0°C to +70°C)
◆ Industrial temp. range (-40°C to +85°C)
◆ AEC-Q100 Grade 2 Automotive Qualified temp. range (-40°C to +105°C)
LAN7430 Functional Block Diagram
The following is the Block Diagram of LAN7430.

Block Diagram
LAN7430 Equivalent
| Model number | Manufacturer | Description |
| LAN7431T/YXX | Microchip Technology Inc | Serial I/O Controller, 4 Channel(s), 256MBps, CMOS |
| LAN7431-I/YXX | Microchip Technology Inc | Serial I/O Controller, 4 Channel(s), 256MBps, CMOS |
| LAN7430T-I/Y9X | Microchip Technology Inc | Serial I/O Controller, 8 Channel(s), 256MBps, CMOS |
| LAN7430T-V/Y9X | Microchip Technology Inc | Serial I/O Controller, 8 Channel(s), 256MBps, CMOS |
| LAN7431-V/YXXVAO | Microchip Technology Inc | Serial I/O Controller, 4 Channel(s), 256MBps, CMOS |
| LAN7430T/Y9X | Microchip Technology Inc | Serial I/O Controller, 8 Channel(s), 256MBps, CMOS |
LAN7430 Target Applications
● Automotive Infotainment / Telematics
● PCIe to Gigabit Ethernet Adapter / Bridge
● PCIe to Gigabit Ethernet on Embedded System
● Gigabit Backplane
● LTE Modem
● Networked Cameras
● Industrial PC (IPC)
● Test Instrumentation / Industrial
LAN7430 Package
The following diagrams show the LAN7430 package.

Top View

Side View

Bottom View
LAN7430 Manufacturer
Microchip Technology Inc. is a leading provider of microcontroller and analog semiconductors, providing low-risk product development, lower total system cost and faster time to market for thousands of diverse customer applications worldwide. Headquartered in Chandler, Arizona, Microchip offers outstanding technical support along with dependable delivery and quality.
Trend Analysis
Datasheet PDF
- Datasheets :
What is the essential property of the LAN7430?
The LAN7430 is a highly integrated PCIe to Gigabit Ethernet Controller, with IEEE Std 1588TM-2008 and advanced power management features, that provides a high performance and cost effective PCIe/Ethernet bridging solution for automotive and industrial applications.
Does LAN7430 support configurable features?
The LAN7430 supports a large number of configurable features.
What are the clock modes supported by the LAN7430?
The LAN7430 devices support the common clock method where both end devices, such as a host and the device, are using the same clock source.
Can the LAN7430 be operated on a single power supply?
The LAN7430 includes both a switching regulator and LDO to facilitate ease of integration and to allow operation off of a single power supply.
TDA2040 Hi-Fi Audio Power Amplifier: Replacement, Circuit and Datasheet28 October 20216318
LTC3305 Battery Balancer: Datasheet, Price, and Typical Application06 November 20212733
LM1117MP-3.3 Voltage Regulator: Pinout, Datasheet and Schematic06 September 20219062
MIC4452YN IC GATE DRVR LOW-SIDE 8DIP: Datasheet, Pinout, and Equivalents14 February 20221427
ADS1220 Sensors: Price, Package and Datasheet17 August 20215809
IRF640S Power MOSFET: Datasheet, IRF640 MOSFET, Pinout11 August 20212009
2N5306 Transistor: NPN Darlington Transistor, Datasheet, Pinout21 December 20211767
NC7SZ08M5X Gate: Features, Applications and Datasheet15 December 2023428
Introduction to Centrifugal Switch27 January 202111664
Multivibrator: Circuits, Types and Application08 September 202024365
Basic Guidelines for Mixed-Signal PCB Layout Design15 March 20244505
How to Avoid Common Mistakes When Choosing Electrical Fuses14 July 2025632
Semiconductor Devices: Impact on IoT and Modern Communication (Part- 2)24 July 20242540
Electronic components distributor UTMEL Stands Out at electronica china 202409 July 20242798
Xilinx FPGAs: From Getting Started to Advanced Application Development09 September 20253579
What are Resonators?07 January 202615281
Microchip Technology
In Stock: 3000
Minimum: 1 Multiples: 1
Qty
Unit Price
Ext Price
1
$11.051009
$11.05
10
$10.425480
$104.25
100
$9.835359
$983.54
500
$9.278640
$4,639.32
1000
$8.753434
$8,753.43
Not the price you want? Send RFQ Now and we'll contact you ASAP.
Inquire for More Quantity









