LM5117 Wide Input Sync Buck with Current Monitor: Pinout and Datasheet
BOARD EVAL FOR LM5117
This article provides you with a basic overview of the LM5117 regulator, including its pin descriptions, functions and specifications, CAD models, etc., to help you quickly understand what LM5117 is.

LM5117 Wide Input Sync Buck with Current Monitor
LM5117 Description
The LM5117 is a synchronous buck controller designed for step-down regulator applications that require a high voltage or a wide range of input voltages. The control method is current mode control with an emulated current ramp. Current mode control has inherent line feed-forward, cycle-by-cycle current limiting, and is simple to loop compensate. The use of an emulated control ramp reduces the pulse-width modulation circuit's noise sensitivity, allowing reliable control of very small duty cycles required in high input voltage applications.
LM5117 Features
Emulated Peak Current Mode Control
Wide Operating Range from 5.5 V to 65 V
Robust 3.3-A Peak Gate Drives
Adaptive Dead-Time Output Driver Control
Free-Run or Synchronizable Clock up to 750 kHz
Optional Diode Emulation Mode
Programmable Output from 0.8 V
Precision 1.5% Voltage Reference
Analog Current Monitor
Programmable Current Limit
Hiccup Mode Overcurrent Protection
Programmable Soft-Start and Tracking
Programmable Line Undervoltage Lockout
Programmable Switchover to External Bias Supply
Thermal Shutdown
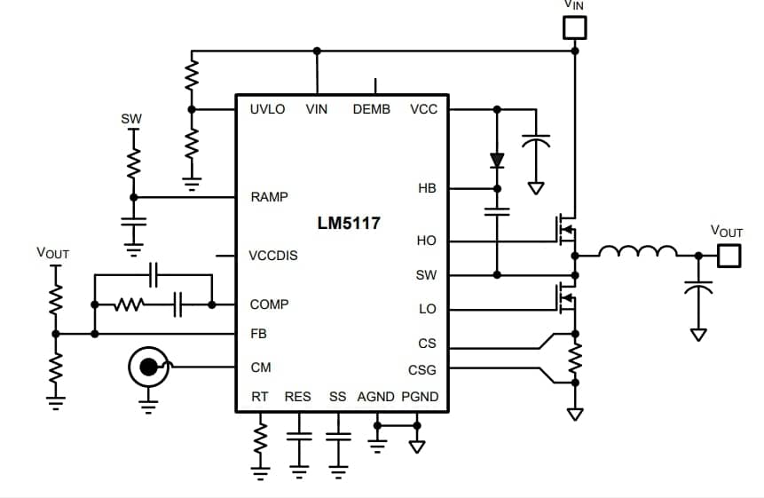
LM5117 Pinout and configurations


| Pin Number | Pin Functions |
| Pin 1 | UVLO is the under-voltage lockout pin. The voltage regulator is shut down below 0.4V, and the voltage regulator is in standby mode when it is greater than 0.4V and less than 1.25V. The voltage regulator above 1.25V works normally and stably. |
| Pin 2 | DEMB is a diode emulation mode pin, which can be floated if not needed. |
| Pin 3 | RES restarts the timer pin and can configure the hiccup current-limiting mode. |
| Pin 4 | SS can set the internal reference slope of the internal error amplifier. |
| Pin 5 | RT sets the clock frequency and the maximum frequency can be configured to 750kHz, just connect a resistor between the ground, and connect a capacitor to synchronize to the external frequency. |
| Pin 6 | Ground |
| Pin 7 | VCCDIS is an optional input pin for disabling the regulator. |
| Pin 8 | FB feedback pin is used to stabilize the set output, and the reference base is 0.8V. |
| Pin 9 | COMP is the output of the internal error amplifier |
| Pin 10 | CM is the output of the current monitor, which can detect the average current value for programming. |
| Pin 11 | feet RAMP is the PWM ramp signal. |
| Pin 12 | CS is the current detection input pin. |
| Pin 13 | Ground |
| Pin 14 | Ground |
| Pin 15 | Pin 15 is the bottom MOS output drive pin. |
| Pin 16 | Pin 16 is the VCC power bias pin |
| Pin 17 | SW is the switch node of the buck regulator and provides a bootstrap loop. |
| Pin 18 | HO is a high bridge MOS drive output |
| Pin 19 | HB is the Gaoqiao bootstrap power input |
| Pin 20 | VIN is the power supply voltage input source of the VCC regulator |
Specifications
- TypeParameter
- Factory Lead Time4 Weeks
- Package / Case
refers to the protective housing that encases an electronic component, providing mechanical support, electrical connections, and thermal management.
Module - Part Status
Parts can have many statuses as they progress through the configuration, analysis, review, and approval stages.
Active - Moisture Sensitivity Level (MSL)
Moisture Sensitivity Level (MSL) is a standardized rating that indicates the susceptibility of electronic components, particularly semiconductors, to moisture-induced damage during storage and the soldering process, defining the allowable exposure time to ambient conditions before they require special handling or baking to prevent failures
1 (Unlimited) - Voltage - Output
Voltage - Output is a parameter that refers to the electrical potential difference between the output terminal or pin of an electronic component and a reference point, typically ground. It indicates the level of voltage that the component is capable of providing at its output under specified operating conditions. This parameter is crucial in determining the performance and functionality of the component in a circuit, as it directly affects the signal or power being delivered to other components or devices connected to the output. Engineers and designers use the voltage output specification to ensure compatibility and proper functioning of the component within the overall system.
12V - Frequency - Switching
"Frequency - Switching" in electronic components refers to the rate at which a device, such as a transistor or switching regulator, turns on and off during operation. This parameter is crucial in determining the efficiency and performance of power converters, oscillators, and other circuits that rely on rapid switching. Higher switching frequencies typically allow for smaller component sizes but may require more advanced design considerations to manage heat and electromagnetic interference.
50kHz~750kHz - Utilized IC / Part
Utilized IC / Part is a parameter that refers to the extent to which an integrated circuit (IC) or electronic component is being used or consumed within a system or application. It typically indicates the percentage or ratio of the component's capabilities that are being utilized in a given scenario. This parameter is important for assessing the efficiency and performance of the component, as well as for determining if the component is being underutilized or overburdened in a particular application. Monitoring and optimizing the utilization of ICs and electronic parts can help improve overall system reliability, efficiency, and cost-effectiveness.
LM5117 - Supplied Contents
Supplied Contents in electronic components refers to the items or materials that are included with the component when it is purchased. These contents can vary depending on the specific component and manufacturer, but typically include things like user manuals, installation guides, cables, connectors, and any additional accessories needed for the component to function properly. The supplied contents are important for ensuring that the user has everything they need to set up and use the electronic component correctly. It is recommended to carefully check the supplied contents upon receiving a new electronic component to make sure that nothing is missing and to familiarize oneself with the included materials for optimal use.
Board(s) - Evaluation Kit
An Evaluation Kit is a collection of hardware and software components designed to help engineers and developers assess and test the functionality of a particular electronic component or system. It typically includes a development board, sample code, utilities, and documentation to facilitate development and prototype testing. Evaluation Kits enable users to quickly prototype applications, evaluate performance characteristics, and determine compatibility with other systems. They are commonly used in the design and development phases of electronic projects to simplify the integration of complex components.
Yes - Board Type
Board Type refers to the specific configuration or category of a printed circuit board (PCB) used in electronic devices. It defines the characteristics and design of the board, such as single-sided, double-sided, or multilayer constructions. The Board Type impacts factors like signal integrity, power distribution, and thermal management, influencing the overall performance and functionality of the electronic component. Different applications and environments may require specific Board Types to meet durability and operational requirements.
Fully Populated - Main Purpose
The parameter "Main Purpose" in electronic components refers to the primary function or intended use of the component within a circuit or system. It describes the specific role that the component plays in the overall functionality of the electronic device. Understanding the main purpose of a component is crucial for proper selection, placement, and integration within a circuit design. This parameter helps engineers and designers ensure that each component is utilized effectively and efficiently to achieve the desired performance and functionality of the electronic system.
DC/DC, Step Down - Outputs and Type
Outputs and Type in electronic components refer to the specific signals or power levels that a device can produce or deliver. This parameter indicates the nature of the output, such as voltage, current, or digital signals, and categorizes them into types like analog or digital outputs. It is crucial for understanding how the component interacts with other devices in a circuit and ensures compatibility within electronic systems.
1, Non-Isolated - Regulator Topology
In electronic components, "Regulator Topology" refers to the specific configuration or design of a voltage regulator circuit. A voltage regulator is a device that maintains a constant output voltage regardless of changes in input voltage or load conditions. The regulator topology determines how the components within the circuit are connected and how they function together to achieve voltage regulation. Common regulator topologies include linear regulators, switching regulators, and shunt regulators, each with its own advantages and limitations. Understanding the regulator topology is crucial for selecting the appropriate voltage regulator for a particular application based on factors such as efficiency, cost, size, and performance requirements.
Buck - REACH SVHC
The parameter "REACH SVHC" in electronic components refers to the compliance with the Registration, Evaluation, Authorization, and Restriction of Chemicals (REACH) regulation regarding Substances of Very High Concern (SVHC). SVHCs are substances that may have serious effects on human health or the environment, and their use is regulated under REACH to ensure their safe handling and minimize their impact.Manufacturers of electronic components need to declare if their products contain any SVHCs above a certain threshold concentration and provide information on the safe use of these substances. This information allows customers to make informed decisions about the potential risks associated with using the components and take appropriate measures to mitigate any hazards.Ensuring compliance with REACH SVHC requirements is essential for electronics manufacturers to meet regulatory standards, protect human health and the environment, and maintain transparency in their supply chain. It also demonstrates a commitment to sustainability and responsible manufacturing practices in the electronics industry.
No SVHC - RoHS Status
RoHS means “Restriction of Certain Hazardous Substances” in the “Hazardous Substances Directive” in electrical and electronic equipment.
Non-RoHS Compliant
LM5117 CAD Models
Symbol Footprint


3D Models



20 pins
Symbol Print


3D Models



24 pins
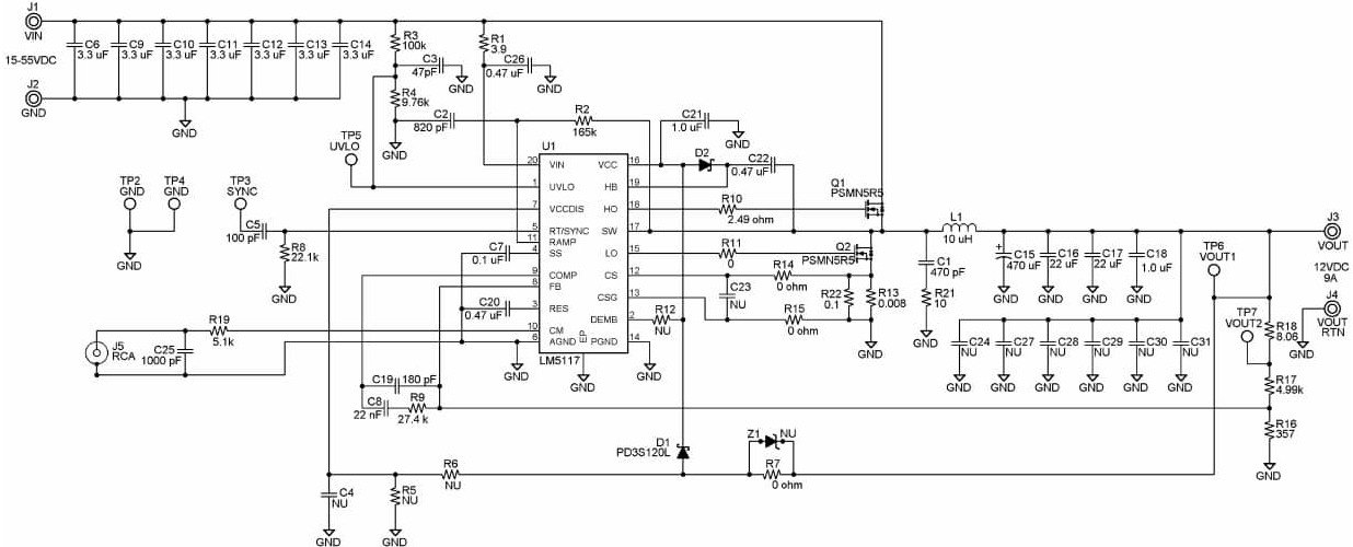
LM5117 Typical Application


LM5117 Applications
Automotive Infotainment
Industrial DC-DC Motor Drivers
Automotive USB Power
Telecom Server
LM5117 Manufacturer
Texas Instruments Inc. (TI) is a technology company based in the United States that designs and manufactures semiconductors and various integrated circuits, which it sells to electronics designers and manufacturers worldwide. Its headquarters are located in Dallas, Texas, in the United States. Based on sales volume, TI is one of the top ten semiconductor companies in the world. Texas Instruments' primary focus is on analog chips and embedded processors, which account for more than 80% of its revenue. TI also manufactures TI digital light processing (DLP) technology as well as educational technology products such as calculators, microcontrollers, and multi-core processors. TI currently holds over 43,000 patents worldwide.
LM5117 Recommended Operating Conditions
| MIN MAX | UNIT | |
| VIN(2) | 5.5 65 | V |
| VCC | 5.5 14 | V |
| HB to SW | 5.5 14 | V |
| Junction temperature | -40 125 | ℃ |
Trend Analysis
Datasheet PDF
- Datasheets :
Parts with Similar Specs
What is LM5117?
LM5117 is a synchronous step-down controller produced by TI. It is widely used in communications and automotive electronics. It can be used as a core control device for low-voltage and high-power DC-stabilized power supplies with high stability and anti-interference.
What are the advantages of DC-DC converter?
DC-DC converters have been widely used in machinery, communications, automobiles, and other fields as a secondary power supply because of their small size, lightweight, high efficiency, and low cost.
Why do we choose LM5117 as the core device circuit?
Because the circuit designed with the LM5117 as the core device has the characteristics of stable operation, high efficiency, and low output ripple, the overall loss of the low-voltage working circuit is reduced. Furthermore, the value of the LM3117 is that it can be used in step-up and step-down low-voltage high-power DC regulated power supplies, which is very important in the development of automotive electronics.
What’s the function of LM5117?
The LM5117 switching power supply step-down chip improves switching power supply stability. It is capable of driving dual-bridge MOS transistors directly. It also offers a plethora of expansion units, including current monitoring, that performs admirably.
How many pins does LM5117 have?
20 or 24.
AD7524: A High-Performance Digital to Analog Converter for Data Acquisition06 March 2024106
74LS08 AND Two Input Gate IC: Datasheet, Pinout and Voltage21 October 202115945
8533AG-01 LVPECL Fanout Buffer: Pinout, Features and Datasheet28 March 2022299
SST25VF040B 4-Mbit SPI Serial Flash: Pinout, Equivalent and Datasheet31 March 20221094
In-Depth Analysis of the Microchip PIC16F873/874/876/877 Microcontrollers29 February 2024401
STMicroelectronics STM32F302CBT6: Integration Guide for Embedded Systems11 June 2025295
AD8307 92 dB Logarithmic Amplifier: Datasheet, Pinout, and RF Power Measurement Analysis12 February 2026317
74LS73 Dual JK Flip-Flop IC: Datasheet, Pinout and How Do Flip Flops Work07 December 202125227
Apple Will Help TSMC to Be in the Leading Position in the Next Era16 March 20223369
The Comprehensive Guide to MOSFETs: Principles, Types, and Parameters (2026 Edition)16 January 202617862
Understanding Machine Vision and Visual Sensor27 September 20211910
What is Instrument Transformer?08 January 20227209
NOR Flash: Working, Structure and Applications18 November 202113329
The Introduction to QFN Package15 October 20257557
Why Meta Did Not Choose Qualcomm AI Chip?02 April 20225557
Introduction to Potential Transformers21 September 202010556
Texas Instruments
In Stock: 53
United States
China
Canada
Japan
Russia
Germany
United Kingdom
Singapore
Italy
Hong Kong(China)
Taiwan(China)
France
Korea
Mexico
Netherlands
Malaysia
Austria
Spain
Switzerland
Poland
Thailand
Vietnam
India
United Arab Emirates
Afghanistan
Åland Islands
Albania
Algeria
American Samoa
Andorra
Angola
Anguilla
Antigua & Barbuda
Argentina
Armenia
Aruba
Australia
Azerbaijan
Bahamas
Bahrain
Bangladesh
Barbados
Belarus
Belgium
Belize
Benin
Bermuda
Bhutan
Bolivia
Bonaire, Sint Eustatius and Saba
Bosnia & Herzegovina
Botswana
Brazil
British Indian Ocean Territory
British Virgin Islands
Brunei
Bulgaria
Burkina Faso
Burundi
Cabo Verde
Cambodia
Cameroon
Cayman Islands
Central African Republic
Chad
Chile
Christmas Island
Cocos (Keeling) Islands
Colombia
Comoros
Congo
Congo (DRC)
Cook Islands
Costa Rica
Côte d’Ivoire
Croatia
Cuba
Curaçao
Cyprus
Czechia
Denmark
Djibouti
Dominica
Dominican Republic
Ecuador
Egypt
El Salvador
Equatorial Guinea
Eritrea
Estonia
Eswatini
Ethiopia
Falkland Islands
Faroe Islands
Fiji
Finland
French Guiana
French Polynesia
Gabon
Gambia
Georgia
Ghana
Gibraltar
Greece
Greenland
Grenada
Guadeloupe
Guam
Guatemala
Guernsey
Guinea
Guinea-Bissau
Guyana
Haiti
Honduras
Hungary
Iceland
Indonesia
Iran
Iraq
Ireland
Isle of Man
Israel
Jamaica
Jersey
Jordan
Kazakhstan
Kenya
Kiribati
Kosovo
Kuwait
Kyrgyzstan
Laos
Latvia
Lebanon
Lesotho
Liberia
Libya
Liechtenstein
Lithuania
Luxembourg
Macao(China)
Madagascar
Malawi
Maldives
Mali
Malta
Marshall Islands
Martinique
Mauritania
Mauritius
Mayotte
Micronesia
Moldova
Monaco
Mongolia
Montenegro
Montserrat
Morocco
Mozambique
Myanmar
Namibia
Nauru
Nepal
New Caledonia
New Zealand
Nicaragua
Niger
Nigeria
Niue
Norfolk Island
North Korea
North Macedonia
Northern Mariana Islands
Norway
Oman
Pakistan
Palau
Palestinian Authority
Panama
Papua New Guinea
Paraguay
Peru
Philippines
Pitcairn Islands
Portugal
Puerto Rico
Qatar
Réunion
Romania
Rwanda
Samoa
San Marino
São Tomé & Príncipe
Saudi Arabia
Senegal
Serbia
Seychelles
Sierra Leone
Sint Maarten
Slovakia
Slovenia
Solomon Islands
Somalia
South Africa
South Sudan
Sri Lanka
St Helena, Ascension, Tristan da Cunha
St. Barthélemy
St. Kitts & Nevis
St. Lucia
St. Martin
St. Pierre & Miquelon
St. Vincent & Grenadines
Sudan
Suriname
Svalbard & Jan Mayen
Sweden
Syria
Tajikistan
Tanzania
Timor-Leste
Togo
Tokelau
Tonga
Trinidad & Tobago
Tunisia
Turkey
Turkmenistan
Turks & Caicos Islands
Tuvalu
U.S. Outlying Islands
U.S. Virgin Islands
Uganda
Ukraine
Uruguay
Uzbekistan
Vanuatu
Vatican City
Venezuela
Wallis & Futuna
Yemen
Zambia
Zimbabwe


Product
Brand
Articles
Tools



















