MAX3082ESA Transceiver: Circuit, Pinout, and Datasheet
8 Terminations 5V 8 Pin MAX3082 Receivers 1 Bits 1/1 Drivers/Receivers 1 Functions









8 Terminations 5V 8 Pin MAX3082 Receivers 1 Bits 1/1 Drivers/Receivers 1 Functions
MAX3082ESA is a Fail-Safe, High-Speed (10Mbps), Slew-Rate-Limited RS-485/RS-422 Transceivers. This article mainly introduces circuit, pinout, datasheet and other detailed information about Maxim Integrated MAX3082ESA.
MAX3082ESA Description
One driver and one receiver are included in the MAX3082ESA high-speed transceiver for RS-485 / RS-422 communication. When the receiver inputs are open or shorted, the device's fail-safe circuitry ensures a logic-high receiver output. If all transmitters on a terminated bus are deactivated, the receiver output will be a logic high (high impedance).
Reduced slew-rate drivers in the MAX3082ESA reduce EMI and reflections produced by incorrectly terminated cables, allowing error-free data transmission up to 115kbps.
Higher driver output slew-rate limitations are available on the MAX3082ESA. allowing transmission speeds of up to 500kbps. The MAX3082ESA 's driver slew rates are unrestricted, allowing for transmitting speeds of up to 10Mbps. When empty, or when fully loaded with the drivers disabled, these transceivers typically draw 375A of supply current.
All devices have a receiver input impedance of 1/8 unit load, allowing for up to 256 transceivers on the bus. The MAX3082ESA is a half-duplex communication device.
MAX3082ESA Pinout
The following figure is MAX3082ESA Pinout.

Pinout
MAX3082ESA CAD Model
The followings are MAX3082ESA Symbol, Footprint and 3D Model.

Symbol

Footprint

3D Model
MAX3082ESA Features
♦ For Fault-Tolerant Applications:
MAX3430: ±80V Fault-Protected, Fail-Safe , 1/4-Unit Load, +3.3V RS-485 Transceiver
♦ For Low-Voltage Applications:
MAX3362: +3.3V, High-Speed, RS-485/ RS-422 Transceiver in a SOT23 Package
♦ For Multiple Transceiver Applications:
MAX3030E–MAX3033E: ±15kV ESD-Protected, +3.3V, Quad, RS-422 Transmitters
MAX3040–MAX3045: ±10kV ESD-Protected, Quad, +5V, RS-485/RS-422 Transmitters
Specifications
- TypeParameter
- Factory Lead Time6 Weeks
- Mounting Type
The "Mounting Type" in electronic components refers to the method used to attach or connect a component to a circuit board or other substrate, such as through-hole, surface-mount, or panel mount.
Surface Mount - Package / Case
refers to the protective housing that encases an electronic component, providing mechanical support, electrical connections, and thermal management.
8-SOIC (0.154, 3.90mm Width) - Surface Mount
having leads that are designed to be soldered on the side of a circuit board that the body of the component is mounted on.
YES - Number of Pins8
- Operating Temperature
The operating temperature is the range of ambient temperature within which a power supply, or any other electrical equipment, operate in. This ranges from a minimum operating temperature, to a peak or maximum operating temperature, outside which, the power supply may fail.
-40°C~85°C - Packaging
Semiconductor package is a carrier / shell used to contain and cover one or more semiconductor components or integrated circuits. The material of the shell can be metal, plastic, glass or ceramic.
Tube - Published2007
- JESD-609 Code
The "JESD-609 Code" in electronic components refers to a standardized marking code that indicates the lead-free solder composition and finish of electronic components for compliance with environmental regulations.
e3 - Pbfree Code
The "Pbfree Code" parameter in electronic components refers to the code or marking used to indicate that the component is lead-free. Lead (Pb) is a toxic substance that has been widely used in electronic components for many years, but due to environmental concerns, there has been a shift towards lead-free alternatives. The Pbfree Code helps manufacturers and users easily identify components that do not contain lead, ensuring compliance with regulations and promoting environmentally friendly practices. It is important to pay attention to the Pbfree Code when selecting electronic components to ensure they meet the necessary requirements for lead-free applications.
yes - Part Status
Parts can have many statuses as they progress through the configuration, analysis, review, and approval stages.
Active - Moisture Sensitivity Level (MSL)
Moisture Sensitivity Level (MSL) is a standardized rating that indicates the susceptibility of electronic components, particularly semiconductors, to moisture-induced damage during storage and the soldering process, defining the allowable exposure time to ambient conditions before they require special handling or baking to prevent failures
1 (Unlimited) - Number of Terminations8
- ECCN Code
An ECCN (Export Control Classification Number) is an alphanumeric code used by the U.S. Bureau of Industry and Security to identify and categorize electronic components and other dual-use items that may require an export license based on their technical characteristics and potential for military use.
EAR99 - TypeTransceiver
- Terminal Finish
Terminal Finish refers to the surface treatment applied to the terminals or leads of electronic components to enhance their performance and longevity. It can improve solderability, corrosion resistance, and overall reliability of the connection in electronic assemblies. Common finishes include nickel, gold, and tin, each possessing distinct properties suitable for various applications. The choice of terminal finish can significantly impact the durability and effectiveness of electronic devices.
Matte Tin (Sn) - Max Power Dissipation
The maximum power that the MOSFET can dissipate continuously under the specified thermal conditions.
471mW - Voltage - Supply
Voltage - Supply refers to the range of voltage levels that an electronic component or circuit is designed to operate with. It indicates the minimum and maximum supply voltage that can be applied for the device to function properly. Providing supply voltages outside this range can lead to malfunction, damage, or reduced performance. This parameter is critical for ensuring compatibility between different components in a circuit.
4.75V~5.25V - Terminal Position
In electronic components, the term "Terminal Position" refers to the physical location of the connection points on the component where external electrical connections can be made. These connection points, known as terminals, are typically used to attach wires, leads, or other components to the main body of the electronic component. The terminal position is important for ensuring proper connectivity and functionality of the component within a circuit. It is often specified in technical datasheets or component specifications to help designers and engineers understand how to properly integrate the component into their circuit designs.
DUAL - Terminal Form
Occurring at or forming the end of a series, succession, or the like; closing; concluding.
GULL WING - Peak Reflow Temperature (Cel)
Peak Reflow Temperature (Cel) is a parameter that specifies the maximum temperature at which an electronic component can be exposed during the reflow soldering process. Reflow soldering is a common method used to attach electronic components to a circuit board. The Peak Reflow Temperature is crucial because it ensures that the component is not damaged or degraded during the soldering process. Exceeding the specified Peak Reflow Temperature can lead to issues such as component failure, reduced performance, or even permanent damage to the component. It is important for manufacturers and assemblers to adhere to the recommended Peak Reflow Temperature to ensure the reliability and functionality of the electronic components.
260 - Number of Functions1
- Supply Voltage
Supply voltage refers to the electrical potential difference provided to an electronic component or circuit. It is crucial for the proper operation of devices, as it powers their functions and determines performance characteristics. The supply voltage must be within specified limits to ensure reliability and prevent damage to components. Different electronic devices have specific supply voltage requirements, which can vary widely depending on their design and intended application.
5V - Time@Peak Reflow Temperature-Max (s)
Time@Peak Reflow Temperature-Max (s) refers to the maximum duration that an electronic component can be exposed to the peak reflow temperature during the soldering process, which is crucial for ensuring reliable solder joint formation without damaging the component.
30 - Base Part Number
The "Base Part Number" (BPN) in electronic components serves a similar purpose to the "Base Product Number." It refers to the primary identifier for a component that captures the essential characteristics shared by a group of similar components. The BPN provides a fundamental way to reference a family or series of components without specifying all the variations and specific details.
MAX3082 - Pin Count
a count of all of the component leads (or pins)
8 - Output Voltage
Output voltage is a crucial parameter in electronic components that refers to the voltage level produced by the component as a result of its operation. It represents the electrical potential difference between the output terminal of the component and a reference point, typically ground. The output voltage is a key factor in determining the performance and functionality of the component, as it dictates the level of voltage that will be delivered to the connected circuit or load. It is often specified in datasheets and technical specifications to ensure compatibility and proper functioning within a given system.
13V - Operating Supply Voltage
The voltage level by which an electrical system is designated and to which certain operating characteristics of the system are related.
5V - Power Supplies
an electronic circuit that converts the voltage of an alternating current (AC) into a direct current (DC) voltage.?
5V - Interface
In electronic components, the term "Interface" refers to the point at which two different systems, devices, or components connect and interact with each other. It can involve physical connections such as ports, connectors, or cables, as well as communication protocols and standards that facilitate the exchange of data or signals between the connected entities. The interface serves as a bridge that enables seamless communication and interoperability between different parts of a system or between different systems altogether. Designing a reliable and efficient interface is crucial in ensuring proper functionality and performance of electronic components and systems.
RS-422, RS-485 - Nominal Supply Current
Nominal current is the same as the rated current. It is the current drawn by the motor while delivering rated mechanical output at its shaft.
375μA - Output Current
The rated output current is the maximum load current that a power supply can provide at a specified ambient temperature. A power supply can never provide more current that it's rated output current unless there is a fault, such as short circuit at the load.
1μA - Quiescent Current
The quiescent current is defined as the current level in the amplifier when it is producing an output of zero.
375μA - Data Rate
Data Rate is defined as the amount of data transmitted during a specified time period over a network. It is the speed at which data is transferred from one device to another or between a peripheral device and the computer. It is generally measured in Mega bits per second(Mbps) or Mega bytes per second(MBps).
115Kbps - Differential Output
a differential output voltage in electronics is the difference between the values of two AC voltages, 180° out of phase, present at the output terminals of an amplifier when you apply a differential input voltage to the input terminals of an amplifier.
YES - Output Polarity
Output polarity in electronic components refers to the orientation of the output signal in relation to the ground or reference voltage. It indicates whether the output voltage is positive or negative with respect to the ground. Positive output polarity means the signal is higher than the ground potential, while negative output polarity signifies that the signal is lower than the ground. This characteristic is crucial for determining compatibility with other components in a circuit and ensuring proper signal processing.
COMPLEMENTARY - Protocol
In electronic components, the parameter "Protocol" refers to a set of rules and standards that govern the communication between devices. It defines the format, timing, sequencing, and error checking methods for data exchange between different components or systems. Protocols ensure that devices can understand and interpret data correctly, enabling them to communicate effectively with each other. Common examples of protocols in electronics include USB, Ethernet, SPI, I2C, and Bluetooth, each with its own specifications for data transmission. Understanding and adhering to protocols is essential for ensuring compatibility and reliable communication between electronic devices.
RS422, RS485 - Input Characteristics
In electronic components, "Input Characteristics" refer to the set of specifications that describe how the component behaves in response to signals or inputs applied to it. These characteristics typically include parameters such as input voltage, input current, input impedance, input capacitance, and input frequency range. Understanding the input characteristics of a component is crucial for designing circuits and systems, as it helps ensure compatibility and proper functioning. By analyzing these parameters, engineers can determine how the component will interact with the signals it receives and make informed decisions about its use in a particular application.
DIFFERENTIAL SCHMITT TRIGGER - Number of Drivers/Receivers1/1
- Driver Number of Bits1
- Receiver Number of Bits1
- Duplex
In the context of electronic components, "Duplex" refers to a type of communication system that allows for bidirectional data flow. It enables two devices to communicate with each other simultaneously, allowing for both sending and receiving of data at the same time. Duplex communication can be further categorized into two types: half-duplex, where data can be transmitted in both directions but not at the same time, and full-duplex, where data can be sent and received simultaneously. This parameter is crucial in networking and telecommunications systems to ensure efficient and effective data transmission between devices.
Half - Receiver Hysteresis
Receiver hysteresis is?commonly used to ensure glitch-free reception even when differential noise is present. This application report compares the noise immunity of the SN65HVD37 to similar devices available from competitors. Contents.
100mV - Number of Transceivers1
- Receive Delay-Max
Receive Delay-Max is a parameter in electronic components that refers to the maximum amount of time it takes for a device to receive and process incoming signals or data after they have been transmitted. This parameter is crucial in determining the overall performance and efficiency of the component, especially in applications where timing is critical. A lower Receive Delay-Max value indicates faster response times and better overall performance, while a higher value may result in delays and potential issues in data transmission. It is important to consider and optimize the Receive Delay-Max parameter when designing or selecting electronic components for specific applications to ensure reliable and efficient operation.
200 ns - Simplex/Duplex
In electronic components, the parameter "Simplex/Duplex" refers to the type of communication or data transmission mode supported by the component. Simplex communication is a one-way communication mode where data flows only in one direction, from the sender to the receiver. This means that the sender can only transmit data, and the receiver can only receive data. On the other hand, duplex communication is a two-way communication mode where data can flow in both directions, allowing for simultaneous transmission and reception of data between two devices. Understanding whether a component supports simplex or duplex communication is important for determining how data will be exchanged between devices and ensuring compatibility in a given system.
Half Duplex - Transmit Delay-Max
Transmit Delay-Max refers to the maximum time interval it takes for a signal to be transmitted from the input to the output of an electronic component or system. This parameter is critical in digital circuits and communication systems, as it affects the overall performance and timing of data transmission. A lower Transmit Delay-Max indicates faster signal propagation, which is essential for high-speed applications. It is typically specified in nanoseconds or microseconds, depending on the technology and design of the component.
260 ns - Output Low Current-Max
Output Low Current-Max is a parameter in electronic components that specifies the maximum amount of current that can flow out of the output pin when it is in a low state. This parameter is important for determining the capability of the component to sink current when driving external loads. It is typically measured in units of amperes (A) and helps in ensuring that the component can effectively drive connected devices without being damaged. Designers use this parameter to ensure proper functioning and reliability of the overall circuit by selecting components with appropriate output low current-max ratings.
0.004A - Out Swing-Min
Out Swing-Min is a parameter in electronic components that indicates the minimum voltage level that an output signal can reach when the device is in a low state. It is critical for determining the output swing of digital circuits, particularly in logic devices and amplifiers. This parameter helps to ensure that the output can properly drive the subsequent stage of a circuit or meet the logic level requirements of connected components. A lower Out Swing-Min value may enhance compatibility with other devices in terms of signal integrity.
2 V - Height1.5mm
- Length5mm
- Width4mm
- REACH SVHC
The parameter "REACH SVHC" in electronic components refers to the compliance with the Registration, Evaluation, Authorization, and Restriction of Chemicals (REACH) regulation regarding Substances of Very High Concern (SVHC). SVHCs are substances that may have serious effects on human health or the environment, and their use is regulated under REACH to ensure their safe handling and minimize their impact.Manufacturers of electronic components need to declare if their products contain any SVHCs above a certain threshold concentration and provide information on the safe use of these substances. This information allows customers to make informed decisions about the potential risks associated with using the components and take appropriate measures to mitigate any hazards.Ensuring compliance with REACH SVHC requirements is essential for electronics manufacturers to meet regulatory standards, protect human health and the environment, and maintain transparency in their supply chain. It also demonstrates a commitment to sustainability and responsible manufacturing practices in the electronics industry.
Unknown - Radiation Hardening
Radiation hardening is the process of making electronic components and circuits resistant to damage or malfunction caused by high levels of ionizing radiation, especially for environments in outer space (especially beyond the low Earth orbit), around nuclear reactors and particle accelerators, or during nuclear accidents or nuclear warfare.
No - RoHS Status
RoHS means “Restriction of Certain Hazardous Substances” in the “Hazardous Substances Directive” in electrical and electronic equipment.
ROHS3 Compliant - Lead Free
Lead Free is a term used to describe electronic components that do not contain lead as part of their composition. Lead is a toxic material that can have harmful effects on human health and the environment, so the electronics industry has been moving towards lead-free components to reduce these risks. Lead-free components are typically made using alternative materials such as silver, copper, and tin. Manufacturers must comply with regulations such as the Restriction of Hazardous Substances (RoHS) directive to ensure that their products are lead-free and environmentally friendly.
Lead Free
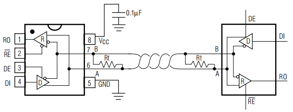
MAX3082ESA Typical Half-Duplex Operating Circuit
The following figure is MAX3082ESA Typical Half-Duplex Operating Circuit.

Typical Half-Duplex Operating Circuit
Pin labels Y and Z on timing, test, and waveform diagrams refer to pins A and B when DE is high.
MAX3082ESA Alternatives
| Part Number | Description | Manufacturer |
| MAX3082EESA-TDRIVERS AND INTERFACES | Line Transceiver, 1 Func, 1 Driver, 1 Rcvr, PDSO8, SO-8 | Maxim Integrated Products |
| MAX3082ESA+TDRIVERS AND INTERFACES | Line Transceiver, 1 Func, 1 Driver, 1 Rcvr, CMOS, PDSO8, SO-8 | Maxim Integrated Products |
| MAX3085ESADRIVERS AND INTERFACES | Line Transceiver, 1 Func, 1 Driver, 1 Rcvr, CMOS, PDSO8, SOP-8 | Maxim Integrated Products |
| MAX3082EESADRIVERS AND INTERFACES | Line Transceiver, 1 Func, 1 Driver, 1 Rcvr, PDSO8, SO-8 | Maxim Integrated Products |
| MAX3088ESADRIVERS AND INTERFACES | Line Transceiver, 1 Func, 1 Driver, 1 Rcvr, CMOS, PDSO8, SOP-8 | Maxim Integrated Products |
| MAX3082ESA-TDRIVERS AND INTERFACES | Line Transceiver, 1 Func, 1 Driver, 1 Rcvr, CMOS, PDSO8, SOP-8 | Maxim Integrated Products |
MAX3082ESA Applications
• RS-422/RS-485 Communications
• Level Translators
• Transceivers for EMI-Sensitive Applications
• Industrial-Control Local Area Networks
MAX3082ESA Manufacturer
Analog Devices' Maxim Integrated designs, manufactures and sells analog and mixed-signal integrated circuits for automotive, industrial, communications, consumer, and computing applications. Power and battery management ICs, sensors, analog ICs, interface ICs, communications solutions, digital ICs, embedded security, and microcontrollers are all part of Maxim's product line. The company includes design centers, manufacturing facilities, and sales offices all around the world, with its headquarters in San Jose, California.
Datasheet PDF
- Datasheets :
- ConflictMineralStatement :
How many drivers are included in the MAX3082ESA high-speed transceiver?
One driver and one receiver.
What ensures a logic-high receiver output?
Fail-safe circuitry.
What is the receiver output if all transmitters on a terminated bus are deactivated?
Logic high.
What is the rate of error-free data transmission in the MAX3082ESA?
115kbps.
What is available on the MAX3082ESA?
Higher driver output slew-rate limitations.
What is the transmission speed of the MAX3082ESA?
500kbps.
What is the maximum speed of the MAX3082ESAs driver slew rates?
10Mbps.
What does the driver slew rate typically draw when empty or fully loaded with the drivers disabled?
375A of supply current.
What is the receiver input impedance of the MAX3082ESA?
1/8 unit load.
What type of communication device is the MAX3082ESA?
Half-duplex.
XRP7675 Step-Down Regulator: Pinout, Features and Datasheet16 March 2022744
AD8421 10MHz Instrumentation Amplifier: Low-Noise Precision for High-Speed Signal Chains12 February 202674
74LS47: Driver, Pinout, Circuit And Equivalents30 March 20225546
Exploring the NuMicro M051™ Series Microcontroller: Functional Insights and Operational Capabilities29 February 2024306
Top Tips for Evaluating 74LVC1G02GW Component Suppliers07 June 2025103
WS2812B Addressable RGB LED: Datasheet, Pinout and Applications10 September 202125297
IRF1407 Power MOSFET: Pinout, Datasheet and Test Circuit08 November 20217882
5SGXMA3K2F40I3N Integrated Circuit: Features, Specification, Datasheet17 April 2025629
13 Semiconductor Startups Poised for Success in 2024, According to Investors11 December 20234306
In-Depth Analysis of Q1 2026 Memory Chip Market & Stocking Guide26 January 20262499
Reverse Voltage Protection for Battery Chargers29 March 20224316
Core Components behind Smart Glasses28 June 20239890
Bearing: Features, Types and Uses08 February 20228113
4680 Battery - Upgrade of Battery Technology17 December 20215462
What Makes a CPU?30 March 20221581
What is SPI (Serial Perripheral Interface)?25 November 20214250
Maxim Integrated
In Stock
United States
China
Canada
Japan
Russia
Germany
United Kingdom
Singapore
Italy
Hong Kong(China)
Taiwan(China)
France
Korea
Mexico
Netherlands
Malaysia
Austria
Spain
Switzerland
Poland
Thailand
Vietnam
India
United Arab Emirates
Afghanistan
Åland Islands
Albania
Algeria
American Samoa
Andorra
Angola
Anguilla
Antigua & Barbuda
Argentina
Armenia
Aruba
Australia
Azerbaijan
Bahamas
Bahrain
Bangladesh
Barbados
Belarus
Belgium
Belize
Benin
Bermuda
Bhutan
Bolivia
Bonaire, Sint Eustatius and Saba
Bosnia & Herzegovina
Botswana
Brazil
British Indian Ocean Territory
British Virgin Islands
Brunei
Bulgaria
Burkina Faso
Burundi
Cabo Verde
Cambodia
Cameroon
Cayman Islands
Central African Republic
Chad
Chile
Christmas Island
Cocos (Keeling) Islands
Colombia
Comoros
Congo
Congo (DRC)
Cook Islands
Costa Rica
Côte d’Ivoire
Croatia
Cuba
Curaçao
Cyprus
Czechia
Denmark
Djibouti
Dominica
Dominican Republic
Ecuador
Egypt
El Salvador
Equatorial Guinea
Eritrea
Estonia
Eswatini
Ethiopia
Falkland Islands
Faroe Islands
Fiji
Finland
French Guiana
French Polynesia
Gabon
Gambia
Georgia
Ghana
Gibraltar
Greece
Greenland
Grenada
Guadeloupe
Guam
Guatemala
Guernsey
Guinea
Guinea-Bissau
Guyana
Haiti
Honduras
Hungary
Iceland
Indonesia
Iran
Iraq
Ireland
Isle of Man
Israel
Jamaica
Jersey
Jordan
Kazakhstan
Kenya
Kiribati
Kosovo
Kuwait
Kyrgyzstan
Laos
Latvia
Lebanon
Lesotho
Liberia
Libya
Liechtenstein
Lithuania
Luxembourg
Macao(China)
Madagascar
Malawi
Maldives
Mali
Malta
Marshall Islands
Martinique
Mauritania
Mauritius
Mayotte
Micronesia
Moldova
Monaco
Mongolia
Montenegro
Montserrat
Morocco
Mozambique
Myanmar
Namibia
Nauru
Nepal
New Caledonia
New Zealand
Nicaragua
Niger
Nigeria
Niue
Norfolk Island
North Korea
North Macedonia
Northern Mariana Islands
Norway
Oman
Pakistan
Palau
Palestinian Authority
Panama
Papua New Guinea
Paraguay
Peru
Philippines
Pitcairn Islands
Portugal
Puerto Rico
Qatar
Réunion
Romania
Rwanda
Samoa
San Marino
São Tomé & Príncipe
Saudi Arabia
Senegal
Serbia
Seychelles
Sierra Leone
Sint Maarten
Slovakia
Slovenia
Solomon Islands
Somalia
South Africa
South Sudan
Sri Lanka
St Helena, Ascension, Tristan da Cunha
St. Barthélemy
St. Kitts & Nevis
St. Lucia
St. Martin
St. Pierre & Miquelon
St. Vincent & Grenadines
Sudan
Suriname
Svalbard & Jan Mayen
Sweden
Syria
Tajikistan
Tanzania
Timor-Leste
Togo
Tokelau
Tonga
Trinidad & Tobago
Tunisia
Turkey
Turkmenistan
Turks & Caicos Islands
Tuvalu
U.S. Outlying Islands
U.S. Virgin Islands
Uganda
Ukraine
Uruguay
Uzbekistan
Vanuatu
Vatican City
Venezuela
Wallis & Futuna
Yemen
Zambia
Zimbabwe






