SP505 Transceiver:Datasheet, Pinout, Operation Circuit
Receivers 7/7 Drivers/Receivers
The SP505 is a monolithic device that supports eight (8) popular serial interface standards for DTE to DCE connectivity. This article covers its datasheet, pinout, typical operation and more detail about SP505.
SP505 Pinout

SP505 Pinout
SP505 CAD Model
Symbol

SP505 Symbol
Footprint

SP505 Footprint
3D Model

SP505 3D Model
SP505 Description
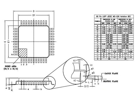
The SP505 is a highly integrated serial transceiver that allows software control of its interface modes. Similar to the SP504, the SP505 offers the same hardware interface modes for RS-232 (V.28), RS-422A (V.11), RS-449, RS-485, V.35, EIA-530 and includes V.36 and EIA-530A. The interface mode selection is done via a 4–bit switch for the drivers and receivers. The SP505 is fabricated using low–power BiCMOS process technology, and incorporates an Exar–patented (5,306,954) charge pump allowing +5V only operation. Each device is packaged in an 80–pin JEDEC Quad FlatPack package.
Specifications
- TypeParameter
- Mounting Type
The "Mounting Type" in electronic components refers to the method used to attach or connect a component to a circuit board or other substrate, such as through-hole, surface-mount, or panel mount.
Surface Mount - Package / Case
refers to the protective housing that encases an electronic component, providing mechanical support, electrical connections, and thermal management.
80-LQFP - Operating Temperature
The operating temperature is the range of ambient temperature within which a power supply, or any other electrical equipment, operate in. This ranges from a minimum operating temperature, to a peak or maximum operating temperature, outside which, the power supply may fail.
0°C~70°C - Packaging
Semiconductor package is a carrier / shell used to contain and cover one or more semiconductor components or integrated circuits. The material of the shell can be metal, plastic, glass or ceramic.
Tray - Part Status
Parts can have many statuses as they progress through the configuration, analysis, review, and approval stages.
Obsolete - Moisture Sensitivity Level (MSL)
Moisture Sensitivity Level (MSL) is a standardized rating that indicates the susceptibility of electronic components, particularly semiconductors, to moisture-induced damage during storage and the soldering process, defining the allowable exposure time to ambient conditions before they require special handling or baking to prevent failures
3 (168 Hours) - TypeTransceiver
- Voltage - Supply
Voltage - Supply refers to the range of voltage levels that an electronic component or circuit is designed to operate with. It indicates the minimum and maximum supply voltage that can be applied for the device to function properly. Providing supply voltages outside this range can lead to malfunction, damage, or reduced performance. This parameter is critical for ensuring compatibility between different components in a circuit.
4.75V~5.25V - Data Rate
Data Rate is defined as the amount of data transmitted during a specified time period over a network. It is the speed at which data is transferred from one device to another or between a peripheral device and the computer. It is generally measured in Mega bits per second(Mbps) or Mega bytes per second(MBps).
16Mbps - Protocol
In electronic components, the parameter "Protocol" refers to a set of rules and standards that govern the communication between devices. It defines the format, timing, sequencing, and error checking methods for data exchange between different components or systems. Protocols ensure that devices can understand and interpret data correctly, enabling them to communicate effectively with each other. Common examples of protocols in electronics include USB, Ethernet, SPI, I2C, and Bluetooth, each with its own specifications for data transmission. Understanding and adhering to protocols is essential for ensuring compatibility and reliable communication between electronic devices.
Multiprotocol - Number of Drivers/Receivers7/7
- Duplex
In the context of electronic components, "Duplex" refers to a type of communication system that allows for bidirectional data flow. It enables two devices to communicate with each other simultaneously, allowing for both sending and receiving of data at the same time. Duplex communication can be further categorized into two types: half-duplex, where data can be transmitted in both directions but not at the same time, and full-duplex, where data can be sent and received simultaneously. This parameter is crucial in networking and telecommunications systems to ensure efficient and effective data transmission between devices.
Full
SP505BCM-L Features
• +5V Only Operation
• Seven (7) Drivers and Seven (7) Receivers
• Driver and Receiver Tri-state Control
• Internal Transceiver Termination Resistors for V.11 and V.35 Protocols
• Loopback Self-Test Mode
• Software Selectable Protocol Selection
• Interface Modes Supported:
• RS-232 (V.28) • X.21/RS-422 (V.11)
• EIA-530 (V.10 & V.11) • EIA-530A (V.10 & V.11)
• RS-449 (V.10 & V.11) • V.35 (V.35 & V.28)
• V.36 (V.10 & V.11) • RS-485 (un-terminated V.11)
• Improved ESD Tolerance for Analog I/Os
• High Differential Transmission Rates
• SP505A - 10Mbps
• SP505B - over 16Mbps
• Compliant to NET1/2 and TBR2 Physical Layer Requirements
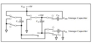
SP505 Theory of Operation
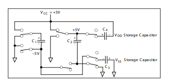
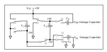
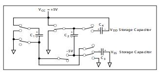
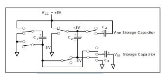
The SP505 is made up of five separate circuit blocks — the charge pump, drivers, receivers, decoder and switching array. Each of these circuit blocks is described in more detail below.
The SP505 charge pump is based on the SP504 design where Exar's patented charge pump design (5,306,954) uses a four-phase voltage shifting technique to attain symmetrical 10V power supplies.

SP505 Charge Pump Phase 1 for +5V

SP505 Charge Pump Phase 1 for +10V

SP505 Charge Pump Phase 2 for +5V

SP505 Charge Pump Phase 2 for +10V

SP505 Charge Pump Phase 3

SP505 Charge Pump Phase 4
SP505 Package

SP505 Package
SP505 Manufacturer
MaxLinear strives to improve the world’s communication networks for everyone by connecting people through our highly integrated radio-frequency (RF), analogue, digital, and mixed-signal semiconductor solutions for access and connectivity, wired and wireless infrastructure, and industrial and multi-market applications.
Datasheet PDF
- Datasheets :
- PCN Obsolescence/ EOL :
- PCN Assembly/Origin :
- PCN Other :
- PCN Design/Specification :
What is the SP505?
The SP505 is a highly integrated serial transceiver that allows software control of its interface modes. Similar to the SP504, the SP505 offers the same hardware interface modes for RS-232 (V.28), RS-422A (V.11), RS-449, RS-485, V.35, EIA-530 and includes V.36 and EIA-530A. The interface mode selection is done via a 4–bit switch for the drivers and receivers. The SP505 is fabricated using low–power BiCMOS process technology, and incorporates an Exar–patented (5,306,954) charge pump allowing +5V only operation. Each device is packaged in an 80–pin JEDEC Quad FlatPack package.
What is the SP505 suited for?
The SP505 is ideally suited for wide area network connectivity based on the interface modes offered and the driver and receiver configurations.
How many independent drivers and independent receivers does the SP505 have?
The SP505 has seven (7) independent drivers and seven (7) independent receivers.
Introduction to MSP430G2x11 and MSP430G2x01 Mixed-Signal Microcontrollers29 February 2024108
TPS26600PWPT: High Voltage, Pinout, 4.2V to 55V18 March 2022545
SPH0641LM4H-1 Digital Microphone: Circuit, Pinout, and Datasheet23 February 20226129
AP1509 PWM DC-DC Converter: Pinout, Equivalent and Datasheet30 March 20224010
ADM2587EBRWZ Transceiver, RS-422/RS-485 20-SOIC, Signal and Power Isolated09 February 20222947
LSM6DSRXTR Motion Sensor: STM LSM6DSRXTR, Datasheet, Application Hint09 April 2022663
BAV99 Diodes : Datasheet, Pinout and Alternatives06 August 20214162
Introduction to Microchip PIC24EP64GP20429 February 202480
GenAI Boosts Semiconductor Market with First Revenue Increase in Five Quarters25 March 20242238
Cellular IoT Transmit Module for Enhanced Connectivity and Power Efficiency with Extended Battery Life30 January 20242170
Why Your Power Supply Ripple Is So Big?18 March 20224710
What is a 555 Timer?09 April 202511477
Introduction to Reluctance Motor08 March 20214328
What Makes Time Delay Relays Essential in Automation10 July 2025870
What is 232\485\422 Communication? Common problems of Serial Communication29 April 20221938
What is Surge?09 February 20226136
MaxLinear, Inc.
In Stock
United States
China
Canada
Japan
Russia
Germany
United Kingdom
Singapore
Italy
Hong Kong(China)
Taiwan(China)
France
Korea
Mexico
Netherlands
Malaysia
Austria
Spain
Switzerland
Poland
Thailand
Vietnam
India
United Arab Emirates
Afghanistan
Åland Islands
Albania
Algeria
American Samoa
Andorra
Angola
Anguilla
Antigua & Barbuda
Argentina
Armenia
Aruba
Australia
Azerbaijan
Bahamas
Bahrain
Bangladesh
Barbados
Belarus
Belgium
Belize
Benin
Bermuda
Bhutan
Bolivia
Bonaire, Sint Eustatius and Saba
Bosnia & Herzegovina
Botswana
Brazil
British Indian Ocean Territory
British Virgin Islands
Brunei
Bulgaria
Burkina Faso
Burundi
Cabo Verde
Cambodia
Cameroon
Cayman Islands
Central African Republic
Chad
Chile
Christmas Island
Cocos (Keeling) Islands
Colombia
Comoros
Congo
Congo (DRC)
Cook Islands
Costa Rica
Côte d’Ivoire
Croatia
Cuba
Curaçao
Cyprus
Czechia
Denmark
Djibouti
Dominica
Dominican Republic
Ecuador
Egypt
El Salvador
Equatorial Guinea
Eritrea
Estonia
Eswatini
Ethiopia
Falkland Islands
Faroe Islands
Fiji
Finland
French Guiana
French Polynesia
Gabon
Gambia
Georgia
Ghana
Gibraltar
Greece
Greenland
Grenada
Guadeloupe
Guam
Guatemala
Guernsey
Guinea
Guinea-Bissau
Guyana
Haiti
Honduras
Hungary
Iceland
Indonesia
Iran
Iraq
Ireland
Isle of Man
Israel
Jamaica
Jersey
Jordan
Kazakhstan
Kenya
Kiribati
Kosovo
Kuwait
Kyrgyzstan
Laos
Latvia
Lebanon
Lesotho
Liberia
Libya
Liechtenstein
Lithuania
Luxembourg
Macao(China)
Madagascar
Malawi
Maldives
Mali
Malta
Marshall Islands
Martinique
Mauritania
Mauritius
Mayotte
Micronesia
Moldova
Monaco
Mongolia
Montenegro
Montserrat
Morocco
Mozambique
Myanmar
Namibia
Nauru
Nepal
New Caledonia
New Zealand
Nicaragua
Niger
Nigeria
Niue
Norfolk Island
North Korea
North Macedonia
Northern Mariana Islands
Norway
Oman
Pakistan
Palau
Palestinian Authority
Panama
Papua New Guinea
Paraguay
Peru
Philippines
Pitcairn Islands
Portugal
Puerto Rico
Qatar
Réunion
Romania
Rwanda
Samoa
San Marino
São Tomé & Príncipe
Saudi Arabia
Senegal
Serbia
Seychelles
Sierra Leone
Sint Maarten
Slovakia
Slovenia
Solomon Islands
Somalia
South Africa
South Sudan
Sri Lanka
St Helena, Ascension, Tristan da Cunha
St. Barthélemy
St. Kitts & Nevis
St. Lucia
St. Martin
St. Pierre & Miquelon
St. Vincent & Grenadines
Sudan
Suriname
Svalbard & Jan Mayen
Sweden
Syria
Tajikistan
Tanzania
Timor-Leste
Togo
Tokelau
Tonga
Trinidad & Tobago
Tunisia
Turkey
Turkmenistan
Turks & Caicos Islands
Tuvalu
U.S. Outlying Islands
U.S. Virgin Islands
Uganda
Ukraine
Uruguay
Uzbekistan
Vanuatu
Vatican City
Venezuela
Wallis & Futuna
Yemen
Zambia
Zimbabwe











