TMP100 VS TMP101
Cut Tape (CT) Digital, Local 2.7V~5.5V Surface Mount -55°C~125°C I2C/SMBus ±2°C (±3°C) 11 b 2 (1 Year)









Cut Tape (CT) Digital, Local 2.7V~5.5V Surface Mount -55°C~125°C I2C/SMBus ±2°C (±3°C) 11 b 2 (1 Year)
TMP100 and TMP101 are digital temperature sensors manufactured by Texas Instruments. This article will compare TMP100 with TMP101 in different angles.
- Description of TMP100 and TMP101
- Pinout of TMP100 and TMP101
- Features of TMP100 and TMP101
- Specifications
- Functional Block Diagram of TMP100 and TMP101
- Layout Example of TMP100 and TMP101
- Applications of TMP100 and TMP101
- Typical Application of TMP100 and TMP101
- Package of TMP100 and TMP101
- Manufacuturer of TMP100 and TMP101
- Trend Analysis
- Datasheet PDF
Description of TMP100 and TMP101
The TMP100 and TMP101 devices are digital temperature sensors ideal for NTC and PTC Interface Compatibility thermistor replacement. The devices offer a typical accuracy of ±1°C without requiring calibration or external component signal conditioning. IC temperature sensors are highly linear and do not require complex calculations or look-up tables to derive the temperature. The on-chip 12-bit ADC offers resolutions down to 0.0625°C. The devices are available in 6-Pin SOT-23 Package.
The TMP100 and TMP101 devices feature SMBus, Two-Wire, and I2C interface compatibility. The and an TMP100 device allows up to eight devices on one bus. The TMP101 device offers SMBus Alert function with up to three devices per bus.
The TMP100 and TMP101 devices are ideal for 2 Applications extended temperature measurement in a variety of communication, computer, consumer, environmental, industrial, and instrumentation applications.
The TMP100 and TMP101 devices are specified for operation over a temperature range of −55°C to +125°C.
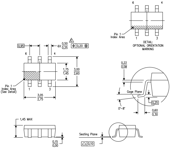
Pinout of TMP100 and TMP101



Features of TMP100 and TMP101
• Digital Output: SMBus™ Two-Wire™, and I2C Interface Compatibility
• Resolution: 9 to 12 Bits, User-Selectable
accuracy of ±1°C without requiring calibration or
• Accuracy:
– ±1°C (Typical) from –55°C to +125°C
– ±2°C (Maximum) from –55°C to +125°C
• Low Quiescent Current: 45-μA, 0.1-μA Standby
• Wide Supply Range: 2.7 V to 5.5 V
• TMP100 Features Two Address Pins
• TMP101 Features One Address Pin
• 6-Pin SOT-23 Package
Specifications
- TypeParameter
- Lifecycle Status
Lifecycle Status refers to the current stage of an electronic component in its product life cycle, indicating whether it is active, obsolete, or transitioning between these states. An active status means the component is in production and available for purchase. An obsolete status indicates that the component is no longer being manufactured or supported, and manufacturers typically provide a limited time frame for support. Understanding the lifecycle status is crucial for design engineers to ensure continuity and reliability in their projects.
ACTIVE (Last Updated: 2 days ago) - Factory Lead Time6 Weeks
- Contact Plating
Contact plating (finish) provides corrosion protection for base metals and optimizes the mechanical and electrical properties of the contact interfaces.
Gold - Mount
In electronic components, the term "Mount" typically refers to the method or process of physically attaching or fixing a component onto a circuit board or other electronic device. This can involve soldering, adhesive bonding, or other techniques to secure the component in place. The mounting process is crucial for ensuring proper electrical connections and mechanical stability within the electronic system. Different components may have specific mounting requirements based on their size, shape, and function, and manufacturers provide guidelines for proper mounting procedures to ensure optimal performance and reliability of the electronic device.
Surface Mount - Mounting Type
The "Mounting Type" in electronic components refers to the method used to attach or connect a component to a circuit board or other substrate, such as through-hole, surface-mount, or panel mount.
Surface Mount - Package / Case
refers to the protective housing that encases an electronic component, providing mechanical support, electrical connections, and thermal management.
SOT-23-6 - Number of Pins6
- Test Conditions-25°C ~ 85°C (-55°C ~ 125°C)
- Operating Temperature
The operating temperature is the range of ambient temperature within which a power supply, or any other electrical equipment, operate in. This ranges from a minimum operating temperature, to a peak or maximum operating temperature, outside which, the power supply may fail.
-55°C~125°C - Packaging
Semiconductor package is a carrier / shell used to contain and cover one or more semiconductor components or integrated circuits. The material of the shell can be metal, plastic, glass or ceramic.
Cut Tape (CT) - JESD-609 Code
The "JESD-609 Code" in electronic components refers to a standardized marking code that indicates the lead-free solder composition and finish of electronic components for compliance with environmental regulations.
e4 - Pbfree Code
The "Pbfree Code" parameter in electronic components refers to the code or marking used to indicate that the component is lead-free. Lead (Pb) is a toxic substance that has been widely used in electronic components for many years, but due to environmental concerns, there has been a shift towards lead-free alternatives. The Pbfree Code helps manufacturers and users easily identify components that do not contain lead, ensuring compliance with regulations and promoting environmentally friendly practices. It is important to pay attention to the Pbfree Code when selecting electronic components to ensure they meet the necessary requirements for lead-free applications.
yes - Part Status
Parts can have many statuses as they progress through the configuration, analysis, review, and approval stages.
Active - Moisture Sensitivity Level (MSL)
Moisture Sensitivity Level (MSL) is a standardized rating that indicates the susceptibility of electronic components, particularly semiconductors, to moisture-induced damage during storage and the soldering process, defining the allowable exposure time to ambient conditions before they require special handling or baking to prevent failures
2 (1 Year) - Number of Terminations6
- Termination
Termination in electronic components refers to the practice of matching the impedance of a circuit to prevent signal reflections and ensure maximum power transfer. It involves the use of resistors or other components at the end of transmission lines or connections. Proper termination is crucial in high-frequency applications to maintain signal integrity and reduce noise.
SMD/SMT - ECCN Code
An ECCN (Export Control Classification Number) is an alphanumeric code used by the U.S. Bureau of Industry and Security to identify and categorize electronic components and other dual-use items that may require an export license based on their technical characteristics and potential for military use.
EAR99 - Additional Feature
Any Feature, including a modified Existing Feature, that is not an Existing Feature.
SEATED HG-MAX - HTS Code
HTS (Harmonized Tariff Schedule) codes are product classification codes between 8-1 digits. The first six digits are an HS code, and the countries of import assign the subsequent digits to provide additional classification. U.S. HTS codes are 1 digits and are administered by the U.S. International Trade Commission.
8542.39.00.01 - Voltage - Supply
Voltage - Supply refers to the range of voltage levels that an electronic component or circuit is designed to operate with. It indicates the minimum and maximum supply voltage that can be applied for the device to function properly. Providing supply voltages outside this range can lead to malfunction, damage, or reduced performance. This parameter is critical for ensuring compatibility between different components in a circuit.
2.7V~5.5V - Base Part Number
The "Base Part Number" (BPN) in electronic components serves a similar purpose to the "Base Product Number." It refers to the primary identifier for a component that captures the essential characteristics shared by a group of similar components. The BPN provides a fundamental way to reference a family or series of components without specifying all the variations and specific details.
TMP100 - Output Type
The "Output Type" parameter in electronic components refers to the type of signal or data that is produced by the component as an output. This parameter specifies the nature of the output signal, such as analog or digital, and can also include details about the voltage levels, current levels, frequency, and other characteristics of the output signal. Understanding the output type of a component is crucial for ensuring compatibility with other components in a circuit or system, as well as for determining how the output signal can be utilized or processed further. In summary, the output type parameter provides essential information about the nature of the signal that is generated by the electronic component as its output.
I2C/SMBus - Power Supplies
an electronic circuit that converts the voltage of an alternating current (AC) into a direct current (DC) voltage.?
3/5V - Interface
In electronic components, the term "Interface" refers to the point at which two different systems, devices, or components connect and interact with each other. It can involve physical connections such as ports, connectors, or cables, as well as communication protocols and standards that facilitate the exchange of data or signals between the connected entities. The interface serves as a bridge that enables seamless communication and interoperability between different parts of a system or between different systems altogether. Designing a reliable and efficient interface is crucial in ensuring proper functionality and performance of electronic components and systems.
2-Wire, I2C, SMBus - Operating Supply Current
Operating Supply Current, also known as supply current or quiescent current, is a crucial parameter in electronic components that indicates the amount of current required for the device to operate under normal conditions. It represents the current drawn by the component from the power supply while it is functioning. This parameter is important for determining the power consumption of the component and is typically specified in datasheets to help designers calculate the overall power requirements of their circuits. Understanding the operating supply current is essential for ensuring proper functionality and efficiency of electronic systems.
75μA - Nominal Supply Current
Nominal current is the same as the rated current. It is the current drawn by the motor while delivering rated mechanical output at its shaft.
150μA - Output Current
The rated output current is the maximum load current that a power supply can provide at a specified ambient temperature. A power supply can never provide more current that it's rated output current unless there is a fault, such as short circuit at the load.
4mA - Number of Bits12
- Quiescent Current
The quiescent current is defined as the current level in the amplifier when it is producing an output of zero.
45μA - Resolution
Resolution in electronic components refers to the smallest increment of measurement or change that can be detected or represented by the component. It is a crucial specification in devices such as sensors, displays, and converters, as it determines the level of detail or accuracy that can be achieved. For example, in a digital camera, resolution refers to the number of pixels that make up an image, with higher resolution indicating a greater level of detail. In analog-to-digital converters, resolution is the number of discrete values that can be represented in the digital output, determining the precision of the conversion process. Overall, resolution plays a significant role in determining the performance and capabilities of electronic components in various applications.
11 b - Sensor Type
In electronic components, the parameter "Sensor Type" refers to the specific type of sensor technology used in a particular component to detect and measure physical phenomena such as light, temperature, pressure, motion, or proximity. Different sensor types utilize various principles and mechanisms to convert the detected input into an electrical signal that can be processed by the electronic component. Common sensor types include photodiodes, thermistors, accelerometers, and proximity sensors, each designed for specific applications and environments. Understanding the sensor type is crucial for selecting the right component for a given task and ensuring accurate and reliable sensing capabilities in electronic systems.
Digital, Local - Sensors/Transducers Type
In electronic components, the parameter "Sensors/Transducers Type" refers to the specific type of sensor or transducer that is integrated into the component. Sensors are devices that detect changes in physical properties and convert them into electrical signals, while transducers are devices that convert one form of energy into another. The type of sensor or transducer used in an electronic component can vary widely depending on the intended application, such as temperature sensors, pressure sensors, proximity sensors, accelerometers, and more. Understanding the Sensors/Transducers Type parameter is crucial for selecting the right component for a particular electronic system or device, as different types of sensors/transducers have different functionalities and performance characteristics.
TEMPERATURE SENSOR,SWITCH/DIGITAL OUTPUT,SERIAL - Max Supply Voltage (DC)
The parameter "Max Supply Voltage (DC)" in electronic components refers to the maximum voltage that can be safely applied to the component without causing damage. This specification is crucial for ensuring the reliable operation and longevity of the component within a given circuit. Exceeding the maximum supply voltage can lead to overheating, breakdown of internal components, or even permanent damage. It is important to carefully adhere to this specification when designing or using electronic circuits to prevent potential failures and ensure the safety of the components.
5.5V - Min Supply Voltage (DC)
The parameter "Min Supply Voltage (DC)" in electronic components refers to the minimum voltage level required for the component to operate properly. It indicates the lowest voltage that can be safely applied to the component without causing damage or malfunction. This parameter is crucial for ensuring the reliable and stable operation of the component within its specified operating range. It is important for designers and engineers to adhere to the specified minimum supply voltage to prevent potential issues such as erratic behavior, reduced performance, or permanent damage to the component.
2.7V - Housing
Housing in electronic components refers to the physical enclosure that protects the internal circuitry and components from environmental factors such as dust, moisture, and mechanical damage. It provides structural support and electrical insulation while facilitating heat dissipation. The design and materials used for housing are crucial for the reliability and performance of the electronic device, as they impact factors like thermal management, electromagnetic interference, and overall aesthetics.
PLASTIC - Max Junction Temperature (Tj)
Max Junction Temperature (Tj) refers to the maximum allowable temperature at the junction of a semiconductor device, such as a transistor or integrated circuit. It is a critical parameter that influences the performance, reliability, and lifespan of the component. Exceeding this temperature can lead to thermal runaway, breakdown, or permanent damage to the device. Proper thermal management is essential to ensure the junction temperature remains within safe operating limits during device operation.
150°C - Ambient Temperature Range High
This varies from person to person, but it is somewhere between 68 and 77 degrees F on average. The temperature setting that is comfortable for an individual may fluctuate with humidity and outside temperature as well. The temperature of an air conditioned room can also be considered ambient temperature.
125°C - Accuracy - Highest (Lowest)
In electronic components, "Accuracy - Highest (Lowest)" refers to the range within which the actual value of a parameter can deviate from the ideal or specified value. The term "Highest" indicates the upper limit of this range, while "Lowest" indicates the lower limit. For example, if a component has an accuracy of ±5%, the highest accuracy would mean that the actual value could be within 5% above the specified value, while the lowest accuracy would mean it could be within 5% below the specified value. This parameter is crucial for ensuring the reliability and performance of electronic devices by determining how closely the component's output matches the desired value.
±2°C (±3°C) - Sensing Temperature - Local
Sensing Temperature - Local refers to the capability of an electronic component to measure the temperature in its immediate environment or vicinity. This parameter is crucial for applications that require monitoring of temperature for performance, safety, or stability purposes. It often involves temperature sensors integrated within components like microcontrollers, power regulators, or other integrated circuits. The local sensing allows for accurate temperature readings that help in adjusting operational conditions, ensuring optimal performance, and preventing thermal-related failures.
-55°C~125°C - Accuracy-Max
Accuracy-Max refers to the maximum permissible error in the output of an electronic component or system, typically expressed as a percentage of the nominal value. It indicates the extent to which the measured or calculated value can deviate from the true value under specified conditions. This parameter is crucial for ensuring reliable performance, especially in applications where precision is critical. A lower Accuracy-Max signifies better accuracy and higher quality in measurement and control processes.
2 Cel - Features
In the context of electronic components, the term "Features" typically refers to the specific characteristics or functionalities that a particular component offers. These features can vary depending on the type of component and its intended use. For example, a microcontroller may have features such as built-in memory, analog-to-digital converters, and communication interfaces like UART or SPI.When evaluating electronic components, understanding their features is crucial in determining whether they meet the requirements of a particular project or application. Engineers and designers often look at features such as operating voltage, speed, power consumption, and communication protocols to ensure compatibility and optimal performance.In summary, the "Features" parameter in electronic components describes the unique attributes and capabilities that differentiate one component from another, helping users make informed decisions when selecting components for their electronic designs.
One-Shot, Output Switch, Programmable Resolution, Shutdown Mode, Standby Mode - Height1.45mm
- Length2.9mm
- Width1.6mm
- Thickness
Thickness in electronic components refers to the measurement of how thick a particular material or layer is within the component structure. It can pertain to various aspects, such as the thickness of a substrate, a dielectric layer, or conductive traces. This parameter is crucial as it impacts the electrical, mechanical, and thermal properties of the component, influencing its performance and reliability in electronic circuits.
1.2mm - REACH SVHC
The parameter "REACH SVHC" in electronic components refers to the compliance with the Registration, Evaluation, Authorization, and Restriction of Chemicals (REACH) regulation regarding Substances of Very High Concern (SVHC). SVHCs are substances that may have serious effects on human health or the environment, and their use is regulated under REACH to ensure their safe handling and minimize their impact.Manufacturers of electronic components need to declare if their products contain any SVHCs above a certain threshold concentration and provide information on the safe use of these substances. This information allows customers to make informed decisions about the potential risks associated with using the components and take appropriate measures to mitigate any hazards.Ensuring compliance with REACH SVHC requirements is essential for electronics manufacturers to meet regulatory standards, protect human health and the environment, and maintain transparency in their supply chain. It also demonstrates a commitment to sustainability and responsible manufacturing practices in the electronics industry.
No SVHC - Radiation Hardening
Radiation hardening is the process of making electronic components and circuits resistant to damage or malfunction caused by high levels of ionizing radiation, especially for environments in outer space (especially beyond the low Earth orbit), around nuclear reactors and particle accelerators, or during nuclear accidents or nuclear warfare.
No - RoHS Status
RoHS means “Restriction of Certain Hazardous Substances” in the “Hazardous Substances Directive” in electrical and electronic equipment.
ROHS3 Compliant - Lead Free
Lead Free is a term used to describe electronic components that do not contain lead as part of their composition. Lead is a toxic material that can have harmful effects on human health and the environment, so the electronics industry has been moving towards lead-free components to reduce these risks. Lead-free components are typically made using alternative materials such as silver, copper, and tin. Manufacturers must comply with regulations such as the Restriction of Hazardous Substances (RoHS) directive to ensure that their products are lead-free and environmentally friendly.
Lead Free
Functional Block Diagram of TMP100 and TMP101


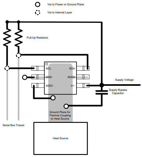
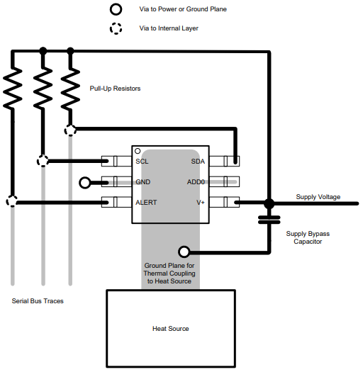
Layout Example of TMP100 and TMP101

Layout Example of TMP100

Layout Example of TMP101
Applications of TMP100 and TMP101
• Power-Supply Temperature Monitoring
• Computer Peripheral Thermal Protection
• Notebook Computers
• Cell Phones
• Battery Management
• Office Machines
• Thermostat Controls
• Environmental Monitoring and HVAC
• Electromechanical Device Temperature
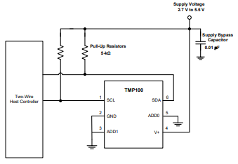
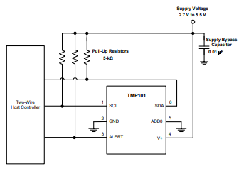
Typical Application of TMP100 and TMP101


Package of TMP100 and TMP101

Manufacuturer of TMP100 and TMP101
Texas Instruments (TI) is an American technology company headquartered in Dallas, Texas, which designs and manufactures semiconductors and various integrated circuits, and sells them to electronic designers and manufacturers worldwide. It is one of the top 10 semiconductor companies in global sales. The company focuses on the development of analog chips and embedded processors, which account for more than 80% of its revenue. TI also produces TI digital light processing technology and educational technology products, including calculators, microcontrollers and multi-core processors. As of 2016, the company has 45,000 patents worldwide.
Trend Analysis
Datasheet PDF
- Datasheets :
- PCN Other :
- PCN Design/Specification :
1.What sensor chips does TI have?
TM100 and TM101.
2.How many pins does TMP100 and TMP101 have?
They both have 6 pins.
3.Do TMP100 and TMP101 have the same package?
Yes, they do.
ATMEGA328P Microcontroller: Pinout, Datasheet and Application07 July 202111110
IRF510 Power MOSFET: Circuit, Datasheet, and Pinout03 August 202111502
What is TIP3055 Transistor?25 November 20215911
OPA2134PA Audio Amplifier:Circuit, Pinout and Equivalent[FAQ+Video]08 April 20224747
MAXQ617 Microcontroller: Infrared Remote Control System-on-Chip - Features, Specifications, and Applications29 February 2024241
AD558: A Versatile Digital to Analog Converter for Precise Voltage Output06 March 2024392
What’s the relationship between CR1616 and CR1632?31 May 202230147
STMIPID02 vs Competitors: The Clear Choice11 July 2025185
What are Avalanche Diodes?02 April 202013219
Latest Advances in Occupancy Sensor Detection Methods14 July 20251317
Electronic components distributor UTMEL Stands Out at electronica china 202409 July 20244759
What is a Hard Disk Drive (HDD)?31 May 20214876
What is MCU Decryption?17 January 20221730
What Is the Future of Brain-like Computing?26 April 20221073
A/D Converter: Basic Principle and Types06 November 202020039
LLC Converter with Planar Matrix Transformer for High-Current-High-Power Applications15 March 20244715
Texas Instruments
In Stock: 59
United States
China
Canada
Japan
Russia
Germany
United Kingdom
Singapore
Italy
Hong Kong(China)
Taiwan(China)
France
Korea
Mexico
Netherlands
Malaysia
Austria
Spain
Switzerland
Poland
Thailand
Vietnam
India
United Arab Emirates
Afghanistan
Åland Islands
Albania
Algeria
American Samoa
Andorra
Angola
Anguilla
Antigua & Barbuda
Argentina
Armenia
Aruba
Australia
Azerbaijan
Bahamas
Bahrain
Bangladesh
Barbados
Belarus
Belgium
Belize
Benin
Bermuda
Bhutan
Bolivia
Bonaire, Sint Eustatius and Saba
Bosnia & Herzegovina
Botswana
Brazil
British Indian Ocean Territory
British Virgin Islands
Brunei
Bulgaria
Burkina Faso
Burundi
Cabo Verde
Cambodia
Cameroon
Cayman Islands
Central African Republic
Chad
Chile
Christmas Island
Cocos (Keeling) Islands
Colombia
Comoros
Congo
Congo (DRC)
Cook Islands
Costa Rica
Côte d’Ivoire
Croatia
Cuba
Curaçao
Cyprus
Czechia
Denmark
Djibouti
Dominica
Dominican Republic
Ecuador
Egypt
El Salvador
Equatorial Guinea
Eritrea
Estonia
Eswatini
Ethiopia
Falkland Islands
Faroe Islands
Fiji
Finland
French Guiana
French Polynesia
Gabon
Gambia
Georgia
Ghana
Gibraltar
Greece
Greenland
Grenada
Guadeloupe
Guam
Guatemala
Guernsey
Guinea
Guinea-Bissau
Guyana
Haiti
Honduras
Hungary
Iceland
Indonesia
Iran
Iraq
Ireland
Isle of Man
Israel
Jamaica
Jersey
Jordan
Kazakhstan
Kenya
Kiribati
Kosovo
Kuwait
Kyrgyzstan
Laos
Latvia
Lebanon
Lesotho
Liberia
Libya
Liechtenstein
Lithuania
Luxembourg
Macao(China)
Madagascar
Malawi
Maldives
Mali
Malta
Marshall Islands
Martinique
Mauritania
Mauritius
Mayotte
Micronesia
Moldova
Monaco
Mongolia
Montenegro
Montserrat
Morocco
Mozambique
Myanmar
Namibia
Nauru
Nepal
New Caledonia
New Zealand
Nicaragua
Niger
Nigeria
Niue
Norfolk Island
North Korea
North Macedonia
Northern Mariana Islands
Norway
Oman
Pakistan
Palau
Palestinian Authority
Panama
Papua New Guinea
Paraguay
Peru
Philippines
Pitcairn Islands
Portugal
Puerto Rico
Qatar
Réunion
Romania
Rwanda
Samoa
San Marino
São Tomé & Príncipe
Saudi Arabia
Senegal
Serbia
Seychelles
Sierra Leone
Sint Maarten
Slovakia
Slovenia
Solomon Islands
Somalia
South Africa
South Sudan
Sri Lanka
St Helena, Ascension, Tristan da Cunha
St. Barthélemy
St. Kitts & Nevis
St. Lucia
St. Martin
St. Pierre & Miquelon
St. Vincent & Grenadines
Sudan
Suriname
Svalbard & Jan Mayen
Sweden
Syria
Tajikistan
Tanzania
Timor-Leste
Togo
Tokelau
Tonga
Trinidad & Tobago
Tunisia
Turkey
Turkmenistan
Turks & Caicos Islands
Tuvalu
U.S. Outlying Islands
U.S. Virgin Islands
Uganda
Ukraine
Uruguay
Uzbekistan
Vanuatu
Vatican City
Venezuela
Wallis & Futuna
Yemen
Zambia
Zimbabwe


Product
Brand
Articles
Tools







