TPS22965NQWDSGRQ1 On-Resistance Load Switch: Circuit, Pinout, and Datasheet
N-Channel 0.5mm PMIC Automotive, AEC-Q100 Series TPS22965 8 Pin 5V 8-WFDFN Exposed Pad









N-Channel 0.5mm PMIC Automotive, AEC-Q100 Series TPS22965 8 Pin 5V 8-WFDFN Exposed Pad
The TPS22965NQWDSGRQ1 is a single-channel load switch with a controlled turn-on that is compact and ultralow RON. This article mainly introduces Circuit, Pinout, Datasheet and other detailed information about Texas Instruments TPS22965NQWDSGRQ1.

TI New Product Update: Load Switches
- TPS22965NQWDSGRQ1 Description
- TPS22965NQWDSGRQ1 Pinout
- TPS22965NQWDSGRQ1 CAD Model
- TPS22965NQWDSGRQ1 Features
- Specifications
- Parts with Similar Specs
- TPS22965NQWDSGRQ1 Functional Block Diagram
- TPS22965NQWDSGRQ1 Test Circuit
- TPS22965NQWDSGRQ1 Typical Application
- TPS22965NQWDSGRQ1 Simplified Schematic
- TPS22965NQWDSGRQ1 Layout
- TPS22965NQWDSGRQ1 Alternatives
- TPS22965NQWDSGRQ1 Applications
- TPS22965NQWDSGRQ1 Package
- TPS22965NQWDSGRQ1 Manufacturer
- Trend Analysis
TPS22965NQWDSGRQ1 Description
The TPS22965NQWDSGRQ1 is a single-channel load switch with a controlled turn-on that is compact and ultralow RON. An N-channel MOSFET is included in the device, which can function between 0.8 and 5.5 V and sustain a maximum continuous current of 4A. The rising time of VOUT can be adjusted to reduce the inrush current. When the switch is switched off, the TPS22965NQWDSGRQ1 device has a 225-ohm on-chip load resistor for rapid output discharge.
The TPS22965NQWDSGRQ1 device comes in a 2-mm * 2-mm 8-pin WSON package (DSG0008A) with an integrated thermal pad for high power dissipation. The TPS22965NQWDSGRQ1 device is designed to operate in a temperature range of –40°C to 105°C in free air.
TPS22965NQWDSGRQ1 Pinout
The following figure is TPS22965NQWDSGRQ1 Pinout.

Pinout
| Pin Number | Pin Name | Description |
| 1,2 | VIN | Switch input. Input bypass capacitor recommended for minimizing VIN dip. Must be connected to Pin 1 and Pin 2. |
| 3 | ON | Active high switch control input. Do not leave floating |
| 4 | VBIAS | Bias voltage. Power supply to the device. Recommended voltage range for this pin is 2.5 V to 5.5 V. |
| 5 | GND | Device ground |
| 6 | CT | Switch slew rate control. Can be left floating. |
| 7,8 | VOUT | Switch output |
| Thermal pad | Thermal pad (exposed center pad) to alleviate thermal stress. Tie to GND |
TPS22965NQWDSGRQ1 CAD Model
The followings are TPS22965NQWDSGRQ1 Symbol, Footprint and 3D Model.

Symbol

Footprint

3D Model
TPS22965NQWDSGRQ1 Features
• Qualified for Automotive Applications
– AEC-Q100 Qualified
– Device Temperature Grade 2: –40°C to +105°C
– Device HBM ESD Classification Level 3A
– Device CDM ESD Classification Level C6
• Functional safety capable
– Documentation available to aid functional safety system design
• Integrated Single Channel Load Switch
• Input Voltage Range: 0.8 V to 5.5 V • Ultra-Low On Resistance (RON) – RON = 16 mΩ at VIN = 5 V (VBIAS = 5 V)
– RON = 16 mΩ at VIN = 3.6 V (VBIAS = 5 V)
– RON = 16 mΩ at VIN = 1.8 V (VBIAS = 5 V)
• 4-A Maximum Continuous Switch Current
• Low Quiescent Current (50 µA)
• Low Control Input Threshold Enables Use of 1.2-, 1.8-, 2.5- and 3.3-V Logic
• Configurable Rise Time
• Quick Output Discharge (QOD)
• WSON 8-pin Package with Thermal Pad
Specifications
- TypeParameter
- Lifecycle Status
Lifecycle Status refers to the current stage of an electronic component in its product life cycle, indicating whether it is active, obsolete, or transitioning between these states. An active status means the component is in production and available for purchase. An obsolete status indicates that the component is no longer being manufactured or supported, and manufacturers typically provide a limited time frame for support. Understanding the lifecycle status is crucial for design engineers to ensure continuity and reliability in their projects.
ACTIVE (Last Updated: 4 days ago) - Factory Lead Time6 Weeks
- Mounting Type
The "Mounting Type" in electronic components refers to the method used to attach or connect a component to a circuit board or other substrate, such as through-hole, surface-mount, or panel mount.
Surface Mount - Package / Case
refers to the protective housing that encases an electronic component, providing mechanical support, electrical connections, and thermal management.
8-WFDFN Exposed Pad - Surface Mount
having leads that are designed to be soldered on the side of a circuit board that the body of the component is mounted on.
YES - Number of Pins8
- Operating Temperature
The operating temperature is the range of ambient temperature within which a power supply, or any other electrical equipment, operate in. This ranges from a minimum operating temperature, to a peak or maximum operating temperature, outside which, the power supply may fail.
-40°C~125°C TA - Packaging
Semiconductor package is a carrier / shell used to contain and cover one or more semiconductor components or integrated circuits. The material of the shell can be metal, plastic, glass or ceramic.
Tape & Reel (TR) - Series
In electronic components, the "Series" refers to a group of products that share similar characteristics, designs, or functionalities, often produced by the same manufacturer. These components within a series typically have common specifications but may vary in terms of voltage, power, or packaging to meet different application needs. The series name helps identify and differentiate between various product lines within a manufacturer's catalog.
Automotive, AEC-Q100 - JESD-609 Code
The "JESD-609 Code" in electronic components refers to a standardized marking code that indicates the lead-free solder composition and finish of electronic components for compliance with environmental regulations.
e3 - Pbfree Code
The "Pbfree Code" parameter in electronic components refers to the code or marking used to indicate that the component is lead-free. Lead (Pb) is a toxic substance that has been widely used in electronic components for many years, but due to environmental concerns, there has been a shift towards lead-free alternatives. The Pbfree Code helps manufacturers and users easily identify components that do not contain lead, ensuring compliance with regulations and promoting environmentally friendly practices. It is important to pay attention to the Pbfree Code when selecting electronic components to ensure they meet the necessary requirements for lead-free applications.
yes - Part Status
Parts can have many statuses as they progress through the configuration, analysis, review, and approval stages.
Active - Moisture Sensitivity Level (MSL)
Moisture Sensitivity Level (MSL) is a standardized rating that indicates the susceptibility of electronic components, particularly semiconductors, to moisture-induced damage during storage and the soldering process, defining the allowable exposure time to ambient conditions before they require special handling or baking to prevent failures
2 (1 Year) - Number of Terminations8
- ECCN Code
An ECCN (Export Control Classification Number) is an alphanumeric code used by the U.S. Bureau of Industry and Security to identify and categorize electronic components and other dual-use items that may require an export license based on their technical characteristics and potential for military use.
EAR99 - Terminal Finish
Terminal Finish refers to the surface treatment applied to the terminals or leads of electronic components to enhance their performance and longevity. It can improve solderability, corrosion resistance, and overall reliability of the connection in electronic assemblies. Common finishes include nickel, gold, and tin, each possessing distinct properties suitable for various applications. The choice of terminal finish can significantly impact the durability and effectiveness of electronic devices.
Matte Tin (Sn) - Terminal Position
In electronic components, the term "Terminal Position" refers to the physical location of the connection points on the component where external electrical connections can be made. These connection points, known as terminals, are typically used to attach wires, leads, or other components to the main body of the electronic component. The terminal position is important for ensuring proper connectivity and functionality of the component within a circuit. It is often specified in technical datasheets or component specifications to help designers and engineers understand how to properly integrate the component into their circuit designs.
DUAL - Terminal Form
Occurring at or forming the end of a series, succession, or the like; closing; concluding.
NO LEAD - Number of Functions1
- Supply Voltage
Supply voltage refers to the electrical potential difference provided to an electronic component or circuit. It is crucial for the proper operation of devices, as it powers their functions and determines performance characteristics. The supply voltage must be within specified limits to ensure reliability and prevent damage to components. Different electronic devices have specific supply voltage requirements, which can vary widely depending on their design and intended application.
5V - Terminal Pitch
The center distance from one pole to the next.
0.5mm - Base Part Number
The "Base Part Number" (BPN) in electronic components serves a similar purpose to the "Base Product Number." It refers to the primary identifier for a component that captures the essential characteristics shared by a group of similar components. The BPN provides a fundamental way to reference a family or series of components without specifying all the variations and specific details.
TPS22965 - Number of Outputs1
- Output Type
The "Output Type" parameter in electronic components refers to the type of signal or data that is produced by the component as an output. This parameter specifies the nature of the output signal, such as analog or digital, and can also include details about the voltage levels, current levels, frequency, and other characteristics of the output signal. Understanding the output type of a component is crucial for ensuring compatibility with other components in a circuit or system, as well as for determining how the output signal can be utilized or processed further. In summary, the output type parameter provides essential information about the nature of the signal that is generated by the electronic component as its output.
N-Channel - Max Output Current
The maximum current that can be supplied to the load.
4A - Supply Voltage-Max (Vsup)
The parameter "Supply Voltage-Max (Vsup)" in electronic components refers to the maximum voltage that can be safely applied to the component without causing damage. It is an important specification to consider when designing or using electronic circuits to ensure the component operates within its safe operating limits. Exceeding the maximum supply voltage can lead to overheating, component failure, or even permanent damage. It is crucial to adhere to the specified maximum supply voltage to ensure the reliable and safe operation of the electronic component.
5.5V - Supply Voltage-Min (Vsup)
The parameter "Supply Voltage-Min (Vsup)" in electronic components refers to the minimum voltage level required for the component to operate within its specified performance range. This parameter indicates the lowest voltage that can be safely applied to the component without risking damage or malfunction. It is crucial to ensure that the supply voltage provided to the component meets or exceeds this minimum value to ensure proper functionality and reliability. Failure to adhere to the specified minimum supply voltage may result in erratic behavior, reduced performance, or even permanent damage to the component.
2.5V - Interface
In electronic components, the term "Interface" refers to the point at which two different systems, devices, or components connect and interact with each other. It can involve physical connections such as ports, connectors, or cables, as well as communication protocols and standards that facilitate the exchange of data or signals between the connected entities. The interface serves as a bridge that enables seamless communication and interoperability between different parts of a system or between different systems altogether. Designing a reliable and efficient interface is crucial in ensuring proper functionality and performance of electronic components and systems.
On/Off - Output Configuration
Output Configuration in electronic components refers to the arrangement or setup of the output pins or terminals of a device. It defines how the output signals are structured and how they interact with external circuits or devices. The output configuration can determine the functionality and compatibility of the component in a circuit design. Common types of output configurations include single-ended, differential, open-drain, and push-pull configurations, each serving different purposes and applications in electronic systems. Understanding the output configuration of a component is crucial for proper integration and operation within a circuit.
High Side - Voltage - Supply (Vcc/Vdd)
Voltage - Supply (Vcc/Vdd) is a key parameter in electronic components that specifies the voltage level required for the proper operation of the device. It represents the power supply voltage that needs to be provided to the component for it to function correctly. This parameter is crucial as supplying the component with the correct voltage ensures that it operates within its specified limits and performance characteristics. It is typically expressed in volts (V) and is an essential consideration when designing and using electronic circuits to prevent damage and ensure reliable operation.
0.8V~5.5V - Input Type
Input type in electronic components refers to the classification of the signal or data that a component can accept for processing or conversion. It indicates whether the input is analog, digital, or a specific format such as TTL or CMOS. Understanding input type is crucial for ensuring compatibility between different electronic devices and circuits, as it determines how signals are interpreted and interacted with.
Non-Inverting - Switch Type
Based on their characteristics, there are basically three types of switches: Linear switches, tactile switches and clicky switches.
General Purpose - Ratio - Input:Output
The parameter "Ratio - Input:Output" in electronic components refers to the relationship between the input and output quantities of a device or system. It is a measure of how the input signal or energy is transformed or converted into the output signal or energy. This ratio is often expressed as a numerical value or percentage, indicating the efficiency or effectiveness of the component in converting the input to the desired output. A higher ratio typically signifies better performance or higher efficiency, while a lower ratio may indicate losses or inefficiencies in the conversion process. Understanding and optimizing the input-output ratio is crucial in designing and evaluating electronic components for various applications.
1:1 - Voltage - Load
Voltage - Load refers to the voltage across a load component in an electronic circuit when it is connected and operational. It represents the electrical potential difference that drives current through the load, which can be a resistor, motor, or other devices that consume electrical power. The voltage - load relationship is crucial for determining how much power the load will utilize and how it will affect the overall circuit performance. Properly managing voltage - load is essential for ensuring devices operate efficiently and safely within their specified limits.
2.5V~5.5V - Output Peak Current Limit-Nom
Output Peak Current Limit-Nom is a parameter in electronic components that specifies the maximum current that can be delivered by the output under normal operating conditions. This limit is typically set to protect the component from damage due to excessive current flow. It ensures that the component operates within its safe operating limits and prevents overheating or other potential issues. Designers and engineers use this parameter to ensure proper functioning and reliability of the electronic system in which the component is used.
1A - Rds On (Typ)
The parameter "Rds On (Typ)" in electronic components refers to the typical on-state resistance of a MOSFET (Metal-Oxide-Semiconductor Field-Effect Transistor) when it is fully conducting. This parameter indicates the resistance encountered by the current flowing through the MOSFET when it is in the on-state, which affects the power dissipation and efficiency of the component. A lower Rds On value indicates better conduction and lower power loss in the MOSFET. Designers often consider this parameter when selecting components for applications where minimizing power loss and maximizing efficiency are critical factors.
16m Ω - Built-in Protections
Built-in protections in electronic components refer to the safety features and mechanisms that are integrated into the component to prevent damage or malfunction in various situations. These protections are designed to safeguard the component from overvoltage, overcurrent, overheating, short circuits, and other potential hazards that could occur during operation. By having built-in protections, electronic components can operate more reliably and safely, extending their lifespan and reducing the risk of failure. These protections are essential for ensuring the overall performance and longevity of electronic devices and systems.
TRANSIENT - Output Current Flow Direction
Output Current Flow Direction refers to the orientation of current flowing out of a component or circuit. It indicates whether the current is being sourced from the component or sent to another component in the circuit. This parameter is crucial for understanding how electronic components interact within a circuit and ensures correct connectivity and functionality in circuit design. The direction can affect the operation and performance of the overall system.
SINK - Features
In the context of electronic components, the term "Features" typically refers to the specific characteristics or functionalities that a particular component offers. These features can vary depending on the type of component and its intended use. For example, a microcontroller may have features such as built-in memory, analog-to-digital converters, and communication interfaces like UART or SPI.When evaluating electronic components, understanding their features is crucial in determining whether they meet the requirements of a particular project or application. Engineers and designers often look at features such as operating voltage, speed, power consumption, and communication protocols to ensure compatibility and optimal performance.In summary, the "Features" parameter in electronic components describes the unique attributes and capabilities that differentiate one component from another, helping users make informed decisions when selecting components for their electronic designs.
Slew Rate Controlled - Height800μm
- Length2mm
- Width2mm
- Thickness
Thickness in electronic components refers to the measurement of how thick a particular material or layer is within the component structure. It can pertain to various aspects, such as the thickness of a substrate, a dielectric layer, or conductive traces. This parameter is crucial as it impacts the electrical, mechanical, and thermal properties of the component, influencing its performance and reliability in electronic circuits.
750μm - RoHS Status
RoHS means “Restriction of Certain Hazardous Substances” in the “Hazardous Substances Directive” in electrical and electronic equipment.
ROHS3 Compliant - Lead Free
Lead Free is a term used to describe electronic components that do not contain lead as part of their composition. Lead is a toxic material that can have harmful effects on human health and the environment, so the electronics industry has been moving towards lead-free components to reduce these risks. Lead-free components are typically made using alternative materials such as silver, copper, and tin. Manufacturers must comply with regulations such as the Restriction of Hazardous Substances (RoHS) directive to ensure that their products are lead-free and environmentally friendly.
Lead Free
Parts with Similar Specs
- ImagePart NumberManufacturerPackage / CaseNumber of PinsMax Output CurrentNumber of OutputsFactory Lead TimeLead FreeNumber of TerminationsView Compare
TPS22965NQWDSGRQ1
8-WFDFN Exposed Pad
8
4 A
1
6 Weeks
Lead Free
8
8-SOIC (0.154, 3.90mm Width)
8
4 A
-
6 Weeks
Lead Free
8
8-WFDFN Exposed Pad
8
4 A
1
6 Weeks
Lead Free
8
8-WFDFN Exposed Pad
8
4 A
1
6 Weeks
Lead Free
8
8-TSSOP, 8-MSOP (0.118, 3.00mm Width)
8
4 A
1
6 Weeks
Lead Free
8
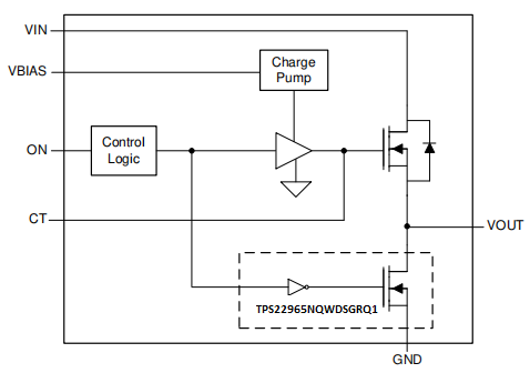
TPS22965NQWDSGRQ1 Functional Block Diagram
The TPS22965NQWDSGRQ1 Functional Block Diagram is shown as follows.

Functional Block Diagram
TPS22965NQWDSGRQ1 Test Circuit
The TPS22965NQWDSGRQ1 Test Circuit is shown as follows.

Test Circuit
TPS22965NQWDSGRQ1 Typical Application
This application demonstrates how the TPS22965NQWDSGRQ1 can be used to power downstream modules.

Schematic for Powering a Downstream Module
TPS22965NQWDSGRQ1 Simplified Schematic
The following shows the TPS22965NQWDSGRQ1 Simplified Schematic.

Simplified Schematic
TPS22965NQWDSGRQ1 Layout
All traces must be as brief as possible for optimal performance. In order to reduce the impacts of parasitic trace inductances on normal operation, the input and output capacitors must be located close to the device. The use of large traces for VIN, VOUT, and GND reduces parasitic electrical effects while also lowering case-to-ambient thermal impedance. To avoid parasitic capacitance, the CT trace must be as short as feasible.

Layout
TPS22965NQWDSGRQ1 Alternatives
| Part Number | Description | Manufacturer |
| TPS22965NQWDSGTQ1DRIVERS AND INTERFACES | 1-ch, 5.7-V, 4-A, 16-mΩ automotive load switch with adj. rise time and output discharge 8-WSON -40 to 125 | Texas Instruments |
TPS22965NQWDSGRQ1 Applications
• Automotive Electronics
• Infotainment
• ADAS (Advanced Driver Assistance Systems)
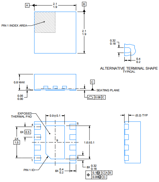
TPS22965NQWDSGRQ1 Package
The TPS22965NQWDSGRQ1 Package is shown as follows.

Package
TPS22965NQWDSGRQ1 Manufacturer
Texas Instruments Incorporated (TI) is an American technology corporation based in Dallas, Texas, that creates and manufactures semiconductors and integrated circuits for electronic designers and manufacturers around the world. Based on sales volume, it is one of the top ten semiconductor businesses in the world. Analog chips and embedded processors, which account for more than 80% of the company's revenue, are the company's main focus. TI also makes calculators, microcontrollers, and multi-core processors, as well as TI digital light processing technologies and education technology.
Trend Analysis
What is the controlled turn-on of the TPS22965NQWDSGRQ1?
Compact and ultralow RON.
What is included in the TPS22965NQWDSGRQ1?
N-channel MOSFET.
How can the rising time of VOUT be adjusted?
Reduce the inrush current.
What is the on-chip load resistor on the TPS22965NQWDSGRQ1 device?
225-ohm.
What type of WSON package does the TPS22965NQWDSGRQ1 come in?
2-mm * 2-mm 8-pin.
What temperature range is the TPS22965NQWDSGRQ1 device designed to operate in?
–40°C to 105°C in free air.
AD600: Datasheet, Pinout, and Ultrasound Imaging Guide27 January 2026102
Unveiling the Microchip PIC18LF1220IP 8-bit Microcontroller: A Comprehensive Analysis29 February 2024182
UA741 Operational Amplifier Series: Technical Design Guide & Datasheet Analysis19 January 2026574
BC857 Transistor: Pinout, Datasheet, Equivalents01 August 20224912
SI5345 Jitter Attenuator:Pinout, Application and Detailed Block Diagrams09 July 20211288
SAM-M8Q:u-blox M8 GNSS antenna module09 March 20221682
UVG100 SENSOR PHOTODIODE 254NM 10MM[FAQ]: Datasheet, Features, and Parameters29 March 2022553
Decoding the Microchip PIC16CR74IPT 8-bit Microcontroller: A Thorough Investigation29 February 2024145
Introduction to Photonic Integrated Circuits and PIC Technology22 October 202514443
Trimmer Resistors: From Principles to Selection and Applications11 August 20251870
What is an Instrumentation Amplifier?27 March 202512773
How Embedded Computers Drive Innovation in 202517 July 2025642
Can ARM challenge X86 in the field of PC chips?06 June 20225525
An Overview of Photoelectric Sensors27 October 20258442
Optical Gates for High-Speed Optical Processing Using Semiconductor-Based Amplifiers30 December 20221941
An Analysis of Current-Source Inverters Using High-Frequency WBG Switches09 May 20234496
Texas Instruments
In Stock: 3000
United States
China
Canada
Japan
Russia
Germany
United Kingdom
Singapore
Italy
Hong Kong(China)
Taiwan(China)
France
Korea
Mexico
Netherlands
Malaysia
Austria
Spain
Switzerland
Poland
Thailand
Vietnam
India
United Arab Emirates
Afghanistan
Åland Islands
Albania
Algeria
American Samoa
Andorra
Angola
Anguilla
Antigua & Barbuda
Argentina
Armenia
Aruba
Australia
Azerbaijan
Bahamas
Bahrain
Bangladesh
Barbados
Belarus
Belgium
Belize
Benin
Bermuda
Bhutan
Bolivia
Bonaire, Sint Eustatius and Saba
Bosnia & Herzegovina
Botswana
Brazil
British Indian Ocean Territory
British Virgin Islands
Brunei
Bulgaria
Burkina Faso
Burundi
Cabo Verde
Cambodia
Cameroon
Cayman Islands
Central African Republic
Chad
Chile
Christmas Island
Cocos (Keeling) Islands
Colombia
Comoros
Congo
Congo (DRC)
Cook Islands
Costa Rica
Côte d’Ivoire
Croatia
Cuba
Curaçao
Cyprus
Czechia
Denmark
Djibouti
Dominica
Dominican Republic
Ecuador
Egypt
El Salvador
Equatorial Guinea
Eritrea
Estonia
Eswatini
Ethiopia
Falkland Islands
Faroe Islands
Fiji
Finland
French Guiana
French Polynesia
Gabon
Gambia
Georgia
Ghana
Gibraltar
Greece
Greenland
Grenada
Guadeloupe
Guam
Guatemala
Guernsey
Guinea
Guinea-Bissau
Guyana
Haiti
Honduras
Hungary
Iceland
Indonesia
Iran
Iraq
Ireland
Isle of Man
Israel
Jamaica
Jersey
Jordan
Kazakhstan
Kenya
Kiribati
Kosovo
Kuwait
Kyrgyzstan
Laos
Latvia
Lebanon
Lesotho
Liberia
Libya
Liechtenstein
Lithuania
Luxembourg
Macao(China)
Madagascar
Malawi
Maldives
Mali
Malta
Marshall Islands
Martinique
Mauritania
Mauritius
Mayotte
Micronesia
Moldova
Monaco
Mongolia
Montenegro
Montserrat
Morocco
Mozambique
Myanmar
Namibia
Nauru
Nepal
New Caledonia
New Zealand
Nicaragua
Niger
Nigeria
Niue
Norfolk Island
North Korea
North Macedonia
Northern Mariana Islands
Norway
Oman
Pakistan
Palau
Palestinian Authority
Panama
Papua New Guinea
Paraguay
Peru
Philippines
Pitcairn Islands
Portugal
Puerto Rico
Qatar
Réunion
Romania
Rwanda
Samoa
San Marino
São Tomé & Príncipe
Saudi Arabia
Senegal
Serbia
Seychelles
Sierra Leone
Sint Maarten
Slovakia
Slovenia
Solomon Islands
Somalia
South Africa
South Sudan
Sri Lanka
St Helena, Ascension, Tristan da Cunha
St. Barthélemy
St. Kitts & Nevis
St. Lucia
St. Martin
St. Pierre & Miquelon
St. Vincent & Grenadines
Sudan
Suriname
Svalbard & Jan Mayen
Sweden
Syria
Tajikistan
Tanzania
Timor-Leste
Togo
Tokelau
Tonga
Trinidad & Tobago
Tunisia
Turkey
Turkmenistan
Turks & Caicos Islands
Tuvalu
U.S. Outlying Islands
U.S. Virgin Islands
Uganda
Ukraine
Uruguay
Uzbekistan
Vanuatu
Vatican City
Venezuela
Wallis & Futuna
Yemen
Zambia
Zimbabwe


Product
Brand
Articles
Tools











