ULN2803A Array 8 NPN Darlington 50V 18-DIP: Pinout, Datasheet, and ULN2003A VS ULN2803A
STMICROELECTRONICS ULN2803A Bipolar Transistor Array
ULN2803A is a semiconductor with high voltage. This article is going to introduce pinout, features, and more details about ULN2803A.

ULN2803A darlington transistor array driver IC
Overview of ULN2803A
The ULN2803A contains eight Darlington transistors with common emitters and integral suppression diodes for inductive loads. Each Darlington features a peak load current rating of 600 mA (500 mA continuous) and can withstand at least 50 V in the OFF state. Outputs may be paralleled for higher current capability.
ULN2803A Features
Eight Darlington transistors with common emitters
Output current to 500 mA
Output voltage to 50 V
Integral suppression diodes
Versions for all popular logic families
Output can be paralleled
Inputs pinned opposite outputs to simplify board layout
ULN2803A Pinout
ULN2803A Pinout
ULN2803A 3D Model
ULN2803A Symbol
ULN2803A Footprint
ULN2803A 3D Model
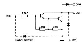
ULN2803A Schematic Diagram
ULN2803A Schematic Diagram
ULN2003A VS ULN2803A
ULN2803A | ULN2003A | |
Number of Pins | 18 | 16 |
Operating Temperature | -20°C~150°C TJ | -40°C~85°C TA |
Number of Channels | 2 | 7 |
Number of Terminations | 18 | 16 |
Height | 3.68mm | 4.59mm |
Length | 23.24mm | 20mm |
ULN2803 and ULN2003 are Darlington array ICs used to interface Logic circuits, such as microcontroller circuits, to high power devices. During the early days of your electronics tour, you may not understand the difference between these two ICs. This blog is to give you an idea about the major difference between these two ICs.
ULN2003A
ULN2003 is a seven-channel Darlington array used to interface microcontrollers to high voltage, high current devices such as solenoids, lamps, relays, etc. It has the capacity to drive 500mA into a single channel, up to 250mA per channel if four of the seven channels are active and 125 mA per channel if all the seven channels are active. Its output has clamp diodes for transient suppression to protect the low-power microcontroller circuits.
The ULN2003 is the replacement for the ULN2803 when using the Prop-1 Trainer Board or when using P7 (Prop-1) or P15 (Prop-2 and Prop-SX) for serial communications with devices like the AP-8, DC-16, FC-4, and RC-4.
ULN2803A
ULN2803 is an eight-channel Darlington array used to interface microcontrollers to high voltage, high current devices such as solenoids, lamps, relays, etc. It has the capacity to drive 500mA into a single channel, up to 250mA per channel if four of the eight channels are active and 125 mA per channel if all the eight channels are active. Its output has clamp diodes for transient suppression to protect the low-power microcontroller circuits. ULN2803 is commonly used for controlling large seven-segment displays.
ULN2803A Application
Power Management
Consumer Electronics
Portable Devices
Industrial
ULN2803A Equivalent
ULN2803A Package information
ULN2803A Package information
ULN2803A Manufacturer
STMicroelectronics is a global independent semiconductor company and is a leader in developing and delivering semiconductor solutions across the spectrum of microelectronics applications. An unrivaled combination of silicon and system expertise, manufacturing strength, Intellectual Property (IP) portfolio, and strategic partners positions the Company at the forefront of System-on-Chip (SoC) technology, and its products play a key role in enabling today's convergence trends.
Datasheet PDF
- Datasheets :
Popularity by Region
Parts with Similar Specs
- ImagePart NumberManufacturerMountPackage / CasePolarityCollector Emitter Breakdown VoltageMax Collector CurrentCollector Emitter Saturation VoltageOutput VoltageMoisture Sensitivity Level (MSL)View Compare
ULN2803A
Through Hole
18-DIP (0.300, 7.62mm)
NPN
50 V
500 mA
1.1 V
50 V
1 (Unlimited)
Through Hole
16-DIP (0.300, 7.62mm)
NPN
50 V
500 mA
1.6 V
50 V
1 (Unlimited)
How many pins of ULN2803A ?
18 pins.
What’s the operating temperature of ULN2803A?
-20°C~150°C TJ
- ADIS16477-2BMLZ Alternatives: Industrial Sensor Substitutes and Sourcing Guide
07 June 202587
- MOC3022 Random-Phase Optoisolator: Datasheet, Pinout and Circuit
30 July 20217471
- TLV62568DRLT: Datasheet, Pinout, Step-down
12 February 2022523
- TSAL6100: Datasheet, Footprint and Features
15 March 2022740
- SC811 / SC813 Tri-Mode Adapter/USB:Pinout,Datasheet,Features
17 September 2021277
- 10M16DAU324I6G FPGA Device: Features, Specifications, Advantages
14 August 2024694
- Arduino Giga R1 WiFi: Specifications, Features and Applications[FAQs]
06 October 20235030
- VO1400AEFTR:60v,pinout, datasheet and circuit
16 March 2022411
- How are Integrated Circuits produced?
17 March 202024230
- Beginner's Guide to Cache Memory
26 February 20215097
- How Does the A4988 Stepper Motor Driver Work
27 February 20233445
- What is Power Factor Correction (PFC)?
10 December 20213390
- Shenzhen: This Year Will Focus on Promoting SMIC and CR Micro 12-inch Project
13 April 20224497
- What is a MOSFET?
16 April 20214984
- The Global Talent Pool for Major Chip Manufacturing Is Still Far From Adequate
29 April 2022503
- Chinese Chip Equipment Makers Thrive Amid US Restrictions
24 October 2023527
STMicroelectronics
In Stock: 4400
United States
China
Canada
Japan
Russia
Germany
United Kingdom
Singapore
Italy
Hong Kong(China)
Taiwan(China)
France
Korea
Mexico
Netherlands
Malaysia
Austria
Spain
Switzerland
Poland
Thailand
Vietnam
India
United Arab Emirates
Afghanistan
Åland Islands
Albania
Algeria
American Samoa
Andorra
Angola
Anguilla
Antigua & Barbuda
Argentina
Armenia
Aruba
Australia
Azerbaijan
Bahamas
Bahrain
Bangladesh
Barbados
Belarus
Belgium
Belize
Benin
Bermuda
Bhutan
Bolivia
Bonaire, Sint Eustatius and Saba
Bosnia & Herzegovina
Botswana
Brazil
British Indian Ocean Territory
British Virgin Islands
Brunei
Bulgaria
Burkina Faso
Burundi
Cabo Verde
Cambodia
Cameroon
Cayman Islands
Central African Republic
Chad
Chile
Christmas Island
Cocos (Keeling) Islands
Colombia
Comoros
Congo
Congo (DRC)
Cook Islands
Costa Rica
Côte d’Ivoire
Croatia
Cuba
Curaçao
Cyprus
Czechia
Denmark
Djibouti
Dominica
Dominican Republic
Ecuador
Egypt
El Salvador
Equatorial Guinea
Eritrea
Estonia
Eswatini
Ethiopia
Falkland Islands
Faroe Islands
Fiji
Finland
French Guiana
French Polynesia
Gabon
Gambia
Georgia
Ghana
Gibraltar
Greece
Greenland
Grenada
Guadeloupe
Guam
Guatemala
Guernsey
Guinea
Guinea-Bissau
Guyana
Haiti
Honduras
Hungary
Iceland
Indonesia
Iran
Iraq
Ireland
Isle of Man
Israel
Jamaica
Jersey
Jordan
Kazakhstan
Kenya
Kiribati
Kosovo
Kuwait
Kyrgyzstan
Laos
Latvia
Lebanon
Lesotho
Liberia
Libya
Liechtenstein
Lithuania
Luxembourg
Macao(China)
Madagascar
Malawi
Maldives
Mali
Malta
Marshall Islands
Martinique
Mauritania
Mauritius
Mayotte
Micronesia
Moldova
Monaco
Mongolia
Montenegro
Montserrat
Morocco
Mozambique
Myanmar
Namibia
Nauru
Nepal
New Caledonia
New Zealand
Nicaragua
Niger
Nigeria
Niue
Norfolk Island
North Korea
North Macedonia
Northern Mariana Islands
Norway
Oman
Pakistan
Palau
Palestinian Authority
Panama
Papua New Guinea
Paraguay
Peru
Philippines
Pitcairn Islands
Portugal
Puerto Rico
Qatar
Réunion
Romania
Rwanda
Samoa
San Marino
São Tomé & Príncipe
Saudi Arabia
Senegal
Serbia
Seychelles
Sierra Leone
Sint Maarten
Slovakia
Slovenia
Solomon Islands
Somalia
South Africa
South Sudan
Sri Lanka
St Helena, Ascension, Tristan da Cunha
St. Barthélemy
St. Kitts & Nevis
St. Lucia
St. Martin
St. Pierre & Miquelon
St. Vincent & Grenadines
Sudan
Suriname
Svalbard & Jan Mayen
Sweden
Syria
Tajikistan
Tanzania
Timor-Leste
Togo
Tokelau
Tonga
Trinidad & Tobago
Tunisia
Turkey
Turkmenistan
Turks & Caicos Islands
Tuvalu
U.S. Outlying Islands
U.S. Virgin Islands
Uganda
Ukraine
Uruguay
Uzbekistan
Vanuatu
Vatican City
Venezuela
Wallis & Futuna
Yemen
Zambia
Zimbabwe