A1015: PNP Transistor Introduction
Changjiang Electronics Tech (CJ)
A1015 datasheet pdf and Unclassified product details from Changjiang Electronics Tech (CJ) stock available at Utmel









The A1015 is a PNP general purpose transistor; its low voltage and low power capability make it more reliable for usage in a wide range of typical applications. The article will introduce the features, circuit and other details of the device.

A1015 Quick Data By LearnElectronx
A1015 Description
The A1015 is a PNP general purpose transistor; its low voltage and low power capability make it more reliable for usage in a wide range of typical applications.
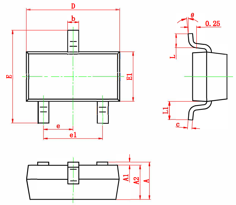
A1015 Pinout

A1015 CAD Model
Symbol

Footprint

3D Model

A1015 Features
1. High voltage and high current
2. Excellent hFE Linearity
3. Complementary to C1815
Specifications
- TypeParameter
- Package / Case
refers to the protective housing that encases an electronic component, providing mechanical support, electrical connections, and thermal management.
SOT-23(SOT-23-3) - Current-Collector (Ic) (Max)150mA
- Packaging
Semiconductor package is a carrier / shell used to contain and cover one or more semiconductor components or integrated circuits. The material of the shell can be metal, plastic, glass or ceramic.
Tape & Reel (TR) - Power - Max
Power - Max is a parameter that specifies the maximum amount of power that an electronic component can handle without being damaged. It is typically measured in watts and indicates the upper limit of power that can be safely supplied to the component. Exceeding the maximum power rating can lead to overheating, malfunction, or permanent damage to the component. It is important to consider the power-max rating when designing circuits or systems to ensure proper operation and longevity of the electronic components.
200mW - Transistor Type
Transistor type refers to the classification of transistors based on their operation and construction. The two primary types are bipolar junction transistors (BJTs) and field-effect transistors (FETs). BJTs use current to control the flow of current, while FETs utilize voltage to control current flow. Each type has its own subtypes, such as NPN and PNP for BJTs, and MOSFETs and JFETs for FETs, impacting their applications and characteristics in electronic circuits.
PNP - Voltage - Collector Emitter Breakdown (Max)
Voltage - Collector Emitter Breakdown (Max) is a parameter that specifies the maximum voltage that can be applied between the collector and emitter terminals of a transistor or other semiconductor device before it breaks down and allows excessive current to flow. This parameter is crucial for ensuring the safe and reliable operation of the component within its specified limits. Exceeding the maximum breakdown voltage can lead to permanent damage or failure of the device. Designers and engineers must carefully consider this parameter when selecting components for their circuits to prevent potential issues and ensure proper functionality.
50V - RoHS Status
RoHS means “Restriction of Certain Hazardous Substances” in the “Hazardous Substances Directive” in electrical and electronic equipment.
RoHS Compliant
A1015 Package

A1015 Manufacturer
Long Technology was founded in 1972 and successfully listed on the Shanghai Stock Exchange in 2003. Changjiang Electronics has become China's No. 1 and No. 3 integrated circuit packaging and testing firm after more than 40 years of development. Changjiang Technologies offers package design, product development, and certification, as well as a comprehensive variety of professional manufacturing services ranging from chip testing through packing and shipping. It has been recognized as a key national high-tech enterprise, China's top 100 electronics companies, Strategic alliance chairman unit, China Famous Brand, China's export product quality demonstration enterprises, with the only high-density integrated circuit National Engineering Laboratory, state-level enterprise technology center, and post-doctoral research station.
Trend Analysis
Parts with Similar Specs
What is A1015?
The A1015 is a PNP general purpose transistor; its low voltage and low power capability make it more reliable for usage in a wide range of typical applications.
What is the storage temperature of the component?
-55~+150℃.
What is the package of the device?
SOT-23.
What you need to know about the use of the BS250 P-Channel MOSFET[FAQ]31 March 20224352
eZ80F91 Microcontroller: Product Brief and Applications28 February 2024394
LM358D Operational Amplifier: Datasheet, Circuits and Pinout23 July 20218139
Unraveling the Texas Instruments PIC32MX330F064L Microcontroller: A Technical Exploration29 February 202498
BAV199 Low Leakage Diode: 85V 140MA SOT323, BAV199 Dual Surface Mount and Datasheet19 January 20222704
BT137 Triacs: Circuit, Pinout, and Datasheet [Video&FAQ]02 December 202133136
NXP MPX5500DP Differential Pressure Sensor: High-Accuracy Industrial Solution Guide04 September 2025718
ST7FLITE09Y0M6 STMicrocontroller 8-bit microcontroller: Pinout, Datasheet and Applications04 January 2022999
A Guide to the Best AG13 Battery Substitutes27 May 20251596
What to Know Before Buying CR1225 Battery Equivalent05 September 20251100
Understanding Photodiodes: Working Principles and Applications - Part 224 May 20244188
Huang Renxun: Nvidia Is No Longer a GPU Company06 April 20222564
What is 3D Printing Technology (3DP)?18 January 20223698
What Are Buck-Boost Converters?07 June 2025657
What is Comparator?11 April 20226068
Introduction to EPROM and EEPROM08 January 202614581
Changjiang Electronics Tech (CJ)
In Stock
United States
China
Canada
Japan
Russia
Germany
United Kingdom
Singapore
Italy
Hong Kong(China)
Taiwan(China)
France
Korea
Mexico
Netherlands
Malaysia
Austria
Spain
Switzerland
Poland
Thailand
Vietnam
India
United Arab Emirates
Afghanistan
Åland Islands
Albania
Algeria
American Samoa
Andorra
Angola
Anguilla
Antigua & Barbuda
Argentina
Armenia
Aruba
Australia
Azerbaijan
Bahamas
Bahrain
Bangladesh
Barbados
Belarus
Belgium
Belize
Benin
Bermuda
Bhutan
Bolivia
Bonaire, Sint Eustatius and Saba
Bosnia & Herzegovina
Botswana
Brazil
British Indian Ocean Territory
British Virgin Islands
Brunei
Bulgaria
Burkina Faso
Burundi
Cabo Verde
Cambodia
Cameroon
Cayman Islands
Central African Republic
Chad
Chile
Christmas Island
Cocos (Keeling) Islands
Colombia
Comoros
Congo
Congo (DRC)
Cook Islands
Costa Rica
Côte d’Ivoire
Croatia
Cuba
Curaçao
Cyprus
Czechia
Denmark
Djibouti
Dominica
Dominican Republic
Ecuador
Egypt
El Salvador
Equatorial Guinea
Eritrea
Estonia
Eswatini
Ethiopia
Falkland Islands
Faroe Islands
Fiji
Finland
French Guiana
French Polynesia
Gabon
Gambia
Georgia
Ghana
Gibraltar
Greece
Greenland
Grenada
Guadeloupe
Guam
Guatemala
Guernsey
Guinea
Guinea-Bissau
Guyana
Haiti
Honduras
Hungary
Iceland
Indonesia
Iran
Iraq
Ireland
Isle of Man
Israel
Jamaica
Jersey
Jordan
Kazakhstan
Kenya
Kiribati
Kosovo
Kuwait
Kyrgyzstan
Laos
Latvia
Lebanon
Lesotho
Liberia
Libya
Liechtenstein
Lithuania
Luxembourg
Macao(China)
Madagascar
Malawi
Maldives
Mali
Malta
Marshall Islands
Martinique
Mauritania
Mauritius
Mayotte
Micronesia
Moldova
Monaco
Mongolia
Montenegro
Montserrat
Morocco
Mozambique
Myanmar
Namibia
Nauru
Nepal
New Caledonia
New Zealand
Nicaragua
Niger
Nigeria
Niue
Norfolk Island
North Korea
North Macedonia
Northern Mariana Islands
Norway
Oman
Pakistan
Palau
Palestinian Authority
Panama
Papua New Guinea
Paraguay
Peru
Philippines
Pitcairn Islands
Portugal
Puerto Rico
Qatar
Réunion
Romania
Rwanda
Samoa
San Marino
São Tomé & Príncipe
Saudi Arabia
Senegal
Serbia
Seychelles
Sierra Leone
Sint Maarten
Slovakia
Slovenia
Solomon Islands
Somalia
South Africa
South Sudan
Sri Lanka
St Helena, Ascension, Tristan da Cunha
St. Barthélemy
St. Kitts & Nevis
St. Lucia
St. Martin
St. Pierre & Miquelon
St. Vincent & Grenadines
Sudan
Suriname
Svalbard & Jan Mayen
Sweden
Syria
Tajikistan
Tanzania
Timor-Leste
Togo
Tokelau
Tonga
Trinidad & Tobago
Tunisia
Turkey
Turkmenistan
Turks & Caicos Islands
Tuvalu
U.S. Outlying Islands
U.S. Virgin Islands
Uganda
Ukraine
Uruguay
Uzbekistan
Vanuatu
Vatican City
Venezuela
Wallis & Futuna
Yemen
Zambia
Zimbabwe


