AD9520-5 Output Clock Generator: Pinout, Equivalent and AD9520 PLL
3.3V Clock Generator, Fanout Distribution AD9520 Clock Generators 64 Pins 64-VFQFN Exposed Pad, CSP 64 Terminals Surface Mount 3.135V~3.465V Tray









3.3V Clock Generator, Fanout Distribution AD9520 Clock Generators 64 Pins 64-VFQFN Exposed Pad, CSP 64 Terminals Surface Mount 3.135V~3.465V Tray
The AD9520-5 provides a multioutput clock distribution function with subpicosecond jitter performance, along with an on-chip PLL that can be used with an external VCO. The AD9520 serial interface supports both SPI and I²C® ports. Furthermore, Huge range of Semiconductors, Capacitors, Resistors and IcS in stock. Welcome RFQ.

What is Phase Lock Loop (PLL)? How Phase Lock Loop Works ? PLL Explained
AD9520-5 Pinout
The following figure is the diagram of AD9520-5 pinout.

Pinout
AD9520-5 CAD Model
The following is the Footprint of AD9520-5.

Footprint
AD9520-5 Overview
The AD9520-5 provides a multioutput clock distribution function with subpicosecond jitter performance, along with an on-chip PLL that can be used with an external VCO. The AD9520 serial interface supports both SPI and I²C® ports. An in-package EEPROM can be programmed through the serial interface and store user-defined register settings for power-up and chip reset. The AD9520 features 12 LVPECL outputs in four groups. Any of the 1.6 GHz LVPECL outputs can be reconfigured as two 250 MHz CMOS outputs. Each group of outputs has a divider that allows both the divide ratio (from 1 to 32) and the phase (coarse delay) to be set. The AD9520 is available in a 64-lead LFCSP and can be operated from a single 3.3 V supply. The external VCO can have an operating voltage up to 5.5 V. A separate output driver power supply can be from 2.375 V to 3.465 V. The AD9520 is specified for operation over the standard industrial range of −40°C to +85°C.
This article provides you with a basic overview of the AD9520-5 Output Clock Generator, including its pin descriptions, features and specifications, etc., to help you quickly understand what AD9520-5 is.
AD9520-5 Features
● Low phase noise, phase-locked loop (PLL)
● Supports external 3.3 V/5 V VCO/VCXO to 2.4 GHz
● 1 differential or 2 single-ended reference inputs
● Accepts CMOS, LVDS, or LVPECL references to 250 MHz
● Accepts 16.67 MHz to 33.3 MHz crystal for reference input
● Optional reference clock doubler
● Reference monitoring capability
● Auto and manual reference switchover/holdover modes, with selectable revertive/nonrevertive switching
● Glitch-free switchover between references
● Automatic recovery from holdover
● Digital or analog lock detect, selectable
● Optional zero delay operation
● Twelve 1.6 GHz LVPECL outputs divided into 4 groups
● Each group of 3 has a 1-to-32 divider with phase delay
● Additive output jitter as low as 225 fs rms
● Channel-to-channel skew grouped outputs <16 ps
● Each LVPECL output can be configured as 2 CMOS outputs (for fOUT ≤ 250 MHz)
● Automatic synchronization of all outputs on power-up
● Manual synchronization of outputs as needed
● SPI- and I²C-compatible serial control port
● 64-lead LFCSP
● Nonvolatile EEPROM stores configuration settings
AD9520-5 Advantage
The AD9520 can be configured in several ways. These configurations must be set up by loading the control registers. The AD9520 includes on-chip PLL blocks that can be used with an external VCO or VCXO to create a complete phase-locked loop. The AD9520 PLL is useful for generating clock frequencies from a supplied reference frequency. This includes conversion of reference frequencies to much higher frequencies for subsequent division and distribution. The AD9520 provides an ALD function that can be selected for use at the LD pin. There are two operating modes for ALD: N-channel open-drain lock detect. P-channel open-drain lock detect.
The AD9520 PLL has a holdover function. Holdover is implemented by placing the charge pump in a high impedance state. This function is useful when the PLL reference clock is lost. The AD9520 serial control port is a flexible, synchronous serial communications port that allows an easy interface with many industry-standard microcontrollers and microprocessors. The AD9520 contains an internal EEPROM (nonvolatile memory). The EEPROM can be programmed by users to create and store a user-defined register setting file when the power is off. This setting file can be used for power-up and chip reset as a default setting. The EEPROM size is 512 bytes.
Specifications
- TypeParameter
- Lifecycle Status
Lifecycle Status refers to the current stage of an electronic component in its product life cycle, indicating whether it is active, obsolete, or transitioning between these states. An active status means the component is in production and available for purchase. An obsolete status indicates that the component is no longer being manufactured or supported, and manufacturers typically provide a limited time frame for support. Understanding the lifecycle status is crucial for design engineers to ensure continuity and reliability in their projects.
PRODUCTION (Last Updated: 1 week ago) - Factory Lead Time8 Weeks
- Contact Plating
Contact plating (finish) provides corrosion protection for base metals and optimizes the mechanical and electrical properties of the contact interfaces.
Tin - Mounting Type
The "Mounting Type" in electronic components refers to the method used to attach or connect a component to a circuit board or other substrate, such as through-hole, surface-mount, or panel mount.
Surface Mount - Package / Case
refers to the protective housing that encases an electronic component, providing mechanical support, electrical connections, and thermal management.
64-VFQFN Exposed Pad, CSP - Surface Mount
having leads that are designed to be soldered on the side of a circuit board that the body of the component is mounted on.
YES - Number of Pins64
- Operating Temperature
The operating temperature is the range of ambient temperature within which a power supply, or any other electrical equipment, operate in. This ranges from a minimum operating temperature, to a peak or maximum operating temperature, outside which, the power supply may fail.
-40°C~85°C - Packaging
Semiconductor package is a carrier / shell used to contain and cover one or more semiconductor components or integrated circuits. The material of the shell can be metal, plastic, glass or ceramic.
Tray - JESD-609 Code
The "JESD-609 Code" in electronic components refers to a standardized marking code that indicates the lead-free solder composition and finish of electronic components for compliance with environmental regulations.
e3 - Pbfree Code
The "Pbfree Code" parameter in electronic components refers to the code or marking used to indicate that the component is lead-free. Lead (Pb) is a toxic substance that has been widely used in electronic components for many years, but due to environmental concerns, there has been a shift towards lead-free alternatives. The Pbfree Code helps manufacturers and users easily identify components that do not contain lead, ensuring compliance with regulations and promoting environmentally friendly practices. It is important to pay attention to the Pbfree Code when selecting electronic components to ensure they meet the necessary requirements for lead-free applications.
no - Part Status
Parts can have many statuses as they progress through the configuration, analysis, review, and approval stages.
Active - Moisture Sensitivity Level (MSL)
Moisture Sensitivity Level (MSL) is a standardized rating that indicates the susceptibility of electronic components, particularly semiconductors, to moisture-induced damage during storage and the soldering process, defining the allowable exposure time to ambient conditions before they require special handling or baking to prevent failures
3 (168 Hours) - Number of Terminations64
- ECCN Code
An ECCN (Export Control Classification Number) is an alphanumeric code used by the U.S. Bureau of Industry and Security to identify and categorize electronic components and other dual-use items that may require an export license based on their technical characteristics and potential for military use.
EAR99 - TypeClock Generator, Fanout Distribution
- Voltage - Supply
Voltage - Supply refers to the range of voltage levels that an electronic component or circuit is designed to operate with. It indicates the minimum and maximum supply voltage that can be applied for the device to function properly. Providing supply voltages outside this range can lead to malfunction, damage, or reduced performance. This parameter is critical for ensuring compatibility between different components in a circuit.
3.135V~3.465V - Terminal Position
In electronic components, the term "Terminal Position" refers to the physical location of the connection points on the component where external electrical connections can be made. These connection points, known as terminals, are typically used to attach wires, leads, or other components to the main body of the electronic component. The terminal position is important for ensuring proper connectivity and functionality of the component within a circuit. It is often specified in technical datasheets or component specifications to help designers and engineers understand how to properly integrate the component into their circuit designs.
QUAD - Terminal Form
Occurring at or forming the end of a series, succession, or the like; closing; concluding.
NO LEAD - Peak Reflow Temperature (Cel)
Peak Reflow Temperature (Cel) is a parameter that specifies the maximum temperature at which an electronic component can be exposed during the reflow soldering process. Reflow soldering is a common method used to attach electronic components to a circuit board. The Peak Reflow Temperature is crucial because it ensures that the component is not damaged or degraded during the soldering process. Exceeding the specified Peak Reflow Temperature can lead to issues such as component failure, reduced performance, or even permanent damage to the component. It is important for manufacturers and assemblers to adhere to the recommended Peak Reflow Temperature to ensure the reliability and functionality of the electronic components.
260 - Supply Voltage
Supply voltage refers to the electrical potential difference provided to an electronic component or circuit. It is crucial for the proper operation of devices, as it powers their functions and determines performance characteristics. The supply voltage must be within specified limits to ensure reliability and prevent damage to components. Different electronic devices have specific supply voltage requirements, which can vary widely depending on their design and intended application.
3.3V - Terminal Pitch
The center distance from one pole to the next.
0.5mm - Frequency
In electronic components, the parameter "Frequency" refers to the rate at which a signal oscillates or cycles within a given period of time. It is typically measured in Hertz (Hz) and represents how many times a signal completes a full cycle in one second. Frequency is a crucial aspect in electronic components as it determines the behavior and performance of various devices such as oscillators, filters, and communication systems. Understanding the frequency characteristics of components is essential for designing and analyzing electronic circuits to ensure proper functionality and compatibility with other components in a system.
2.4GHz - Time@Peak Reflow Temperature-Max (s)
Time@Peak Reflow Temperature-Max (s) refers to the maximum duration that an electronic component can be exposed to the peak reflow temperature during the soldering process, which is crucial for ensuring reliable solder joint formation without damaging the component.
40 - Base Part Number
The "Base Part Number" (BPN) in electronic components serves a similar purpose to the "Base Product Number." It refers to the primary identifier for a component that captures the essential characteristics shared by a group of similar components. The BPN provides a fundamental way to reference a family or series of components without specifying all the variations and specific details.
AD9520 - Output
In electronic components, the parameter "Output" typically refers to the signal or data that is produced by the component and sent to another part of the circuit or system. The output can be in the form of voltage, current, frequency, or any other measurable quantity depending on the specific component. The output of a component is often crucial in determining its functionality and how it interacts with other components in the circuit. Understanding the output characteristics of electronic components is essential for designing and troubleshooting electronic circuits effectively.
CMOS, LVPECL - Pin Count
a count of all of the component leads (or pins)
64 - Number of Outputs12
- Qualification Status
An indicator of formal certification of qualifications.
Not Qualified - Operating Supply Voltage
The voltage level by which an electrical system is designated and to which certain operating characteristics of the system are related.
3.3V - Number of Circuits1
- Max Supply Current
Max Supply Current refers to the maximum amount of electrical current that a component can draw from its power supply under normal operating conditions. It is a critical parameter that ensures the component operates reliably without exceeding its thermal limits or damaging internal circuitry. Exceeding this current can lead to overheating, performance degradation, or failure of the component. Understanding this parameter is essential for designing circuits that provide adequate power while avoiding overload situations.
100μA - Logic Function
In electronic components, the term "Logic Function" refers to the specific operation or behavior of a component based on its input signals. It describes how the component processes the input signals to produce the desired output. Logic functions are fundamental to digital circuits and are used to perform logical operations such as AND, OR, NOT, and XOR.Each electronic component, such as logic gates or flip-flops, is designed to perform a specific logic function based on its internal circuitry. By understanding the logic function of a component, engineers can design and analyze complex digital systems to ensure proper functionality and performance. Different logic functions can be combined to create more complex operations, allowing for the creation of sophisticated digital devices and systems.
Clock - Input
In electronic components, "Input" refers to the signal or data that is provided to a device or system for processing or manipulation. It is the information or command that is received by the component to initiate a specific function or operation. The input can come from various sources such as sensors, other electronic devices, or user interactions. It is crucial for the proper functioning of the component as it determines how the device will respond or behave based on the input received. Understanding and managing the input parameters is essential in designing and using electronic components effectively.
CMOS, LVDS, LVPECL - Ratio - Input:Output
The parameter "Ratio - Input:Output" in electronic components refers to the relationship between the input and output quantities of a device or system. It is a measure of how the input signal or energy is transformed or converted into the output signal or energy. This ratio is often expressed as a numerical value or percentage, indicating the efficiency or effectiveness of the component in converting the input to the desired output. A higher ratio typically signifies better performance or higher efficiency, while a lower ratio may indicate losses or inefficiencies in the conversion process. Understanding and optimizing the input-output ratio is crucial in designing and evaluating electronic components for various applications.
2:12, 2:24 - Primary Clock/Crystal Frequency-Nom
The parameter "Primary Clock/Crystal Frequency-Nom" refers to the nominal frequency at which a clock or crystal oscillator operates in electronic components. This frequency is critical for synchronizing the timing of various processes within a circuit or system. It is typically specified in hertz and indicates the standard or average frequency that the oscillator is designed to achieve under normal operating conditions. Accurate frequency is essential for ensuring proper functioning and performance of digital circuits and communication systems.
250MHz - PLL
PLL stands for Phase-Locked Loop, which is a control system that generates an output signal whose phase is related to the phase of an input signal. It is commonly used in electronic components to synchronize, modulate, demodulate, filter, or recover a signal's frequency. A PLL typically consists of a phase detector, a loop filter, a voltage-controlled oscillator (VCO), and a feedback circuit. The PLL locks the phase of the output signal to the phase of the input signal, making it a versatile tool in various applications such as frequency synthesis, clock recovery, and frequency modulation.
Yes - Differential - Input:Output
Differential - Input:Output refers to the relationship between the input and output signals in differential amplifiers or circuits. It measures the difference in voltage between two input terminals and produces an output that is proportional to this difference. This parameter is essential for noise rejection and improving signal integrity in various applications, such as operational amplifiers and data acquisition systems. It allows circuits to effectively amplify small signals while minimizing interference and common-mode noise.
Yes/Yes - Divider/Multiplier
The parameter "Divider/Multiplier" in electronic components refers to a feature that allows the component to divide or multiply an input signal by a certain factor. This feature is commonly found in components such as operational amplifiers, voltage regulators, and signal processing circuits. In the context of operational amplifiers, the Divider/Multiplier parameter indicates the ability of the amplifier to scale the input signal by a specific factor, either dividing it or multiplying it. This can be useful for adjusting the amplitude or gain of a signal in a circuit.Overall, the Divider/Multiplier parameter provides flexibility in signal processing applications by allowing users to manipulate the input signal according to their specific requirements, whether it involves scaling down the signal for further processing or amplifying it for increased output.
Yes/No - Height950μm
- Length9.1mm
- Width9.1mm
- REACH SVHC
The parameter "REACH SVHC" in electronic components refers to the compliance with the Registration, Evaluation, Authorization, and Restriction of Chemicals (REACH) regulation regarding Substances of Very High Concern (SVHC). SVHCs are substances that may have serious effects on human health or the environment, and their use is regulated under REACH to ensure their safe handling and minimize their impact.Manufacturers of electronic components need to declare if their products contain any SVHCs above a certain threshold concentration and provide information on the safe use of these substances. This information allows customers to make informed decisions about the potential risks associated with using the components and take appropriate measures to mitigate any hazards.Ensuring compliance with REACH SVHC requirements is essential for electronics manufacturers to meet regulatory standards, protect human health and the environment, and maintain transparency in their supply chain. It also demonstrates a commitment to sustainability and responsible manufacturing practices in the electronics industry.
No SVHC - RoHS Status
RoHS means “Restriction of Certain Hazardous Substances” in the “Hazardous Substances Directive” in electrical and electronic equipment.
ROHS3 Compliant - Lead Free
Lead Free is a term used to describe electronic components that do not contain lead as part of their composition. Lead is a toxic material that can have harmful effects on human health and the environment, so the electronics industry has been moving towards lead-free components to reduce these risks. Lead-free components are typically made using alternative materials such as silver, copper, and tin. Manufacturers must comply with regulations such as the Restriction of Hazardous Substances (RoHS) directive to ensure that their products are lead-free and environmentally friendly.
Contains Lead
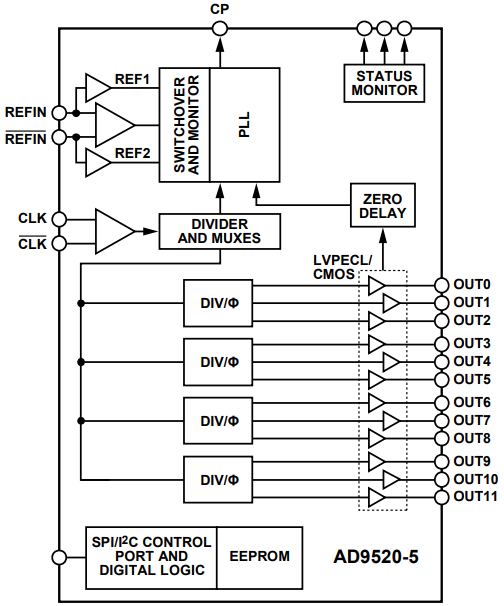
AD9520-5 Functional Block Diagram
The following is the Block Diagram of AD9520-5.

Functional Block Diagram

Detailed Block Diagram
AD9520-5 Equivalent
| Model number | Manufacturer | Description |
| AD9522-3BCPZ-REEL7 | Analog Devices Inc | 12 LVDS/24 CMOS Output Clock Generator with Integrated 2 GHz VCO |
| AD9522-5BCPZ | Analog Devices Inc | 12 LVDS/24 CMOS Output Clock Generator |
| AD9522-4BCPZ | Analog Devices Inc | 12 LVDS/24 CMOS Output Clock Generator with Integrated 1.6 GHz VCO |
| AD9522-4BCPZ-REEL7 | Analog Devices Inc | 12 LVDS/24 CMOS Output Clock Generator with Integrated 1.6 GHz VCO |
| AD9522-0BCPZ-REEL7 | Analog Devices Inc | 12 LVDS/24 CMOS Output Clock Generator with Integrated 2.8 GHz VCO |
| AD9522-1BCPZ-REEL7 | Analog Devices Inc | 12 LVDS/24 CMOS Output Clock Generator with Integrated 2.4 GHz VCO |
| AD9522-2BCPZ | Rochester Electronics LLC | 250 MHz, OTHER CLOCK GENERATOR, QCC64, 9 X 9 MM, ROHS COMPLIANT, MO-220VMMD-4,LFCSP-64 |
Parts with Similar Specs
- ImagePart NumberManufacturerPackage / CaseNumber of PinsPLLInputNumber of OutputsSupply VoltageTerminal PitchRatio - Input:OutputView Compare
AD9520-5BCPZ
64-VFQFN Exposed Pad, CSP
64
Yes
CMOS, LVDS, LVPECL
12
3.3 V
0.5 mm
2:12, 2:24
64-VFQFN Exposed Pad, CSP
64
Yes
CMOS, LVDS, LVPECL
12
3.3 V
0.5 mm
2:12, 2:24
64-VFQFN Exposed Pad, CSP
64
Yes
CMOS, LVDS, LVPECL
12
3.3 V
0.5 mm
2:12, 2:24
64-VFQFN Exposed Pad, CSP
64
Yes
CMOS, LVDS, LVPECL
12
3.3 V
0.5 mm
2:12, 2:24
AD9520-5 Applications
● Low jitter, low phase noise clock distribution
● Clock generation and translation for SONET, 10Ge, 10G FC, and other 10 Gbps protocols
● Forward error correction (G.710)
● Clocking high speed ADCs, DACs, DDSs, DDCs, DUCs, MxFEs
● High performance wireless transceivers
● ATE and high performance instrumentation
● Broadband infrastructures
AD9520-5 Package
The following diagram shows the AD9520-5 package.

Outline Dimensions
AD9520-5 Manufacturer
Analog Devices (NASDAQ: ADI) is a world leader in the design, manufacture, and marketing of a broad portfolio of high performance analog, mixed-signal, and digital signal processing (DSP) integrated circuits (ICs) used in virtually all types of electronic equipment. Since our inception in 1965, we have focused on solving the engineering challenges associated with signal processing in electronic equipment. Used by over 100,000 customers worldwide, our signal processing products play a fundamental role in converting, conditioning, and processing real-world phenomena such as temperature, pressure, sound, light, speed, and motion into electrical signals to be used in a wide array of electronic devices.
Trend Analysis
Datasheet PDF
- Datasheets :
- Design Resources :
- PCN Design/Specification :
- ConflictMineralStatement :
What is the essential property of the AD9520-5?
The AD9520-5 provides a multioutput clock distribution function with subpicosecond jitter performance, along with an on-chip PLL that can be used with an external VCO. The AD9520 serial interface supports both SPI and I²C® ports.
What are the advantages of the AD9520 PLL retention? And how does that happen?
The AD9520 PLL has a holdover function. Holdover is implemented by placing the charge pump in a high impedance state. This function is useful when the PLL reference clock is lost.
Does the AD9520 contain EEPROM? Can EEPROM store files when the device is powered off?
The AD9520 contains an internal EEPROM (nonvolatile memory). The EEPROM can be programmed by users to create and store a user-defined register setting file when the power is off. This setting file can be used for power-up and chip reset as a default setting. The EEPROM size is 512 bytes.
How to use ATTINY88 Microcontroller?25 March 20222744
Microchip PIC16LF1516ISP: A Comprehensive Overview of Features and Applications29 February 2024232
STM3240G-EVAL Complete Setup and Development Guide04 June 2025169
BC549 Transistor: Features, Alternatives and Datasheet10 August 20213114
A Comprehensive Guide to LTC6803IG-1#PBF Battery Management PMIC06 March 2024116
The Overview of ULN2804A [FAQ]18 December 20213318
MCP23017 I/O Expander: Datasheet, pinout and Addressing09 September 202110284
CD4001BE: Overview, Applications and Datasheet09 November 20231670
Elon Musk: The Neuralink Brain Chip Developed By Its Company Could Help Treat Morbid Obesity24 April 20222200
Surge Protector Best Practices for Everyday Use10 July 2025611
Amkor Technology to Invest $2 Billion in Semiconductor Testing Plant in Peoria, Creating 2,000 Jobs11 December 20232570
Towards an Optoelectronic Chip That Mimics the Human Brain20 April 2022816
Will AI Eventually Compete With Humans for Energy Resources?14 February 20232843
Basic Introduction to Power Amplifier09 January 20268210
Global Ceramic Capacitors Market In-Depth Analysis to 202510 December 20255043
What are Weight Sensors?31 October 202516747
Analog Devices Inc.
In Stock: 3018
United States
China
Canada
Japan
Russia
Germany
United Kingdom
Singapore
Italy
Hong Kong(China)
Taiwan(China)
France
Korea
Mexico
Netherlands
Malaysia
Austria
Spain
Switzerland
Poland
Thailand
Vietnam
India
United Arab Emirates
Afghanistan
Åland Islands
Albania
Algeria
American Samoa
Andorra
Angola
Anguilla
Antigua & Barbuda
Argentina
Armenia
Aruba
Australia
Azerbaijan
Bahamas
Bahrain
Bangladesh
Barbados
Belarus
Belgium
Belize
Benin
Bermuda
Bhutan
Bolivia
Bonaire, Sint Eustatius and Saba
Bosnia & Herzegovina
Botswana
Brazil
British Indian Ocean Territory
British Virgin Islands
Brunei
Bulgaria
Burkina Faso
Burundi
Cabo Verde
Cambodia
Cameroon
Cayman Islands
Central African Republic
Chad
Chile
Christmas Island
Cocos (Keeling) Islands
Colombia
Comoros
Congo
Congo (DRC)
Cook Islands
Costa Rica
Côte d’Ivoire
Croatia
Cuba
Curaçao
Cyprus
Czechia
Denmark
Djibouti
Dominica
Dominican Republic
Ecuador
Egypt
El Salvador
Equatorial Guinea
Eritrea
Estonia
Eswatini
Ethiopia
Falkland Islands
Faroe Islands
Fiji
Finland
French Guiana
French Polynesia
Gabon
Gambia
Georgia
Ghana
Gibraltar
Greece
Greenland
Grenada
Guadeloupe
Guam
Guatemala
Guernsey
Guinea
Guinea-Bissau
Guyana
Haiti
Honduras
Hungary
Iceland
Indonesia
Iran
Iraq
Ireland
Isle of Man
Israel
Jamaica
Jersey
Jordan
Kazakhstan
Kenya
Kiribati
Kosovo
Kuwait
Kyrgyzstan
Laos
Latvia
Lebanon
Lesotho
Liberia
Libya
Liechtenstein
Lithuania
Luxembourg
Macao(China)
Madagascar
Malawi
Maldives
Mali
Malta
Marshall Islands
Martinique
Mauritania
Mauritius
Mayotte
Micronesia
Moldova
Monaco
Mongolia
Montenegro
Montserrat
Morocco
Mozambique
Myanmar
Namibia
Nauru
Nepal
New Caledonia
New Zealand
Nicaragua
Niger
Nigeria
Niue
Norfolk Island
North Korea
North Macedonia
Northern Mariana Islands
Norway
Oman
Pakistan
Palau
Palestinian Authority
Panama
Papua New Guinea
Paraguay
Peru
Philippines
Pitcairn Islands
Portugal
Puerto Rico
Qatar
Réunion
Romania
Rwanda
Samoa
San Marino
São Tomé & Príncipe
Saudi Arabia
Senegal
Serbia
Seychelles
Sierra Leone
Sint Maarten
Slovakia
Slovenia
Solomon Islands
Somalia
South Africa
South Sudan
Sri Lanka
St Helena, Ascension, Tristan da Cunha
St. Barthélemy
St. Kitts & Nevis
St. Lucia
St. Martin
St. Pierre & Miquelon
St. Vincent & Grenadines
Sudan
Suriname
Svalbard & Jan Mayen
Sweden
Syria
Tajikistan
Tanzania
Timor-Leste
Togo
Tokelau
Tonga
Trinidad & Tobago
Tunisia
Turkey
Turkmenistan
Turks & Caicos Islands
Tuvalu
U.S. Outlying Islands
U.S. Virgin Islands
Uganda
Ukraine
Uruguay
Uzbekistan
Vanuatu
Vatican City
Venezuela
Wallis & Futuna
Yemen
Zambia
Zimbabwe










