DL4004 Glass Passivated Rectifier: Features, Pinout, and Datasheet
Standard Diode Rectifier Standard Recovery >500ns, > 200mA (Io) 1.1V @ 1A -65°C~150°C 5μA @ 400V Cut Tape (CT) DO-213AB, MELF (Glass) Surface Mount









Standard Diode Rectifier Standard Recovery >500ns, > 200mA (Io) 1.1V @ 1A -65°C~150°C 5μA @ 400V Cut Tape (CT) DO-213AB, MELF (Glass) Surface Mount
DL4004 is a Glass Passivated Rectifier. This article mainly introduces Features, Pinout, datasheet and other detailed information about Micro Commercial Components DL4004.

How To Choose The Right Rectifier & Capacitor For Rectifing AC to DC
DL4004 Description
DL4004 is a 1 Amp Glass Passivated Rectifier, 50 to 1000 Volts.
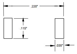
DL4004 Pinout
The following figure is the Pinout of DL4004.

Pinout
DL4004 CAD Model
DL4004 Features
• Glass Passivated Junction
• Low Current Leakage
• Surface Mount Applications
• Lead-Free Finish/Rohs Compliant ("P" Suffix designates Compliant.)
• Epoxy meets UL 94 V-0 flammability rating
• Moisture Sensitivity Level 1
Specifications
- TypeParameter
- Mounting Type
The "Mounting Type" in electronic components refers to the method used to attach or connect a component to a circuit board or other substrate, such as through-hole, surface-mount, or panel mount.
Surface Mount - Package / Case
refers to the protective housing that encases an electronic component, providing mechanical support, electrical connections, and thermal management.
DO-213AB, MELF (Glass) - Supplier Device Package
The parameter "Supplier Device Package" in electronic components refers to the physical packaging or housing of the component as provided by the supplier. It specifies the form factor, dimensions, and layout of the component, which are crucial for compatibility and integration into electronic circuits and systems. The supplier device package information typically includes details such as the package type (e.g., DIP, SOP, QFN), number of pins, pitch, and overall size, allowing engineers and designers to select the appropriate component for their specific application requirements. Understanding the supplier device package is essential for proper component selection, placement, and soldering during the manufacturing process to ensure optimal performance and reliability of the electronic system.
MELF - Packaging
Semiconductor package is a carrier / shell used to contain and cover one or more semiconductor components or integrated circuits. The material of the shell can be metal, plastic, glass or ceramic.
Cut Tape (CT) - Published2004
- Part Status
Parts can have many statuses as they progress through the configuration, analysis, review, and approval stages.
Obsolete - Moisture Sensitivity Level (MSL)
Moisture Sensitivity Level (MSL) is a standardized rating that indicates the susceptibility of electronic components, particularly semiconductors, to moisture-induced damage during storage and the soldering process, defining the allowable exposure time to ambient conditions before they require special handling or baking to prevent failures
1 (Unlimited) - Base Part Number
The "Base Part Number" (BPN) in electronic components serves a similar purpose to the "Base Product Number." It refers to the primary identifier for a component that captures the essential characteristics shared by a group of similar components. The BPN provides a fundamental way to reference a family or series of components without specifying all the variations and specific details.
DL4004 - Speed
In electronic components, "Speed" typically refers to the rate at which data can be processed or transferred within the component. It is a measure of how quickly the component can perform its functions, such as executing instructions or transmitting signals. Speed is often specified in terms of frequency, such as clock speed in processors or data transfer rate in memory modules. Higher speed components can perform tasks more quickly, leading to improved overall performance in electronic devices. It is an important parameter to consider when designing or selecting electronic components for specific applications.
Standard Recovery >500ns, > 200mA (Io) - Diode Type
In electronic components, the parameter "Diode Type" refers to the specific type or configuration of a diode, which is a semiconductor device that allows current to flow in one direction only. There are various types of diodes, each designed for specific applications and functions. Common diode types include rectifier diodes, zener diodes, light-emitting diodes (LEDs), and Schottky diodes, among others. The diode type determines the diode's characteristics, such as forward voltage drop, reverse breakdown voltage, and maximum current rating, making it crucial for selecting the right diode for a particular circuit or application. Understanding the diode type is essential for ensuring proper functionality and performance in electronic circuits.
Standard - Current - Reverse Leakage @ Vr
Current - Reverse Leakage @ Vr is a parameter that describes the amount of current that flows in the reverse direction through a diode or other semiconductor component when a reverse voltage (Vr) is applied across it. This leakage current is typically very small, but it is important to consider in electronic circuits as it can affect the overall performance and reliability of the component. The reverse leakage current is influenced by factors such as the material properties of the semiconductor, temperature, and the magnitude of the reverse voltage applied. Manufacturers provide this parameter in datasheets to help engineers and designers understand the behavior of the component in reverse bias conditions.
5μA @ 400V - Voltage - Forward (Vf) (Max) @ If
The parameter "Voltage - Forward (Vf) (Max) @ If" refers to the maximum voltage drop across a diode when it is forward-biased and conducting a specified forward current (If). It indicates the maximum potential difference the diode can withstand while allowing current to flow in the forward direction without breaking down. This value is crucial for designing circuits as it helps determine how much voltage will be lost across the diode during operation. Higher Vf values can lead to reduced efficiency in power applications, making this parameter essential for optimizing circuit performance.
1.1V @ 1A - Operating Temperature - Junction
Operating Temperature - Junction refers to the maximum temperature at which the junction of an electronic component can safely operate without causing damage or performance degradation. This parameter is crucial for determining the reliability and longevity of the component, as excessive heat can lead to thermal stress and failure. Manufacturers specify the operating temperature range to ensure that the component functions within safe limits under normal operating conditions. It is important for designers and engineers to consider the operating temperature - junction when selecting and using electronic components to prevent overheating and ensure optimal performance.
-65°C~150°C - Voltage - DC Reverse (Vr) (Max)
Voltage - DC Reverse (Vr) (Max) is a parameter in electronic components that specifies the maximum reverse voltage that the component can withstand without breaking down. This parameter is crucial for components like diodes and transistors that are often subjected to reverse voltage during operation. Exceeding the maximum reverse voltage can lead to the component failing or getting damaged. Designers need to consider this parameter when selecting components to ensure the reliability and longevity of their circuits.
400V - Current - Average Rectified (Io)
The parameter "Current - Average Rectified (Io)" in electronic components refers to the average value of the rectified current flowing through the component. This parameter is important in determining the average power dissipation and thermal considerations of the component. It is typically specified in datasheets for diodes, rectifiers, and other components that handle alternating current (AC) and convert it to direct current (DC). Understanding the average rectified current helps in selecting the appropriate component for a given application to ensure reliable operation and prevent overheating.
1A - RoHS Status
RoHS means “Restriction of Certain Hazardous Substances” in the “Hazardous Substances Directive” in electrical and electronic equipment.
Non-RoHS Compliant
DL4004 Layout
The following is the Suggested Solder Pad Layout of DL4004.

Suggested Solder Pad Layout
DL4004 Alternatives
| Part Number | Description | Manufacturer |
| EGL41ADIODES | Rectifier Diode, 1 Element, 1A, 50V V(RRM), Silicon, DO-213AB, DO-213AB, 2 PIN | International Semiconductor Inc |
| GL41B-E3/97DIODES | 100V 1A 2PIN DO-213AB - Tape and Reel | Vishay Semiconductors |
| MLL4004DIODES | RECTIFIER DIODE,400V V(RRM),DO-213AB | Freescale Semiconductor |
| BYM10-400DIODES | Rectifier Diode, 1 Element, 1A, 400V V(RRM), Silicon, DO-213AB, | General Instrument Corp |
| SM4004-T/RDIODES | Rectifier Diode, 1 Element, 1A, Silicon, | Frontier Electronics Co Ltd |
| SM4002RF AND MICROWAVE | 10 MHz - 500 MHz RF/MICROWAVE WIDE BAND LOW POWER AMPLIFIER, TO-8, 4 PIN | Spectrum Microwave |
DL4004 Package
The following shows the Package of DL4004.

Package
DL4004 Manufacturer
Micro Commercial Components Corporation (MCC), headquartered in Simi Valley, California, and with manufacturing facilities in Asia, was founded in 1991 as a maker of high-quality discrete semiconductors.
Micro Commercial Company is a vertically integrated company that has its own wafer production and encapsulation facilities. Their product line is designed to provide competitive pricing and best-in-class quality while also reducing production lead times and guaranteeing on-time delivery. Diodes, transistors, IGBTs, MOSFETs, voltage regulators/references, and protective devices, as well as six discrete semiconductor types, are all part of their comprehensive range (TVS, ESD).
Datasheet PDF
- Datasheets :
- PCN Obsolescence/ EOL :
What does Glass Passivated mean?
Glass Passivated glass is passivated, not passivated glass. Glass passivation is an electronic production process used in semiconductor rectifier packaging, etc. to improve product reliability and performance.
Is a schottky diode the same as a schottky rectifier?
Except for the model, there is generally no difference in appearance. You can measure the forward voltage drop to make the difference. Directly use a digital multimeter to measure (small current) ordinary diodes above 0.5V, Schottky diodes below 0.3V, and ordinary diodes at 0.8 V for high current. About V, the Schottky diode is below 0.5V; SR350 means 3A50V. Another Schottky diode withstands voltage is generally below 100V, no more than 150V. The biggest feature of Schottky diodes is that the forward voltage drop VF is relatively small. In the case of the same current, its forward voltage drop is much smaller. Plus it has a short recovery time. It also has some disadvantages: the withstand voltage is relatively low, and the leakage current is slightly larger.
Everything You Need to Know About TL494 Current-Mode PWM Controller19 April 202211139
An Overview of the 5962-8776303LX Digital to Analog Converter (DAC)06 March 202498
BC547 NPN Transistor: Pinout, Datasheet, and Circuit28 July 202130718
TBD62083AFG:Gate Driver ,Datasheet, Pinout, and Package04 March 20222071
CY8C24794 PSoC™ Microcontroller: In-Depth Technical Analysis29 February 202497
The LM2596S-5.0 Voltage Regulator: Pinout, Datasheet, Equivalent29 July 202120270
CD4511 Seven Segment Driver: Pinout, Equivalent and Truth Table08 September 202111297
CN3065 Mini Solar Charger Module: How to use the CN3065?16 May 20255795
Near Field Communication (NFC) Explained: Working and Applications24 May 202113253
Application Specific Trade-offs for WBG SIC, GaN and High End SI Power Switch Technologies22 November 20221499
Foxconn Announces Investment of $9 Billion to Build a Chip Factory in Saudi Arabia15 March 20226820
The Era of UFS 4.0, Announced?06 May 20226645
The Impact of SMPS on LED Lighting and Diverse Industries05 June 20252219
Classification and Working Principle of Ballast Resistor18 November 20207107
What is an Integrated Circuit (ICs) and Why Integrated Circuit is shortage?23 September 20217292
Domestic Induction Solution using SSR-Based Power Semiconductor Devices11 September 20233718
Micro Commercial Co
In Stock
United States
China
Canada
Japan
Russia
Germany
United Kingdom
Singapore
Italy
Hong Kong(China)
Taiwan(China)
France
Korea
Mexico
Netherlands
Malaysia
Austria
Spain
Switzerland
Poland
Thailand
Vietnam
India
United Arab Emirates
Afghanistan
Åland Islands
Albania
Algeria
American Samoa
Andorra
Angola
Anguilla
Antigua & Barbuda
Argentina
Armenia
Aruba
Australia
Azerbaijan
Bahamas
Bahrain
Bangladesh
Barbados
Belarus
Belgium
Belize
Benin
Bermuda
Bhutan
Bolivia
Bonaire, Sint Eustatius and Saba
Bosnia & Herzegovina
Botswana
Brazil
British Indian Ocean Territory
British Virgin Islands
Brunei
Bulgaria
Burkina Faso
Burundi
Cabo Verde
Cambodia
Cameroon
Cayman Islands
Central African Republic
Chad
Chile
Christmas Island
Cocos (Keeling) Islands
Colombia
Comoros
Congo
Congo (DRC)
Cook Islands
Costa Rica
Côte d’Ivoire
Croatia
Cuba
Curaçao
Cyprus
Czechia
Denmark
Djibouti
Dominica
Dominican Republic
Ecuador
Egypt
El Salvador
Equatorial Guinea
Eritrea
Estonia
Eswatini
Ethiopia
Falkland Islands
Faroe Islands
Fiji
Finland
French Guiana
French Polynesia
Gabon
Gambia
Georgia
Ghana
Gibraltar
Greece
Greenland
Grenada
Guadeloupe
Guam
Guatemala
Guernsey
Guinea
Guinea-Bissau
Guyana
Haiti
Honduras
Hungary
Iceland
Indonesia
Iran
Iraq
Ireland
Isle of Man
Israel
Jamaica
Jersey
Jordan
Kazakhstan
Kenya
Kiribati
Kosovo
Kuwait
Kyrgyzstan
Laos
Latvia
Lebanon
Lesotho
Liberia
Libya
Liechtenstein
Lithuania
Luxembourg
Macao(China)
Madagascar
Malawi
Maldives
Mali
Malta
Marshall Islands
Martinique
Mauritania
Mauritius
Mayotte
Micronesia
Moldova
Monaco
Mongolia
Montenegro
Montserrat
Morocco
Mozambique
Myanmar
Namibia
Nauru
Nepal
New Caledonia
New Zealand
Nicaragua
Niger
Nigeria
Niue
Norfolk Island
North Korea
North Macedonia
Northern Mariana Islands
Norway
Oman
Pakistan
Palau
Palestinian Authority
Panama
Papua New Guinea
Paraguay
Peru
Philippines
Pitcairn Islands
Portugal
Puerto Rico
Qatar
Réunion
Romania
Rwanda
Samoa
San Marino
São Tomé & Príncipe
Saudi Arabia
Senegal
Serbia
Seychelles
Sierra Leone
Sint Maarten
Slovakia
Slovenia
Solomon Islands
Somalia
South Africa
South Sudan
Sri Lanka
St Helena, Ascension, Tristan da Cunha
St. Barthélemy
St. Kitts & Nevis
St. Lucia
St. Martin
St. Pierre & Miquelon
St. Vincent & Grenadines
Sudan
Suriname
Svalbard & Jan Mayen
Sweden
Syria
Tajikistan
Tanzania
Timor-Leste
Togo
Tokelau
Tonga
Trinidad & Tobago
Tunisia
Turkey
Turkmenistan
Turks & Caicos Islands
Tuvalu
U.S. Outlying Islands
U.S. Virgin Islands
Uganda
Ukraine
Uruguay
Uzbekistan
Vanuatu
Vatican City
Venezuela
Wallis & Futuna
Yemen
Zambia
Zimbabwe


Product
Brand
Articles
Tools









