FN2000121 Oscillator: Datasheet, Test Circuit, Application
OSCILLATOR XO 20.000MHZ CMOS SMD
The FN2000121 is from the FN Series 3.3V crystal clock oscillator. This article will unlock more details about FN2000121.
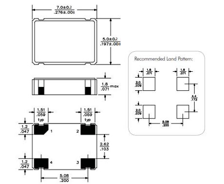
FN2000121 Pinout

Pinout
| Pin | Function |
| 1 | OE Function |
| 2 | Ground |
| 3 | Clock Output |
| 4 | VDD |
Pin Description
FN2000121 Description
The FN2000121 is from the FN Series 3.3V crystal clock oscillator. It achieves superb jitter and stability over a broad range of operating conditions and frequencies. The output clock signal, generated internally with a non-PLL oscillator design, is compatible with LVCMOS/LVTTL logic levels. The device, available on tape and reel, is contained in a 7.0 x 5.0mm surface-mount ceramic package.
Specifications
- TypeParameter
- Factory Lead Time15 Weeks
- Mount
In electronic components, the term "Mount" typically refers to the method or process of physically attaching or fixing a component onto a circuit board or other electronic device. This can involve soldering, adhesive bonding, or other techniques to secure the component in place. The mounting process is crucial for ensuring proper electrical connections and mechanical stability within the electronic system. Different components may have specific mounting requirements based on their size, shape, and function, and manufacturers provide guidelines for proper mounting procedures to ensure optimal performance and reliability of the electronic device.
Surface Mount - Mounting Type
The "Mounting Type" in electronic components refers to the method used to attach or connect a component to a circuit board or other substrate, such as through-hole, surface-mount, or panel mount.
Surface Mount - Package / Case
refers to the protective housing that encases an electronic component, providing mechanical support, electrical connections, and thermal management.
4-SMD, No Lead - Operating Temperature
The operating temperature is the range of ambient temperature within which a power supply, or any other electrical equipment, operate in. This ranges from a minimum operating temperature, to a peak or maximum operating temperature, outside which, the power supply may fail.
-20°C~70°C - Packaging
Semiconductor package is a carrier / shell used to contain and cover one or more semiconductor components or integrated circuits. The material of the shell can be metal, plastic, glass or ceramic.
Bulk - Series
In electronic components, the "Series" refers to a group of products that share similar characteristics, designs, or functionalities, often produced by the same manufacturer. These components within a series typically have common specifications but may vary in terms of voltage, power, or packaging to meet different application needs. The series name helps identify and differentiate between various product lines within a manufacturer's catalog.
SaRonix-eCera™ FN - Size / Dimension
In electronic components, the parameter "Size / Dimension" refers to the physical dimensions of the component, such as its length, width, and height. These dimensions are crucial for determining how the component will fit into a circuit or system, as well as for ensuring compatibility with other components and the overall design requirements. The size of a component can also impact its performance characteristics, thermal properties, and overall functionality within a given application. Engineers and designers must carefully consider the size and dimensions of electronic components to ensure proper integration and functionality within their designs.
0.276Lx0.197W 7.00mmx5.00mm - Pbfree Code
The "Pbfree Code" parameter in electronic components refers to the code or marking used to indicate that the component is lead-free. Lead (Pb) is a toxic substance that has been widely used in electronic components for many years, but due to environmental concerns, there has been a shift towards lead-free alternatives. The Pbfree Code helps manufacturers and users easily identify components that do not contain lead, ensuring compliance with regulations and promoting environmentally friendly practices. It is important to pay attention to the Pbfree Code when selecting electronic components to ensure they meet the necessary requirements for lead-free applications.
yes - Part Status
Parts can have many statuses as they progress through the configuration, analysis, review, and approval stages.
Active - Moisture Sensitivity Level (MSL)
Moisture Sensitivity Level (MSL) is a standardized rating that indicates the susceptibility of electronic components, particularly semiconductors, to moisture-induced damage during storage and the soldering process, defining the allowable exposure time to ambient conditions before they require special handling or baking to prevent failures
1 (Unlimited) - TypeXO (Standard)
- Voltage - Supply
Voltage - Supply refers to the range of voltage levels that an electronic component or circuit is designed to operate with. It indicates the minimum and maximum supply voltage that can be applied for the device to function properly. Providing supply voltages outside this range can lead to malfunction, damage, or reduced performance. This parameter is critical for ensuring compatibility between different components in a circuit.
3.3V - Supply Voltage
Supply voltage refers to the electrical potential difference provided to an electronic component or circuit. It is crucial for the proper operation of devices, as it powers their functions and determines performance characteristics. The supply voltage must be within specified limits to ensure reliability and prevent damage to components. Different electronic devices have specific supply voltage requirements, which can vary widely depending on their design and intended application.
3.3V - Frequency
In electronic components, the parameter "Frequency" refers to the rate at which a signal oscillates or cycles within a given period of time. It is typically measured in Hertz (Hz) and represents how many times a signal completes a full cycle in one second. Frequency is a crucial aspect in electronic components as it determines the behavior and performance of various devices such as oscillators, filters, and communication systems. Understanding the frequency characteristics of components is essential for designing and analyzing electronic circuits to ensure proper functionality and compatibility with other components in a system.
20MHz - Frequency Stability
the variation of output frequency of a crystal oscillator due to external conditions like temperature variation, voltage variation, output load variation, and frequency aging.
±50ppm - Output
In electronic components, the parameter "Output" typically refers to the signal or data that is produced by the component and sent to another part of the circuit or system. The output can be in the form of voltage, current, frequency, or any other measurable quantity depending on the specific component. The output of a component is often crucial in determining its functionality and how it interacts with other components in the circuit. Understanding the output characteristics of electronic components is essential for designing and troubleshooting electronic circuits effectively.
CMOS - Function
The parameter "Function" in electronic components refers to the specific role or purpose that the component serves within an electronic circuit. It defines how the component interacts with other elements, influences the flow of electrical signals, and contributes to the overall behavior of the system. Functions can include amplification, signal processing, switching, filtering, and energy storage, among others. Understanding the function of each component is essential for designing effective and efficient electronic systems.
Enable/Disable - Base Resonator
Base resonator is a component used in electronic circuits to establish a specific resonant frequency. It typically consists of a combination of inductors and capacitors that create a resonant LC circuit. The primary function of a base resonator is to filter signals, allowing certain frequencies to pass while attenuating others. This makes it essential in applications like radio transmitters and receivers where precise frequency selection is critical.
Crystal - Physical Dimension
The parameter "Physical Dimension" in electronic components refers to the measurable size and shape characteristics of a component. This includes dimensions such as length, width, height, and diameter, which are critical for ensuring proper fit and integration into electronic circuits and systems. Physical dimensions also influence the component's performance, thermal management, and overall reliability in application environments. Understanding these dimensions is essential for designers to maintain compatibility with circuit boards and reduce issues related to space constraints.
7.0mm x 5.0mm x 1.8mm - Operating Frequency
Operating frequency is the frequency at which the communications are being made with the total bandwidth occupied by the carrier signal with modulation. Usually bandwidth of the antenna will be wider than the bandwidth of the signal so that more than one center frequency the antenna can be put in to effective use.
20MHz - Rise Time-Max
Rise Time-Max is a parameter used in electronic components to indicate the maximum time it takes for a signal to transition from a low state to a high state. It is typically measured from 10% to 90% of the output voltage swing. This parameter is crucial for assessing the speed and performance of circuits, particularly in digital signal applications where fast switching times are essential. A shorter rise time generally signifies better performance and faster response in electronic devices.
7ns - Fall Time-Max
Fall Time-Max is a parameter used to describe the time it takes for a signal to transition from a high level to a low level in electronic components such as transistors, diodes, and integrated circuits. It is typically measured in nanoseconds or microseconds and is an important characteristic that affects the overall performance of the component. A shorter fall time indicates faster switching speeds and can be crucial in applications where high-speed signal processing is required. Designers often consider the fall time-max specification when selecting components for circuits that require precise timing and fast response times.
7ns - Current - Supply (Disable) (Max)
The parameter "Current - Supply (Disable) (Max)" refers to the maximum current that an electronic component will draw from the supply when it is in a disabled or inactive state. This parameter is critical for power management, as it helps designers understand the power consumption of the component when it is not performing its primary function. Lower values for this parameter are generally preferred in battery-powered or energy-sensitive applications to minimize power waste.
10μA - Max Supply Current
Max Supply Current refers to the maximum amount of electrical current that a component can draw from its power supply under normal operating conditions. It is a critical parameter that ensures the component operates reliably without exceeding its thermal limits or damaging internal circuitry. Exceeding this current can lead to overheating, performance degradation, or failure of the component. Understanding this parameter is essential for designing circuits that provide adequate power while avoiding overload situations.
15mA - Height1.8034mm
- Height Seated (Max)
Height Seated (Max) is a parameter in electronic components that refers to the maximum allowable height of the component when it is properly seated or installed on a circuit board or within an enclosure. This specification is crucial for ensuring proper fit and alignment within the overall system design. Exceeding the maximum seated height can lead to mechanical interference, electrical shorts, or other issues that may impact the performance and reliability of the electronic device. Manufacturers provide this information to help designers and engineers select components that will fit within the designated space and function correctly in the intended application.
0.071 1.80mm - RoHS Status
RoHS means “Restriction of Certain Hazardous Substances” in the “Hazardous Substances Directive” in electrical and electronic equipment.
RoHS Compliant
Parts with Similar Specs"
FN2000121 Features
• 1 to 166 MHz Frequency Range
•<1 ps RMS jitter
•3.3V CMOS/TTL compatible logic levels
•Pin-compatible with standard 7.0 x 5.0mm packages
•Designed for standard reflow and washing techniques
•Low power standby mode
•Pb-free and RoHS/Green compliant
FN2000121 Application
Ideal for low jitter or tight stability applications:
• Ethernet
• Fibre Channel
• SONET/SDH line cards
• T1/E1, T3/E3 line cards
• Serial Attached SCSI (SAS)
• Server & Storage platforms
• 802.11a/b/g WiFi
• EPON
• DSLAM
FN2000121 Test Circuit

FN2000121 Test Circuit
FN2000121 Package

FN2000121 Package
FN2000121 Manufacturer
Diodes Incorporated is devoted to being the leading provider for large-volume and high-growing markets. With cutting-edge products of package technology, analogue, discrete and mixed-signal products, Diodes Incorporated is capable to provide high-quality semiconductor products to meet the customers’ needs from walks of communications, computing, consumer electronics, automotive and industrial markets. Their product lines cover a wide range of application solutions together with 25 operations around the world which serve with the examination, engineering, manufacturing and customer service.
Datasheet PDF
- PCN Packaging :
- Datasheets :
What is FN2000121?
The FN2000121 is FN Series 3.3V crystal clock oscillator. It achieves superb jitter and stability over a broad range of operating conditions and frequencies. The output clock signal, generated internally with a non-PLL oscillator design, is compatible with LVCMOS/LVTTL logic levels. The device, available on tape and reel, is contained in a 7.0 x 5.0mm surface-mount ceramic package.
What is the FN2000121 designed for?
It is designed for standard reflow and washing techniques.
What package does the FN2000121 come?
It comes with a 7.0 x 5.0mm Ceramic SMD package.
LM7806 Regulator: Pinout, Advantage and Datasheet28 August 20216616
L297 Stepper Motor Driver Controller: Datasheet, L297 and L29823 November 20217346
NodeMCU ESP8266[Video+FAQ]: ESP32 vs ESP826604 May 20224523
TCA9548ARGER I2C Switch: Diagram, Pinout, and Datasheet23 March 20224339
SS54 DIODE SCHOTTKY 5A 40V SMA[Video+FAQ]23 April 20228607
Unveiling the Freescale MC9S08JM16 Microcontroller: Features, Configuration, and Package Migration29 February 2024249
A1454 Linear Sensor: Datasheet, Typical Application Circuit, Advantage08 September 2021466
5SGXMA3K2F40I3N Integrated Circuit: Features, Specification, Datasheet17 April 2025629
Understanding the Low Noise Amplifier (LNA)20 March 202518515
Basic Introduction to the Types of Capacitors16 October 20259312
PWM vs MPPT Solar Charge Controllers: A Complete Comparison Guide06 June 20252725
How Many do You Know About the 12 Components Included in the Circuit Board?12 February 20226495
Introduction to Silicon Controlled Rectifier25 September 20207031
How to Understand the Oscilloscope Bandwidth?13 December 20218604
Design and Implementation of High Frequency Inverter for Printer Based on IR211013 April 20227807
What is Field Programmable Gate Array?29 September 20203497
Diodes Incorporated
In Stock
United States
China
Canada
Japan
Russia
Germany
United Kingdom
Singapore
Italy
Hong Kong(China)
Taiwan(China)
France
Korea
Mexico
Netherlands
Malaysia
Austria
Spain
Switzerland
Poland
Thailand
Vietnam
India
United Arab Emirates
Afghanistan
Åland Islands
Albania
Algeria
American Samoa
Andorra
Angola
Anguilla
Antigua & Barbuda
Argentina
Armenia
Aruba
Australia
Azerbaijan
Bahamas
Bahrain
Bangladesh
Barbados
Belarus
Belgium
Belize
Benin
Bermuda
Bhutan
Bolivia
Bonaire, Sint Eustatius and Saba
Bosnia & Herzegovina
Botswana
Brazil
British Indian Ocean Territory
British Virgin Islands
Brunei
Bulgaria
Burkina Faso
Burundi
Cabo Verde
Cambodia
Cameroon
Cayman Islands
Central African Republic
Chad
Chile
Christmas Island
Cocos (Keeling) Islands
Colombia
Comoros
Congo
Congo (DRC)
Cook Islands
Costa Rica
Côte d’Ivoire
Croatia
Cuba
Curaçao
Cyprus
Czechia
Denmark
Djibouti
Dominica
Dominican Republic
Ecuador
Egypt
El Salvador
Equatorial Guinea
Eritrea
Estonia
Eswatini
Ethiopia
Falkland Islands
Faroe Islands
Fiji
Finland
French Guiana
French Polynesia
Gabon
Gambia
Georgia
Ghana
Gibraltar
Greece
Greenland
Grenada
Guadeloupe
Guam
Guatemala
Guernsey
Guinea
Guinea-Bissau
Guyana
Haiti
Honduras
Hungary
Iceland
Indonesia
Iran
Iraq
Ireland
Isle of Man
Israel
Jamaica
Jersey
Jordan
Kazakhstan
Kenya
Kiribati
Kosovo
Kuwait
Kyrgyzstan
Laos
Latvia
Lebanon
Lesotho
Liberia
Libya
Liechtenstein
Lithuania
Luxembourg
Macao(China)
Madagascar
Malawi
Maldives
Mali
Malta
Marshall Islands
Martinique
Mauritania
Mauritius
Mayotte
Micronesia
Moldova
Monaco
Mongolia
Montenegro
Montserrat
Morocco
Mozambique
Myanmar
Namibia
Nauru
Nepal
New Caledonia
New Zealand
Nicaragua
Niger
Nigeria
Niue
Norfolk Island
North Korea
North Macedonia
Northern Mariana Islands
Norway
Oman
Pakistan
Palau
Palestinian Authority
Panama
Papua New Guinea
Paraguay
Peru
Philippines
Pitcairn Islands
Portugal
Puerto Rico
Qatar
Réunion
Romania
Rwanda
Samoa
San Marino
São Tomé & Príncipe
Saudi Arabia
Senegal
Serbia
Seychelles
Sierra Leone
Sint Maarten
Slovakia
Slovenia
Solomon Islands
Somalia
South Africa
South Sudan
Sri Lanka
St Helena, Ascension, Tristan da Cunha
St. Barthélemy
St. Kitts & Nevis
St. Lucia
St. Martin
St. Pierre & Miquelon
St. Vincent & Grenadines
Sudan
Suriname
Svalbard & Jan Mayen
Sweden
Syria
Tajikistan
Tanzania
Timor-Leste
Togo
Tokelau
Tonga
Trinidad & Tobago
Tunisia
Turkey
Turkmenistan
Turks & Caicos Islands
Tuvalu
U.S. Outlying Islands
U.S. Virgin Islands
Uganda
Ukraine
Uruguay
Uzbekistan
Vanuatu
Vatican City
Venezuela
Wallis & Futuna
Yemen
Zambia
Zimbabwe














