INA226: Detailed Datasheet, Pinout, Specifications, and Alternatives Guide
10 Terminations 3.3V 10 Pin INA226 Current regulator Automotive, AEC-Q100 Series -40°C~125°C Min 2.7V Max 5.5V









10 Terminations 3.3V 10 Pin INA226 Current regulator Automotive, AEC-Q100 Series -40°C~125°C Min 2.7V Max 5.5V
Master your power design with the INA226 current monitor. Explore pinouts, technical specs, datasheet details, and reliable alternatives for precision sensing.
- Executive Summary: What is the INA226?
- 1. Technical Specifications & Performance Analysis
- 2. Pinout, Package, and Configuration
- 3. Design & Integration Guide (For Engineers & Makers)
- 4. Typical Applications & Use Cases
- 5. Alternatives and Cross-Reference Guide
- 6. Frequently Asked Questions (FAQ)
- 7. Datasheets & Resources
- Specifications
- Parts with Similar Specs
- Datasheet PDF
Executive Summary: What is the INA226?
The INA226 is a high-precision, bi-directional current and power monitor IC designed by Texas Instruments to measures internal shunt voltage and bus supply voltage via an I2C or SMBus-compatible interface. By reporting current, voltage, and power with exceptional accuracy, it serves as a critical telemetry component in modern power management systems. - Market Position: High-performance yet cost-effective solution, replacing legacy monitors like the INA219 in designs requiring higher precision (16-bit resolution class).
Top Features:
Wide Common-Mode Range: Senses bus voltages from 0 V to 36 V independent of supply voltage.
Precision: Maximum offset voltage of just 10 µV and 0.1% max gain error.
Flexibility: Supports 16 programmable addresses to avoid I2C conflicts.
Primary Audience: Ideal for IoT designers, battery management system (BMS) engineers, and advanced hobbyists using Arduino or STM32 platforms.
Supply Status: Active. Widely available in distribution (check "Market Signals" for stock trends).

INA226 product photo
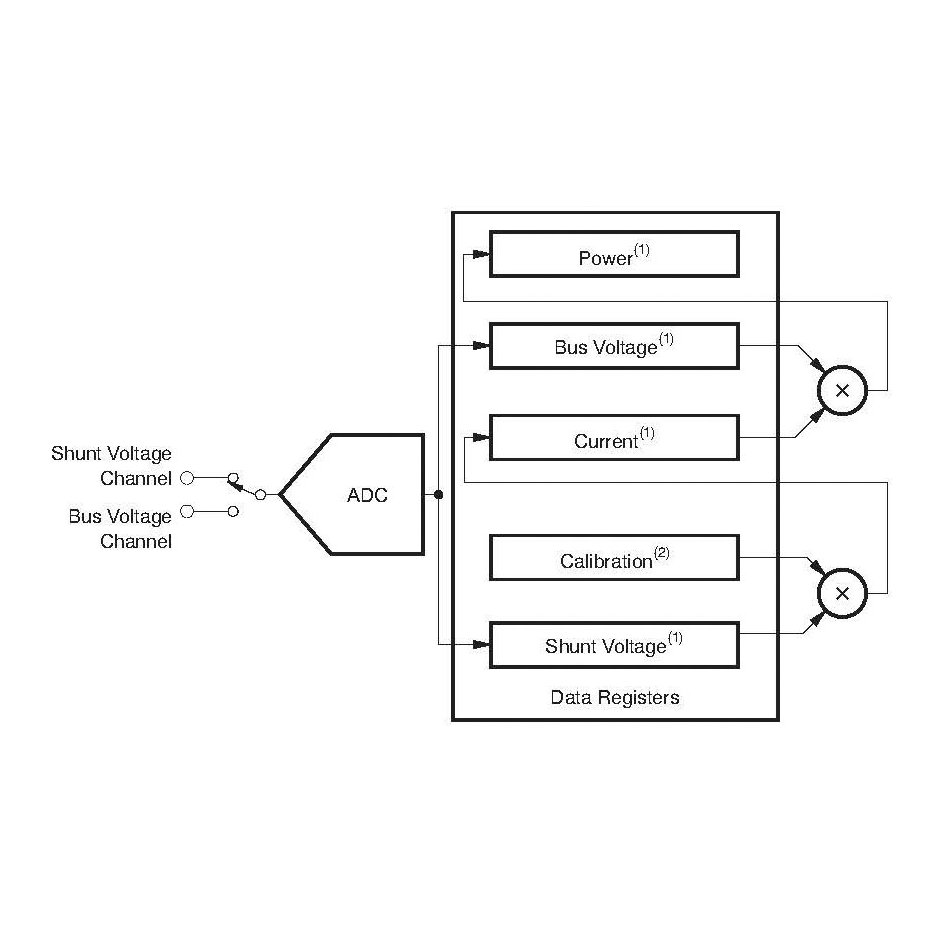
1. Technical Specifications & Performance Analysis
1.1 Core Architecture (CPU/Logic/Power)
The INA226 operates as a highly integrated sensing solution. Instead of requiring external ADCs and complex analog front ends, it combines a precision programmable gain amplifier with an analog-to-digital converter core. It performs math on-board to calculate power, offloading processing overhead from the main microcontroller. This architecture ensures that data transmitted over I2C is ready-to-use, minimizing firmware complexity for basic voltage and current readings.
1.2 Key Electrical Characteristics
Engineers must adhere to these operating limits to ensure reliability and accuracy.
Bus Voltage Input: 0 V to 36 V (Versatile for 12V, 24V, and low-voltage systems).
Supply Voltage (VCC): 2.7 V to 5.5 V (Compatible with 3.3V and 5V logic).
Accuracy Metrics:
Offset Voltage: 10 µV (Max). This low offset allows for the use of smaller shunt resistors, effectively reducing power dissipation.
Gain Error: 0.1% (Max). Ensures consistent readings across the temperature range.
Input Range: Maximized for a full-scale input range of 81.92 mV across the shunt.
1.3 Interfaces and Connectivity
The device communicates via I2C / SMBus, supporting speeds suitable for rapid polling. A key feature is the Alert pin, which can be programmed to trigger based on specific voltage, current, or power thresholds, acting as a hardware interrupt for safety-critical monitoring.

INA226 functional block diagram
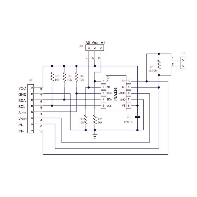
2. Pinout, Package, and Configuration
2.1 Pin Configuration Guide

INA226 pinout diagram
The INA226 connects efficiently with minimal external components. - IN+ / IN-: Differential inputs for the external shunt resistor. High-side or low-side connection. - VBUS: Connects to the bus voltage being monitored (0-36V).
VCC/GND: Device power supply (2.7-5.5V).
SDA/SCL: Standard I2C data and clock lines.
ALERT: Programmable alarm output (Active Low).
A0/A1: Address selection pins. Tie to GND, VCC, SDA, or SCL to configure up to 16 unique addresses.
2.2 Naming Convention & Ordering Codes
Understanding the Part Numbers:Procurement managers should note that the suffix typically denotes the packaging reel size, not silicon differences. - AIDGSR: Large Tape & Reel (Production volume).
AIDGKT: Mini-Reel (Prototyping or small runs).
DGK: Indicates the VSSOP package code.
2.3 Available Packages
| Package Type | Dimensions | Common Use Case |
|---|---|---|
| VSSOP-10 | Small form factor (Micro-sized) | Space-constrained IoT devices, Server blades |
Note: The VSSOP-10 pitch is fine (0.5mm), making it challenging for hand-soldering. Stencil and reflow are recommended for assembly.
3. Design & Integration Guide (For Engineers & Makers)
Pro Tip: When migrating from INA219 to INA226, remember that the registers differ. Libraries are not drop-in compatible without code changes.
3.1 Hardware Implementation
Shunt Resistor Selection: Choose a resistor value such that the maximum expected current generates a voltage drop close to, but not exceeding, 81.92 mV. This maximizes the resolution of the internal ADC.
Kelvin Connection: To maintain the 0.1% gain error accuracy, route the IN+ and IN- traces directly from the inner pads of the shunt resistor.
Bypass Capacitors: Place a 0.1 µF ceramic capacitor close to the VCC pin to filter noise.
3.2 Common Design Challenges
According to engineering forums and application notes, here are frequent issues and their fixes:
Calibration Register Complexity
Issue: Calculating the
CALregister value manually is error-prone.Fix: Use TI’s provided calculator tools or spreadsheet. The calculation depends strictly on your Shunt Resistance and Maximum Expected Current (LSB selection).
Measurement Spikes and Noise
Issue: Unexpected transients in data, often due to high-switching loads.
Fix: Implement an RC filter on input pins (10Ω resistors + 0.1µF cap) or increase the Averaging Mode setting in the configuration register to smooth out data.
Inaccuracy at Low Shunt Voltages
Issue: Poor data quality when current is very low, nearing the offset floor.
Fix: Ensure the shunt resistor is sized correctly. If you anticipate very low currents, a larger shunt resistance improves voltage drop magnitude, lifting the signal above the noise floor.
4. Typical Applications & Use Cases
📺 Video Recommendation: INA226 Guide
4.1 Real-World Example: Solar Battery Charger
In a solar charging setup, the INA226 monitors the charging current going into a Li-Ion battery pack. - Role: Measures the current flow to terminate charging accurately and calculates total power delivered (Wh).
Advantage: Its high-side sensing capability allows it to sit on the positive rail (up to 36V), leaving the ground path uninterrupted for the rest of the circuit.
Config: Program the ALERT pin to trigger if voltage exceeds safe charging limits, protecting the battery.

INA226 application circuit schematic
5. Alternatives and Cross-Reference Guide
When the INA226 is out of stock or over-spec for a simple application, consider these alternatives. - Direct Competitors: - INA219 (TI): The predecessor. Lower precision (12-bit), max 26V bus. Useful for simpler, lower-cost hobby projects. - INA233 (TI): Similar to INA226 but adds an energy accumulator. Useful if you need the chip to calculate energy (Joules) over time directly in hardware. - Industry Equivalents: - PAC1934 (Microchip): Multi-channel power monitor (suitable if you need to monitor 4 rails simultaneously).
LTC2945 (Analog Devices): Wide range monitor, often supports higher voltages (up to 80V), suitable for industrial 48V systems where INA226 (36V limit) cannot go.
Cost-Effective Options:
For non-critical applications, Generic CJMCU-226 modules are widely available for hobbyist prototyping, though component sourcing provenance may vary.
6. Frequently Asked Questions (FAQ)
Q: What is the main difference between INA226 and INA219? The INA226 is significantly more precise (16-bit vs 12-bit approx architecture) and has a lower offset voltage (10 µV vs 100 µV in INA219). The INA226 also supports up to 36V, whereas INA219 stops at 26V.
Q: Can INA226 be used in Automotive applications? Standard versions are for industrial/consumer. Look for "Q1" suffixed parts (e.g., INA226-Q1) for automotive-grade reliability and compliance.
Q: How do I program the INA226 with Arduino? Several open-source libraries exist (search for "INA226 Arduino Library"). You simply connect VCC, GND, SDA, and SCL, then initialize the calibration register in your
setup()code.Q: Is the INA226 suitable for battery-operated devices? Yes, with a low supply current and operation down to 2.7V, it is excellent for battery-powered monitors.
Q: Where can I find the datasheet and library files for INA226? The official datasheet is available on the Texas Instruments website. Libraries are hosted on GitHub and platform-specific package managers (Arduino/PlatformIO).
7. Datasheets & Resources
Official Datasheet: Texas Instruments INA226 (Verify specific URL via search)
Development Tools & Software: TI Sensing / Calibration Calculators
Specifications
Parts with Similar Specs
- ImagePart NumberManufacturerPackage / CaseNumber of PinsMin Supply VoltageSupply VoltageMax Supply VoltageWidthLengthView Compare
INA226AQDGSRQ1
10-TFSOP, 10-MSOP (0.118, 3.00mm Width)
10
2.7 V
3.3 V
5.5 V
3 mm
3 mm
10-TFSOP, 10-MSOP (0.118, 3.00mm Width)
10
2.7 V
3.3 V
5.5 V
3 mm
3 mm
10-TFSOP, 10-MSOP (0.118, 3.00mm Width)
10
2.7 V
3 V
5.5 V
3 mm
3 mm
10-TFSOP, 10-MSOP (0.118, 3.00mm Width)
10
2.7 V
3.3 V
5.5 V
3 mm
3 mm
Datasheet PDF
- Datasheets :
DG413DY Monolithic Quad Analog Switches: Pinout, Equivalent and Datasheet06 January 20222328
SS34 Diode : Replacement, Price and Datasheet06 August 202117901
AMD Xilinx Kintex-7 FPGA Series: Architecture Analysis and Design Guide14 January 2026260
L7805ACV Voltage Regulator: Pinout, Applications and Datasheet21 November 20231346
FQP30N06L MOSFET: Pinout, Datasheet, and Circuit10 August 20217639
Understanding the STM32H750VBT6 Microcontroller24 July 20251041
STM32F429ZIT6 for Industrial Automation: Complete Guide 202524 July 2025225
MT3608 2A Step up Converter: Datasheet, Schematics and Circuit18 October 202115795
What's the Difference Between Operational Amplifier and Comparator?01 April 20225848
An Overview of Development Board18 December 202514410
A Guide to the Best AG13 Battery Substitutes27 May 20251681
Hydrogen Fuel Cell: Features, Working and Applications21 June 20216213
Introduction to the Types of SDRAM13 July 202113155
Electronic components distributor UTMEL Stands Out at electronica china 202409 July 20244448
Power of Dual and Isomorphic Principles in Power Electronics24 July 20232858
Working Principle and Application of Infrared Sensors27 October 202516050
Texas Instruments
In Stock: 1502
United States
China
Canada
Japan
Russia
Germany
United Kingdom
Singapore
Italy
Hong Kong(China)
Taiwan(China)
France
Korea
Mexico
Netherlands
Malaysia
Austria
Spain
Switzerland
Poland
Thailand
Vietnam
India
United Arab Emirates
Afghanistan
Åland Islands
Albania
Algeria
American Samoa
Andorra
Angola
Anguilla
Antigua & Barbuda
Argentina
Armenia
Aruba
Australia
Azerbaijan
Bahamas
Bahrain
Bangladesh
Barbados
Belarus
Belgium
Belize
Benin
Bermuda
Bhutan
Bolivia
Bonaire, Sint Eustatius and Saba
Bosnia & Herzegovina
Botswana
Brazil
British Indian Ocean Territory
British Virgin Islands
Brunei
Bulgaria
Burkina Faso
Burundi
Cabo Verde
Cambodia
Cameroon
Cayman Islands
Central African Republic
Chad
Chile
Christmas Island
Cocos (Keeling) Islands
Colombia
Comoros
Congo
Congo (DRC)
Cook Islands
Costa Rica
Côte d’Ivoire
Croatia
Cuba
Curaçao
Cyprus
Czechia
Denmark
Djibouti
Dominica
Dominican Republic
Ecuador
Egypt
El Salvador
Equatorial Guinea
Eritrea
Estonia
Eswatini
Ethiopia
Falkland Islands
Faroe Islands
Fiji
Finland
French Guiana
French Polynesia
Gabon
Gambia
Georgia
Ghana
Gibraltar
Greece
Greenland
Grenada
Guadeloupe
Guam
Guatemala
Guernsey
Guinea
Guinea-Bissau
Guyana
Haiti
Honduras
Hungary
Iceland
Indonesia
Iran
Iraq
Ireland
Isle of Man
Israel
Jamaica
Jersey
Jordan
Kazakhstan
Kenya
Kiribati
Kosovo
Kuwait
Kyrgyzstan
Laos
Latvia
Lebanon
Lesotho
Liberia
Libya
Liechtenstein
Lithuania
Luxembourg
Macao(China)
Madagascar
Malawi
Maldives
Mali
Malta
Marshall Islands
Martinique
Mauritania
Mauritius
Mayotte
Micronesia
Moldova
Monaco
Mongolia
Montenegro
Montserrat
Morocco
Mozambique
Myanmar
Namibia
Nauru
Nepal
New Caledonia
New Zealand
Nicaragua
Niger
Nigeria
Niue
Norfolk Island
North Korea
North Macedonia
Northern Mariana Islands
Norway
Oman
Pakistan
Palau
Palestinian Authority
Panama
Papua New Guinea
Paraguay
Peru
Philippines
Pitcairn Islands
Portugal
Puerto Rico
Qatar
Réunion
Romania
Rwanda
Samoa
San Marino
São Tomé & Príncipe
Saudi Arabia
Senegal
Serbia
Seychelles
Sierra Leone
Sint Maarten
Slovakia
Slovenia
Solomon Islands
Somalia
South Africa
South Sudan
Sri Lanka
St Helena, Ascension, Tristan da Cunha
St. Barthélemy
St. Kitts & Nevis
St. Lucia
St. Martin
St. Pierre & Miquelon
St. Vincent & Grenadines
Sudan
Suriname
Svalbard & Jan Mayen
Sweden
Syria
Tajikistan
Tanzania
Timor-Leste
Togo
Tokelau
Tonga
Trinidad & Tobago
Tunisia
Turkey
Turkmenistan
Turks & Caicos Islands
Tuvalu
U.S. Outlying Islands
U.S. Virgin Islands
Uganda
Ukraine
Uruguay
Uzbekistan
Vanuatu
Vatican City
Venezuela
Wallis & Futuna
Yemen
Zambia
Zimbabwe


Product
Brand
Articles
Tools






