LM317T Voltage Regulator: Pinout, CAD Model and Datasheet
Adjustable 2.54mm Tin LM317 PMIC 3 TO-220-3
LM317T Circuits is a 1.2 V to 37 V adjustable voltage regulator. This article mainly introduces pinout, Datasheet, features, and other detailed information about STMicroelectronics LM317T.

LM317 VOLTAGE REGULATOR Tutorial | How to use? | Pinout
LM317T Description
The LM317 device introduced in this blog is LM317T, which is the monolithic integrated circuit in the TO-220 package intended for use as positive adjustable voltage regulators. They are designed to supply more than 1.5 A of load current with an output voltage adjustable over a 1.2 to 37 V range. The nominal output voltage is selected by means of a resistive divider, making the device exceptionally easy to use and eliminating the stocking of many fixed regulators.
LM317T Pinout

Pin Number | Pin Name | Description |
1 | Adjust | This pin adjusts the output voltage |
2 | Output Voltage (Vout) | The regulated output voltage set by the adjusted pin can be obtained from this pin |
3 | Input Voltage (Vin) | The input voltage which has to be regulated is given to this pin |
LM317T Features
• Output voltage range: 1.2 to 37 V
• Output current in excess of 1.5 A
• 0.1% line and load regulation
• Floating operation for high voltages
• Complete series of protections: current limiting, thermal shutdown, and SOA control
Specifications
- TypeParameter
- Lifecycle Status
Lifecycle Status refers to the current stage of an electronic component in its product life cycle, indicating whether it is active, obsolete, or transitioning between these states. An active status means the component is in production and available for purchase. An obsolete status indicates that the component is no longer being manufactured or supported, and manufacturers typically provide a limited time frame for support. Understanding the lifecycle status is crucial for design engineers to ensure continuity and reliability in their projects.
ACTIVE (Last Updated: 7 months ago) - Factory Lead Time24 Weeks
- Contact Plating
Contact plating (finish) provides corrosion protection for base metals and optimizes the mechanical and electrical properties of the contact interfaces.
Tin - Mount
In electronic components, the term "Mount" typically refers to the method or process of physically attaching or fixing a component onto a circuit board or other electronic device. This can involve soldering, adhesive bonding, or other techniques to secure the component in place. The mounting process is crucial for ensuring proper electrical connections and mechanical stability within the electronic system. Different components may have specific mounting requirements based on their size, shape, and function, and manufacturers provide guidelines for proper mounting procedures to ensure optimal performance and reliability of the electronic device.
Through Hole - Mounting Type
The "Mounting Type" in electronic components refers to the method used to attach or connect a component to a circuit board or other substrate, such as through-hole, surface-mount, or panel mount.
Through Hole - Package / Case
refers to the protective housing that encases an electronic component, providing mechanical support, electrical connections, and thermal management.
TO-220-3 - Number of Pins3
- Weight2.299997g
- Manufacturer Package Identifier
The Manufacturer Package Identifier is a unique code or label assigned by the manufacturer to identify a specific package or housing style of an electronic component. This identifier helps in distinguishing between different package types of the same component, such as integrated circuits, transistors, or diodes. It typically includes information about the package dimensions, lead configuration, and other physical characteristics of the component. The Manufacturer Package Identifier is crucial for ensuring compatibility and proper assembly of electronic components in various devices and circuits.
0015988_typeA_Rev_T - Operating Temperature
The operating temperature is the range of ambient temperature within which a power supply, or any other electrical equipment, operate in. This ranges from a minimum operating temperature, to a peak or maximum operating temperature, outside which, the power supply may fail.
0°C~125°C - Packaging
Semiconductor package is a carrier / shell used to contain and cover one or more semiconductor components or integrated circuits. The material of the shell can be metal, plastic, glass or ceramic.
Tube - Tolerance
In electronic components, "tolerance" refers to the acceptable deviation or variation from the specified or ideal value of a particular parameter, such as resistance, capacitance, or voltage. It indicates the range within which the actual value of the component can fluctuate while still being considered acceptable for use in a circuit. Tolerance is typically expressed as a percentage or a specific value and is important for ensuring the accuracy and reliability of electronic devices. Components with tighter tolerances are more precise but may also be more expensive. It is crucial to consider tolerance when selecting components to ensure proper functionality and performance of the circuit.
5% - JESD-609 Code
The "JESD-609 Code" in electronic components refers to a standardized marking code that indicates the lead-free solder composition and finish of electronic components for compliance with environmental regulations.
e3 - Part Status
Parts can have many statuses as they progress through the configuration, analysis, review, and approval stages.
Active - Moisture Sensitivity Level (MSL)
Moisture Sensitivity Level (MSL) is a standardized rating that indicates the susceptibility of electronic components, particularly semiconductors, to moisture-induced damage during storage and the soldering process, defining the allowable exposure time to ambient conditions before they require special handling or baking to prevent failures
1 (Unlimited) - Number of Terminations3
- ECCN Code
An ECCN (Export Control Classification Number) is an alphanumeric code used by the U.S. Bureau of Industry and Security to identify and categorize electronic components and other dual-use items that may require an export license based on their technical characteristics and potential for military use.
EAR99 - Terminal Position
In electronic components, the term "Terminal Position" refers to the physical location of the connection points on the component where external electrical connections can be made. These connection points, known as terminals, are typically used to attach wires, leads, or other components to the main body of the electronic component. The terminal position is important for ensuring proper connectivity and functionality of the component within a circuit. It is often specified in technical datasheets or component specifications to help designers and engineers understand how to properly integrate the component into their circuit designs.
SINGLE - Number of Functions1
- Terminal Pitch
The center distance from one pole to the next.
2.54mm - Base Part Number
The "Base Part Number" (BPN) in electronic components serves a similar purpose to the "Base Product Number." It refers to the primary identifier for a component that captures the essential characteristics shared by a group of similar components. The BPN provides a fundamental way to reference a family or series of components without specifying all the variations and specific details.
LM317 - Pin Count
a count of all of the component leads (or pins)
3 - Number of Outputs1
- Voltage - Input (Max)
Voltage - Input (Max) is a parameter in electronic components that specifies the maximum voltage that can be safely applied to the input of the component without causing damage. This parameter is crucial for ensuring the proper functioning and longevity of the component. Exceeding the maximum input voltage can lead to electrical overstress, which may result in permanent damage or failure of the component. It is important to carefully adhere to the specified maximum input voltage to prevent any potential issues and maintain the reliability of the electronic system.
40V - Output Voltage
Output voltage is a crucial parameter in electronic components that refers to the voltage level produced by the component as a result of its operation. It represents the electrical potential difference between the output terminal of the component and a reference point, typically ground. The output voltage is a key factor in determining the performance and functionality of the component, as it dictates the level of voltage that will be delivered to the connected circuit or load. It is often specified in datasheets and technical specifications to ensure compatibility and proper functioning within a given system.
37V - Output Type
The "Output Type" parameter in electronic components refers to the type of signal or data that is produced by the component as an output. This parameter specifies the nature of the output signal, such as analog or digital, and can also include details about the voltage levels, current levels, frequency, and other characteristics of the output signal. Understanding the output type of a component is crucial for ensuring compatibility with other components in a circuit or system, as well as for determining how the output signal can be utilized or processed further. In summary, the output type parameter provides essential information about the nature of the signal that is generated by the electronic component as its output.
Adjustable - Max Output Current
The maximum current that can be supplied to the load.
1.5A - Output Configuration
Output Configuration in electronic components refers to the arrangement or setup of the output pins or terminals of a device. It defines how the output signals are structured and how they interact with external circuits or devices. The output configuration can determine the functionality and compatibility of the component in a circuit design. Common types of output configurations include single-ended, differential, open-drain, and push-pull configurations, each serving different purposes and applications in electronic systems. Understanding the output configuration of a component is crucial for proper integration and operation within a circuit.
Positive - Max Output Voltage
The maximum output voltage refers to the dynamic area beyond which the output is saturated in the positive or negative direction, and is limited according to the load resistance value.
37V - Number of Regulators
A regulator is a mechanism or device that controls something such as pressure, temperature, or fluid flow. The voltage regulator keeps the power level stabilized. A regulator is a mechanism or device that controls something such as pressure, temperature, or fluid flow.
1 - Min Input Voltage
The parameter "Min Input Voltage" in electronic components refers to the minimum voltage level that must be applied to the component for it to operate within its specified parameters. This value is crucial as providing a voltage below this minimum threshold may result in the component malfunctioning or not functioning at all. It is important to adhere to the specified minimum input voltage to ensure the proper operation and longevity of the electronic component. Failure to meet this requirement may lead to potential damage to the component or the overall system in which it is used.
4.2V - Protection Features
Protection features in electronic components refer to the built-in mechanisms or functionalities designed to safeguard the component and the overall system from various external factors or internal faults. These features are crucial for ensuring the reliability, longevity, and safety of the electronic device. Common protection features include overvoltage protection, overcurrent protection, reverse polarity protection, thermal protection, and short-circuit protection. By activating these features when necessary, the electronic component can prevent damage, malfunctions, or hazards that may arise from abnormal operating conditions or unforeseen events. Overall, protection features play a vital role in enhancing the robustness and resilience of electronic components in diverse applications.
Over Current, Over Temperature - PSRR
PSRR stands for Power Supply Rejection Ratio. It is a measure of how well a device, such as an amplifier or a voltage regulator, can reject variations in the power supply voltage. A high PSRR value indicates that the device is able to maintain its performance even when the power supply voltage fluctuates. This parameter is important in ensuring stable and reliable operation of electronic components, especially in applications where the power supply voltage may not be perfectly regulated. A good PSRR helps to minimize noise and interference in the output signal of the device.
80dB ~ 65dB (120Hz) - Reference Voltage
A voltage reference is an electronic device that ideally produces a fixed (constant) voltage irrespective of the loading on the device, power supply variations, temperature changes, and the passage of time. Voltage references are used in power supplies, analog-to-digital converters, digital-to-analog converters, and other measurement and control systems. Voltage references vary widely in performance; a regulator for a computer power supply may only hold its value to within a few percent of the nominal value, whereas laboratory voltage standards have precisions and stability measured in parts per million.
1.25V - Min Output Voltage
Min Output Voltage refers to the lowest voltage level that an electronic component, such as a voltage regulator or power supply, can provide reliably under specified conditions. It indicates the minimum threshold required for proper operation of connected devices. Operating below this voltage may lead to device malfunction or failure to operate as intended.
1.2V - Power Supply Rejection Ratio (PSRR)
Power Supply Rejection Ratio (PSRR) is a measure of how well an electronic component, such as an operational amplifier or voltage regulator, can reject changes in its supply voltage. It indicates the ability of the component to maintain a stable output voltage despite fluctuations in the input supply voltage. A higher PSRR value signifies better performance in rejecting noise and variations from the power supply, leading to improved signal integrity and more reliable operation in electronic circuits. PSRR is typically expressed in decibels (dB).
80dB - Height9.15mm
- Length10.4mm
- Width4.6mm
- REACH SVHC
The parameter "REACH SVHC" in electronic components refers to the compliance with the Registration, Evaluation, Authorization, and Restriction of Chemicals (REACH) regulation regarding Substances of Very High Concern (SVHC). SVHCs are substances that may have serious effects on human health or the environment, and their use is regulated under REACH to ensure their safe handling and minimize their impact.Manufacturers of electronic components need to declare if their products contain any SVHCs above a certain threshold concentration and provide information on the safe use of these substances. This information allows customers to make informed decisions about the potential risks associated with using the components and take appropriate measures to mitigate any hazards.Ensuring compliance with REACH SVHC requirements is essential for electronics manufacturers to meet regulatory standards, protect human health and the environment, and maintain transparency in their supply chain. It also demonstrates a commitment to sustainability and responsible manufacturing practices in the electronics industry.
No SVHC - Radiation Hardening
Radiation hardening is the process of making electronic components and circuits resistant to damage or malfunction caused by high levels of ionizing radiation, especially for environments in outer space (especially beyond the low Earth orbit), around nuclear reactors and particle accelerators, or during nuclear accidents or nuclear warfare.
No - RoHS Status
RoHS means “Restriction of Certain Hazardous Substances” in the “Hazardous Substances Directive” in electrical and electronic equipment.
ROHS3 Compliant - Lead Free
Lead Free is a term used to describe electronic components that do not contain lead as part of their composition. Lead is a toxic material that can have harmful effects on human health and the environment, so the electronics industry has been moving towards lead-free components to reduce these risks. Lead-free components are typically made using alternative materials such as silver, copper, and tin. Manufacturers must comply with regulations such as the Restriction of Hazardous Substances (RoHS) directive to ensure that their products are lead-free and environmentally friendly.
Lead Free
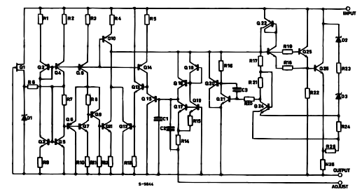
LM317T Diagram

Schematic diagram
LM317T Alternatives
Part Number | Description | Manufacturer |
LM317KC | 3/4 Pin 1.5A Adjustable Positive Voltage Regulator 3-TO-220 0 to 125 | Texas Instruments |
LM317T | 1.2 V to 37 V adjustable voltage regulators | STMicroelectronics |
LM317T#PBF | IC VREG 1.2 V-37 V ADJUSTABLE POSITIVE REGULATOR, PSFM3, PLASTIC, TO-220, 3 PIN, Adjustable Positive Single Output Standard Regulator | Linear Technology |
LM317T/NOPB | IC VREG 1.2 V-37 V ADJUSTABLE POSITIVE REGULATOR, PSFM3, ROHS COMPLIANT, PLASTIC, TO-220, 3 PIN, Adjustable Positive Single Output Standard Regulator | National Semiconductor Corporation |
LM317T2 | 1.2 V-37V ADJUSTABLE POSITIVE REGULATOR, PSFM3, PLASTIC, TO-220, 3 PIN | ON Semiconductor |
More LM317T Equivalents: LM317EMP, LM317AEMP, LM317LIDR, LM317LMX, etc.
Where to use LM317?
When it comes to variable voltage regulation requirements LM317 would most likely be the first choice. Apart from using it as a variable voltage regulator, it can also be used as a fixed voltage regulator, current limiter, Battery charger, AC voltage regulator, and even as an adjustable current regulator. One notable drawback of this IC is that it has a voltage drop of about 2.5 across it during regulation, so if you looking to avoid that problem look into the other equivalent IC’s given above.
So, if you are looking for a variable voltage regulator to deliver current up to 1.5A then this regulator IC might be the right choice for your application.
LM317T Applications
Used for Positive voltage regulations
Variable power supply
Current limiting circuits
Reverse polarity circuits
Commonly used in Desktop PC, DVD and other consumer products
Used in motor control circuits
LM317T Package

TO-220 (single gauge) package information

TO-220 (single gauge) mechanical data
LM317T Manufacturer
STMicroelectronics is a global independent semiconductor company and is a leader in developing and delivering semiconductor solutions across the spectrum of microelectronics applications. An unrivaled combination of silicon and system expertise, manufacturing strength, Intellectual Property (IP) portfolio, and strategic partners positions the Company at the forefront of System-on-Chip (SoC) technology, and its products play a key role in enabling today's convergence trends.
Datasheet PDF
- Datasheets :
- PCN Assembly/Origin :
Trend Analysis
1.What is the difference between LM337 and LM317?
1. The use of LM117 is very simple, only two external resistors are needed to set the output voltage. In addition, its linear regulation and load regulation are better than standard fixed regulators. LM117 has built-in multiple protection circuits such as overload protection and safe zone protection. 2. Generally, LM117 does not need an external capacitor, unless the connection between the input filter capacitor and the input of LM117 exceeds 15 cm. Using the output capacitor can change the transient response. The use of filter capacitors on the adjustment side can get a much higher ripple rejection ratio than standard regulators. 3. LM317 is one of the most widely used power integrated circuits. It not only has the simplest form of a fixed three-terminal voltage regulator circuit, but also has the characteristics of adjustable output voltage. 4.In addition, it also has the advantages of wide voltage regulation range, good voltage regulation performance, low noise, and high ripple rejection ratio. lm317 is an adjustable 3-terminal positive voltage regulator, which can provide more than 1.5A of current when the output voltage ranges from 1.2V to 37V. This regulator is very easy to use.
2.Where is LM317 generally used?
LM317 application: 1. As an integrated three-terminal voltage regulator block with variable output voltage, LM317 is a convenient and widely used integrated voltage regulator block. There are many models of the 317 series voltage stabilizing block. The 317 stabilizing block can be used to make a regulated power supply with variable output voltage. 2. For the stable operation of the circuit in the application, a diode is generally needed as a protection circuit to prevent the high voltage when the capacitor in the circuit discharges from burning out the 317. 3. LM317 is one of the most widely used power supply integrated circuits. It not only has the simplest form of a fixed three-terminal voltage regulator circuit, but also has the characteristics of adjustable output voltage. It also has a wide range of voltage regulation, good voltage regulation performance, and noise. Low, high ripple rejection ratio and other advantages. LM317 can provide more than 1.5A current in the output voltage range of 1.2V to 37V, which is very easy to use. 4. Three points must be met before using LM317, otherwise there will be a lot of problems: the power supply or transformer must have enough power; the input can only be greater than the regulated value of 3-5V, preferably about 5V, and the load current must be known.
3.Is LM317 a triode?
Although LM317 is a standard three-terminal transistor package, it is definitely not a triode. The full name of LM317 is adjustable three-terminal anode regulator, which can provide more than 1.5A current and output range from 1.2V to 37V. Only 2 external resistors are required to set the voltage output on the configuration. In addition, both line regulation and load regulation are better than standard fixed voltage regulators. Moreover, LM317 is integrated in a standard transistor package, which is easy to install and operate.
4.What is the difference between LM317 and LM317T?
LM317 omit the package symbol, LM317 package models are LM317K, LM317H, LM317T, LM317MP, etc., The package of LM317T is plastic (TO-220).
5.What is the difference between LM7815 series and LM317 series?
LM78XX is a fixed voltage regulator tube. For example, 7805 is a +5V regulator, 7815 is a +15V regulator, and LM317 is an adjustable voltage regulator. Different resistors can be used to achieve different voltage stabilization. In addition, the 79xx series are negative voltage regulator tubes.
STM32H747XIH6 Microcontroller: Features, Applications and Datasheet26 December 20236732
ATTINY1616 IC MCU 8BIT 16KB FLASH 20VQFN:Pinout, Block Diagram, and Datasheet26 April 20225282
PCA9555PW Expander: Features, Applications and Datasheet02 November 2023446
HC-SR501 PIR Motion Sensor: Datasheet, Pinout and Specifications19 October 202111390
STMicroelectronics STM32L476QGI6: Microcontroller for Energy-Efficient IoT and Wearable Applications07 June 20252496
STM32H573I-DK Discovery Kit: ARM Cortex-M33 Development Board for IoT02 July 2025279
ADA4817 Amplifier: Datasheet, Pinout and Applications13 August 20212972
SN65HVD230DR CAN Transceiver: Datasheet, Pinout, Schematic02 September 20217612
Semiconductor Memory Market to See More Significant Price Declines17 August 20222242
Chip Filters, Piezoelectric Materials and the Piezoelectric Effect27 September 20226392
Introduction to Acceleration Sensors07 November 20257944
Oregon's Semiconductor Boost: Governor Announces $240 Million Investment06 October 20232956
How to Select Stepper Motor Controllers for Precision19 July 2025633
Exploring the Strengths and Hurdles of Wide Bandgap Devices in Alternating Current Electric Drives19 January 20243285
What is an ASIC Chip?07 January 202613223
What is Cat 7 Cable?04 January 20227355
STMicroelectronics
In Stock: 20000
United States
China
Canada
Japan
Russia
Germany
United Kingdom
Singapore
Italy
Hong Kong(China)
Taiwan(China)
France
Korea
Mexico
Netherlands
Malaysia
Austria
Spain
Switzerland
Poland
Thailand
Vietnam
India
United Arab Emirates
Afghanistan
Åland Islands
Albania
Algeria
American Samoa
Andorra
Angola
Anguilla
Antigua & Barbuda
Argentina
Armenia
Aruba
Australia
Azerbaijan
Bahamas
Bahrain
Bangladesh
Barbados
Belarus
Belgium
Belize
Benin
Bermuda
Bhutan
Bolivia
Bonaire, Sint Eustatius and Saba
Bosnia & Herzegovina
Botswana
Brazil
British Indian Ocean Territory
British Virgin Islands
Brunei
Bulgaria
Burkina Faso
Burundi
Cabo Verde
Cambodia
Cameroon
Cayman Islands
Central African Republic
Chad
Chile
Christmas Island
Cocos (Keeling) Islands
Colombia
Comoros
Congo
Congo (DRC)
Cook Islands
Costa Rica
Côte d’Ivoire
Croatia
Cuba
Curaçao
Cyprus
Czechia
Denmark
Djibouti
Dominica
Dominican Republic
Ecuador
Egypt
El Salvador
Equatorial Guinea
Eritrea
Estonia
Eswatini
Ethiopia
Falkland Islands
Faroe Islands
Fiji
Finland
French Guiana
French Polynesia
Gabon
Gambia
Georgia
Ghana
Gibraltar
Greece
Greenland
Grenada
Guadeloupe
Guam
Guatemala
Guernsey
Guinea
Guinea-Bissau
Guyana
Haiti
Honduras
Hungary
Iceland
Indonesia
Iran
Iraq
Ireland
Isle of Man
Israel
Jamaica
Jersey
Jordan
Kazakhstan
Kenya
Kiribati
Kosovo
Kuwait
Kyrgyzstan
Laos
Latvia
Lebanon
Lesotho
Liberia
Libya
Liechtenstein
Lithuania
Luxembourg
Macao(China)
Madagascar
Malawi
Maldives
Mali
Malta
Marshall Islands
Martinique
Mauritania
Mauritius
Mayotte
Micronesia
Moldova
Monaco
Mongolia
Montenegro
Montserrat
Morocco
Mozambique
Myanmar
Namibia
Nauru
Nepal
New Caledonia
New Zealand
Nicaragua
Niger
Nigeria
Niue
Norfolk Island
North Korea
North Macedonia
Northern Mariana Islands
Norway
Oman
Pakistan
Palau
Palestinian Authority
Panama
Papua New Guinea
Paraguay
Peru
Philippines
Pitcairn Islands
Portugal
Puerto Rico
Qatar
Réunion
Romania
Rwanda
Samoa
San Marino
São Tomé & Príncipe
Saudi Arabia
Senegal
Serbia
Seychelles
Sierra Leone
Sint Maarten
Slovakia
Slovenia
Solomon Islands
Somalia
South Africa
South Sudan
Sri Lanka
St Helena, Ascension, Tristan da Cunha
St. Barthélemy
St. Kitts & Nevis
St. Lucia
St. Martin
St. Pierre & Miquelon
St. Vincent & Grenadines
Sudan
Suriname
Svalbard & Jan Mayen
Sweden
Syria
Tajikistan
Tanzania
Timor-Leste
Togo
Tokelau
Tonga
Trinidad & Tobago
Tunisia
Turkey
Turkmenistan
Turks & Caicos Islands
Tuvalu
U.S. Outlying Islands
U.S. Virgin Islands
Uganda
Ukraine
Uruguay
Uzbekistan
Vanuatu
Vatican City
Venezuela
Wallis & Futuna
Yemen
Zambia
Zimbabwe


Product
Brand
Articles
Tools















