MID400 Optocoupler: Pinout, Datasheet and Applications
OPTOISO 2.5KV OPN COLLECTOR 8DIP
MID400 is an AC line monitor logic-out Optocoupler. This article mainly covers datasheet, pinout, features, applications, and other details about MID400. Furthermore, there is a huge range of semiconductors, capacitors, resistors, and Ics in stock. Welcome RFQ!
MID400 Pinout

MID400 Pinout
| Pin Number | Pin Name | Description |
| 1 | AC Live | Alternating Current Live wire is connected to this Pin |
| 2,4 | No Connection | Not Used |
| 3 | AC Neutral | Alternating Current Neutral wire is connected to this pin |
| 5 | Ground | Ground pin of the IC |
| 6 | V Output | Open collector output pin |
| 7 | Auxiliary | Can be used to adjust AC voltage sensing and time delay by adding a capacitor to this pin. |
| 8 | Vcc | IC Operating Voltage |
MID400 CAD Model
Symbol

Symbol
Footprint

Footprint
3D Model

3D Model
MID400 Description
The MID400 is an optically isolated AC line−to−logic interface device. It is packaged in an 8−lead plastic DIP. The AC line voltage is monitored by two back−to−back GaAs LED diodes in series with an external resistor. A high gain detector circuit senses the LED current and drives the output gate to a logic low condition.
The MID400 has been designed solely for use as an AC line monitor. It is recommended for use in any AC−to−DC control application where excellent optical isolation, solid-state reliability, TTL compatibility, small size, low power, and low-frequency operations are required.
Specifications
- TypeParameter
- Lifecycle Status
Lifecycle Status refers to the current stage of an electronic component in its product life cycle, indicating whether it is active, obsolete, or transitioning between these states. An active status means the component is in production and available for purchase. An obsolete status indicates that the component is no longer being manufactured or supported, and manufacturers typically provide a limited time frame for support. Understanding the lifecycle status is crucial for design engineers to ensure continuity and reliability in their projects.
ACTIVE (Last Updated: 1 day ago) - Factory Lead Time7 Weeks
- Mount
In electronic components, the term "Mount" typically refers to the method or process of physically attaching or fixing a component onto a circuit board or other electronic device. This can involve soldering, adhesive bonding, or other techniques to secure the component in place. The mounting process is crucial for ensuring proper electrical connections and mechanical stability within the electronic system. Different components may have specific mounting requirements based on their size, shape, and function, and manufacturers provide guidelines for proper mounting procedures to ensure optimal performance and reliability of the electronic device.
Through Hole - Mounting Type
The "Mounting Type" in electronic components refers to the method used to attach or connect a component to a circuit board or other substrate, such as through-hole, surface-mount, or panel mount.
Through Hole - Package / Case
refers to the protective housing that encases an electronic component, providing mechanical support, electrical connections, and thermal management.
8-DIP (0.300, 7.62mm) - Number of Pins8
- Weight819mg
- Number of Elements1
- Operating Temperature
The operating temperature is the range of ambient temperature within which a power supply, or any other electrical equipment, operate in. This ranges from a minimum operating temperature, to a peak or maximum operating temperature, outside which, the power supply may fail.
-40°C~85°C - Packaging
Semiconductor package is a carrier / shell used to contain and cover one or more semiconductor components or integrated circuits. The material of the shell can be metal, plastic, glass or ceramic.
Tube - Published2004
- JESD-609 Code
The "JESD-609 Code" in electronic components refers to a standardized marking code that indicates the lead-free solder composition and finish of electronic components for compliance with environmental regulations.
e3 - Pbfree Code
The "Pbfree Code" parameter in electronic components refers to the code or marking used to indicate that the component is lead-free. Lead (Pb) is a toxic substance that has been widely used in electronic components for many years, but due to environmental concerns, there has been a shift towards lead-free alternatives. The Pbfree Code helps manufacturers and users easily identify components that do not contain lead, ensuring compliance with regulations and promoting environmentally friendly practices. It is important to pay attention to the Pbfree Code when selecting electronic components to ensure they meet the necessary requirements for lead-free applications.
yes - Part Status
Parts can have many statuses as they progress through the configuration, analysis, review, and approval stages.
Active - Moisture Sensitivity Level (MSL)
Moisture Sensitivity Level (MSL) is a standardized rating that indicates the susceptibility of electronic components, particularly semiconductors, to moisture-induced damage during storage and the soldering process, defining the allowable exposure time to ambient conditions before they require special handling or baking to prevent failures
1 (Unlimited) - ECCN Code
An ECCN (Export Control Classification Number) is an alphanumeric code used by the U.S. Bureau of Industry and Security to identify and categorize electronic components and other dual-use items that may require an export license based on their technical characteristics and potential for military use.
EAR99 - TypeAC Line Monitor
- Terminal Finish
Terminal Finish refers to the surface treatment applied to the terminals or leads of electronic components to enhance their performance and longevity. It can improve solderability, corrosion resistance, and overall reliability of the connection in electronic assemblies. Common finishes include nickel, gold, and tin, each possessing distinct properties suitable for various applications. The choice of terminal finish can significantly impact the durability and effectiveness of electronic devices.
Tin (Sn) - Additional Feature
Any Feature, including a modified Existing Feature, that is not an Existing Feature.
UL RECOGNIZED, TTL COMPATIBLE - Voltage - Rated DC
Voltage - Rated DC is a parameter that specifies the maximum direct current (DC) voltage that an electronic component can safely handle without being damaged. This rating is crucial for ensuring the proper functioning and longevity of the component in a circuit. Exceeding the rated DC voltage can lead to overheating, breakdown, or even permanent damage to the component. It is important to carefully consider this parameter when designing or selecting components for a circuit to prevent any potential issues related to voltage overload.
7V - Max Power Dissipation
The maximum power that the MOSFET can dissipate continuously under the specified thermal conditions.
115mW - Supply Voltage
Supply voltage refers to the electrical potential difference provided to an electronic component or circuit. It is crucial for the proper operation of devices, as it powers their functions and determines performance characteristics. The supply voltage must be within specified limits to ensure reliability and prevent damage to components. Different electronic devices have specific supply voltage requirements, which can vary widely depending on their design and intended application.
5V - Approval Agency
The parameter "Approval Agency" in electronic components refers to the organization responsible for testing and certifying that a component meets specific safety, quality, and performance standards. These agencies evaluate products to ensure compliance with industry regulations and standards, providing assurance to manufacturers and consumers. Approval from recognized agencies can enhance a component's marketability and acceptance in various applications, particularly in sectors like automotive, aerospace, and healthcare. Common approval agencies include Underwriters Laboratories (UL), International Electrotechnical Commission (IEC), and the American National Standards Institute (ANSI).
UR - Voltage - Isolation
Voltage - Isolation is a parameter in electronic components that refers to the maximum voltage that can be safely applied between two isolated points without causing electrical breakdown or leakage. It is a crucial specification for components such as transformers, optocouplers, and capacitors that require isolation to prevent electrical interference or safety hazards. The voltage isolation rating ensures that the component can withstand the specified voltage without compromising its performance or safety. It is typically measured in volts and is an important consideration when designing circuits that require isolation between different parts of the system.
2500Vrms - Output Voltage
Output voltage is a crucial parameter in electronic components that refers to the voltage level produced by the component as a result of its operation. It represents the electrical potential difference between the output terminal of the component and a reference point, typically ground. The output voltage is a key factor in determining the performance and functionality of the component, as it dictates the level of voltage that will be delivered to the connected circuit or load. It is often specified in datasheets and technical specifications to ensure compatibility and proper functioning within a given system.
7V - Output Type
The "Output Type" parameter in electronic components refers to the type of signal or data that is produced by the component as an output. This parameter specifies the nature of the output signal, such as analog or digital, and can also include details about the voltage levels, current levels, frequency, and other characteristics of the output signal. Understanding the output type of a component is crucial for ensuring compatibility with other components in a circuit or system, as well as for determining how the output signal can be utilized or processed further. In summary, the output type parameter provides essential information about the nature of the signal that is generated by the electronic component as its output.
Adjustable - Max Output Current
The maximum current that can be supplied to the load.
1.5A - Configuration
The parameter "Configuration" in electronic components refers to the specific arrangement or setup of the components within a circuit or system. It encompasses how individual elements are interconnected and their physical layout. Configuration can affect the functionality, performance, and efficiency of the electronic system, and may influence factors such as signal flow, impedance, and power distribution. Understanding the configuration is essential for design, troubleshooting, and optimizing electronic devices.
SINGLE - Power Dissipation
the process by which an electronic or electrical device produces heat (energy loss or waste) as an undesirable derivative of its primary action.
115mW - Voltage - Forward (Vf) (Typ)
The parameter "Voltage - Forward (Vf) (Typ)" in electronic components refers to the typical forward voltage drop across the component when it is conducting current in the forward direction. It is a crucial characteristic of components like diodes and LEDs, indicating the minimum voltage required for the component to start conducting current. The forward voltage drop is typically specified as a typical value because it can vary slightly based on factors such as temperature and manufacturing tolerances. Designers use this parameter to ensure that the component operates within its specified voltage range and to calculate power dissipation in the component.
1.5V - Propagation Delay
the flight time of packets over the transmission link and is limited by the speed of light.
1 ms - Input Type
Input type in electronic components refers to the classification of the signal or data that a component can accept for processing or conversion. It indicates whether the input is analog, digital, or a specific format such as TTL or CMOS. Understanding input type is crucial for ensuring compatibility between different electronic devices and circuits, as it determines how signals are interpreted and interacted with.
AC, DC - Forward Current
Current which flows upon application of forward voltage.
30mA - Max Output Voltage
The maximum output voltage refers to the dynamic area beyond which the output is saturated in the positive or negative direction, and is limited according to the load resistance value.
7V - Response Time
the time taken for a circuit or measuring device, when subjected to a change in input signal, to change its state by a specified fraction of its total response to that change.
0.001 ns - Max Input Voltage
Max Input Voltage refers to the maximum voltage level that an electronic component can safely handle without getting damaged. This parameter is crucial for ensuring the proper functioning and longevity of the component. Exceeding the specified maximum input voltage can lead to overheating, electrical breakdown, or permanent damage to the component. It is important to carefully adhere to the manufacturer's guidelines regarding the maximum input voltage to prevent any potential issues and maintain the reliability of the electronic device.
7V - Direction
In electronic components, the parameter "Direction" refers to the orientation or alignment in which the component is designed to operate effectively. This parameter is particularly important for components such as diodes, transistors, and capacitors, which have specific polarity or orientation requirements for proper functionality. For example, diodes allow current flow in one direction only, so their direction parameter indicates the correct orientation for current flow. Similarly, polarized capacitors have a positive and negative terminal, requiring proper alignment for correct operation. Understanding and adhering to the direction parameter is crucial for ensuring the reliable and efficient performance of electronic components in a circuit.
Unidirectional - Output Current per Channel
Output Current per Channel is a specification commonly found in electronic components such as amplifiers, audio interfaces, and power supplies. It refers to the maximum amount of electrical current that can be delivered by each individual output channel of the component. This parameter is important because it determines the capacity of the component to drive connected devices or loads. A higher output current per channel means the component can deliver more power to connected devices, while a lower output current may limit the performance or functionality of the component in certain applications. It is crucial to consider the output current per channel when selecting electronic components to ensure they can meet the power requirements of the intended system or setup.
20mA - Rise Time
In electronics, when describing a voltage or current step function, rise time is the time taken by a signal to change from a specified low value to a specified high value.
1μs - Fall Time (Typ)
Fall Time (Typ) is a parameter used to describe the time it takes for a signal to transition from a high level to a low level in an electronic component, such as a transistor or an integrated circuit. It is typically measured in nanoseconds or microseconds and is an important characteristic that affects the performance of the component in digital circuits. A shorter fall time indicates faster switching speeds and can result in improved overall circuit performance, such as reduced power consumption and increased data transmission rates. Designers often consider the fall time specification when selecting components for their circuits to ensure proper functionality and efficiency.
1 ms - Input Current
Input current is a parameter that refers to the amount of electrical current flowing into a specific electronic component or device. It is typically measured in amperes (A) and represents the current required for the component to operate properly. Understanding the input current is important for designing circuits and power supplies, as it helps determine the capacity and compatibility of the components being used. Monitoring the input current also helps ensure that the component is not being overloaded or underpowered, which can affect its performance and longevity.
30mA - Propagation Delay tpLH / tpHL (Max)
Propagation delay tpLH and tpHL refer to the time it takes for a digital signal to travel through a logic gate or other electronic component. tpLH is the maximum time delay for the output to transition from a low state to a high state, while tpHL is the maximum time delay for the output to transition from a high state to a low state. These parameters are critical for determining the speed and timing performance of digital circuits, as they impact how quickly signals can propagate through the system and affect overall operation.
1ms, 1ms (Typ) - Height3.94mm
- Length9.91mm
- Width6.86mm
- REACH SVHC
The parameter "REACH SVHC" in electronic components refers to the compliance with the Registration, Evaluation, Authorization, and Restriction of Chemicals (REACH) regulation regarding Substances of Very High Concern (SVHC). SVHCs are substances that may have serious effects on human health or the environment, and their use is regulated under REACH to ensure their safe handling and minimize their impact.Manufacturers of electronic components need to declare if their products contain any SVHCs above a certain threshold concentration and provide information on the safe use of these substances. This information allows customers to make informed decisions about the potential risks associated with using the components and take appropriate measures to mitigate any hazards.Ensuring compliance with REACH SVHC requirements is essential for electronics manufacturers to meet regulatory standards, protect human health and the environment, and maintain transparency in their supply chain. It also demonstrates a commitment to sustainability and responsible manufacturing practices in the electronics industry.
No SVHC - Radiation Hardening
Radiation hardening is the process of making electronic components and circuits resistant to damage or malfunction caused by high levels of ionizing radiation, especially for environments in outer space (especially beyond the low Earth orbit), around nuclear reactors and particle accelerators, or during nuclear accidents or nuclear warfare.
No - RoHS Status
RoHS means “Restriction of Certain Hazardous Substances” in the “Hazardous Substances Directive” in electrical and electronic equipment.
ROHS3 Compliant - Lead Free
Lead Free is a term used to describe electronic components that do not contain lead as part of their composition. Lead is a toxic material that can have harmful effects on human health and the environment, so the electronics industry has been moving towards lead-free components to reduce these risks. Lead-free components are typically made using alternative materials such as silver, copper, and tin. Manufacturers must comply with regulations such as the Restriction of Hazardous Substances (RoHS) directive to ensure that their products are lead-free and environmentally friendly.
Lead Free
MID400 Functional Diagram

MID400 Functional Diagram
MID400 Features
• Direct Operation from any Line Voltage with the Use of an External Resistor
• Externally Adjustable Time Delay
• Externally Adjustable AC Voltage Sensing Level
• Logic Level Compatibility
• Safety and Regulatory Approvals:
UL1577, 2,500 VAC RMS for 1 Minute
DIN−EN/IEC60747−5−5, 630 V Peak Working Insulation Voltages
MID400 Applications
• Monitoring of the AC/DC “Line−down” Condition
• “Closed−loop” Interface between Electromechanical Elements such as Solenoids, Relay Contacts, Small Motors, and Microprocessors
• Time Delay Isolation Switch
Where to use MID400
The MID400 has been designed solely for use as an <B>AC line monitor</B>. It is recommended for use in any AC-to-DC control application where excellent optical isolation, solid-state reliability, TTL compatibility, small size, low power, and low-frequency operations are required.
How to use MID400
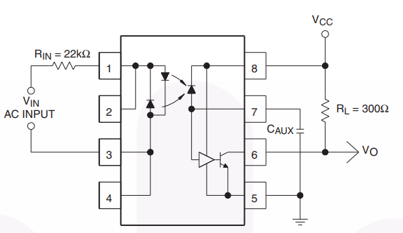
The MID400 is an AC Line Monitor IC, the Phase and Neutral wire can be directly connected to the 1st and 3rd pin of the IC through a Resistor (RIN). A sample application circuit is shown below.

The Resistor Rin is used to limit the current flowing from the Ac line the value of the resistor can be calculated using the below formula
RIN = Vin-VfIin
Where Vin is the input RMS voltage of the Ac line, Vs if the Forward voltage drop of the internal LED and Iin is the input current required to turn on the internal LED, the value of which can be found at the MID400 datasheet linked below.
The output pin 6 is an open collector pin and requires a pull-up resistor of 300 ohms tied to the Vcc pin as shown above. The capacitor connected to pin 7 can be used to adjust the sensing level and time delay of the output. The below figure should help you understand the working of the output pin.

MID400 Alternatives
UC1903, ACS71020
MID400 Dimension



MID400 Dimension
MID400 Manufacturer
ON Semiconductor is a semiconductor supplier company, formerly in the Fortune 500, but dropping into the Fortune 1000 (ranked 512) in 2020. Products include power and signal management, logic, discrete, and custom devices for automotive, communications, computing, consumer, industrial, LED lighting, medical, military/aerospace, and power applications. ON Semiconductor runs a network of manufacturing facilities, sales offices, and design centers in North America, Europe, and the Asia Pacific regions. Headquartered in Phoenix, Arizona, ON Semiconductor has revenues of $3.907 billion (2016), which puts it among the worldwide top 20 semiconductor sales leaders.
Parts with Similar Specs
- ImagePart NumberManufacturerPackage / CaseNumber of PinsVoltage - IsolationRise TimeMax Output VoltageOutput VoltageMax Output CurrentForward CurrentView Compare
MID400
8-DIP (0.300, 7.62mm)
8
2500Vrms
1 μs
7 V
7 V
1.5 A
30 mA
8-DIP (0.300, 7.62mm)
8
2500Vrms
1 μs
-
-
400 mA
-
Trend Analysis
Datasheet PDF
- Datasheets :
MID400-ON-Semiconductor-datasheet-85574719.pdf
MID400-ON-Semiconductor-datasheet-86691684.pdf
MID400-ON-Semiconductor-datasheet-90969522.pdf
MID400-ON-Semiconductor-datasheet-130096127.pdf
MID400-Fairchild-Semiconductor-datasheet-47688947.pdf
MID400.-Fairchild-Semiconductor-datasheet-8429464.pdf
MID400-ON-Semiconductor-datasheet-11781474.pdf
- ReachStatement :
- Environmental Information :
- PCN Design/Specification :
- PCN Packaging :
What is MID400 used?
The MID400 has been designed solely for use as an AC line monitor. It is recommended for use in any AC-to- DC control application where excellent optical iso- location, solid-state reliability, TTL compatibility, small size, low power, and low-frequency operations are required.
How does MID400 work?
MID400 is an AC line monitor where the phase wire is connected to the first pin of the device and the neutral wire is connected to the third pin of the device using a resistor of 22-kilo ohm. This resistor is used to control and limit the current flowing through the AC line voltage.
CA3130EZ BiMOS Operational Amplifier: Schematic, Pinout, and Datasheet14 February 20222232
KSZ9031RNXIA Transceiver Full Ethernet 48-QFN: KSZ9031RNXIA VS KSZ9021RN, Datasheet, and Equivalents10 February 20222671
TL072A JFET Dual Op-Amp: Pinout, Equivalent and Datasheet08 December 20213264
How to Access the STM32G071RBT6 Datasheet from STMicroelectronics16 June 2025356
STM32F446ZET6 Microcontroller: Features, Applications and Datasheet14 December 20232237
Panasonic ERJ-6GEY0R00V 0-Ohm Resistor: 5 Key Applications in Modern Electronics11 October 20251305
CD40106BC Hex Schmitt Trigger: Pinout, Features and Datasheet27 May 20221731
LSM9DS1TR Acceleration Sensor: Pinout, Datasheet, and Application Circuit12 July 20211203
7 Promising Semiconductor Stocks Amid U.S.-China Chip War18 September 20232666
Will HBM replace DDR and become Computer Memory?09 September 202122895
An Analysis of Low Pressure on Partial Discharge in Micro-Voids in Aviation25 January 20241862
Switching Regulator Noise: Comprehensive Understanding and Analysis26 February 20222571
Automatic Voltage Regulator: Ultimate Guide to Stable Power and Equipment Protection06 May 20255928
Challenges and Issues in Smart Grid Infrastructure11 May 20234038
How to Test and Diagnose CAN Bus Transceiver Failures07 June 20255112
What is Digital Signal Processing (DSP)?17 March 20224284
ON Semiconductor
In Stock
United States
China
Canada
Japan
Russia
Germany
United Kingdom
Singapore
Italy
Hong Kong(China)
Taiwan(China)
France
Korea
Mexico
Netherlands
Malaysia
Austria
Spain
Switzerland
Poland
Thailand
Vietnam
India
United Arab Emirates
Afghanistan
Åland Islands
Albania
Algeria
American Samoa
Andorra
Angola
Anguilla
Antigua & Barbuda
Argentina
Armenia
Aruba
Australia
Azerbaijan
Bahamas
Bahrain
Bangladesh
Barbados
Belarus
Belgium
Belize
Benin
Bermuda
Bhutan
Bolivia
Bonaire, Sint Eustatius and Saba
Bosnia & Herzegovina
Botswana
Brazil
British Indian Ocean Territory
British Virgin Islands
Brunei
Bulgaria
Burkina Faso
Burundi
Cabo Verde
Cambodia
Cameroon
Cayman Islands
Central African Republic
Chad
Chile
Christmas Island
Cocos (Keeling) Islands
Colombia
Comoros
Congo
Congo (DRC)
Cook Islands
Costa Rica
Côte d’Ivoire
Croatia
Cuba
Curaçao
Cyprus
Czechia
Denmark
Djibouti
Dominica
Dominican Republic
Ecuador
Egypt
El Salvador
Equatorial Guinea
Eritrea
Estonia
Eswatini
Ethiopia
Falkland Islands
Faroe Islands
Fiji
Finland
French Guiana
French Polynesia
Gabon
Gambia
Georgia
Ghana
Gibraltar
Greece
Greenland
Grenada
Guadeloupe
Guam
Guatemala
Guernsey
Guinea
Guinea-Bissau
Guyana
Haiti
Honduras
Hungary
Iceland
Indonesia
Iran
Iraq
Ireland
Isle of Man
Israel
Jamaica
Jersey
Jordan
Kazakhstan
Kenya
Kiribati
Kosovo
Kuwait
Kyrgyzstan
Laos
Latvia
Lebanon
Lesotho
Liberia
Libya
Liechtenstein
Lithuania
Luxembourg
Macao(China)
Madagascar
Malawi
Maldives
Mali
Malta
Marshall Islands
Martinique
Mauritania
Mauritius
Mayotte
Micronesia
Moldova
Monaco
Mongolia
Montenegro
Montserrat
Morocco
Mozambique
Myanmar
Namibia
Nauru
Nepal
New Caledonia
New Zealand
Nicaragua
Niger
Nigeria
Niue
Norfolk Island
North Korea
North Macedonia
Northern Mariana Islands
Norway
Oman
Pakistan
Palau
Palestinian Authority
Panama
Papua New Guinea
Paraguay
Peru
Philippines
Pitcairn Islands
Portugal
Puerto Rico
Qatar
Réunion
Romania
Rwanda
Samoa
San Marino
São Tomé & Príncipe
Saudi Arabia
Senegal
Serbia
Seychelles
Sierra Leone
Sint Maarten
Slovakia
Slovenia
Solomon Islands
Somalia
South Africa
South Sudan
Sri Lanka
St Helena, Ascension, Tristan da Cunha
St. Barthélemy
St. Kitts & Nevis
St. Lucia
St. Martin
St. Pierre & Miquelon
St. Vincent & Grenadines
Sudan
Suriname
Svalbard & Jan Mayen
Sweden
Syria
Tajikistan
Tanzania
Timor-Leste
Togo
Tokelau
Tonga
Trinidad & Tobago
Tunisia
Turkey
Turkmenistan
Turks & Caicos Islands
Tuvalu
U.S. Outlying Islands
U.S. Virgin Islands
Uganda
Ukraine
Uruguay
Uzbekistan
Vanuatu
Vatican City
Venezuela
Wallis & Futuna
Yemen
Zambia
Zimbabwe












