TL072A JFET Dual Op-Amp: Pinout, Equivalent and Datasheet
40mA per Channel 20pA 80 dB Instrumentational OP Amps 6V~36V ±3V~18V TL072 8 Pins 8-SOIC (0.154, 3.90mm Width)









40mA per Channel 20pA 80 dB Instrumentational OP Amps 6V~36V ±3V~18V TL072 8 Pins 8-SOIC (0.154, 3.90mm Width)
The TL072A is high speed JFET input dual operational amplifier incorporating well-matched, high-voltage JFET and bipolar transistors in a monolithic integrated circuit. The device features high slew rates, low input bias and offset current, and low offset voltage temperature coefficients. Furthermore, Huge range of Semiconductors, Capacitors, Resistors and IcS in stock. Welcome RFQ.

What is an operational amplifier?
- TL072A Pinout
- TL072A CAD Model
- TL072A Overview
- TL072A Features
- TL072A Technical Specifications
- Specifications
- TL072A Functional Block Diagram
- TL072A Equivalent
- Where to use IC TL072?
- How to use IC TL072?
- TL072A Typical application
- TL072A Parameter Measurement Information
- TL072A Package
- TL072A Manufacturer
- Trend Analysis
- Datasheet PDF
TL072A Pinout

Pinout

Pin connections (top view)
TL072A CAD Model

Symbol

Footprint

3D Model
TL072A Overview
The TL072A is high speed JFET input dual operational amplifier incorporating well-matched, high-voltage JFET and bipolar transistors in a monolithic integrated circuit. The device features high slew rates, low input bias and offset current, and low offset voltage temperature coefficients. These are high-voltage JFET-input operational amplifiers with low noise versions and high slew rate. The Input bias and Offset currents is also low. It’s a dual Op-amp IC means it contain two op-amp inside. This TL07x series come with low harmonic distortion and low noise which makes it fit for the use where high-accuracy needed. It also used in the application of audio pre-amplification.
This article provides you with a basic overview of the TL072A JFET Dual Operational Amplifier, including its pin descriptions, features and specifications, etc., to help you quickly understand what TL072A is.
TL072A Features
● Wide common-mode (up to VCC+) and differential voltage range
● Low input bias and offset current
● Low noise en = 15 nV/√Hz (typ)
● Output short-circuit protection
● High input impedance JFET input stage
● Low harmonic distortion: 0.01 % (typical)
● Internal frequency compensation
● Latch-up free operation
● High slew rate: 16 V/µs (typ)
TL072A Technical Specifications
● Distortion of Harmonic is low (normally 0.003%)
● Low noise at the operation
Vn = 18 nV/√Hz (Typical) at f = 1 kHz
● Having high slew rate (normally 13 V/μs)
● Supply voltage ranges from 6 to 36v
● Having infinite output short circuit duration
● Storage temperature ranges -65 to 150 °C
● Operating Temperature is -40 to 125 °C
● Output current is 10mA (normally)
Specifications
- TypeParameter
- Lifecycle Status
Lifecycle Status refers to the current stage of an electronic component in its product life cycle, indicating whether it is active, obsolete, or transitioning between these states. An active status means the component is in production and available for purchase. An obsolete status indicates that the component is no longer being manufactured or supported, and manufacturers typically provide a limited time frame for support. Understanding the lifecycle status is crucial for design engineers to ensure continuity and reliability in their projects.
ACTIVE (Last Updated: 6 months ago) - Factory Lead Time10 Weeks
- Mount
In electronic components, the term "Mount" typically refers to the method or process of physically attaching or fixing a component onto a circuit board or other electronic device. This can involve soldering, adhesive bonding, or other techniques to secure the component in place. The mounting process is crucial for ensuring proper electrical connections and mechanical stability within the electronic system. Different components may have specific mounting requirements based on their size, shape, and function, and manufacturers provide guidelines for proper mounting procedures to ensure optimal performance and reliability of the electronic device.
Surface Mount - Mounting Type
The "Mounting Type" in electronic components refers to the method used to attach or connect a component to a circuit board or other substrate, such as through-hole, surface-mount, or panel mount.
Surface Mount - Package / Case
refers to the protective housing that encases an electronic component, providing mechanical support, electrical connections, and thermal management.
8-SOIC (0.154, 3.90mm Width) - Number of Pins8
- Number of Elements2
- Operating Temperature
The operating temperature is the range of ambient temperature within which a power supply, or any other electrical equipment, operate in. This ranges from a minimum operating temperature, to a peak or maximum operating temperature, outside which, the power supply may fail.
0°C~70°C - Packaging
Semiconductor package is a carrier / shell used to contain and cover one or more semiconductor components or integrated circuits. The material of the shell can be metal, plastic, glass or ceramic.
Tape & Reel (TR) - JESD-609 Code
The "JESD-609 Code" in electronic components refers to a standardized marking code that indicates the lead-free solder composition and finish of electronic components for compliance with environmental regulations.
e3 - Part Status
Parts can have many statuses as they progress through the configuration, analysis, review, and approval stages.
Active - Moisture Sensitivity Level (MSL)
Moisture Sensitivity Level (MSL) is a standardized rating that indicates the susceptibility of electronic components, particularly semiconductors, to moisture-induced damage during storage and the soldering process, defining the allowable exposure time to ambient conditions before they require special handling or baking to prevent failures
1 (Unlimited) - Number of Terminations8
- ECCN Code
An ECCN (Export Control Classification Number) is an alphanumeric code used by the U.S. Bureau of Industry and Security to identify and categorize electronic components and other dual-use items that may require an export license based on their technical characteristics and potential for military use.
EAR99 - Terminal Finish
Terminal Finish refers to the surface treatment applied to the terminals or leads of electronic components to enhance their performance and longevity. It can improve solderability, corrosion resistance, and overall reliability of the connection in electronic assemblies. Common finishes include nickel, gold, and tin, each possessing distinct properties suitable for various applications. The choice of terminal finish can significantly impact the durability and effectiveness of electronic devices.
Matte Tin (Sn) - annealed - Packing Method
The packing method in electronic components refers to the technique used to package and protect the component during shipping and handling. It encompasses various forms including tape and reel, tray, tube, or bulk packaging, each suited for different types of components and manufacturing processes. The choice of packing method can affect the ease of handling, storage, and the efficiency of assembly in automated processes. Additionally, it plays a crucial role in ensuring the reliability and integrity of the components until they are used in electronic devices.
TAPE AND REEL - Terminal Position
In electronic components, the term "Terminal Position" refers to the physical location of the connection points on the component where external electrical connections can be made. These connection points, known as terminals, are typically used to attach wires, leads, or other components to the main body of the electronic component. The terminal position is important for ensuring proper connectivity and functionality of the component within a circuit. It is often specified in technical datasheets or component specifications to help designers and engineers understand how to properly integrate the component into their circuit designs.
DUAL - Terminal Form
Occurring at or forming the end of a series, succession, or the like; closing; concluding.
GULL WING - Peak Reflow Temperature (Cel)
Peak Reflow Temperature (Cel) is a parameter that specifies the maximum temperature at which an electronic component can be exposed during the reflow soldering process. Reflow soldering is a common method used to attach electronic components to a circuit board. The Peak Reflow Temperature is crucial because it ensures that the component is not damaged or degraded during the soldering process. Exceeding the specified Peak Reflow Temperature can lead to issues such as component failure, reduced performance, or even permanent damage to the component. It is important for manufacturers and assemblers to adhere to the recommended Peak Reflow Temperature to ensure the reliability and functionality of the electronic components.
260 - Number of Functions2
- Supply Voltage
Supply voltage refers to the electrical potential difference provided to an electronic component or circuit. It is crucial for the proper operation of devices, as it powers their functions and determines performance characteristics. The supply voltage must be within specified limits to ensure reliability and prevent damage to components. Different electronic devices have specific supply voltage requirements, which can vary widely depending on their design and intended application.
15V - Time@Peak Reflow Temperature-Max (s)
Time@Peak Reflow Temperature-Max (s) refers to the maximum duration that an electronic component can be exposed to the peak reflow temperature during the soldering process, which is crucial for ensuring reliable solder joint formation without damaging the component.
30 - Base Part Number
The "Base Part Number" (BPN) in electronic components serves a similar purpose to the "Base Product Number." It refers to the primary identifier for a component that captures the essential characteristics shared by a group of similar components. The BPN provides a fundamental way to reference a family or series of components without specifying all the variations and specific details.
TL072 - Pin Count
a count of all of the component leads (or pins)
8 - Power Supplies
an electronic circuit that converts the voltage of an alternating current (AC) into a direct current (DC) voltage.?
+-15V - Operating Supply Current
Operating Supply Current, also known as supply current or quiescent current, is a crucial parameter in electronic components that indicates the amount of current required for the device to operate under normal conditions. It represents the current drawn by the component from the power supply while it is functioning. This parameter is important for determining the power consumption of the component and is typically specified in datasheets to help designers calculate the overall power requirements of their circuits. Understanding the operating supply current is essential for ensuring proper functionality and efficiency of electronic systems.
1.4mA - Nominal Supply Current
Nominal current is the same as the rated current. It is the current drawn by the motor while delivering rated mechanical output at its shaft.
2.5mA - Output Current
The rated output current is the maximum load current that a power supply can provide at a specified ambient temperature. A power supply can never provide more current that it's rated output current unless there is a fault, such as short circuit at the load.
40mA - Slew Rate
the maximum rate of output voltage change per unit time.
16V/μs - Architecture
In electronic components, the parameter "Architecture" refers to the overall design and structure of the component. It encompasses the arrangement of internal components, the layout of circuitry, and the physical form of the component. The architecture of an electronic component plays a crucial role in determining its functionality, performance, and compatibility with other components in a system. Different architectures can result in variations in power consumption, speed, size, and other key characteristics of the component. Designers often consider the architecture of electronic components carefully to ensure optimal performance and integration within a larger system.
VOLTAGE-FEEDBACK - Amplifier Type
Amplifier Type refers to the classification or categorization of amplifiers based on their design, functionality, and characteristics. Amplifiers are electronic devices that increase the amplitude of a signal, such as voltage or current. The type of amplifier determines its specific application, performance capabilities, and operating characteristics. Common types of amplifiers include operational amplifiers (op-amps), power amplifiers, audio amplifiers, and radio frequency (RF) amplifiers. Understanding the amplifier type is crucial for selecting the right component for a particular circuit or system design.
J-FET - Common Mode Rejection Ratio
Common Mode Rejection Ratio (CMRR) is a measure of the ability of a differential amplifier to reject input signals that are common to both input terminals. It is defined as the ratio of the differential gain to the common mode gain. A high CMRR indicates that the amplifier can effectively eliminate noise and interference that affects both inputs simultaneously, enhancing the fidelity of the amplified signal. CMRR is typically expressed in decibels (dB), with higher values representing better performance in rejecting common mode signals.
80 dB - Current - Input Bias
The parameter "Current - Input Bias" in electronic components refers to the amount of current required at the input terminal of a device to maintain proper operation. It is a crucial specification as it determines the minimum input current needed for the component to function correctly. Input bias current can affect the performance and accuracy of the device, especially in precision applications where small signal levels are involved. It is typically specified in datasheets for operational amplifiers, transistors, and other semiconductor devices to provide users with important information for circuit design and analysis.
20pA - Voltage - Supply, Single/Dual (±)
The parameter "Voltage - Supply, Single/Dual (±)" in electronic components refers to the power supply voltage required for the proper operation of the component. This parameter indicates whether the component requires a single power supply voltage (e.g., 5V) or a dual power supply voltage (e.g., ±15V). For components that require a single power supply voltage, only one voltage level is needed for operation. On the other hand, components that require a dual power supply voltage need both positive and negative voltage levels to function correctly.Understanding the voltage supply requirements of electronic components is crucial for designing and integrating them into circuits to ensure proper functionality and prevent damage due to incorrect voltage levels.
6V~36V ±3V~18V - Output Current per Channel
Output Current per Channel is a specification commonly found in electronic components such as amplifiers, audio interfaces, and power supplies. It refers to the maximum amount of electrical current that can be delivered by each individual output channel of the component. This parameter is important because it determines the capacity of the component to drive connected devices or loads. A higher output current per channel means the component can deliver more power to connected devices, while a lower output current may limit the performance or functionality of the component in certain applications. It is crucial to consider the output current per channel when selecting electronic components to ensure they can meet the power requirements of the intended system or setup.
40mA - Input Offset Voltage (Vos)
Input Offset Voltage (Vos) is a key parameter in electronic components, particularly in operational amplifiers. It refers to the voltage difference that must be applied between the two input terminals of the amplifier to nullify the output voltage when the input terminals are shorted together. In simpler terms, it represents the voltage required to bring the output of the amplifier to zero when there is no input signal present. Vos is an important parameter as it can introduce errors in the output signal of the amplifier, especially in precision applications where accuracy is crucial. Minimizing Vos is essential to ensure the amplifier operates with high precision and accuracy.
6mV - Neg Supply Voltage-Nom (Vsup)
The parameter "Neg Supply Voltage-Nom (Vsup)" in electronic components refers to the nominal negative supply voltage that the component requires to operate within its specified performance characteristics. This parameter indicates the minimum voltage level that must be provided to the component's negative supply pin for proper functionality. It is important to ensure that the negative supply voltage provided to the component does not exceed the maximum specified value to prevent damage or malfunction. Understanding and adhering to the specified negative supply voltage requirements is crucial for the reliable operation of the electronic component in a circuit.
-15V - Unity Gain BW-Nom
Unity Gain Bandwidth, often abbreviated as Unity Gain BW or UGBW, refers to the frequency at which an amplifier can provide a gain of one (0 dB). It is a critical parameter in assessing the performance of operational amplifiers and other amplifying devices, indicating the range of frequencies over which the amplifier can operate without distortion. Unity Gain BW is particularly important in applications where signal fidelity is crucial, as it helps determine the maximum frequency of operation for a given gain level. As the gain is reduced, the bandwidth typically increases, ensuring that the amplifier can still operate effectively across various signal frequencies.
4000 kHz - Voltage Gain
Voltage gain is a measure of how much an electronic component or circuit amplifies an input voltage signal to produce an output voltage signal. It is typically expressed as a ratio or in decibels (dB). A higher voltage gain indicates a greater amplification of the input signal. Voltage gain is an important parameter in amplifiers, where it determines the level of amplification provided by the circuit. It is calculated by dividing the output voltage by the input voltage and is a key factor in determining the overall performance and functionality of electronic devices.
106.02dB - Low-Offset
Low-offset is a parameter used to describe the level of offset voltage in electronic components, particularly in operational amplifiers. Offset voltage refers to the small voltage difference that exists between the input terminals of the amplifier when the input voltage is zero. A low-offset value indicates that this voltage difference is minimal, which is desirable for accurate signal processing and amplification. Components with low-offset specifications are preferred in applications where precision and accuracy are critical, such as in instrumentation and measurement systems. Minimizing offset voltage helps reduce errors and ensures the faithful reproduction of input signals by the amplifier.
NO - Frequency Compensation
Frequency compensation is implemented by modifying the gain and phase characteristics of the amplifier's open loop output or of its feedback network, or both, in such a way as to avoid the conditions leading to oscillation. This is usually done by the internal or external use of resistance-capacitance networks.
YES - Voltage - Input Offset
Voltage - Input Offset is a parameter that refers to the difference in voltage between the input terminals of an electronic component, such as an operational amplifier, when the input voltage is zero. It is an important characteristic that can affect the accuracy and performance of the component in various applications. A low input offset voltage is desirable as it indicates that the component will have minimal error in its output when the input signal is near zero. Manufacturers typically provide this specification in the component's datasheet to help users understand the component's behavior and make informed decisions when designing circuits.
3mV - Low-Bias
Low-bias in electronic components refers to a design or configuration that minimizes the amount of bias current flowing through the component. Bias current is a small, steady current that is used to establish the operating point of a component, such as a transistor or amplifier. By reducing the bias current to a low level, the component can operate with lower power consumption and potentially lower distortion. Low-bias components are often used in applications where power efficiency and signal fidelity are important, such as in audio amplifiers or battery-powered devices. Overall, the low-bias parameter indicates the ability of the component to operate efficiently and accurately with minimal bias current.
YES - Input Offset Current-Max (IIO)
Input Offset Current-Max (IIO) is a parameter that describes the maximum difference in input bias currents between two input terminals of an electronic component, such as an operational amplifier. Input offset current can cause errors in the output of the component, especially in precision applications where accuracy is crucial. The IIO specification provides a limit on the maximum allowable difference in input currents to ensure that the component operates within its specified performance range. Designers need to consider the IIO value when selecting components and designing circuits to minimize errors and ensure reliable operation.
0.004μA - Length4.9mm
- Height Seated (Max)
Height Seated (Max) is a parameter in electronic components that refers to the maximum allowable height of the component when it is properly seated or installed on a circuit board or within an enclosure. This specification is crucial for ensuring proper fit and alignment within the overall system design. Exceeding the maximum seated height can lead to mechanical interference, electrical shorts, or other issues that may impact the performance and reliability of the electronic device. Manufacturers provide this information to help designers and engineers select components that will fit within the designated space and function correctly in the intended application.
1.75mm - Radiation Hardening
Radiation hardening is the process of making electronic components and circuits resistant to damage or malfunction caused by high levels of ionizing radiation, especially for environments in outer space (especially beyond the low Earth orbit), around nuclear reactors and particle accelerators, or during nuclear accidents or nuclear warfare.
No - RoHS Status
RoHS means “Restriction of Certain Hazardous Substances” in the “Hazardous Substances Directive” in electrical and electronic equipment.
ROHS3 Compliant - Lead Free
Lead Free is a term used to describe electronic components that do not contain lead as part of their composition. Lead is a toxic material that can have harmful effects on human health and the environment, so the electronics industry has been moving towards lead-free components to reduce these risks. Lead-free components are typically made using alternative materials such as silver, copper, and tin. Manufacturers must comply with regulations such as the Restriction of Hazardous Substances (RoHS) directive to ensure that their products are lead-free and environmentally friendly.
Lead Free
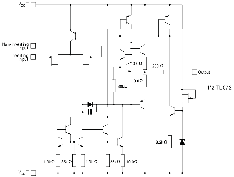
TL072A Functional Block Diagram

Schematic diagram
TL072A Equivalent
| Model number | Manufacturer | Description |
| TL072AMN | STMicroelectronics | DUAL OP-AMP, 7000uV OFFSET-MAX, 4MHz BAND WIDTH, PDIP8, ROHS COMPLIANT, PLASTIC, DIP-8 |
| TL082ACP | Freescale Semiconductor | IC,OP-AMP,DUAL,BIPOLAR/JFET,DIP,8PIN,PLASTIC |
| NTE947D | NTE Electronics Inc | Operational Amplifier, 2 Func, 7500uV Offset-Max, PDIP14, DIP-14 |
| TL072AMD | STMicroelectronics | DUAL OP-AMP, 7000uV OFFSET-MAX, 4MHz BAND WIDTH, PDSO8, ROHS COMPLIANT, MICRO, PLASTIC, SOP-8 |
| MCT1458P1G | On Semiconductor | DUAL OP-AMP, 7500uV OFFSET-MAX, PDIP8, GREEN, PLASTIC, DIP-8 |
| KA1458AD | Samsung Semiconductor | Operational Amplifier, 2 Func, 7500uV Offset-Max, BIPolar, PDSO8, 0.225 INCH, SOP-8 |
| TL072AIN | STMicroelectronics | DUAL OP-AMP, 7000uV OFFSET-MAX, 4MHz BAND WIDTH, PDIP8, ROHS COMPLIANT, PLASTIC, DIP-8 |
| RC4558-W | Texas Instruments | Dual General-Purpose Operational Amplifier 0-WAFERSALE |
| TL082IH | STMicroelectronics | DUAL OP-AMP, 7000uV OFFSET-MAX, 4MHz BAND WIDTH, MBCY8, TO-99, 8 PIN |
| TL072ACD | Rochester Electronics LLC | DUAL OP-AMP, 7500uV OFFSET-MAX, 4MHz BAND WIDTH, PDSO8, PLASTIC, SO-8 |
Where to use IC TL072?
TL072 is mainly used where high-accuracy is needed with respect to low harmonic and noise, as used for audio pre-amplification. The audio pre-amplification means for getting output audio with low noise, interference, distortion and also used for controlling the volume, bass and treble. It also compares the voltage like the other op-amp ICs do. So, can be used as a voltage comparator IC.
How to use IC TL072?
We can use this IC for audio pre-amplification or for better sound quality with having a low price of it with a high accuracy. In the circuit, as the audio input is attached it will receive from the output with low noise and distortion. We can increase the value of resistor R4 due to having high input impedance. R1 is used for impedance balancing, which helps in getting low distortion. R2 and R3 are negative feedback resistors, used for measuring the output signal. If the value of R2 and R3 is placed too high then the noise will increase and if it is too low then the noise will be lower, but it may increase distortion as the load on IC gets high. R6 is used to discharge or empty the C2 flows in order to reduce noise strikes.

TL072A Typical application

100 kHz quadruple oscillator
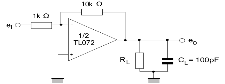
TL072A Parameter Measurement Information

Voltage follower

Gain-of-10 inverting amplifier
TL072A Package

SO8 package mechanical drawing
TL072A Manufacturer
STMicroelectronics is a global independent semiconductor company and is a leader in developing and delivering semiconductor solutions across the spectrum of microelectronics applications. An unrivaled combination of silicon and system expertise, manufacturing strength, Intellectual Property (IP) portfolio and strategic partners positions the Company at the forefront of System-on-Chip (SoC) technology and its products play a key role in enabling today's convergence trends.
Trend Analysis
Datasheet PDF
- Datasheets :
- Simulation Models :
Can TL072 be replaced with NE5532?
TL072 is a general operational amplifier, and NE5532 is an audio operational amplifier. The pins of the two are exactly the same. If you are using it on a common circuit, you can directly replace it. However, I personally feel that the performance of NE5532 in audio circuits is much better than that of TL072, and the input resistance of TL072 is greater than that of NE5532. If you are particularly particular about the use of operational amplifiers (Senior), you may still have to pay attention to their differences.
What is the use of TL072 on the circuit?
TL072 is a dual op amp with high input impedance. The input offset voltage is 3mV (typical value), the power supply voltage range is ±18V, the unity gain bandwidth is 4MHz, and the input impedance is 10 to the 12th power ohm (typical value). Its function is generally used to amplify the voltage signal.
Is it appropriate to use TL072 as a preamplifier?
Suitable. This is a general purpose op amp. General speakers like to use NE5532, this op amp may have better performance, and the price of the two is not much different. TL072 is a low-noise JFET input operational amplifier, which is more than enough to be used as a preamplifier for computer audio.
TPS2556DRBR Switch: 8-VDFN 5V, Pinout and Datasheet10 February 2022994
LM337 Voltage Regulator: Pinout, Feature and Datasheet23 October 202113265
STM32F723E-DISCO Communities and Development Resources Guide07 June 2025218
DRV8833 two-channel H-bridge motor driver: How to use DRV8833?23 May 20229045
MSP430x15x, MSP430x16x, MSP430x161x: Mixed Signal Microcontroller29 February 2024115
SST25VF020B SPI Serial Flash: Pinout, Equivalent and Datasheet16 February 20222795
PCA9615 Bus Buffer: Datasheet, Pinout and Applications03 September 20213952
2SA1943 PNP Transistor: Datasheet, Price and Equivalent15 October 202118622
Revolutionizing the Electric Vehicle Industry with Silicon Carbide10 August 20231910
Use of WBG Semiconductor Power Converters in DC Microgrid Applications12 December 20232170
What is a Multimeter?20 December 20216596
Development of Ultra-wide Band-gap Ga2O3 Semiconductor Materials in Power MOSFETs21 October 20223549
Towards an Optoelectronic Chip That Mimics the Human Brain20 April 2022841
The Ultimate Guide to Microchip MCUs: From Selection to Real-World Applications13 September 20251236
Chip Packaging Lead Time Has Grown to 50 Weeks07 April 20225885
What is an LTPO Display?08 October 20217801
STMicroelectronics
In Stock: 2500
United States
China
Canada
Japan
Russia
Germany
United Kingdom
Singapore
Italy
Hong Kong(China)
Taiwan(China)
France
Korea
Mexico
Netherlands
Malaysia
Austria
Spain
Switzerland
Poland
Thailand
Vietnam
India
United Arab Emirates
Afghanistan
Åland Islands
Albania
Algeria
American Samoa
Andorra
Angola
Anguilla
Antigua & Barbuda
Argentina
Armenia
Aruba
Australia
Azerbaijan
Bahamas
Bahrain
Bangladesh
Barbados
Belarus
Belgium
Belize
Benin
Bermuda
Bhutan
Bolivia
Bonaire, Sint Eustatius and Saba
Bosnia & Herzegovina
Botswana
Brazil
British Indian Ocean Territory
British Virgin Islands
Brunei
Bulgaria
Burkina Faso
Burundi
Cabo Verde
Cambodia
Cameroon
Cayman Islands
Central African Republic
Chad
Chile
Christmas Island
Cocos (Keeling) Islands
Colombia
Comoros
Congo
Congo (DRC)
Cook Islands
Costa Rica
Côte d’Ivoire
Croatia
Cuba
Curaçao
Cyprus
Czechia
Denmark
Djibouti
Dominica
Dominican Republic
Ecuador
Egypt
El Salvador
Equatorial Guinea
Eritrea
Estonia
Eswatini
Ethiopia
Falkland Islands
Faroe Islands
Fiji
Finland
French Guiana
French Polynesia
Gabon
Gambia
Georgia
Ghana
Gibraltar
Greece
Greenland
Grenada
Guadeloupe
Guam
Guatemala
Guernsey
Guinea
Guinea-Bissau
Guyana
Haiti
Honduras
Hungary
Iceland
Indonesia
Iran
Iraq
Ireland
Isle of Man
Israel
Jamaica
Jersey
Jordan
Kazakhstan
Kenya
Kiribati
Kosovo
Kuwait
Kyrgyzstan
Laos
Latvia
Lebanon
Lesotho
Liberia
Libya
Liechtenstein
Lithuania
Luxembourg
Macao(China)
Madagascar
Malawi
Maldives
Mali
Malta
Marshall Islands
Martinique
Mauritania
Mauritius
Mayotte
Micronesia
Moldova
Monaco
Mongolia
Montenegro
Montserrat
Morocco
Mozambique
Myanmar
Namibia
Nauru
Nepal
New Caledonia
New Zealand
Nicaragua
Niger
Nigeria
Niue
Norfolk Island
North Korea
North Macedonia
Northern Mariana Islands
Norway
Oman
Pakistan
Palau
Palestinian Authority
Panama
Papua New Guinea
Paraguay
Peru
Philippines
Pitcairn Islands
Portugal
Puerto Rico
Qatar
Réunion
Romania
Rwanda
Samoa
San Marino
São Tomé & Príncipe
Saudi Arabia
Senegal
Serbia
Seychelles
Sierra Leone
Sint Maarten
Slovakia
Slovenia
Solomon Islands
Somalia
South Africa
South Sudan
Sri Lanka
St Helena, Ascension, Tristan da Cunha
St. Barthélemy
St. Kitts & Nevis
St. Lucia
St. Martin
St. Pierre & Miquelon
St. Vincent & Grenadines
Sudan
Suriname
Svalbard & Jan Mayen
Sweden
Syria
Tajikistan
Tanzania
Timor-Leste
Togo
Tokelau
Tonga
Trinidad & Tobago
Tunisia
Turkey
Turkmenistan
Turks & Caicos Islands
Tuvalu
U.S. Outlying Islands
U.S. Virgin Islands
Uganda
Ukraine
Uruguay
Uzbekistan
Vanuatu
Vatican City
Venezuela
Wallis & Futuna
Yemen
Zambia
Zimbabwe


Product
Brand
Articles
Tools



