SN74LVC1G07DCKR Single Buffer/Driver: Features, Pinout, and Datasheet
DUAL Buffer, Non-Inverting 1.65V~5.5V Open Drain Buffers 74LVC Series 74LVC1G07 5 Pins 5-TSSOP, SC-70-5, SOT-353









DUAL Buffer, Non-Inverting 1.65V~5.5V Open Drain Buffers 74LVC Series 74LVC1G07 5 Pins 5-TSSOP, SC-70-5, SOT-353
The SN74LVC1G07DCKR is a single Buffer/Driver with Open-Drain Output. This article mainly introduces Features, Pinout, Datasheet and other detailed information about Texas Instruments SN74LVC1G07DCKR.

Single Supply Transistor Buffer
- SN74LVC1G07DCKR Description
- SN74LVC1G07DCKR Pinout
- SN74LVC1G07DCKR CAD Model
- SN74LVC1G07DCKR Features
- Specifications
- Parts with Similar Specs
- SN74LVC1G07DCKR Functional Block Diagram
- SN74LVC1G07DCKR Typical Application
- SN74LVC1G07DCKR Layout
- SN74LVC1G07DCKR Alternatives
- SN74LVC1G07DCKR Applications
- SN74LVC1G07DCKR Package
- SN74LVC1G07DCKR Manufacturer
- Trend Analysis
- Datasheet PDF
SN74LVC1G07DCKR Description
This single buffer/driver is rated for a VCC range of 1.65 to 5.5 volts.
The SN74LVC1G07DCKR device's output is open drain, which means it can be coupled to other open-drain outputs to implement active-low wired-OR or active-high wiredAND functionalities. The maximum sink current is 32 milliamperes (mA).
The SN74LVC1G07DCKR comes in a variety of packages, including the ultra-small DPW packaging, which has a body size of 0.8 mm.
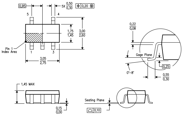
SN74LVC1G07DCKR Pinout
The following figure is SN74LVC1G07DCKR Pinout.

Pinout
| Pin Number | Pin Name | Description |
| 1 | NC | Not connected |
| 2 | A | Input |
| 3 | GND | Ground |
| 4 | Y | Output |
| 5 | VCC | Power pin |
SN74LVC1G07DCKR CAD Model
SN74LVC1G07DCKR Features
• Available in the Ultra Small 0.64-mm2 Package (DPW) With 0.5-mm Pitch
• Supports 5-V VCC Operation
• Input and Open-Drain Output Accept Voltages up to 5.5 V
• Can Translate Up or Down
• Max tpd of 4.2 ns at 3.3 V
• Low Power Consumption, 10-µA Max ICC
• ±24-mA Output Drive at 3.3 V
• Ioff Supports Live Insertion, Partial-Power-Down Mode, and Back-Drive Protection
• Latch-Up Performance Exceeds 100 mA Per JESD 78, Class II
• ESD Protection Exceeds JESD 22
– 2000-V Human-Body Model (A114-A)
– 200-V Machine Model (A115-A)
– 1000-V Charged-Device Model (C101)
Specifications
- TypeParameter
- Lifecycle Status
Lifecycle Status refers to the current stage of an electronic component in its product life cycle, indicating whether it is active, obsolete, or transitioning between these states. An active status means the component is in production and available for purchase. An obsolete status indicates that the component is no longer being manufactured or supported, and manufacturers typically provide a limited time frame for support. Understanding the lifecycle status is crucial for design engineers to ensure continuity and reliability in their projects.
ACTIVE (Last Updated: 2 days ago) - Factory Lead Time6 Weeks
- Contact Plating
Contact plating (finish) provides corrosion protection for base metals and optimizes the mechanical and electrical properties of the contact interfaces.
Gold - Mount
In electronic components, the term "Mount" typically refers to the method or process of physically attaching or fixing a component onto a circuit board or other electronic device. This can involve soldering, adhesive bonding, or other techniques to secure the component in place. The mounting process is crucial for ensuring proper electrical connections and mechanical stability within the electronic system. Different components may have specific mounting requirements based on their size, shape, and function, and manufacturers provide guidelines for proper mounting procedures to ensure optimal performance and reliability of the electronic device.
Surface Mount - Mounting Type
The "Mounting Type" in electronic components refers to the method used to attach or connect a component to a circuit board or other substrate, such as through-hole, surface-mount, or panel mount.
Surface Mount - Package / Case
refers to the protective housing that encases an electronic component, providing mechanical support, electrical connections, and thermal management.
5-TSSOP, SC-70-5, SOT-353 - Number of Pins5
- Operating Temperature
The operating temperature is the range of ambient temperature within which a power supply, or any other electrical equipment, operate in. This ranges from a minimum operating temperature, to a peak or maximum operating temperature, outside which, the power supply may fail.
-40°C~125°C TA - Packaging
Semiconductor package is a carrier / shell used to contain and cover one or more semiconductor components or integrated circuits. The material of the shell can be metal, plastic, glass or ceramic.
Cut Tape (CT) - Series
In electronic components, the "Series" refers to a group of products that share similar characteristics, designs, or functionalities, often produced by the same manufacturer. These components within a series typically have common specifications but may vary in terms of voltage, power, or packaging to meet different application needs. The series name helps identify and differentiate between various product lines within a manufacturer's catalog.
74LVC - JESD-609 Code
The "JESD-609 Code" in electronic components refers to a standardized marking code that indicates the lead-free solder composition and finish of electronic components for compliance with environmental regulations.
e4 - Pbfree Code
The "Pbfree Code" parameter in electronic components refers to the code or marking used to indicate that the component is lead-free. Lead (Pb) is a toxic substance that has been widely used in electronic components for many years, but due to environmental concerns, there has been a shift towards lead-free alternatives. The Pbfree Code helps manufacturers and users easily identify components that do not contain lead, ensuring compliance with regulations and promoting environmentally friendly practices. It is important to pay attention to the Pbfree Code when selecting electronic components to ensure they meet the necessary requirements for lead-free applications.
yes - Part Status
Parts can have many statuses as they progress through the configuration, analysis, review, and approval stages.
Active - Moisture Sensitivity Level (MSL)
Moisture Sensitivity Level (MSL) is a standardized rating that indicates the susceptibility of electronic components, particularly semiconductors, to moisture-induced damage during storage and the soldering process, defining the allowable exposure time to ambient conditions before they require special handling or baking to prevent failures
1 (Unlimited) - Number of Terminations5
- Termination
Termination in electronic components refers to the practice of matching the impedance of a circuit to prevent signal reflections and ensure maximum power transfer. It involves the use of resistors or other components at the end of transmission lines or connections. Proper termination is crucial in high-frequency applications to maintain signal integrity and reduce noise.
SMD/SMT - ECCN Code
An ECCN (Export Control Classification Number) is an alphanumeric code used by the U.S. Bureau of Industry and Security to identify and categorize electronic components and other dual-use items that may require an export license based on their technical characteristics and potential for military use.
EAR99 - Packing Method
The packing method in electronic components refers to the technique used to package and protect the component during shipping and handling. It encompasses various forms including tape and reel, tray, tube, or bulk packaging, each suited for different types of components and manufacturing processes. The choice of packing method can affect the ease of handling, storage, and the efficiency of assembly in automated processes. Additionally, it plays a crucial role in ensuring the reliability and integrity of the components until they are used in electronic devices.
TR - Voltage - Supply
Voltage - Supply refers to the range of voltage levels that an electronic component or circuit is designed to operate with. It indicates the minimum and maximum supply voltage that can be applied for the device to function properly. Providing supply voltages outside this range can lead to malfunction, damage, or reduced performance. This parameter is critical for ensuring compatibility between different components in a circuit.
1.65V~5.5V - Terminal Position
In electronic components, the term "Terminal Position" refers to the physical location of the connection points on the component where external electrical connections can be made. These connection points, known as terminals, are typically used to attach wires, leads, or other components to the main body of the electronic component. The terminal position is important for ensuring proper connectivity and functionality of the component within a circuit. It is often specified in technical datasheets or component specifications to help designers and engineers understand how to properly integrate the component into their circuit designs.
DUAL - Terminal Form
Occurring at or forming the end of a series, succession, or the like; closing; concluding.
GULL WING - Peak Reflow Temperature (Cel)
Peak Reflow Temperature (Cel) is a parameter that specifies the maximum temperature at which an electronic component can be exposed during the reflow soldering process. Reflow soldering is a common method used to attach electronic components to a circuit board. The Peak Reflow Temperature is crucial because it ensures that the component is not damaged or degraded during the soldering process. Exceeding the specified Peak Reflow Temperature can lead to issues such as component failure, reduced performance, or even permanent damage to the component. It is important for manufacturers and assemblers to adhere to the recommended Peak Reflow Temperature to ensure the reliability and functionality of the electronic components.
260 - Number of Functions1
- Supply Voltage
Supply voltage refers to the electrical potential difference provided to an electronic component or circuit. It is crucial for the proper operation of devices, as it powers their functions and determines performance characteristics. The supply voltage must be within specified limits to ensure reliability and prevent damage to components. Different electronic devices have specific supply voltage requirements, which can vary widely depending on their design and intended application.
3.3V - Base Part Number
The "Base Part Number" (BPN) in electronic components serves a similar purpose to the "Base Product Number." It refers to the primary identifier for a component that captures the essential characteristics shared by a group of similar components. The BPN provides a fundamental way to reference a family or series of components without specifying all the variations and specific details.
74LVC1G07 - Pin Count
a count of all of the component leads (or pins)
5 - Output Type
The "Output Type" parameter in electronic components refers to the type of signal or data that is produced by the component as an output. This parameter specifies the nature of the output signal, such as analog or digital, and can also include details about the voltage levels, current levels, frequency, and other characteristics of the output signal. Understanding the output type of a component is crucial for ensuring compatibility with other components in a circuit or system, as well as for determining how the output signal can be utilized or processed further. In summary, the output type parameter provides essential information about the nature of the signal that is generated by the electronic component as its output.
Open Drain - Polarity
In electronic components, polarity refers to the orientation or direction in which the component must be connected in a circuit to function properly. Components such as diodes, capacitors, and LEDs have polarity markings to indicate which terminal should be connected to the positive or negative side of the circuit. Connecting a component with incorrect polarity can lead to malfunction or damage. It is important to pay attention to polarity markings and follow the manufacturer's instructions to ensure proper operation of electronic components.
Non-Inverting - Power Supplies
an electronic circuit that converts the voltage of an alternating current (AC) into a direct current (DC) voltage.?
3.3V - Number of Channels1
- Nominal Supply Current
Nominal current is the same as the rated current. It is the current drawn by the motor while delivering rated mechanical output at its shaft.
40mA - Propagation Delay
the flight time of packets over the transmission link and is limited by the speed of light.
8.3 ns - Quiescent Current
The quiescent current is defined as the current level in the amplifier when it is producing an output of zero.
10μA - Turn On Delay Time
Turn-on delay, td(on), is the time taken to charge the input capacitance of the device before drain current conduction can start.
8.3 ns - Family
In electronic components, the parameter "Family" typically refers to a categorization or classification system used to group similar components together based on their characteristics, functions, or applications. This classification helps users easily identify and select components that meet their specific requirements. The "Family" parameter can include various subcategories such as resistors, capacitors, diodes, transistors, integrated circuits, and more. Understanding the "Family" of an electronic component can provide valuable information about its compatibility, performance specifications, and potential uses within a circuit or system. It is important to consider the "Family" parameter when designing or troubleshooting electronic circuits to ensure proper functionality and compatibility with other components.
LVC/LCX/Z - Logic Function
In electronic components, the term "Logic Function" refers to the specific operation or behavior of a component based on its input signals. It describes how the component processes the input signals to produce the desired output. Logic functions are fundamental to digital circuits and are used to perform logical operations such as AND, OR, NOT, and XOR.Each electronic component, such as logic gates or flip-flops, is designed to perform a specific logic function based on its internal circuitry. By understanding the logic function of a component, engineers can design and analyze complex digital systems to ensure proper functionality and performance. Different logic functions can be combined to create more complex operations, allowing for the creation of sophisticated digital devices and systems.
Buffer, Inverting - Number of Inputs1
- Logic Type
Logic Type in electronic components refers to the classification of circuits based on the logical operations they perform. It includes types such as AND, OR, NOT, NAND, NOR, XOR, and XNOR, each defining the relationship between binary inputs and outputs. The logic type determines how the inputs affect the output state based on specific rules of Boolean algebra. This classification is crucial for designing digital circuits and systems, enabling engineers to select appropriate components for desired functionalities.
Buffer, Non-Inverting - Max I(ol)
Max I(ol) refers to the maximum output current that a specific electronic component, such as a transistor or integrated circuit, can sink or source. This parameter is crucial in determining the capability of the component to drive external loads without being damaged. It is typically specified in the component's datasheet and is important for ensuring proper operation and reliability of the circuit in which the component is used. Designers must ensure that the output current requirements of the circuit do not exceed the specified "Max I(ol)" value to prevent overloading and potential failure of the component.
0.032 A - Prop. Delay@Nom-Sup
The parameter "Prop. Delay@Nom-Sup" in electronic components refers to the propagation delay at nominal supply voltage. Propagation delay is the time it takes for a signal to travel from the input of a component to the output, typically measured in nanoseconds or picoseconds. The nominal supply voltage is the standard operating voltage specified for the component.This parameter is important because it affects the overall speed and performance of the electronic circuit. A shorter propagation delay means faster signal processing and better overall performance. Designers need to consider the propagation delay at the nominal supply voltage when selecting components for their circuits to ensure proper functionality and meet performance requirements.
4.7 ns - Schmitt Trigger
A Schmitt Trigger is a type of comparator circuit commonly used in electronics to convert an analog input signal into a digital output signal. It has hysteresis, which means that the output switches at different voltage levels depending on whether the input is rising or falling. This hysteresis helps to eliminate noise and provide a more stable output signal. Schmitt Triggers are often used in applications where noise immunity and signal conditioning are important, such as in signal processing, waveform shaping, and digital logic circuits.
NO - Max Junction Temperature (Tj)
Max Junction Temperature (Tj) refers to the maximum allowable temperature at the junction of a semiconductor device, such as a transistor or integrated circuit. It is a critical parameter that influences the performance, reliability, and lifespan of the component. Exceeding this temperature can lead to thermal runaway, breakdown, or permanent damage to the device. Proper thermal management is essential to ensure the junction temperature remains within safe operating limits during device operation.
150°C - Height1.1mm
- Length2mm
- Width1.25mm
- Thickness
Thickness in electronic components refers to the measurement of how thick a particular material or layer is within the component structure. It can pertain to various aspects, such as the thickness of a substrate, a dielectric layer, or conductive traces. This parameter is crucial as it impacts the electrical, mechanical, and thermal properties of the component, influencing its performance and reliability in electronic circuits.
900μm - REACH SVHC
The parameter "REACH SVHC" in electronic components refers to the compliance with the Registration, Evaluation, Authorization, and Restriction of Chemicals (REACH) regulation regarding Substances of Very High Concern (SVHC). SVHCs are substances that may have serious effects on human health or the environment, and their use is regulated under REACH to ensure their safe handling and minimize their impact.Manufacturers of electronic components need to declare if their products contain any SVHCs above a certain threshold concentration and provide information on the safe use of these substances. This information allows customers to make informed decisions about the potential risks associated with using the components and take appropriate measures to mitigate any hazards.Ensuring compliance with REACH SVHC requirements is essential for electronics manufacturers to meet regulatory standards, protect human health and the environment, and maintain transparency in their supply chain. It also demonstrates a commitment to sustainability and responsible manufacturing practices in the electronics industry.
No SVHC - Radiation Hardening
Radiation hardening is the process of making electronic components and circuits resistant to damage or malfunction caused by high levels of ionizing radiation, especially for environments in outer space (especially beyond the low Earth orbit), around nuclear reactors and particle accelerators, or during nuclear accidents or nuclear warfare.
No - RoHS Status
RoHS means “Restriction of Certain Hazardous Substances” in the “Hazardous Substances Directive” in electrical and electronic equipment.
ROHS3 Compliant - Lead Free
Lead Free is a term used to describe electronic components that do not contain lead as part of their composition. Lead is a toxic material that can have harmful effects on human health and the environment, so the electronics industry has been moving towards lead-free components to reduce these risks. Lead-free components are typically made using alternative materials such as silver, copper, and tin. Manufacturers must comply with regulations such as the Restriction of Hazardous Substances (RoHS) directive to ensure that their products are lead-free and environmentally friendly.
Lead Free
Parts with Similar Specs
- ImagePart NumberManufacturerPackage / CaseNumber of InputsNumber of PinsLogic FunctionPropagation DelaySupply VoltageNumber of TerminationsMountView Compare
SN74LVC1G07DCKR
5-TSSOP, SC-70-5, SOT-353
1
5
Buffer, Inverting
8.3 ns
3.3 V
5
Surface Mount
5-TSSOP, SC-70-5, SOT-353
-
5
-
10.6 ns
3.3 V
5
Surface Mount
5-TSSOP, SC-70-5, SOT-353
-
5
Buffer, Inverter
7.5 ns
3.3 V
5
Surface Mount
5-TSSOP, SC-70-5, SOT-353
-
5
Buffer, Inverter
7.5 ns
3.3 V
5
Surface Mount
SN74LVC1G07DCKR Functional Block Diagram
SN74LVC1G07DCKR Typical Application
SN74LVC1G07DCKR Layout
Inputs should never float when using multiple-bit logic devices. When only two inputs of a triple-input AND gate are used, or only three of the four buffer gates are used, functionalities or parts of functions of digital logic devices are frequently left unused. The undefined voltages at the outside connections result in undefined operating states, hence such input pins should not be left disconnected. The rules that must be followed in all instances are listed below. To prevent floating, all unused inputs of digital logic devices must be connected to a high or low bias. The logic level that should be applied to any given unused input is determined by the device's function. They'll usually be connected to GND or Vcc, depending on which is handier.

Layout
SN74LVC1G07DCKR Alternatives
| Part Number | Description | Manufacturer |
| SN74LVC1G07DCKRE4LOGIC | Single 1.65-V to 5.5-V buffer with open-drain outputs 5-SC70 -40 to 125 | Texas Instruments |
SN74LVC1G07DCKR Applications
• AV Receiver
• Blu-ray Player and Home Theater
• DVD Recorder and Player
• Desktop or Notebook PC
• Digital Radio or Internet Radio Player
• Digital Video Camera (DVC)
• Embedded PC
• GPS: Personal Navigation Device
• Mobile Internet Device
• Network Projector Front End
• Portable Media Player
• Pro Audio Mixer
• Smoke Detector
• Solid State Drive (SSD): Enterprise
• High-Definition (HDTV)
• Tablet: Enterprise
• Audio Dock: Portable
• DLP Front Projection System
• DVR and DVS
• Digital Picture Frame (DPF)
SN74LVC1G07DCKR Package
SN74LVC1G07DCKR Manufacturer
Texas Instruments Incorporated (TI) is a Texas -based technology company that designs and manufactures semiconductors and integrated circuits for electronic designers and manufacturers all over the world. It is one among the top ten semiconductor companies in the world based on sales volume. The company's major focus is analog chips and embedded processors, which account for more than 80% of the company's sales. Calculators, microcontrollers, and multi-core processors, as well as TI digital light processing technologies and education technology, are all manufactured by TI.
Trend Analysis
Datasheet PDF
- Datasheets :
SN74LVC1G07DCKR-Texas-Instruments-datasheet-65713477.pdf
SN74LVC1G07DCKR-Texas-Instruments-datasheet-33018797.pdf
SN74LVC1G07DCKR-Texas-Instruments-datasheet-14144452.pdf
SN74LVC1G07DCKR-Texas-Instruments-datasheet-10852091.pdf
SN74LVC1G07DCKR-Texas-Instruments-datasheet-8441308.pdf
SN74LVC1G07DCKR-Texas-Instruments-datasheet-5328147.pdf
- PCN Design/Specification :
What is the SN74LVC1G07DCKR rated for?
VCC range of 1.65 to 5.5 volts.
What is the output of the SN74LVC1G07DCKR device?
Open drain.
What is the maximum sink current in the SN74LVC1G07DCKR?
32 milliamperes.
What is the body size of the DPW packaging?
0.8 mm.
WS2811 vs. WS2812B27 September 202119193
Brief introduction of TPS92692QPWPRQ1 LED Controller22 March 2022541
LM393DR: LM393, 36V, Pinout, Datasheet15 March 20223431
AD822 FET-Input Op-Amp: Pinout, Equivalent and Datasheet13 December 20213131
LM7806 Regulator: Pinout, Advantage and Datasheet28 August 20216673
HC-SR501 PIR Motion Sensor: Datasheet, Pinout and Specifications19 October 202110860
AD7878BQ Converter:Pinout, Specification, Datasheet28 May 2021462
BC547B NPN Transistor: Pinout, Datasheet, and Equivalent29 July 202114268
What is Amplifier?08 November 20257268
What is a USB Flash Drive?25 May 20213167
Parking Access Control System using Arduino29 August 20235764
What is Spectrum Analyzer?17 December 20214735
LDO vs Buck Converter: Which Power Regulator Is Best For Your Application?16 May 20255318
What is Regulated Power Supply?08 January 202114517
How to Choose MOSFET for Switching Power Supply?02 March 20228435
What is a Decoder?09 January 202619393
Texas Instruments
In Stock: 10000
United States
China
Canada
Japan
Russia
Germany
United Kingdom
Singapore
Italy
Hong Kong(China)
Taiwan(China)
France
Korea
Mexico
Netherlands
Malaysia
Austria
Spain
Switzerland
Poland
Thailand
Vietnam
India
United Arab Emirates
Afghanistan
Åland Islands
Albania
Algeria
American Samoa
Andorra
Angola
Anguilla
Antigua & Barbuda
Argentina
Armenia
Aruba
Australia
Azerbaijan
Bahamas
Bahrain
Bangladesh
Barbados
Belarus
Belgium
Belize
Benin
Bermuda
Bhutan
Bolivia
Bonaire, Sint Eustatius and Saba
Bosnia & Herzegovina
Botswana
Brazil
British Indian Ocean Territory
British Virgin Islands
Brunei
Bulgaria
Burkina Faso
Burundi
Cabo Verde
Cambodia
Cameroon
Cayman Islands
Central African Republic
Chad
Chile
Christmas Island
Cocos (Keeling) Islands
Colombia
Comoros
Congo
Congo (DRC)
Cook Islands
Costa Rica
Côte d’Ivoire
Croatia
Cuba
Curaçao
Cyprus
Czechia
Denmark
Djibouti
Dominica
Dominican Republic
Ecuador
Egypt
El Salvador
Equatorial Guinea
Eritrea
Estonia
Eswatini
Ethiopia
Falkland Islands
Faroe Islands
Fiji
Finland
French Guiana
French Polynesia
Gabon
Gambia
Georgia
Ghana
Gibraltar
Greece
Greenland
Grenada
Guadeloupe
Guam
Guatemala
Guernsey
Guinea
Guinea-Bissau
Guyana
Haiti
Honduras
Hungary
Iceland
Indonesia
Iran
Iraq
Ireland
Isle of Man
Israel
Jamaica
Jersey
Jordan
Kazakhstan
Kenya
Kiribati
Kosovo
Kuwait
Kyrgyzstan
Laos
Latvia
Lebanon
Lesotho
Liberia
Libya
Liechtenstein
Lithuania
Luxembourg
Macao(China)
Madagascar
Malawi
Maldives
Mali
Malta
Marshall Islands
Martinique
Mauritania
Mauritius
Mayotte
Micronesia
Moldova
Monaco
Mongolia
Montenegro
Montserrat
Morocco
Mozambique
Myanmar
Namibia
Nauru
Nepal
New Caledonia
New Zealand
Nicaragua
Niger
Nigeria
Niue
Norfolk Island
North Korea
North Macedonia
Northern Mariana Islands
Norway
Oman
Pakistan
Palau
Palestinian Authority
Panama
Papua New Guinea
Paraguay
Peru
Philippines
Pitcairn Islands
Portugal
Puerto Rico
Qatar
Réunion
Romania
Rwanda
Samoa
San Marino
São Tomé & Príncipe
Saudi Arabia
Senegal
Serbia
Seychelles
Sierra Leone
Sint Maarten
Slovakia
Slovenia
Solomon Islands
Somalia
South Africa
South Sudan
Sri Lanka
St Helena, Ascension, Tristan da Cunha
St. Barthélemy
St. Kitts & Nevis
St. Lucia
St. Martin
St. Pierre & Miquelon
St. Vincent & Grenadines
Sudan
Suriname
Svalbard & Jan Mayen
Sweden
Syria
Tajikistan
Tanzania
Timor-Leste
Togo
Tokelau
Tonga
Trinidad & Tobago
Tunisia
Turkey
Turkmenistan
Turks & Caicos Islands
Tuvalu
U.S. Outlying Islands
U.S. Virgin Islands
Uganda
Ukraine
Uruguay
Uzbekistan
Vanuatu
Vatican City
Venezuela
Wallis & Futuna
Yemen
Zambia
Zimbabwe


Product
Brand
Articles
Tools















