SN74LVC1G14DBVR: Overview, Features, and Applications
3.3V V 11 ns ns 11 ns ns 2.9mm mm Gates & Inverters 32mA mA 1.45mm mm 15.790684mg mg Surface Mount Surface Mount 1.65V~5.5V V 10μA μA









3.3V V 11 ns ns 11 ns ns 2.9mm mm Gates & Inverters 32mA mA 1.45mm mm 15.790684mg mg Surface Mount Surface Mount 1.65V~5.5V V 10μA μA
The voltage range for this single Schmitt-trigger inverter is 1.65 V to 5.5 V VCC.
SN74LVC1G14DBVR Description
The voltage range for this single Schmitt-trigger inverter is 1.65 V to 5.5 V VCC.
The SN74LVC1G14 device performs the Boolean function Y = A and has a single inverter. With Schmitt-trigger inputs, the device operates as an independent inverter. To provide hysteresis (ΔVT), which makes the device tolerant of sluggish or noisy input signals, the device has distinct input threshold levels for positive-going (VT+) and negative-going (VT-) signals.
IC packaging concepts have been revolutionized by NanoFreeTM package technology, which uses the die as the package.
This device has all the specifications needed to use Ioff for partial power-down scenarios. When the device is powered down, the outputs are disabled by the Ioff circuitry. By doing this, current backflow into the device is inhibited, protecting it from damage.
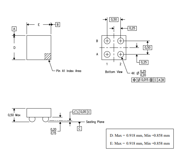
SN74LVC1G14DBVR Pinout

SN74LVC1G14DBVR CAD Model
Symbol

Footprint

3D Model

SN74LVC1G14DBVR Features
accessible through the Texas Instruments NanoFreeTM Bundle
Facilitates 5-V VCC Function
Acceptable Voltages for Inputs: 5.5 V
maximum tpd at 3.3 V of 4.6 ns
Low Power Needed, Maximum ICC of 10-µA
Specifications"
Parts with Similar Specs
- ImagePart NumberManufacturerPackage / CaseNumber of PinsLogic FunctionPropagation DelaySupply VoltageQuiescent CurrentNumber of TerminationsMountView Compare
SN74LVC1G14DBVR
SC-74A, SOT-753
5
Inverting
11 ns
3.3 V
10 μA
5
Surface Mount
SC-74A, SOT-753
5
Inverting
10.6 ns
3.3 V
1 μA
5
Surface Mount
SC-74A, SOT-753
5
Buffer, Inverter, Schmitt Trigger
5.5 ns
5 V
1 μA
5
Surface Mount
SC-74A, SOT-753
5
-
12 ns
3.3 V
1 μA
5
Surface Mount
SN74LVC1G14DBVR Applications
AV Decoder
Portable Audio Dock
Home theater and Blu-ray player
PC embedded
Portable audio player/recorder (MP3)
PDA, or personal digital assistant
SN74LVC1G14DBVR Package

Datasheet PDF
- Datasheets :
SN74LVC1G14DBVR-Texas-Instruments-datasheet-65713481.pdf
SN74LVC1G14DBVR-Texas-Instruments-datasheet-48051207.pdf
SN74LVC1G14DBVR-Texas-Instruments-datasheet-21259355.pdf
SN74LVC1G14DBVR-Texas-Instruments-datasheet-14147753.pdf
SN74LVC1G14DBVR-Texas-Instruments-datasheet-17022327.pdf
SN74LVC1G14DBVR-Texas-Instruments-datasheet-8323431.pdf
- PCN Design/Specification :
- PCN Assembly/Origin :
What is the function of a Schmitt-trigger inverter gate?
A Schmitt-trigger inverter gate is an electronic component that converts an input signal into a digital output. It provides hysteresis, which means the output transitions occur at different voltage levels for rising and falling input signals. This feature helps to improve noise immunity and provide signal conditioning.
What are the typical applications of SN74LVC1G14DBVR?
SN74LVC1G14DBVR is commonly used in various digital logic applications, including level shifting, signal conditioning, signal buffering, and voltage translation. It can be found in a wide range of electronic devices such as smartphones, tablets, portable devices, and consumer electronics.
TL081 Series JFET-Input Operational Amplifier Design Guide20 January 2026196
NCP18XH103F03RB NTC Thermistor 10k 0603: Datasheet, 3D Model, and Application21 February 20221315
2N3440 NPN transistor: Datasheet, Equivalent and Pinout08 November 20213632
Microchip PIC18F43K22EPT Microcontroller Datasheet Overview29 February 202477
BC183 Bipolar NPN Transistor: 30V, 01A, TO92, BC183 Transistor Pinout and Equivalent12 January 20222860
1N4148 VS 1N4007 VS 1N5819: Brief introduction of 1N4148, 1N5819 and 1N4007 diodes06 June 202210190
Understanding the PIC32MX1XX/2XX Microcontroller: A Technical Overview29 February 2024133
PIC18F26K20 Microcontroller: Detailed Technical Analysis29 February 2024282
Things You Need to Know about Seven-segment Display14 October 20216977
What is 3D XPoint?09 November 20214379
Semiconductor Industry Techniques Revolutionize Battery Manufacturing06 November 20232041
Introduction to Wearable Sensors27 October 20252462
Silicon Carbide Substrate Manufacturing: Advancing Technology to New Heights08 June 20233233
Hybrid Sources Powered Electric Vehicles - Part 108 March 20233309
Stepper Motor: Types, Working and Applications26 December 20259944
Various Reasons for the Failure, Explosion and Burning of Tantalum Capacitors02 June 202210229
Texas Instruments
In Stock: 48811
United States
China
Canada
Japan
Russia
Germany
United Kingdom
Singapore
Italy
Hong Kong(China)
Taiwan(China)
France
Korea
Mexico
Netherlands
Malaysia
Austria
Spain
Switzerland
Poland
Thailand
Vietnam
India
United Arab Emirates
Afghanistan
Åland Islands
Albania
Algeria
American Samoa
Andorra
Angola
Anguilla
Antigua & Barbuda
Argentina
Armenia
Aruba
Australia
Azerbaijan
Bahamas
Bahrain
Bangladesh
Barbados
Belarus
Belgium
Belize
Benin
Bermuda
Bhutan
Bolivia
Bonaire, Sint Eustatius and Saba
Bosnia & Herzegovina
Botswana
Brazil
British Indian Ocean Territory
British Virgin Islands
Brunei
Bulgaria
Burkina Faso
Burundi
Cabo Verde
Cambodia
Cameroon
Cayman Islands
Central African Republic
Chad
Chile
Christmas Island
Cocos (Keeling) Islands
Colombia
Comoros
Congo
Congo (DRC)
Cook Islands
Costa Rica
Côte d’Ivoire
Croatia
Cuba
Curaçao
Cyprus
Czechia
Denmark
Djibouti
Dominica
Dominican Republic
Ecuador
Egypt
El Salvador
Equatorial Guinea
Eritrea
Estonia
Eswatini
Ethiopia
Falkland Islands
Faroe Islands
Fiji
Finland
French Guiana
French Polynesia
Gabon
Gambia
Georgia
Ghana
Gibraltar
Greece
Greenland
Grenada
Guadeloupe
Guam
Guatemala
Guernsey
Guinea
Guinea-Bissau
Guyana
Haiti
Honduras
Hungary
Iceland
Indonesia
Iran
Iraq
Ireland
Isle of Man
Israel
Jamaica
Jersey
Jordan
Kazakhstan
Kenya
Kiribati
Kosovo
Kuwait
Kyrgyzstan
Laos
Latvia
Lebanon
Lesotho
Liberia
Libya
Liechtenstein
Lithuania
Luxembourg
Macao(China)
Madagascar
Malawi
Maldives
Mali
Malta
Marshall Islands
Martinique
Mauritania
Mauritius
Mayotte
Micronesia
Moldova
Monaco
Mongolia
Montenegro
Montserrat
Morocco
Mozambique
Myanmar
Namibia
Nauru
Nepal
New Caledonia
New Zealand
Nicaragua
Niger
Nigeria
Niue
Norfolk Island
North Korea
North Macedonia
Northern Mariana Islands
Norway
Oman
Pakistan
Palau
Palestinian Authority
Panama
Papua New Guinea
Paraguay
Peru
Philippines
Pitcairn Islands
Portugal
Puerto Rico
Qatar
Réunion
Romania
Rwanda
Samoa
San Marino
São Tomé & Príncipe
Saudi Arabia
Senegal
Serbia
Seychelles
Sierra Leone
Sint Maarten
Slovakia
Slovenia
Solomon Islands
Somalia
South Africa
South Sudan
Sri Lanka
St Helena, Ascension, Tristan da Cunha
St. Barthélemy
St. Kitts & Nevis
St. Lucia
St. Martin
St. Pierre & Miquelon
St. Vincent & Grenadines
Sudan
Suriname
Svalbard & Jan Mayen
Sweden
Syria
Tajikistan
Tanzania
Timor-Leste
Togo
Tokelau
Tonga
Trinidad & Tobago
Tunisia
Turkey
Turkmenistan
Turks & Caicos Islands
Tuvalu
U.S. Outlying Islands
U.S. Virgin Islands
Uganda
Ukraine
Uruguay
Uzbekistan
Vanuatu
Vatican City
Venezuela
Wallis & Futuna
Yemen
Zambia
Zimbabwe


Product
Brand
Articles
Tools




