SC811 / SC813 Tri-Mode Adapter/USB:Pinout,Datasheet,Features
Constant - Programmable 8-UFDFN Exposed Pad Tape & Reel (TR) 5V 8 Terminals 8 Pin









Constant - Programmable 8-UFDFN Exposed Pad Tape & Reel (TR) 5V 8 Terminals 8 Pin
The SC811 is highly versatile single input triple mode (adapter/USB high current, USB low current) linear single-cell Li-ion battery chargers, each in an 8 lead 2x2 MLPD ultra-thin package. The input will survive sustained input voltage up to 30V to protect against hot plug overshoot and faulty charging adapters. The SC811 has 9.6V rising, 8.2V falling OVP thresholds for general purpose charging with low-cost adaptors. The SC813 has 6V rising, 5.6V falling OVP thresholds for customers utilizing charging adapters with specifi cations that are similar to a USB Vbus supp

SC811 Online Training Overview
SC811 Description
The SC811 is highly versatile single input triple mode (adapter/USB high current, USB low current) linear single-cell Li-ion battery chargers, each in an 8 lead 2x2 MLPD ultra-thin package. The input will survive sustained input voltage up to 30V to protect against hot plug overshoot and faulty charging adapters. The SC811 has 9.6V rising, 8.2V falling OVP thresholds for general purpose charging with low cost adaptors. The SC813 has 6V rising, 5.6V falling OVP thresholds for customers utilizing charging adapters with specifi cations that are similar to a USB Vbus supply. The SC811 and SC813 differ only in OVP threshold.
Charging begins automatically when an input source is applied to the charging input. Thermal limiting protects against excessive power dissipation. The charger can be programmed to turn off when charging is complete or to continue operating as an LDO regulator while fl oat-charging the battery.
Three charging modes are provided: adapter mode, USB low power mode, and USB high power mode. Batterycapacity-dependent and charging source-dependent current programming are independently programmed. Adapter and USB high power modes can charge up to 1A, with the charging adapter operating either in voltage regulation or in current limit to obtain the lowest possible power dissipation. A single current programming pin is used to program pre-charge, termination, and adaptermode fast-charge currents in fixed proportions. In the USB modes, a second programming pin is used to program low power pre-charge current and low and high power fast-charge currents. This confi guration allows independent programming of termination current. The two USB modes dynamically limit the charging load if necessary to prevent overloading the USB Vbus supply.
SC811 Pinout

SC811 Pinout
SC811 CAD Model

SC811 Footprint

SC811 3D Model
SC811 Features
Single input charger with three charging modes
Constant voltage — 4.2V, 1% regulation
Fast-charge current regulation — 15% at 70mA, 9% at 700mA
Charging by current regulation, voltage regulation, and thermal limiting
Input voltage protection — 30V
Current-limited adapter support capability — reduces power dissipation in charger IC
USB high and low power modes limit charge current to prevent USB Vbus overload
Instantaneous CC-to-CV transition for faster charging
Programmable battery-dependent currents (adapter mode fast- and pre-charge, termination)
Programmable source-limited currents (USB-high mode fast-charge, and USB-low mode fast- and pre-charge)
Independent programming of termination current with dual-mode operation
Three termination options — fl oat-charge, automatic re-charge, or forced re-charge to keep the battery topped-off after termination without fl oat-charging
Soft-start reduces adapter or USB load transients
High operating voltage range of SC811 permits use of unregulated adapters
Complies with CCSA YD/T 1591-2006
Space saving 2x2x0.6 (mm) MLPD package
WEEE and RoHS compliant
Specifications
- TypeParameter
- Factory Lead Time5 Weeks
- Mount
In electronic components, the term "Mount" typically refers to the method or process of physically attaching or fixing a component onto a circuit board or other electronic device. This can involve soldering, adhesive bonding, or other techniques to secure the component in place. The mounting process is crucial for ensuring proper electrical connections and mechanical stability within the electronic system. Different components may have specific mounting requirements based on their size, shape, and function, and manufacturers provide guidelines for proper mounting procedures to ensure optimal performance and reliability of the electronic device.
Surface Mount - Mounting Type
The "Mounting Type" in electronic components refers to the method used to attach or connect a component to a circuit board or other substrate, such as through-hole, surface-mount, or panel mount.
Surface Mount - Package / Case
refers to the protective housing that encases an electronic component, providing mechanical support, electrical connections, and thermal management.
8-UFDFN Exposed Pad - Number of Pins8
- Operating Temperature
The operating temperature is the range of ambient temperature within which a power supply, or any other electrical equipment, operate in. This ranges from a minimum operating temperature, to a peak or maximum operating temperature, outside which, the power supply may fail.
-40°C~85°C TA - Packaging
Semiconductor package is a carrier / shell used to contain and cover one or more semiconductor components or integrated circuits. The material of the shell can be metal, plastic, glass or ceramic.
Tape & Reel (TR) - Published2012
- JESD-609 Code
The "JESD-609 Code" in electronic components refers to a standardized marking code that indicates the lead-free solder composition and finish of electronic components for compliance with environmental regulations.
e3 - Pbfree Code
The "Pbfree Code" parameter in electronic components refers to the code or marking used to indicate that the component is lead-free. Lead (Pb) is a toxic substance that has been widely used in electronic components for many years, but due to environmental concerns, there has been a shift towards lead-free alternatives. The Pbfree Code helps manufacturers and users easily identify components that do not contain lead, ensuring compliance with regulations and promoting environmentally friendly practices. It is important to pay attention to the Pbfree Code when selecting electronic components to ensure they meet the necessary requirements for lead-free applications.
yes - Part Status
Parts can have many statuses as they progress through the configuration, analysis, review, and approval stages.
Active - Moisture Sensitivity Level (MSL)
Moisture Sensitivity Level (MSL) is a standardized rating that indicates the susceptibility of electronic components, particularly semiconductors, to moisture-induced damage during storage and the soldering process, defining the allowable exposure time to ambient conditions before they require special handling or baking to prevent failures
1 (Unlimited) - Number of Terminations8
- ECCN Code
An ECCN (Export Control Classification Number) is an alphanumeric code used by the U.S. Bureau of Industry and Security to identify and categorize electronic components and other dual-use items that may require an export license based on their technical characteristics and potential for military use.
EAR99 - Terminal Finish
Terminal Finish refers to the surface treatment applied to the terminals or leads of electronic components to enhance their performance and longevity. It can improve solderability, corrosion resistance, and overall reliability of the connection in electronic assemblies. Common finishes include nickel, gold, and tin, each possessing distinct properties suitable for various applications. The choice of terminal finish can significantly impact the durability and effectiveness of electronic devices.
MATTE TIN - Terminal Position
In electronic components, the term "Terminal Position" refers to the physical location of the connection points on the component where external electrical connections can be made. These connection points, known as terminals, are typically used to attach wires, leads, or other components to the main body of the electronic component. The terminal position is important for ensuring proper connectivity and functionality of the component within a circuit. It is often specified in technical datasheets or component specifications to help designers and engineers understand how to properly integrate the component into their circuit designs.
DUAL - Peak Reflow Temperature (Cel)
Peak Reflow Temperature (Cel) is a parameter that specifies the maximum temperature at which an electronic component can be exposed during the reflow soldering process. Reflow soldering is a common method used to attach electronic components to a circuit board. The Peak Reflow Temperature is crucial because it ensures that the component is not damaged or degraded during the soldering process. Exceeding the specified Peak Reflow Temperature can lead to issues such as component failure, reduced performance, or even permanent damage to the component. It is important for manufacturers and assemblers to adhere to the recommended Peak Reflow Temperature to ensure the reliability and functionality of the electronic components.
260 - Number of Functions1
- Supply Voltage
Supply voltage refers to the electrical potential difference provided to an electronic component or circuit. It is crucial for the proper operation of devices, as it powers their functions and determines performance characteristics. The supply voltage must be within specified limits to ensure reliability and prevent damage to components. Different electronic devices have specific supply voltage requirements, which can vary widely depending on their design and intended application.
5V - Terminal Pitch
The center distance from one pole to the next.
0.5mm - Pin Count
a count of all of the component leads (or pins)
8 - Power Supplies
an electronic circuit that converts the voltage of an alternating current (AC) into a direct current (DC) voltage.?
5V - Supply Voltage-Min (Vsup)
The parameter "Supply Voltage-Min (Vsup)" in electronic components refers to the minimum voltage level required for the component to operate within its specified performance range. This parameter indicates the lowest voltage that can be safely applied to the component without risking damage or malfunction. It is crucial to ensure that the supply voltage provided to the component meets or exceeds this minimum value to ensure proper functionality and reliability. Failure to adhere to the specified minimum supply voltage may result in erratic behavior, reduced performance, or even permanent damage to the component.
4.6V - Number of Channels1
- Interface
In electronic components, the term "Interface" refers to the point at which two different systems, devices, or components connect and interact with each other. It can involve physical connections such as ports, connectors, or cables, as well as communication protocols and standards that facilitate the exchange of data or signals between the connected entities. The interface serves as a bridge that enables seamless communication and interoperability between different parts of a system or between different systems altogether. Designing a reliable and efficient interface is crucial in ensuring proper functionality and performance of electronic components and systems.
USB - Max Supply Voltage
In general, the absolute maximum common-mode voltage is VEE-0.3V and VCC+0.3V, but for products without a protection element at the VCC side, voltages up to the absolute maximum rated supply voltage (i.e. VEE+36V) can be supplied, regardless of supply voltage.
8.2V - Analog IC - Other Type
Analog IC - Other Type is a parameter used to categorize electronic components that are integrated circuits (ICs) designed for analog signal processing but do not fall into more specific subcategories such as amplifiers, comparators, or voltage regulators. These ICs may include specialized analog functions such as analog-to-digital converters (ADCs), digital-to-analog converters (DACs), voltage references, or signal conditioning circuits. They are typically used in various applications where precise analog signal processing is required, such as in audio equipment, instrumentation, communication systems, and industrial control systems. Manufacturers provide detailed specifications for these components to help engineers select the most suitable IC for their specific design requirements.
POWER SUPPLY SUPPORT CIRCUIT - Adjustable Threshold
The "Adjustable Threshold" parameter in electronic components refers to the ability to manually set or modify the threshold level at which a specific function or operation is triggered. This feature allows users to customize the sensitivity or activation point of the component according to their specific requirements or preferences. By adjusting the threshold, users can fine-tune the performance of the component to suit different applications or environmental conditions. This flexibility in threshold adjustment can be particularly useful in various electronic devices and systems where precise control over triggering levels is necessary for optimal functionality.
YES - Fault Protection
Protection against electric shock under. single fault conditions.
Over Current, Over Temperature, Over Voltage, Short Circuit - Battery Chemistry
A battery is a device that stores chemical energy, and converts it to electricity. This is known as electrochemistry and the system that underpins a battery is called an electrochemical cell. A battery can be made up of one or several (like in Volta's original pile) electrochemical cells.
Lithium-Ion - Number of Cells1
- Programmable Features
Some of the features that characterize programmable automation are:High investment in general-purpose equipment; Low production rates relative to fixed automation; Flexibility to deal with changes in product configuration; and Most suitable for batch production.
Current - Current - Charging
Current - Charging refers to the flow of electric charge supplied to a rechargeable battery or capacitor during the charging process. It represents the amount of current that is delivered to the energy storage device to replenish its energy. This parameter is critical in determining how quickly a device can be charged and must be managed to ensure safety and longevity of the component. Overcharging or supplying excessive current can lead to overheating or damage, making it essential to adhere to specified charging currents for optimal performance.
Constant - Programmable - Charge Current - Max
Charge Current - Max is the maximum amount of current that can safely flow into a battery or capacitor during the charging process. It is a crucial parameter that helps prevent overheating and damage to the component. Exceeding this current during charging can lead to reduced performance, shortened lifespan, or even failure of the electronic component. This parameter should be adhered to for safe and effective operation of the device.
1A - Battery Pack Voltage
A battery pack is a set of any number of (preferably) identical batteries or individual battery cells. They may be configured in a series, parallel or a mixture of both to deliver the desired voltage, capacity, or power density. The term battery pack is often used in reference to cordless tools, radio-controlled hobby toys, and battery electric vehicles.
4.2V - Length2mm
- Height Seated (Max)
Height Seated (Max) is a parameter in electronic components that refers to the maximum allowable height of the component when it is properly seated or installed on a circuit board or within an enclosure. This specification is crucial for ensuring proper fit and alignment within the overall system design. Exceeding the maximum seated height can lead to mechanical interference, electrical shorts, or other issues that may impact the performance and reliability of the electronic device. Manufacturers provide this information to help designers and engineers select components that will fit within the designated space and function correctly in the intended application.
0.6mm - Width2mm
- Radiation Hardening
Radiation hardening is the process of making electronic components and circuits resistant to damage or malfunction caused by high levels of ionizing radiation, especially for environments in outer space (especially beyond the low Earth orbit), around nuclear reactors and particle accelerators, or during nuclear accidents or nuclear warfare.
No - RoHS Status
RoHS means “Restriction of Certain Hazardous Substances” in the “Hazardous Substances Directive” in electrical and electronic equipment.
RoHS Compliant - Lead Free
Lead Free is a term used to describe electronic components that do not contain lead as part of their composition. Lead is a toxic material that can have harmful effects on human health and the environment, so the electronics industry has been moving towards lead-free components to reduce these risks. Lead-free components are typically made using alternative materials such as silver, copper, and tin. Manufacturers must comply with regulations such as the Restriction of Hazardous Substances (RoHS) directive to ensure that their products are lead-free and environmentally friendly.
Lead Free
SC811 Functional Block Diagram

SC811 Functional Block Diagram
SC811 Equivalent
| Part Number | Descriptions | Manufacturers |
| BQ25100BYFPRPOWER CIRCUITS | Standalone 1-cell, 250-mA linear battery charger with 4.284-V charge voltage and prog. pre-charge 6-DSBGA -5 to 125 | Texas Instruments |
| BQ25100YFPRPOWER CIRCUITS | Standalone 1-cell, 250-mA linear battery charger with 4.2-V charge voltage and prog. pre-charge 6-DSBGA 0 to 125 | Texas Instruments |
| TPS2511DGNRPOWER CIRCUITS | USB dedicated charging port controller and 2.2A power switch 8-HVSSOP -40 to 125 | Texas Instruments |
| BQ25100AYFPTPOWER CIRCUITS | Standalone 1-cell, 250-mA linear battery charger with 4.3-V charge voltage and prog. pre-charge 6-DSBGA -40 to 85 | Texas Instruments |
| TPS2511QDGNRQ1POWER CIRCUITS | Automotive catalog USB dedicated charging port controller and current limiting power switch 8-HVSSOP -40 to 125 | Texas Instruments |
| BQ25100HYFPTPOWER CIRCUITS | Standalone 1-cell, 250-mA linear battery charger with 4.35-V charge voltage and prog. pre-charge 6-DSBGA 0 to 125 | Texas Instruments |
| BQ25100AYFPRPOWER CIRCUITS | Standalone 1-cell, 250-mA linear battery charger with 4.3-V charge voltage and prog. pre-charge 6-DSBGA -40 to 85 | Texas Instruments |
| BQ25100YFPTPOWER CIRCUITS | Standalone 1-cell, 250-mA linear battery charger with 4.2-V charge voltage and prog. pre-charge 6-DSBGA 0 to 125 | Texas Instruments |
| TPS2511DGNPOWER CIRCUITS | USB dedicated charging port controller and 2.2A power switch 8-HVSSOP -40 to 125 | Texas Instruments |
| SC810ULTRTPOWER CIRCUITS | Power Supply Support Circuit, Adjustable, 1 Channel, PDSO6, 2 X 2 MM, 0.60 MM HEIGHT, HALOGEN FREE AND ROHS COMPLIANT, MLPD-6 | Semtech Corporation |
Parts with Similar Specs
- ImagePart NumberManufacturerPackage / CaseNumber of PinsNumber of CellsSupply VoltageMax Supply VoltageRadiation HardeningPbfree CodeLead FreeView Compare
SC811ULTRT
8-UFDFN Exposed Pad
8
1
5 V
8.2 V
No
yes
Lead Free
8-TSSOP, 8-MSOP (0.118, 3.00mm Width)
8
1
5.2 V
5.5 V
No
yes
Lead Free
8-TSSOP, 8-MSOP (0.118, 3.00mm Width)
8
1
5.2 V
5.5 V
No
yes
Lead Free
10-TFSOP, 10-MSOP (0.118, 3.00mm Width) Exposed Pad
10
1
4 V
7 V
No
yes
Lead Free
10-VFDFN Exposed Pad
10
1
4.6 V
6.5 V
No
yes
Lead Free
SC811 Applications
Mobile phones
MP3 players
GPS handheld receivers
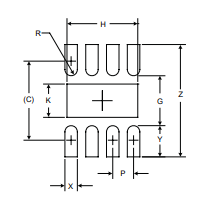
SC811 Package/Dimension

SC811 Package

SC811 Dimension
SC811 Manufaturer
Semtech Corporation is a supplier of analog and mixed-signal semiconductors and advanced algorithms for consumer, enterprise computing, communications and industrial end-markets. It is based in Camarillo, Ventura County, Southern California. It was founded in 1960 in Newbury Park, California. It has 32 locations in 15 countries in North America, Europe, and Asia.[5]
Semtech is the developer of LoRa, a long-range networking initiative for the Internet of Things.[6] As of March 2021, over 178 million devices use LoRa worldwide.[7] LoRa has been used in satellites, tracking of animals,[8] and natural disaster prediction.[9]
Semtech has been publicly traded since 1967. In 1995, Semtech ranked fifth on the Bloomberg 100 list of top-performing stocks of 1995 on the New York and American stock exchanges and the NASDAQ National Market.[10]
Trend Analysis
Datasheet PDF
- Datasheets :
- PCN Packaging :
What is the Falut Protection?
Over Current, Over Temperature, Over Voltage, Short Circuit
What is the Pakcage Dsecription?
HVSON, SOLCC8,.11,20
BF888H6327XTSA1 NPN RF Transistor:Datasheet, Pinout and Features10 August 2021372
TYN612 Thyristor: Application Circuit, Datasheet, Pinout04 November 202116524
BMC150 ECompass: Features, Specifications and Datasheet14 August 2024324
MAX3600A Laser Driver: Datasheet, Pinout, Circuit31 August 2021359
MCP2561FD CAN Transceiver: Features, Equivalent and Datasheet21 January 20223080
What's the Difference between the BMP280 and the BME280 Atmospheric Sensors?06 July 20229611
Infineon IRLML2502TRPBF price hacks every buyer should know18 August 2025276
BC546 NPN Transistor: Equivalents, Datasheet, and Pinout05 August 202115950
What is a Servo Motor?09 March 20216372
Circuit Breaker: Working Principle, Types and Structure21 November 202511295
A Study of the Interelectrode Capacitances of SiC and GaN Power Semiconductor Devices Using Multiple Current Probes01 February 20232558
Organic Semiconductor Market Set to Reach USD 843.62 Billion by 2032, Driven by Rising Demand for Flexible Electronics05 October 20232496
A Guide to AVR Microcontroller [PDF]15 October 20259558
Introduction to UFS (Universal Flash Storage)23 July 20217993
Semiconductor Cleaning: Processes, Methods and Reasons20 April 202219348
Top 10 OSAT (Outsourced Semiconductor Assembly and Test) Companies18 December 202567229
Semtech Corporation
In Stock
United States
China
Canada
Japan
Russia
Germany
United Kingdom
Singapore
Italy
Hong Kong(China)
Taiwan(China)
France
Korea
Mexico
Netherlands
Malaysia
Austria
Spain
Switzerland
Poland
Thailand
Vietnam
India
United Arab Emirates
Afghanistan
Åland Islands
Albania
Algeria
American Samoa
Andorra
Angola
Anguilla
Antigua & Barbuda
Argentina
Armenia
Aruba
Australia
Azerbaijan
Bahamas
Bahrain
Bangladesh
Barbados
Belarus
Belgium
Belize
Benin
Bermuda
Bhutan
Bolivia
Bonaire, Sint Eustatius and Saba
Bosnia & Herzegovina
Botswana
Brazil
British Indian Ocean Territory
British Virgin Islands
Brunei
Bulgaria
Burkina Faso
Burundi
Cabo Verde
Cambodia
Cameroon
Cayman Islands
Central African Republic
Chad
Chile
Christmas Island
Cocos (Keeling) Islands
Colombia
Comoros
Congo
Congo (DRC)
Cook Islands
Costa Rica
Côte d’Ivoire
Croatia
Cuba
Curaçao
Cyprus
Czechia
Denmark
Djibouti
Dominica
Dominican Republic
Ecuador
Egypt
El Salvador
Equatorial Guinea
Eritrea
Estonia
Eswatini
Ethiopia
Falkland Islands
Faroe Islands
Fiji
Finland
French Guiana
French Polynesia
Gabon
Gambia
Georgia
Ghana
Gibraltar
Greece
Greenland
Grenada
Guadeloupe
Guam
Guatemala
Guernsey
Guinea
Guinea-Bissau
Guyana
Haiti
Honduras
Hungary
Iceland
Indonesia
Iran
Iraq
Ireland
Isle of Man
Israel
Jamaica
Jersey
Jordan
Kazakhstan
Kenya
Kiribati
Kosovo
Kuwait
Kyrgyzstan
Laos
Latvia
Lebanon
Lesotho
Liberia
Libya
Liechtenstein
Lithuania
Luxembourg
Macao(China)
Madagascar
Malawi
Maldives
Mali
Malta
Marshall Islands
Martinique
Mauritania
Mauritius
Mayotte
Micronesia
Moldova
Monaco
Mongolia
Montenegro
Montserrat
Morocco
Mozambique
Myanmar
Namibia
Nauru
Nepal
New Caledonia
New Zealand
Nicaragua
Niger
Nigeria
Niue
Norfolk Island
North Korea
North Macedonia
Northern Mariana Islands
Norway
Oman
Pakistan
Palau
Palestinian Authority
Panama
Papua New Guinea
Paraguay
Peru
Philippines
Pitcairn Islands
Portugal
Puerto Rico
Qatar
Réunion
Romania
Rwanda
Samoa
San Marino
São Tomé & Príncipe
Saudi Arabia
Senegal
Serbia
Seychelles
Sierra Leone
Sint Maarten
Slovakia
Slovenia
Solomon Islands
Somalia
South Africa
South Sudan
Sri Lanka
St Helena, Ascension, Tristan da Cunha
St. Barthélemy
St. Kitts & Nevis
St. Lucia
St. Martin
St. Pierre & Miquelon
St. Vincent & Grenadines
Sudan
Suriname
Svalbard & Jan Mayen
Sweden
Syria
Tajikistan
Tanzania
Timor-Leste
Togo
Tokelau
Tonga
Trinidad & Tobago
Tunisia
Turkey
Turkmenistan
Turks & Caicos Islands
Tuvalu
U.S. Outlying Islands
U.S. Virgin Islands
Uganda
Ukraine
Uruguay
Uzbekistan
Vanuatu
Vatican City
Venezuela
Wallis & Futuna
Yemen
Zambia
Zimbabwe


Product
Brand
Articles
Tools








