TDA2005 Amplifier: Pinout, Datasheet, Circuit
22 kHz kHz 22W W Audio Amplifiers 20W W 18V V 11 pins Multiwatt-11 (Vertical, Bent and Staggered Leads)









22 kHz kHz 22W W Audio Amplifiers 20W W 18V V 11 pins Multiwatt-11 (Vertical, Bent and Staggered Leads)
The TDA2005 is a class B dual audio power amplifier. This article mainly covers its pinout, datasheet, and more details about TDA2005. There is a huge range of Semiconductors, Capacitors, Resistors and ICs in stock. Welcome RFQ!

TDA2005 Audio Amplifier DIY project
TDA2005 Description
TDA2005 is a 20 Watt audio amplifier IC in a Multiwatt11 package that is specifically suited for automotive radio applications. The chip's high current capability (up to 3.5Amp) makes it simple to create Power booster amplifiers. It can drive loads with very low impedance (down to 1.6 in stereo applications) and provide more than 20 W of output power (bridge configuration).
TDA2005 Pinout

| Pin Number | Pin Name | Description |
| 1 | INPUT+(1) | Non-Inverting Input of amplifier 1 |
| 2 | INPUT-(1) | Inverting Input of amplifier 1 |
| 3 | SVRR | Supply Voltage Rejection Ratio |
| 4 | INPUT-(2) | Inverting Input of amplifier 2 |
| 5 | INPUT+(2) | Non-Inverting Input of amplifier 2 |
| 6 | GND | Ground |
| 7 | BOOTSTRAP(2) | Bootstrap capacitor for amplifier 2 |
| 8 | OUTPUT(2) | The output of amplifier 2 |
| 9 | +VS | Positive Power Supply |
| 10 | OUTPUT(1) | The output of amplifier 1 |
| 11 | BOOTSTRAP(1) | Bootstrap capacitor for amplifier 1 |
TDA2005 CAD Model
Symbol

TDA2005 Symbol
Footprint

TDA2005 Footprint
3D Model

TDA2005 3D Model
TDA2005 Features
■ High output power:
– Po = 10 + 10 W @ RL = 2 , THD = 10 %
– Po = 20 W @ RL = 4 , THD = 10 %.
■ Protection against:
– Output DC and AC short circuit to ground
– Overrating chip temperature
– Load dump voltage surge
– Fortuitous open ground
– Very inductive loads
■ Loudspeaker protection during short circuit for
one wire to ground
Specifications
- TypeParameter
- Lifecycle Status
Lifecycle Status refers to the current stage of an electronic component in its product life cycle, indicating whether it is active, obsolete, or transitioning between these states. An active status means the component is in production and available for purchase. An obsolete status indicates that the component is no longer being manufactured or supported, and manufacturers typically provide a limited time frame for support. Understanding the lifecycle status is crucial for design engineers to ensure continuity and reliability in their projects.
ACTIVE (Last Updated: 7 months ago) - Factory Lead Time12 Weeks
- Mount
In electronic components, the term "Mount" typically refers to the method or process of physically attaching or fixing a component onto a circuit board or other electronic device. This can involve soldering, adhesive bonding, or other techniques to secure the component in place. The mounting process is crucial for ensuring proper electrical connections and mechanical stability within the electronic system. Different components may have specific mounting requirements based on their size, shape, and function, and manufacturers provide guidelines for proper mounting procedures to ensure optimal performance and reliability of the electronic device.
Through Hole - Mounting Type
The "Mounting Type" in electronic components refers to the method used to attach or connect a component to a circuit board or other substrate, such as through-hole, surface-mount, or panel mount.
Through Hole - Package / Case
refers to the protective housing that encases an electronic component, providing mechanical support, electrical connections, and thermal management.
Multiwatt-11 (Vertical, Bent and Staggered Leads) - Number of Pins11
- Manufacturer Package Identifier
The Manufacturer Package Identifier is a unique code or label assigned by the manufacturer to identify a specific package or housing style of an electronic component. This identifier helps in distinguishing between different package types of the same component, such as integrated circuits, transistors, or diodes. It typically includes information about the package dimensions, lead configuration, and other physical characteristics of the component. The Manufacturer Package Identifier is crucial for ensuring compatibility and proper assembly of electronic components in various devices and circuits.
MULTIWATT11 - Operating Temperature
The operating temperature is the range of ambient temperature within which a power supply, or any other electrical equipment, operate in. This ranges from a minimum operating temperature, to a peak or maximum operating temperature, outside which, the power supply may fail.
-40°C~150°C TJ - Packaging
Semiconductor package is a carrier / shell used to contain and cover one or more semiconductor components or integrated circuits. The material of the shell can be metal, plastic, glass or ceramic.
Tube - Part Status
Parts can have many statuses as they progress through the configuration, analysis, review, and approval stages.
Active - Moisture Sensitivity Level (MSL)
Moisture Sensitivity Level (MSL) is a standardized rating that indicates the susceptibility of electronic components, particularly semiconductors, to moisture-induced damage during storage and the soldering process, defining the allowable exposure time to ambient conditions before they require special handling or baking to prevent failures
1 (Unlimited) - Number of Terminations11
- ECCN Code
An ECCN (Export Control Classification Number) is an alphanumeric code used by the U.S. Bureau of Industry and Security to identify and categorize electronic components and other dual-use items that may require an export license based on their technical characteristics and potential for military use.
EAR99 - TypeClass B
- Max Power Dissipation
The maximum power that the MOSFET can dissipate continuously under the specified thermal conditions.
20W - Voltage - Supply
Voltage - Supply refers to the range of voltage levels that an electronic component or circuit is designed to operate with. It indicates the minimum and maximum supply voltage that can be applied for the device to function properly. Providing supply voltages outside this range can lead to malfunction, damage, or reduced performance. This parameter is critical for ensuring compatibility between different components in a circuit.
8V~18V - Terminal Position
In electronic components, the term "Terminal Position" refers to the physical location of the connection points on the component where external electrical connections can be made. These connection points, known as terminals, are typically used to attach wires, leads, or other components to the main body of the electronic component. The terminal position is important for ensuring proper connectivity and functionality of the component within a circuit. It is often specified in technical datasheets or component specifications to help designers and engineers understand how to properly integrate the component into their circuit designs.
ZIG-ZAG - Number of Functions1
- Terminal Pitch
The center distance from one pole to the next.
1.7mm - Base Part Number
The "Base Part Number" (BPN) in electronic components serves a similar purpose to the "Base Product Number." It refers to the primary identifier for a component that captures the essential characteristics shared by a group of similar components. The BPN provides a fundamental way to reference a family or series of components without specifying all the variations and specific details.
TDA2005 - Pin Count
a count of all of the component leads (or pins)
11 - Output Type
The "Output Type" parameter in electronic components refers to the type of signal or data that is produced by the component as an output. This parameter specifies the nature of the output signal, such as analog or digital, and can also include details about the voltage levels, current levels, frequency, and other characteristics of the output signal. Understanding the output type of a component is crucial for ensuring compatibility with other components in a circuit or system, as well as for determining how the output signal can be utilized or processed further. In summary, the output type parameter provides essential information about the nature of the signal that is generated by the electronic component as its output.
1-Channel (Mono) or 2-Channel (Stereo) - Operating Supply Voltage
The voltage level by which an electrical system is designated and to which certain operating characteristics of the system are related.
14.4V - Supply Voltage-Max (Vsup)
The parameter "Supply Voltage-Max (Vsup)" in electronic components refers to the maximum voltage that can be safely applied to the component without causing damage. It is an important specification to consider when designing or using electronic circuits to ensure the component operates within its safe operating limits. Exceeding the maximum supply voltage can lead to overheating, component failure, or even permanent damage. It is crucial to adhere to the specified maximum supply voltage to ensure the reliable and safe operation of the electronic component.
18V - Power Supplies
an electronic circuit that converts the voltage of an alternating current (AC) into a direct current (DC) voltage.?
8/18V - Supply Voltage-Min (Vsup)
The parameter "Supply Voltage-Min (Vsup)" in electronic components refers to the minimum voltage level required for the component to operate within its specified performance range. This parameter indicates the lowest voltage that can be safely applied to the component without risking damage or malfunction. It is crucial to ensure that the supply voltage provided to the component meets or exceeds this minimum value to ensure proper functionality and reliability. Failure to adhere to the specified minimum supply voltage may result in erratic behavior, reduced performance, or even permanent damage to the component.
8V - Number of Channels2
- Power Dissipation
the process by which an electronic or electrical device produces heat (energy loss or waste) as an undesirable derivative of its primary action.
20W - Supply Current-Max
Supply Current-Max refers to the maximum amount of current that an electronic component or circuit can draw from its power supply under specified operating conditions. It is a critical parameter that determines the power consumption and thermal performance of the device. Exceeding this limit can lead to overheating, potential damage, or failure of the component. Knowing the Supply Current-Max helps in designing circuits that ensure proper operation and reliability.
150mA - Output Power
That power available at a specified output of a device under specified conditions of operation.
20W - Supply Type
Supply Type in electronic components refers to the classification of power sources used to operate the component. It indicates whether the component requires DC or AC power, and if DC, specifies the voltage levels such as low, medium, or high. Different supply types can affect the performance, compatibility, and application of the component in electronic circuits. Understanding the supply type is crucial for proper component selection and integration into electronic designs.
Single - Bandwidth
In electronic components, "Bandwidth" refers to the range of frequencies over which the component can effectively operate or pass signals without significant loss or distortion. It is a crucial parameter for devices like amplifiers, filters, and communication systems. The bandwidth is typically defined as the difference between the upper and lower frequencies at which the component's performance meets specified criteria, such as a certain level of signal attenuation or distortion. A wider bandwidth indicates that the component can handle a broader range of frequencies, making it more versatile for various applications. Understanding the bandwidth of electronic components is essential for designing and optimizing circuits to ensure proper signal transmission and reception within the desired frequency range.
22 kHz - Voltage Gain
Voltage gain is a measure of how much an electronic component or circuit amplifies an input voltage signal to produce an output voltage signal. It is typically expressed as a ratio or in decibels (dB). A higher voltage gain indicates a greater amplification of the input signal. Voltage gain is an important parameter in amplifiers, where it determines the level of amplification provided by the circuit. It is calculated by dividing the output voltage by the input voltage and is a key factor in determining the overall performance and functionality of electronic devices.
90dB - Max Output Power
The maximum output power = the maximum output current × the rated output voltage
22W - Max Output Power x Channels @ Load
Max Output Power x Channels @ Load is a specification that describes the maximum power output that an electronic component, such as an amplifier or audio device, can deliver across a certain number of channels at a specific load impedance. This parameter is important for understanding the capability of the component to drive speakers or other devices effectively. The value is typically expressed in watts and can vary depending on the number of channels being used and the impedance of the load. It helps users determine the compatibility of the component with their audio setup and ensures that the component can provide sufficient power for optimal performance.
22W x 1 @ 3.2 Ω; 12W x 2 @ 2 Ω - Harmonic Distortion
Harmonic distortion is a common parameter used to describe the quality of audio or electronic signals. It refers to the presence of unwanted harmonics or additional frequencies in the output signal that were not present in the input signal. These harmonics are typically multiples of the original signal frequency and can distort the waveform, affecting the overall sound quality or performance of the electronic component. Lower harmonic distortion values indicate a cleaner and more accurate output signal, while higher distortion levels can result in a more distorted or altered sound. Manufacturers often specify harmonic distortion levels in percentage or decibels to help users understand the quality of the component's output.
10% - Features
In the context of electronic components, the term "Features" typically refers to the specific characteristics or functionalities that a particular component offers. These features can vary depending on the type of component and its intended use. For example, a microcontroller may have features such as built-in memory, analog-to-digital converters, and communication interfaces like UART or SPI.When evaluating electronic components, understanding their features is crucial in determining whether they meet the requirements of a particular project or application. Engineers and designers often look at features such as operating voltage, speed, power consumption, and communication protocols to ensure compatibility and optimal performance.In summary, the "Features" parameter in electronic components describes the unique attributes and capabilities that differentiate one component from another, helping users make informed decisions when selecting components for their electronic designs.
Short-Circuit and Thermal Protection - Radiation Hardening
Radiation hardening is the process of making electronic components and circuits resistant to damage or malfunction caused by high levels of ionizing radiation, especially for environments in outer space (especially beyond the low Earth orbit), around nuclear reactors and particle accelerators, or during nuclear accidents or nuclear warfare.
No - RoHS Status
RoHS means “Restriction of Certain Hazardous Substances” in the “Hazardous Substances Directive” in electrical and electronic equipment.
ROHS3 Compliant - Lead Free
Lead Free is a term used to describe electronic components that do not contain lead as part of their composition. Lead is a toxic material that can have harmful effects on human health and the environment, so the electronics industry has been moving towards lead-free components to reduce these risks. Lead-free components are typically made using alternative materials such as silver, copper, and tin. Manufacturers must comply with regulations such as the Restriction of Hazardous Substances (RoHS) directive to ensure that their products are lead-free and environmentally friendly.
Lead Free
Parts with Similar Specs
- ImagePart NumberManufacturerPackage / CaseNumber of PinsNumber of ChannelsMax Output PowerOutput PowerRoHS StatusNumber of FunctionsMoisture Sensitivity Level (MSL)View Compare
TDA2005R
Multiwatt-11 (Vertical, Bent and Staggered Leads)
11
2
22 W
20 W
ROHS3 Compliant
1
1 (Unlimited)
Multiwatt-11 (Vertical, Bent and Staggered Leads)
11
2
14 W
14 W
ROHS3 Compliant
1
1 (Unlimited)
Multiwatt-8 (Straight Leads)
8
2
25 W
25 W
ROHS3 Compliant
1
1 (Unlimited)
Multiwatt-11 (Vertical, Bent and Staggered Leads)
11
2
12 W
12 W
ROHS3 Compliant
1
1 (Unlimited)
8-SOIC (0.154, 3.90mm Width)
-
-
-
-
ROHS3 Compliant
1
1 (Unlimited)
TDA2005 Application
Audio power amplifiers
Car radio
Music players
Woofer amplifiers
Microphone amplifiers
How to use TDA2005
The TDA2005 chip is extremely simple to use. To make the amplifier operate, simply connect the components as shown in the circuit diagram. The application circuit schematic for the TDA2005 IC is already included in the component's datasheet. Because the application circuit is tuned for maximum performance, it is suited for use in applications.

TDA2005 Application Circuit
The bridge amplifier circuit shown above was created for TDA2005. Without any additional testing, the circuit can be connected directly. The chip is used to drive a single 20 Watt speaker to its maximum output. We will have a voltage gain of up to 50dB in the bridge amplification circuit.

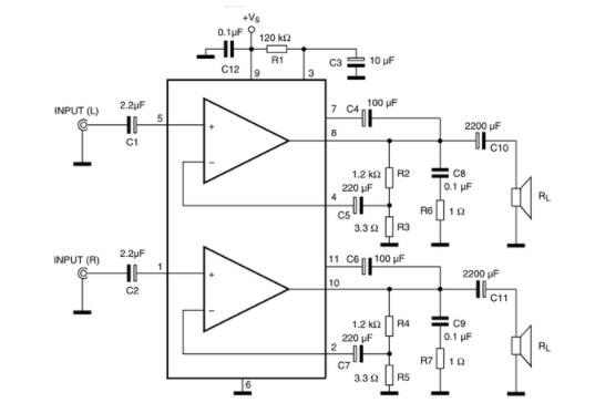
TDA2005 Test Circuit
The circuit above is a stereo amplifier circuit for the TDA2005. This circuit has also been tested and is ready to use in applications. The chip in this design drives two 10 Watt speakers at their maximum output. The highest voltage gain in stereo amplification will be 51dB.
TDA2005 Package

TDA2005 Package
TDA2005 Manufacturer
STMicroelectronics is a global independent semiconductor company and is a leader in developing and delivering semiconductor solutions across the spectrum of microelectronics applications. An unrivaled combination of silicon and system expertise, manufacturing strength, Intellectual Property (IP) portfolio and strategic partners positions the Company at the forefront of System-on-Chip (SoC) technology and its products play a key role in enabling today's convergence trends.
Datasheet PDF
- Datasheets :
Popularity by Region
How much power can the power amplifier made by TDA2005 output?
The power amplifier made by TDA2005R can output 2X10W power. TDA2005 is a very practical stereo audio amplifier chip, the working voltage is DC6~12V, and the output impedance is 4Ω. The shape of the TDA2005R chip is a unidirectional arrangement of the feet, with a voltage range of 8~18V and a quiescent current of 60mA. It can also be connected to a btl output form.
Can the power amplifier TDA2005 and TDA2009 be interchangeable?
The circuit is universal, but TDA 2009 has higher voltage resistance and higher power than TDA2005. The maximum operating voltage of TDA2009 is 26v, and TDA2005 is 18v. That is to say, the two are common below 18v.
What is TDA2005?
TDA2005 is a 20 Watt audio amplifier IC in a Multiwatt11 package that is specifically suited for automotive radio applications. The chip's high current capability (up to 3.5Amp) makes it simple to create Power booster amplifiers. It can drive loads with very low impedance (down to 1.6 in stereo applications) and provide more than 20 W of output power (bridge configuration).
XCF04SVOG20C: Overview, Features, and Applications04 December 2023741
TS555 CMOS Timer: Datasheet, Application, Schematic24 September 20212580
EP3C40F484C8N FPGA: Advantages, Challenges, and Project Suitability07 June 2025292
ADG1414 SPST Switches: Pinout, Features and Datasheet15 February 20222295
2SJ162 P-Channel MOSFET: 2SJ162 MOSFET, Price, Datasheet [Video]24 December 20213623
GRM188R71H104KA93D Capacitor CER 0.1UF 50V: Datasheet, Features, and Equivalents10 February 20222405
MAX3232ESE+ transceiver:Pinout, Specification, Datasheet19 May 20211699
PIC24FJ128GB204 Microcontroller Datasheet Overview29 February 202495
How to Design Reliable High-Side Switching Circuits with P-Channel MOSFETs?22 July 20257980
The Global Talent Pool for Major Chip Manufacturing Is Still Far From Adequate29 April 2022558
Transfer Learning Method for detailed defect classification in semiconductor manufacturing based on Convolution Neural Network13 January 20233184
Thermistor: Characteristics, Classification, Symbol and Applications10 December 202523103
Introduction to Pi Filter19 February 202114652
How to Test and Diagnose CAN Bus Transceiver Failures07 June 20255537
Lattice FPGA: The Ultimate Guide to Low-Power, Small Form Factor Solutions19 September 20253644
What is Metaverse?09 October 20212762
STMicroelectronics
In Stock: 10000
United States
China
Canada
Japan
Russia
Germany
United Kingdom
Singapore
Italy
Hong Kong(China)
Taiwan(China)
France
Korea
Mexico
Netherlands
Malaysia
Austria
Spain
Switzerland
Poland
Thailand
Vietnam
India
United Arab Emirates
Afghanistan
Åland Islands
Albania
Algeria
American Samoa
Andorra
Angola
Anguilla
Antigua & Barbuda
Argentina
Armenia
Aruba
Australia
Azerbaijan
Bahamas
Bahrain
Bangladesh
Barbados
Belarus
Belgium
Belize
Benin
Bermuda
Bhutan
Bolivia
Bonaire, Sint Eustatius and Saba
Bosnia & Herzegovina
Botswana
Brazil
British Indian Ocean Territory
British Virgin Islands
Brunei
Bulgaria
Burkina Faso
Burundi
Cabo Verde
Cambodia
Cameroon
Cayman Islands
Central African Republic
Chad
Chile
Christmas Island
Cocos (Keeling) Islands
Colombia
Comoros
Congo
Congo (DRC)
Cook Islands
Costa Rica
Côte d’Ivoire
Croatia
Cuba
Curaçao
Cyprus
Czechia
Denmark
Djibouti
Dominica
Dominican Republic
Ecuador
Egypt
El Salvador
Equatorial Guinea
Eritrea
Estonia
Eswatini
Ethiopia
Falkland Islands
Faroe Islands
Fiji
Finland
French Guiana
French Polynesia
Gabon
Gambia
Georgia
Ghana
Gibraltar
Greece
Greenland
Grenada
Guadeloupe
Guam
Guatemala
Guernsey
Guinea
Guinea-Bissau
Guyana
Haiti
Honduras
Hungary
Iceland
Indonesia
Iran
Iraq
Ireland
Isle of Man
Israel
Jamaica
Jersey
Jordan
Kazakhstan
Kenya
Kiribati
Kosovo
Kuwait
Kyrgyzstan
Laos
Latvia
Lebanon
Lesotho
Liberia
Libya
Liechtenstein
Lithuania
Luxembourg
Macao(China)
Madagascar
Malawi
Maldives
Mali
Malta
Marshall Islands
Martinique
Mauritania
Mauritius
Mayotte
Micronesia
Moldova
Monaco
Mongolia
Montenegro
Montserrat
Morocco
Mozambique
Myanmar
Namibia
Nauru
Nepal
New Caledonia
New Zealand
Nicaragua
Niger
Nigeria
Niue
Norfolk Island
North Korea
North Macedonia
Northern Mariana Islands
Norway
Oman
Pakistan
Palau
Palestinian Authority
Panama
Papua New Guinea
Paraguay
Peru
Philippines
Pitcairn Islands
Portugal
Puerto Rico
Qatar
Réunion
Romania
Rwanda
Samoa
San Marino
São Tomé & Príncipe
Saudi Arabia
Senegal
Serbia
Seychelles
Sierra Leone
Sint Maarten
Slovakia
Slovenia
Solomon Islands
Somalia
South Africa
South Sudan
Sri Lanka
St Helena, Ascension, Tristan da Cunha
St. Barthélemy
St. Kitts & Nevis
St. Lucia
St. Martin
St. Pierre & Miquelon
St. Vincent & Grenadines
Sudan
Suriname
Svalbard & Jan Mayen
Sweden
Syria
Tajikistan
Tanzania
Timor-Leste
Togo
Tokelau
Tonga
Trinidad & Tobago
Tunisia
Turkey
Turkmenistan
Turks & Caicos Islands
Tuvalu
U.S. Outlying Islands
U.S. Virgin Islands
Uganda
Ukraine
Uruguay
Uzbekistan
Vanuatu
Vatican City
Venezuela
Wallis & Futuna
Yemen
Zambia
Zimbabwe


Product
Brand
Articles
Tools










