2SC5198 NPN Transistor: Replacement, Circuit and Datasheet
2SC5198 is an NPN transistor. This post mainly covers the datasheet, replacement, circuit, pinout, and other details about the 2SC5198 amplifier. Furthermore, there is a huge range of semiconductors, capacitors, resistors, and ICs in stock. Welcome your RFQ!

2sa1941 and 2sc5198 transistor for amplifier circuit diagram, how to make amplifier? Electronics
2SC5198 Pinout

2SC5198 Pinout
2SC5198 Description
The transistor 2SC5198 is a TO-3P NPN transistor. This transistor is primarily designed for audio amplification and performs admirably across the entire audio frequency range of 20Hz to 20 kHz. It works well in amplifier circuits and gives the same sound quality as the input at the output with additional amplification, making it excellent for use in high-power audio amplifier output stages. It's most commonly employed in audio amplifier circuits with its PNP complementary transistor 2SA1941.
2SC5198 CAD Model
Footprint

2SC5198 Footprint
2SC5198 Features and Specifications
Material of Transistor: Si
Polarity: NPN
Maximum Collector Power Dissipation (Pc): 100 W
Maximum Collector-Base Voltage |Vcb|: 140 V
Maximum Collector-Emitter Voltage |Vce|: 140 V
Maximum Emitter-Base Voltage |Veb|: 5 V
Maximum Collector Current |Ic max|: 10 A
Max. Operating Junction Temperature (Tj): 150 °C
Transition Frequency (ft): 30 MHz
Collector Capacitance (Cc): 170 pF
Forward Current Transfer Ratio (hFE), MIN: 55
Noise Figure, dB: -
Package: TO3PN
2SC5198 Applications
Audio Amplifier Stages
Audio Power Amplifier Circuits
Switching load of up to 10A
High voltage applications (Up to 140V)
Suitable for use in 70-W high fidelity audio amplifier’s output stage
2SC5198 Complementary
Complementary to 2SA1941
2SC5198 Replacements
2SC2581, 2SC2706, 2SC2837, 2SC3182, 2SC3182-O, 2SC3280, 2SC3281, 2SC3284, 2SC3519, 2SC3519A, 2SC3519A-O, 2SC3519A-P, 2SC3519A-Y, 2SC3855, 2SC3907, 2SC4468, 2SC5199, 2SC5200, 2SC5200N, 2SC5242, 2SC5358, 2SC5948, 2SC5949, 2SC6011, 2SC6011A, 2SC6011A-O, 2SC6011A-P, 2SC6011A-Y, 2SD1148, 2SD2155, FJA4310, FJA4313, FJL4315, KTC5200, KTC5200A, KTC5242, KTC5242A, MJW3281A, MJW3281AG or NTE2328.
2SC5198 Circuit
There should be that kept 2SC5198 at least 20% below its absolute maximum ratings for long-term performance. The transistor's maximum collector current is 10A, so don't drive loads higher than 8A. The transistor's maximum collector to emitter voltage is 140V, so don't drive loads higher than 112V. Always store or use the transistor at temperatures above -55 degrees centigrade and below +150 degrees centigrade, using an appropriate heat sink.
Where and How to Use 2SC5198 Transistor
2SC5198 Transistor is designed for audio amplification but can also be utilized in switching circuits. As a result, it can be employed in a high-power audio amplifier output stage of up to 70W. Aside from that, it can be used as a switch to drive up to 10A of load.
2SC5198 vs. 3DD207
Differences:
The parameters of 2SC5198 differ from those of 3DD207, as does the power and the packaging.
The parameters of 2SC5198 are: Vcbo=160V, Vceo=160V, Vebo=5V, Ic=10A, Pc=100W, package 2-16C1A
The parameters of 3DD207 are: Vcbo=60V, Vceo=60V, Vebo=6V, Ic=5A, Pc=50W, package T0-3.
Similarities:
All silicon NPN power tubes can be used to amplify audio.
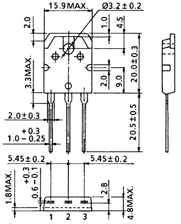
2SC5198 Dimensions

2SC5198 Dimensions
2SC5198 Manufacturer
Hangzhou Youwang Electronics Co., Ltd. (referred to as Youwang) was established in April 1994 with a registered capital of 3 million U.S. dollars. It is located in Paradise Silicon Valley-Hangzhou High-tech (Binjiang) Technology Industrial Development Zone. (IDM Globalization International Group) and Hangzhou Shilan Microelectronics Co., Ltd. (stock code 600460) were established in a joint venture, which is mainly engaged in the research and development, production, and sales of integrated circuits and discrete devices.
What type of transistor is 2SC5198?
2SC5198 silicon transistor is NPN type, the highest withstand voltage is 140V, the rated output current is 10A. The rated power is 100W, the upper limit of working frequency is 30MHz, and the package structure is 2-16C1A.
Are the parameters of 2SC5198 the same as 3DD207?
No, they are not the same. The only similarity is that Silicon NPN power tubes are all suitable for audio amplification. The parameters of 2SC5198 are different from those of 3DD207, the power is also different, and the package is different. The parameters of 2SC5198 are: Vcbo=160V, Vceo=160V, Vebo=5V, Ic=10A, Pc=100W, package 2-16C1A. The parameters of 3DD207 are: Vcbo=60V, Vceo=60V, Vebo=6V, Ic=5A, Pc=50W, package T0-3.
ADS1015 A/D Converter: Datasheet, Pinout and Applications17 August 20213683
TMS470R1A288 16/32-Bit RISC Flash Microcontroller: Technical Overview29 February 202494
OPA2134 VS TL072[Video]: What are the differences between them?14 April 20226657
2N4400 Transistor: Datasheet, Pinout, Equivalents12 October 20212104
BC327 PNP Transistor: Equivalents, Uses, and Pinout12 August 202112250
LM317 vs IRFZ44N Mosfet: Who works better?03 August 202211696
AO3401 Transistor: Circuit, Pinout, and Datasheet [FAQ]20 October 20217497
WM8960 Stereo CODEC: Pinout, Features and Datasheet12 February 20224463
13 Semiconductor Startups Poised for Success in 2024, According to Investors11 December 20234070
SAW Filter: Introduction, Features and Applications30 December 20208122
A Guide to the Best AG13 Battery Substitutes27 May 2025923
Role of Direct Memory Access in Modern Computing12 November 20243203
What are Varactor Diodes?24 November 20257850
How to Decide Which Relay Socket Is Right for Your Next Build10 July 2025615
What is UART(Universal Asynchronous Receiver And Transmitter) ?25 September 20216023
15 Key Elements of Diode Selection26 November 202116025
YW
In Stock
United States
China
Canada
Japan
Russia
Germany
United Kingdom
Singapore
Italy
Hong Kong(China)
Taiwan(China)
France
Korea
Mexico
Netherlands
Malaysia
Austria
Spain
Switzerland
Poland
Thailand
Vietnam
India
United Arab Emirates
Afghanistan
Åland Islands
Albania
Algeria
American Samoa
Andorra
Angola
Anguilla
Antigua & Barbuda
Argentina
Armenia
Aruba
Australia
Azerbaijan
Bahamas
Bahrain
Bangladesh
Barbados
Belarus
Belgium
Belize
Benin
Bermuda
Bhutan
Bolivia
Bonaire, Sint Eustatius and Saba
Bosnia & Herzegovina
Botswana
Brazil
British Indian Ocean Territory
British Virgin Islands
Brunei
Bulgaria
Burkina Faso
Burundi
Cabo Verde
Cambodia
Cameroon
Cayman Islands
Central African Republic
Chad
Chile
Christmas Island
Cocos (Keeling) Islands
Colombia
Comoros
Congo
Congo (DRC)
Cook Islands
Costa Rica
Côte d’Ivoire
Croatia
Cuba
Curaçao
Cyprus
Czechia
Denmark
Djibouti
Dominica
Dominican Republic
Ecuador
Egypt
El Salvador
Equatorial Guinea
Eritrea
Estonia
Eswatini
Ethiopia
Falkland Islands
Faroe Islands
Fiji
Finland
French Guiana
French Polynesia
Gabon
Gambia
Georgia
Ghana
Gibraltar
Greece
Greenland
Grenada
Guadeloupe
Guam
Guatemala
Guernsey
Guinea
Guinea-Bissau
Guyana
Haiti
Honduras
Hungary
Iceland
Indonesia
Iran
Iraq
Ireland
Isle of Man
Israel
Jamaica
Jersey
Jordan
Kazakhstan
Kenya
Kiribati
Kosovo
Kuwait
Kyrgyzstan
Laos
Latvia
Lebanon
Lesotho
Liberia
Libya
Liechtenstein
Lithuania
Luxembourg
Macao(China)
Madagascar
Malawi
Maldives
Mali
Malta
Marshall Islands
Martinique
Mauritania
Mauritius
Mayotte
Micronesia
Moldova
Monaco
Mongolia
Montenegro
Montserrat
Morocco
Mozambique
Myanmar
Namibia
Nauru
Nepal
New Caledonia
New Zealand
Nicaragua
Niger
Nigeria
Niue
Norfolk Island
North Korea
North Macedonia
Northern Mariana Islands
Norway
Oman
Pakistan
Palau
Palestinian Authority
Panama
Papua New Guinea
Paraguay
Peru
Philippines
Pitcairn Islands
Portugal
Puerto Rico
Qatar
Réunion
Romania
Rwanda
Samoa
San Marino
São Tomé & Príncipe
Saudi Arabia
Senegal
Serbia
Seychelles
Sierra Leone
Sint Maarten
Slovakia
Slovenia
Solomon Islands
Somalia
South Africa
South Sudan
Sri Lanka
St Helena, Ascension, Tristan da Cunha
St. Barthélemy
St. Kitts & Nevis
St. Lucia
St. Martin
St. Pierre & Miquelon
St. Vincent & Grenadines
Sudan
Suriname
Svalbard & Jan Mayen
Sweden
Syria
Tajikistan
Tanzania
Timor-Leste
Togo
Tokelau
Tonga
Trinidad & Tobago
Tunisia
Turkey
Turkmenistan
Turks & Caicos Islands
Tuvalu
U.S. Outlying Islands
U.S. Virgin Islands
Uganda
Ukraine
Uruguay
Uzbekistan
Vanuatu
Vatican City
Venezuela
Wallis & Futuna
Yemen
Zambia
Zimbabwe











