LM3914 VS LM3915 VS LM3916[Video]: What are the differences between them?
Obsolete DUAL 5V V Display Drivers ICs Tube Tin/Lead (Sn/Pb) 10
LM3914, LM3915, and LM3916 are all integrated circuits. So this article is going to talk about the detailed information about LM3914, LM3915, and LM3916, and interpret the differences between them.

LM3914 vs LM3915 vs LM3916 - What are the differences?
- Overview of LM3914
- Overview of LM3915
- Overview of LM3916
- LM3914 VS LM3915 VS LM3916 Features
- LM3914 VS LM3915 VS LM3916 Pinout
- LM3914 VS LM3915 VS LM3916 Block Diagram
- LM3914 VS LM3915 VS LM3916 Applications
- LM3914 VS LM3915 VS LM3916 Equivalents
- LM3914 VS LM3915 VS LM3916 Datasheet
- LM3914 VS LM3915 VS LM3916 Specifications
- Conclusion of LM3914 VS LM3915 VS LM3916
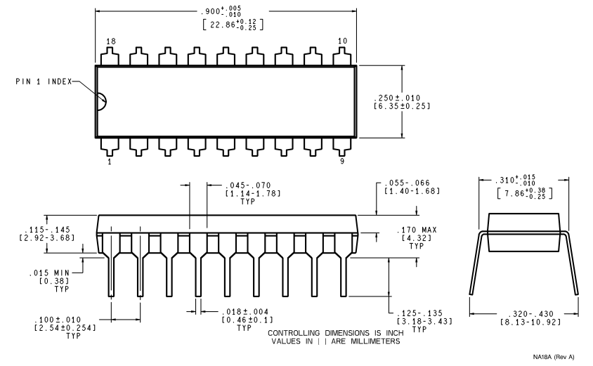
- LM3914 VS LM3915 VS LM3916 Package information
- Popularity by Region
Overview of LM3914
The LM3914 is a monolithic integrated circuit that detects analog voltage levels and operates ten LEDs to create a linear analog display. With a single pin, the display transforms from a moving dot to a bar graph. The LEDs' current drive is regulated and customizable, removing the need for resistors. This is a feature that allows the entire system to run on less than 3V.
As an analog meter circuit, the LM3914 is fairly simple to use. In addition to the 10 display LEDs, a 1.2V full-scale meter requires only 1 resistor and a single 3V to 15V supply.
The LM3914 has a temperature range of 0°C to +70°C. An 18-lead PDIP (NFK) package is available for the LM3914N-1.
Overview of LM3915
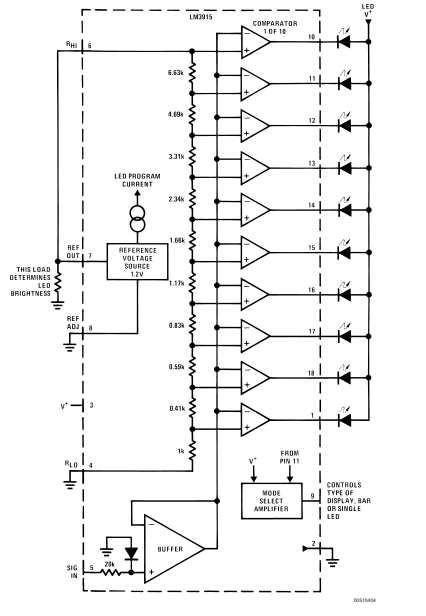
The LM3915 is a monolithic integrated circuit that senses analog voltage levels and drives ten LEDs, LCDs, or vacuum fluorescent displays to provide a 3 dB/step analog display. The display switches from a bar graph to a moving dot display with the flip of a pin. Current limiting resistors are not required because the LED current drive is regulated and programmable. A single supply of as little as 3V or as high as 25V can power the entire display system.
The LM3915 is a multifunctional device. LCDs, vacuum fluorescents, incandescent bulbs, and LEDs of any color can all be driven by the outputs.
The LM3915 is very simple to use. In addition to the ten LEDs, a 1.2V full-scale meter just requires one resistor. One more resistor programs the full-scale anywhere from 1.2V to 12V independent of the supply voltage.
Overview of LM3916
The LM3916 is very simple to use. In addition to the ten LEDs, a 1.2V fullscale meter just requires one resistor. A final resistor sets the full scale to any voltage between 1.2 and 12 volts, regardless of the supply voltage. A single pot can easily control the brightness of LEDs.
The LM3916 has a wide range of applications. LCDs, vacuum fluorescents, incandescent bulbs, and LEDs of any color can all be driven by the outputs. For improved range and/or resolution, multiple devices can be cascaded to create a dot or bar style display. The linear LM3914 and logarithmic LM3915 are useful in numerous applications.
LM3914 VS LM3915 VS LM3916 Features
LM3914 Features
Analog Controlled LED Driver IC
Number of controllable LEDs: 10
Operating Voltage: 3V to 18V
Input Analog voltage range: 1.2V to 12V
LED sink current: 2mA to 30mA (programmable)
Both Dot/Bar modes are available
Can be cascaded to control up to 100 LEDs
Available in 18-pin DIP, PLCC package
It can drive LCDs, and LEDs otherwise vacuum fluorescents. The dot otherwise bot display mode can be selected by the user externally.
It can be expandable to up to 100 displays.
LM3915 Features
3 dB/step, 30 dB range
Drives LEDs, LCDs, or vacuum fluorescents
Bar or dot display mode externally selectable by the user
Expandable to displays of 90 dB
Internal voltage reference from 1.2V to 12V
Operates with a single supply of 3V to 25V
Inputs operate down to the ground
Output current programmable from 1 mA to 30 mA
Input withstands ±35V without damage or false outputs
Outputs are current regulated, open collectors
Directly drives TTL or CMOS
The internal 10-step divider is floating and can be referenced to a wide range of voltages
LM3916 Features
Provides a VU Analog Display from Analog Voltage Input
Drives LED, LCD, or Vacuum Fluorescents
Bar or Dot Display Mode
Expandable to 70dB Display
Internal Voltage Reference from 1.2V to 12V
LM3914 VS LM3915 VS LM3916 Pinout

LM3914 Pinout

LM3915 Pinout

LM3916 Pinout
LM3914 VS LM3915 VS LM3916 Block Diagram

LM3914 Block Diagram

LM3915 Block Diagram

LM3916 Block Diagram
LM3914 VS LM3915 VS LM3916 Applications
LM3914 Applications
Battery Meter for Robot
Monitoring of 12V Car Battery
Tester Circuit for Soil Moisture
Monitoring of Lead Acid Battery Charger
Charge Monitoring Circuit for Atmospheric
Kitchen Exhaust Fan for Controlling Temperature
Meter Circuit for Temperature
Digital gauges
Electronic displays
Low-cost monitor devices
Crude Battery level indicators
Fade bars
LM3915 Applications
Audio visualization circuits
Crude Battery level indicators
Low-cost monitor devices
Digital gauges
Electronic displays
Fade bars
LM3916 Applications
Dot/bar display driver
Specializing in sensing various levels of analog voltages
operate ten LEDs, LCDs, or vacuum fluorescent displays
LM3914 VS LM3915 VS LM3916 Equivalents
LM3914 VS LM3915 VS LM3916 Datasheet
LM3914 VS LM3915 VS LM3916 Specifications
| LM3914 | LM3915 | LM3916 | |
| Voltage - Supply | 3V~20V | 3V~25V | 3V~25V |
| Max Input Voltage | 12V | 25V | 25V |
| Output Voltage | 1.34V | 1.28V | 17V |
| Max Input Voltage | 12V | 25V | 25V |
| Height | 3.3mm | 3.3mm | 4.32mm |
| Width | 6.35mm | 6.35mm | 6.35mm |
Conclusion of LM3914 VS LM3915 VS LM3916
LM3914, LM3915, and LM3916 are almost similar, and they are all Positive Voltage Inputs. But their input and output voltage of them are different. The major differences between them are that the LM3914 is LINEAR Display, the LM3915 is a 3db increment, Log Display, And the LM3916 is a VU Meter Display. (-20 to +3db). The LM3914 is commonly used to make a 10-LED voltage display. The LM3915 and LM3916 are commonly used to show the strength of audio signals using ten LEDs.
LM3914 VS LM3915 VS LM3916 Package information

LM3914 Package information

LM3915 Package information

LM3916 Package information
Popularity by Region
What is the difference between LM3914 and LM3915?
The components required to construct the LM3914 Vu meter are identical to those required to construct the LM3915 Vu meter; the only change is the IC series employed.
How does a LM3915 work?
The LM3915 is a dot/bar display driver that uses an analog input to control a sequence of LEDs. Each adjacent LED is driven in 3DB steps, i.e. in a logarithmic manner. It is powered by a supply voltage ranging from 3 to 25 volts. Pins 1 through 18: Each of these pins is connected to the output LED's cathode.
What is IC LM3914?
The LM3914 is a monolithic integrated circuit that detects analog voltage levels and operates ten LEDs to create a linear analog display. With a single pin, the display transforms from a moving dot to a bar graph. The LEDs' current drive is regulated and customizable, removing the need for resistors.
What two operating modes does the LM3914 have?
DOT mode and BAR mode.
What are the differences between them?
LM3914, LM3915, and LM3916 are almost similar, and they are all Positive Voltage Inputs. But their input and output voltage of them are different.
Where to use B280 High Voltage SCHOTTKY Barrier Rectifier08 April 2022550
AT24C16C I²C-Compatible Serial EEPROM: Pinout, Equivalent and Datasheet07 March 2022411
The Overview of LSM6DSL [FAQ]12 July 20212611
MPSA05 NPN Transistor: Datasheet, Test Circuit and Equivalent09 November 20213531
MIC803 3-Pin Microprocessor Supervisor Circuit: Pinout, Equivalent and Datasheet08 January 20221242
TMC2130 Driver IC: Datasheet, Pinout and Application01 September 20212637
LM5166DRCR: Datasheet, Pinout, 10-VFDFN, high efficiency12 February 2022770
MCP2561FD CAN Transceiver: Features, Equivalent and Datasheet21 January 20222590
LDR/Light Dependent Resistor: Working Principle, Types and Applications19 January 202627184
Ceramic Capacitors vs Film Capacitors: A Comprehensive Comparison Guide14 May 20253455
Using SiC-GaN to Create Two-Phase Interleaved DC-DC Converters for Plug-in Electric Vehicles03 February 20232446
Foreign Media Burst Samsung: DRAM, Foundry and Chip Defeat on All Fronts20 April 20222500
An Overview of Development Board18 December 202512945
What is Transceiver?30 September 20212129
Rectangular Connectors vs Circular Connectors: Which fits your Project Best04 July 2025813
The Through Hole of the PCB Circuit Board Must be Plugged, Why?14 February 20233221
Texas Instruments
In Stock: 5000
United States
China
Canada
Japan
Russia
Germany
United Kingdom
Singapore
Italy
Hong Kong(China)
Taiwan(China)
France
Korea
Mexico
Netherlands
Malaysia
Austria
Spain
Switzerland
Poland
Thailand
Vietnam
India
United Arab Emirates
Afghanistan
Åland Islands
Albania
Algeria
American Samoa
Andorra
Angola
Anguilla
Antigua & Barbuda
Argentina
Armenia
Aruba
Australia
Azerbaijan
Bahamas
Bahrain
Bangladesh
Barbados
Belarus
Belgium
Belize
Benin
Bermuda
Bhutan
Bolivia
Bonaire, Sint Eustatius and Saba
Bosnia & Herzegovina
Botswana
Brazil
British Indian Ocean Territory
British Virgin Islands
Brunei
Bulgaria
Burkina Faso
Burundi
Cabo Verde
Cambodia
Cameroon
Cayman Islands
Central African Republic
Chad
Chile
Christmas Island
Cocos (Keeling) Islands
Colombia
Comoros
Congo
Congo (DRC)
Cook Islands
Costa Rica
Côte d’Ivoire
Croatia
Cuba
Curaçao
Cyprus
Czechia
Denmark
Djibouti
Dominica
Dominican Republic
Ecuador
Egypt
El Salvador
Equatorial Guinea
Eritrea
Estonia
Eswatini
Ethiopia
Falkland Islands
Faroe Islands
Fiji
Finland
French Guiana
French Polynesia
Gabon
Gambia
Georgia
Ghana
Gibraltar
Greece
Greenland
Grenada
Guadeloupe
Guam
Guatemala
Guernsey
Guinea
Guinea-Bissau
Guyana
Haiti
Honduras
Hungary
Iceland
Indonesia
Iran
Iraq
Ireland
Isle of Man
Israel
Jamaica
Jersey
Jordan
Kazakhstan
Kenya
Kiribati
Kosovo
Kuwait
Kyrgyzstan
Laos
Latvia
Lebanon
Lesotho
Liberia
Libya
Liechtenstein
Lithuania
Luxembourg
Macao(China)
Madagascar
Malawi
Maldives
Mali
Malta
Marshall Islands
Martinique
Mauritania
Mauritius
Mayotte
Micronesia
Moldova
Monaco
Mongolia
Montenegro
Montserrat
Morocco
Mozambique
Myanmar
Namibia
Nauru
Nepal
New Caledonia
New Zealand
Nicaragua
Niger
Nigeria
Niue
Norfolk Island
North Korea
North Macedonia
Northern Mariana Islands
Norway
Oman
Pakistan
Palau
Palestinian Authority
Panama
Papua New Guinea
Paraguay
Peru
Philippines
Pitcairn Islands
Portugal
Puerto Rico
Qatar
Réunion
Romania
Rwanda
Samoa
San Marino
São Tomé & Príncipe
Saudi Arabia
Senegal
Serbia
Seychelles
Sierra Leone
Sint Maarten
Slovakia
Slovenia
Solomon Islands
Somalia
South Africa
South Sudan
Sri Lanka
St Helena, Ascension, Tristan da Cunha
St. Barthélemy
St. Kitts & Nevis
St. Lucia
St. Martin
St. Pierre & Miquelon
St. Vincent & Grenadines
Sudan
Suriname
Svalbard & Jan Mayen
Sweden
Syria
Tajikistan
Tanzania
Timor-Leste
Togo
Tokelau
Tonga
Trinidad & Tobago
Tunisia
Turkey
Turkmenistan
Turks & Caicos Islands
Tuvalu
U.S. Outlying Islands
U.S. Virgin Islands
Uganda
Ukraine
Uruguay
Uzbekistan
Vanuatu
Vatican City
Venezuela
Wallis & Futuna
Yemen
Zambia
Zimbabwe



















