MIC803 3-Pin Microprocessor Supervisor Circuit: Pinout, Equivalent and Datasheet
MIC803 Voltage supervisor Min 1V Max 5.5V
Unit Price: $0.305720
Ext Price: $0.31









MIC803 Voltage supervisor Min 1V Max 5.5V
The MIC803 is a single-voltage supervisor with open-drain reset output that provides accurate power supply monitoring and reset generation in microprocessor-based systems. Furthermore, Huge range of Semiconductors, Capacitors, Resistors and IcS in stock. Welcome RFQ.

What is a Voltage Supervisor?
MIC803 Pinout
The following figure is the diagram of MIC803 pinout.

Pinout
The following is the Pin Description of MIC803.
| Pin Number | Pin Name | Pin Function |
| 1 | GND | Ground Pin. |
| 2 | /RESET | /RESET goes low if Vcc falls below the reset threshold (VTH), and remains asserted for one timeout period after Vcc exceeds VTH. |
| 3 | Vcc | Power Supply Input and Monitored Voltage. |
MIC803 CAD Model
The following is the Footprint of MIC803.

Footprint
MIC803 Overview
The MIC803 is a single-voltage supervisor with open-drain reset output that provides accurate power supply monitoring and reset generation in microprocessor-based systems. The function of the device is to assert a reset signal if the power supply voltage drops below the reset threshold voltage, and retain this reset for the reset timeout period once the power supply increases above the reset threshold voltage. The MIC803 consumes only 4.5μA of supply current and offers three reset delay periods of 20ms, 140ms, and 1120ms (minimum). It features factory-programmed reset threshold levels from 2.63V to 4.63V to accommodate 3.0V, 3.3V, and 5.0V power supplies. It is available in the compact 3-pin SC-70 and SOT-23 packages.
This article provides you with a basic overview of the MIC803 3-Pin Microprocessor Supervisor Circuit, including its pin descriptions, features and specifications, etc., to help you quickly understand what MIC803 is.
MIC803 Features
● 4.5μA supply current (typical) at 3.6V
● Open-drain /RESET output
● /RESET remains valid with Vcc as low as 1V
● 20ms, 140ms, or 1120ms (minimum) reset timeout options
● 2.63V to 4.63V preset voltage threshold options
● 2.5% voltage threshold accuracy over temperature
● 3-pin SC70-3 package (2.0mm x 2.1mm)
● 3-pin SOT-23 package (2.3mm x 2.9mm)
● -40°C to +125°C junction temperature range
Specifications
- TypeParameter
- Factory Lead Time7 Weeks
- Mount
In electronic components, the term "Mount" typically refers to the method or process of physically attaching or fixing a component onto a circuit board or other electronic device. This can involve soldering, adhesive bonding, or other techniques to secure the component in place. The mounting process is crucial for ensuring proper electrical connections and mechanical stability within the electronic system. Different components may have specific mounting requirements based on their size, shape, and function, and manufacturers provide guidelines for proper mounting procedures to ensure optimal performance and reliability of the electronic device.
Surface Mount - Mounting Type
The "Mounting Type" in electronic components refers to the method used to attach or connect a component to a circuit board or other substrate, such as through-hole, surface-mount, or panel mount.
Surface Mount - Package / Case
refers to the protective housing that encases an electronic component, providing mechanical support, electrical connections, and thermal management.
TO-236-3, SC-59, SOT-23-3 - Number of Pins3
- Supplier Device Package
The parameter "Supplier Device Package" in electronic components refers to the physical packaging or housing of the component as provided by the supplier. It specifies the form factor, dimensions, and layout of the component, which are crucial for compatibility and integration into electronic circuits and systems. The supplier device package information typically includes details such as the package type (e.g., DIP, SOP, QFN), number of pins, pitch, and overall size, allowing engineers and designers to select the appropriate component for their specific application requirements. Understanding the supplier device package is essential for proper component selection, placement, and soldering during the manufacturing process to ensure optimal performance and reliability of the electronic system.
SOT-23-3 - Number of Elements1
- Watchdog TimersNo
- Operating Temperature
The operating temperature is the range of ambient temperature within which a power supply, or any other electrical equipment, operate in. This ranges from a minimum operating temperature, to a peak or maximum operating temperature, outside which, the power supply may fail.
-40°C~125°C TJ - Packaging
Semiconductor package is a carrier / shell used to contain and cover one or more semiconductor components or integrated circuits. The material of the shell can be metal, plastic, glass or ceramic.
Tape & Reel (TR) - Published2016
- Part Status
Parts can have many statuses as they progress through the configuration, analysis, review, and approval stages.
Active - Moisture Sensitivity Level (MSL)
Moisture Sensitivity Level (MSL) is a standardized rating that indicates the susceptibility of electronic components, particularly semiconductors, to moisture-induced damage during storage and the soldering process, defining the allowable exposure time to ambient conditions before they require special handling or baking to prevent failures
1 (Unlimited) - TypeSimple Reset/Power-On Reset
- Max Operating Temperature
The Maximum Operating Temperature is the maximum body temperature at which the thermistor is designed to operate for extended periods of time with acceptable stability of its electrical characteristics.
125°C - Min Operating Temperature
The "Min Operating Temperature" parameter in electronic components refers to the lowest temperature at which the component is designed to operate effectively and reliably. This parameter is crucial for ensuring the proper functioning and longevity of the component, as operating below this temperature may lead to performance issues or even damage. Manufacturers specify the minimum operating temperature to provide guidance to users on the environmental conditions in which the component can safely operate. It is important to adhere to this parameter to prevent malfunctions and ensure the overall reliability of the electronic system.
-40°C - Base Part Number
The "Base Part Number" (BPN) in electronic components serves a similar purpose to the "Base Product Number." It refers to the primary identifier for a component that captures the essential characteristics shared by a group of similar components. The BPN provides a fundamental way to reference a family or series of components without specifying all the variations and specific details.
MIC803 - Output
In electronic components, the parameter "Output" typically refers to the signal or data that is produced by the component and sent to another part of the circuit or system. The output can be in the form of voltage, current, frequency, or any other measurable quantity depending on the specific component. The output of a component is often crucial in determining its functionality and how it interacts with other components in the circuit. Understanding the output characteristics of electronic components is essential for designing and troubleshooting electronic circuits effectively.
Open Drain or Open Collector - Max Supply Voltage
In general, the absolute maximum common-mode voltage is VEE-0.3V and VCC+0.3V, but for products without a protection element at the VCC side, voltages up to the absolute maximum rated supply voltage (i.e. VEE+36V) can be supplied, regardless of supply voltage.
5.5V - Min Supply Voltage
The minimum supply voltage (V min ) is explored for sequential logic circuits by statistically simulating the impact of within-die process variations and gate-dielectric soft breakdown on data retention and hold time.
1V - Operating Supply Current
Operating Supply Current, also known as supply current or quiescent current, is a crucial parameter in electronic components that indicates the amount of current required for the device to operate under normal conditions. It represents the current drawn by the component from the power supply while it is functioning. This parameter is important for determining the power consumption of the component and is typically specified in datasheets to help designers calculate the overall power requirements of their circuits. Understanding the operating supply current is essential for ensuring proper functionality and efficiency of electronic systems.
4.5μA - Nominal Supply Current
Nominal current is the same as the rated current. It is the current drawn by the motor while delivering rated mechanical output at its shaft.
18μA - Reset
The "Reset" parameter in electronic components refers to a function that initializes or sets a device to a predefined state. It is often used to clear any temporary data, errors, or configurations that may have been stored during operation. The reset process can ensure that the device starts from a known good state, allowing for reliable performance in subsequent tasks. This parameter is critical in digital circuits and systems where proper initialization is necessary for correct functioning.
Active Low - Voltage - Threshold
Voltage - Threshold is a parameter in electronic components that refers to the minimum voltage level required to trigger a specific function or operation within the component. It is the critical voltage level at which the component transitions from one state to another, such as turning on or off. This threshold voltage is essential for ensuring the proper functioning of the component and is often specified in the component's datasheet. Understanding the voltage threshold is crucial for designing and troubleshooting electronic circuits to ensure that the component operates within its specified voltage range.
4V - Number of Voltages Monitored
Voltage monitoring relays can detect not only under-voltages and over-voltages, but also voltage-related issues such as phase imbalances, phase loss, and phase sequence. Voltage monitoring relays are designed for either single-phase or three-phase systems.
1 - Reset Timeout
The "Reset Timeout" parameter in electronic components refers to the amount of time it takes for a device to reset or return to its default state after a specific event or condition. This parameter is crucial in ensuring the proper functioning and reliability of the component, as it determines how quickly the device can recover from a fault or error situation. A shorter reset timeout typically indicates a faster response time, while a longer reset timeout may allow for more thorough error recovery processes. Designers and engineers must carefully consider the reset timeout value to meet the requirements of the application and ensure optimal performance of the electronic component.
20ms Minimum - Min Reset Threshold Voltage
Min Reset Threshold Voltage refers to the minimum voltage level at which a device, such as a microcontroller or a voltage supervisor, can reliably reset its internal state. When the supply voltage drops below this threshold, the device initiates a reset process to clear the current execution state and restore it to a known initial condition. This parameter is critical for ensuring proper operation during power fluctuations, preventing unintended behavior from occurring due to insufficient voltage.
3.8V - Max Reset Threshold Voltage
Max Reset Threshold Voltage refers to the maximum voltage level at which an electronic component, such as a voltage regulator or a reset circuit, will reset or initialize itself. When the input voltage exceeds this threshold, the component typically enters a defined state, often resetting its output or operational mode. It is a critical specification to ensure reliable operation and prevent unexpected behavior in electronic devices. This parameter is important for design considerations in applications where voltage fluctuations or spikes may occur.
4.2V - REACH SVHC
The parameter "REACH SVHC" in electronic components refers to the compliance with the Registration, Evaluation, Authorization, and Restriction of Chemicals (REACH) regulation regarding Substances of Very High Concern (SVHC). SVHCs are substances that may have serious effects on human health or the environment, and their use is regulated under REACH to ensure their safe handling and minimize their impact.Manufacturers of electronic components need to declare if their products contain any SVHCs above a certain threshold concentration and provide information on the safe use of these substances. This information allows customers to make informed decisions about the potential risks associated with using the components and take appropriate measures to mitigate any hazards.Ensuring compliance with REACH SVHC requirements is essential for electronics manufacturers to meet regulatory standards, protect human health and the environment, and maintain transparency in their supply chain. It also demonstrates a commitment to sustainability and responsible manufacturing practices in the electronics industry.
No SVHC - RoHS Status
RoHS means “Restriction of Certain Hazardous Substances” in the “Hazardous Substances Directive” in electrical and electronic equipment.
ROHS3 Compliant
MIC803 Functional Block Diagram
The following is the Block Diagram of MIC803.

Functional Diagram
MIC803 Equivalent
| Model number | Manufacturer | Description |
| MIC803-40D3VM3 | Microchip Technology Inc | 1-CHANNEL POWER SUPPLY SUPPORT CKT, PDSO3 |
| MIC803-40D4VM3 | Microchip Technology Inc | 1-CHANNEL POWER SUPPLY SUPPORT CKT, PDSO3 |
| MIC803-40D2VM3 | Microchip Technology Inc | 1-CHANNEL POWER SUPPLY SUPPORT CKT, PDSO3 |
| MIC803-40D4VM3-TR | Microchip Technology Inc | IC,VOLT DETECTOR,FIXED,+4.0V,TO-236,3PIN,PLASTIC |
Parts with Similar Specs
- ImagePart NumberManufacturerPackage / CaseNumber of PinsNumber of Voltages MonitoredResetReset TimeoutWatchdog TimerMin Supply VoltageMax Supply VoltageView Compare
MIC803-40D2VM3-TR
TO-236-3, SC-59, SOT-23-3
3
1
Active Low
20ms Minimum
No
1 V
5.5 V
TO-236-3, SC-59, SOT-23-3
3
1
Active Low
20ms Minimum
No
1 V
5.5 V
TO-236-3, SC-59, SOT-23-3
3
1
Active Low
20ms Minimum
No
1 V
5.5 V
TO-236-3, SC-59, SOT-23-3
3
1
Active Low
20ms Minimum
No
1 V
5.5 V
TO-236-3, SC-59, SOT-23-3
3
1
Active Low
-
No
2.3 V
6 V
MIC803 Applications
● Critical microcomputer power monitoring
● Portable equipment
● Solid state drives
● Printers/computers
● Embedded controllers
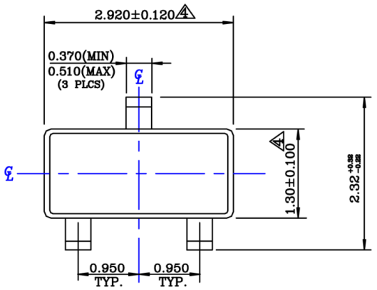
MIC803 Package
The following diagram shows the MIC803 package.

Top View

Side View

End View
MIC803 Recommended Land Pattern
The following is the Recommended Land Pattern of MIC803.

Recommended Land Pattern
MIC803 Manufacturer
Microchip Technology Inc. is a leading provider of microcontroller and analog semiconductors, providing low-risk product development, lower total system cost and faster time to market for thousands of diverse customer applications worldwide. Headquartered in Chandler, Arizona, Microchip offers outstanding technical support along with dependable delivery and quality.
Datasheet PDF
- PCN Assembly/Origin :
- Datasheets :
- PCN Packaging :
- ConflictMineralStatement :
What is the essential property of the MIC803?
The MIC803 is a single-voltage supervisor with open-drain reset output that provides accurate power supply monitoring and reset generation in microprocessor-based systems.
What is the function of the MIC803 device?
The function of the device is to assert a reset signal if the power supply voltage drops below the reset threshold voltage, and retain this reset for the reset timeout period once the power supply increases above the reset threshold voltage.
How many μA of supply current does the MIC803 consume?
The MIC803 consumes only 4.5μA of supply current and offers three reset delay periods of 20ms, 140ms, and 1120ms (minimum).
IRF730 Transistor: Datasheet, Pinout, IRF730 vs. IRF74026 November 20217669
PMEG10010ELRX Schottky Barrier Rectifier: 100V, 1A, Datasheet08 March 20221122
AD633: Datasheet, Pinout, and Modulation Guide27 January 2026592
AD8479 Precision Difference Amplifier: Pinout and Basic Connections12 November 20211812
Microchip PIC18F6310/6410/8310/8410 Series: 64/80-Pin Flash Microcontrollers with nanoWatt XLP Technology29 February 2024150
Eliminating Output Capacitors with XC6501 Series (Marking AB4): A High-Speed LDO Design Guide10 February 2026141
LM3915 Dot/Bar Display Driver: Circuit, Price and Application29 July 20215491
Introduction to NXP KL28Z Microcontroller28 February 2024209
Introduction to 6 Common Power Supply Design Circuits09 April 20226256
H-bridge: Working, Circuits and Applications03 December 202145757
What is an ASIC Chip?07 January 202613929
Understanding Adapter Cards in Modern Computers05 July 20253587
How to Choose MOSFET for Switching Power Supply?02 March 20228911
Analyzing the Latest Electronic Components Trends and Their Functions 2023 – 202421 July 20252850
FPGA in Industry and Communication: Key Players, Technologies, and Future Trends07 March 20252190
Introduction to Optical Zoom and Digital Zoom19 June 20218885
Microchip Technology
In Stock: 6000
Minimum: 1 Multiples: 1
Qty
Unit Price
Ext Price
1
$0.305720
$0.31
10
$0.288415
$2.88
100
$0.272090
$27.21
500
$0.256688
$128.34
1000
$0.242159
$242.16
Not the price you want? Send RFQ Now and we'll contact you ASAP.
Inquire for More Quantity


Product
Brand
Articles
Tools



