PSSI2021SAY Transistor: PSSI2021SAY Datasheet PDF, Circuit, SOT-353
5 Terminations 12V 5 Pin PSSI2021SAY Current regulator -65°C~150°C
Unit Price: $0.167797
Ext Price: $0.17









5 Terminations 12V 5 Pin PSSI2021SAY Current regulator -65°C~150°C
PSSI2021SAY is a Resistor-equipped PNP transistor. This article will unlock its datasheet, circuit, pinout and more details about PSSI2021SAY.
PSSI2021SAY Pinout

PSSI2021SAY Pinout
| Pin | Name | Description |
| 1 | n.c. | not connected |
| 2 | IOUT | output current |
| 3 | GND | ground |
| 4 | REXT | external resistor |
| 5 | VS | supply voltage |
PSSI2021SAY CAD Model
Symbol

PSSI2021SAY Symbol
Footprint

PSSI2021SAY Footprint
3D Model

PSSI2021SAY 3D Model
PSSI2021SAY Description
PSSI2021SAY is a resistor-equipped PNP transistor with two diodes on one chip in a SOT353 (SC-88A) plastic package. The stabilized output current of between 15 µA and 50 mA by the connection of an external resistor between pins 4 and 5.
PSSI2021SAY Feature
■ One chip integrated constant current source
■ Output current setting by use of an external resistor
■ Very small package
■ Reduces component count and board space
PSSI2021SAY Application
■ Automotive applications
■ The generic constant current source
■ Constant current LED driver
■ Active bias control for audio amplifiers
PSSI2021SAY Typical Applilcation Circuit
The following figure shows a typical application circuit for an LED driver. The constant current ensures a constant LED brightness.

PSSI2021SAY-LED Driver Application Diagram
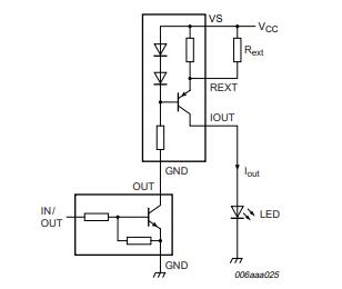
The output can be switched ON and OFF by connecting a resistor-equipped transistor (RET, e.g. PDTC124XU) as shown below.

PSSI2021SAY-Switching the current ON/OFF; application Diagram
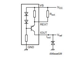
The PSSI2021SAY supplies a constant current to the Zener diode regardless of supply voltage variation, resulting in a constant reference voltage (see below).

PSSI2021SAY-Voltage Reference Application Diagram
Specifications
- TypeParameter
- Factory Lead Time4 Weeks
- Mounting Type
The "Mounting Type" in electronic components refers to the method used to attach or connect a component to a circuit board or other substrate, such as through-hole, surface-mount, or panel mount.
Surface Mount - Package / Case
refers to the protective housing that encases an electronic component, providing mechanical support, electrical connections, and thermal management.
5-TSSOP, SC-70-5, SOT-353 - Surface Mount
having leads that are designed to be soldered on the side of a circuit board that the body of the component is mounted on.
YES - Number of Pins5
- Operating Temperature
The operating temperature is the range of ambient temperature within which a power supply, or any other electrical equipment, operate in. This ranges from a minimum operating temperature, to a peak or maximum operating temperature, outside which, the power supply may fail.
-65°C~150°C - Packaging
Semiconductor package is a carrier / shell used to contain and cover one or more semiconductor components or integrated circuits. The material of the shell can be metal, plastic, glass or ceramic.
Tape & Reel (TR) - Published2009
- JESD-609 Code
The "JESD-609 Code" in electronic components refers to a standardized marking code that indicates the lead-free solder composition and finish of electronic components for compliance with environmental regulations.
e3 - Part Status
Parts can have many statuses as they progress through the configuration, analysis, review, and approval stages.
Active - Moisture Sensitivity Level (MSL)
Moisture Sensitivity Level (MSL) is a standardized rating that indicates the susceptibility of electronic components, particularly semiconductors, to moisture-induced damage during storage and the soldering process, defining the allowable exposure time to ambient conditions before they require special handling or baking to prevent failures
1 (Unlimited) - Number of Terminations5
- Terminal Finish
Terminal Finish refers to the surface treatment applied to the terminals or leads of electronic components to enhance their performance and longevity. It can improve solderability, corrosion resistance, and overall reliability of the connection in electronic assemblies. Common finishes include nickel, gold, and tin, each possessing distinct properties suitable for various applications. The choice of terminal finish can significantly impact the durability and effectiveness of electronic devices.
Tin (Sn) - Terminal Position
In electronic components, the term "Terminal Position" refers to the physical location of the connection points on the component where external electrical connections can be made. These connection points, known as terminals, are typically used to attach wires, leads, or other components to the main body of the electronic component. The terminal position is important for ensuring proper connectivity and functionality of the component within a circuit. It is often specified in technical datasheets or component specifications to help designers and engineers understand how to properly integrate the component into their circuit designs.
DUAL - Terminal Form
Occurring at or forming the end of a series, succession, or the like; closing; concluding.
GULL WING - Peak Reflow Temperature (Cel)
Peak Reflow Temperature (Cel) is a parameter that specifies the maximum temperature at which an electronic component can be exposed during the reflow soldering process. Reflow soldering is a common method used to attach electronic components to a circuit board. The Peak Reflow Temperature is crucial because it ensures that the component is not damaged or degraded during the soldering process. Exceeding the specified Peak Reflow Temperature can lead to issues such as component failure, reduced performance, or even permanent damage to the component. It is important for manufacturers and assemblers to adhere to the recommended Peak Reflow Temperature to ensure the reliability and functionality of the electronic components.
260 - Supply Voltage
Supply voltage refers to the electrical potential difference provided to an electronic component or circuit. It is crucial for the proper operation of devices, as it powers their functions and determines performance characteristics. The supply voltage must be within specified limits to ensure reliability and prevent damage to components. Different electronic devices have specific supply voltage requirements, which can vary widely depending on their design and intended application.
12V - Time@Peak Reflow Temperature-Max (s)
Time@Peak Reflow Temperature-Max (s) refers to the maximum duration that an electronic component can be exposed to the peak reflow temperature during the soldering process, which is crucial for ensuring reliable solder joint formation without damaging the component.
30 - Base Part Number
The "Base Part Number" (BPN) in electronic components serves a similar purpose to the "Base Product Number." It refers to the primary identifier for a component that captures the essential characteristics shared by a group of similar components. The BPN provides a fundamental way to reference a family or series of components without specifying all the variations and specific details.
PSSI2021SAY - Function
The parameter "Function" in electronic components refers to the specific role or purpose that the component serves within an electronic circuit. It defines how the component interacts with other elements, influences the flow of electrical signals, and contributes to the overall behavior of the system. Functions can include amplification, signal processing, switching, filtering, and energy storage, among others. Understanding the function of each component is essential for designing effective and efficient electronic systems.
Current Source - Polarity
In electronic components, polarity refers to the orientation or direction in which the component must be connected in a circuit to function properly. Components such as diodes, capacitors, and LEDs have polarity markings to indicate which terminal should be connected to the positive or negative side of the circuit. Connecting a component with incorrect polarity can lead to malfunction or damage. It is important to pay attention to polarity markings and follow the manufacturer's instructions to ensure proper operation of electronic components.
PNP - Analog IC - Other Type
Analog IC - Other Type is a parameter used to categorize electronic components that are integrated circuits (ICs) designed for analog signal processing but do not fall into more specific subcategories such as amplifiers, comparators, or voltage regulators. These ICs may include specialized analog functions such as analog-to-digital converters (ADCs), digital-to-analog converters (DACs), voltage references, or signal conditioning circuits. They are typically used in various applications where precise analog signal processing is required, such as in audio equipment, instrumentation, communication systems, and industrial control systems. Manufacturers provide detailed specifications for these components to help engineers select the most suitable IC for their specific design requirements.
ANALOG CIRCUIT - Power Dissipation
the process by which an electronic or electrical device produces heat (energy loss or waste) as an undesirable derivative of its primary action.
335mW - Max Junction Temperature (Tj)
Max Junction Temperature (Tj) refers to the maximum allowable temperature at the junction of a semiconductor device, such as a transistor or integrated circuit. It is a critical parameter that influences the performance, reliability, and lifespan of the component. Exceeding this temperature can lead to thermal runaway, breakdown, or permanent damage to the device. Proper thermal management is essential to ensure the junction temperature remains within safe operating limits during device operation.
150°C - Ambient Temperature Range High
This varies from person to person, but it is somewhere between 68 and 77 degrees F on average. The temperature setting that is comfortable for an individual may fluctuate with humidity and outside temperature as well. The temperature of an air conditioned room can also be considered ambient temperature.
150°C - Height1.1mm
- Length2mm
- RoHS Status
RoHS means “Restriction of Certain Hazardous Substances” in the “Hazardous Substances Directive” in electrical and electronic equipment.
ROHS3 Compliant
Parts with Similar Specs
- ImagePart NumberManufacturerPackage / CasePolarityPower DissipationMounting TypeMoisture Sensitivity Level (MSL)Part StatusNumber of TerminationsMountView Compare
PSSI2021SAY,115
5-TSSOP, SC-70-5, SOT-353
PNP
335 mW
Surface Mount
1 (Unlimited)
Active
5
-
5-TSSOP, SC-70-5, SOT-353
PNP
150 mW
Surface Mount
1 (Unlimited)
Active
5
Surface Mount
5-TSSOP, SC-70-5, SOT-353
NPN, PNP
150 mW
Surface Mount
1 (Unlimited)
Active
5
Surface Mount
5-TSSOP, SC-70-5, SOT-353
PNP
-
Surface Mount
1 (Unlimited)
Active
5
Surface Mount
5-TSSOP, SC-70-5, SOT-353
PNP
-
Surface Mount
1 (Unlimited)
Active
-
Surface Mount
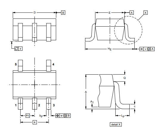
PSSI2021SAY Package

PSSI2021SAY Package
PSSI2021SAY Manufacturer
Nexperia is a dedicated global leader in Discretes, Logic and MOSFETs devices. This new company became independent at the beginning of 2017. Focused on efficiency, Nexperia produces consistently reliable semiconductor components at a high volume: 85 billion annually. The company’s extensive portfolio meets the stringent standards set by the Automotive industry. And industry-leading small packages, produced in their own manufacturing facilities, combine power and thermal efficiency with best-in-class quality levels. Built on over half a century of expertise, Nexperia has 11,000 employees across Asia, Europe and the U.S. supporting customers globally.
Datasheet PDF
- PCN Packaging :
- Datasheets :
- RohsStatement :
Trend Analysis
What is PSSI2021SAY?
PSSI2021SAY is a resistor-equipped PNP transistor with two diodes on one chip in a SOT353 (SC-88A) plastic package. The stabilized output current of between 15 µA and 50 mA by the connection of an external resistor between pins 4 and 5.
What is resistor equipped transistor?
What are Resistor-Equipped Transistors (RETs)? A RET is a bipolar transistor that has a built-in biasing network that consists of a series base resistor and base-emitter resistor.
Does a transistor need a resistor?
A transistor without a resistor on the base is like an LED with no current-limiting resistor. Recall that, in a way, a transistor is just a pair of interconnected diodes. We're forward-biasing the base-emitter diode to turn the load on. The diode only needs 0.6V to turn on, more voltage than that means more current.
Designing with ATmega328PB: Datasheet, Pinout, and IoT Node Guide05 February 2026429
A Comprehensive Guide to the Microchip PIC12F629/675 Microcontroller29 February 2024802
Comprehensive Datasheet Analysis of STM8S003F3P6 Microcontroller24 July 20252242
NC7SZ125P5X: Overview, Features, and Applications19 December 2023571
ATMEGA8L-8PU 8-bit Microcontrollers - MCU 8kB Flash: Datasheet, Pinout, and Package information.21 February 20223819
LM5117 Wide Input Sync Buck with Current Monitor: Pinout and Datasheet28 September 20222046
A Comprehensive Overview of the PIC18(L)F2X/4X/5XK42 Microcontroller Family: Architecture, Core Features, and Operation29 February 2024201
POWERSTEP01: Overview, Features, and ApplicationsPOWERSTEP01: Overview, Features, and Applications30 November 20231114
Assessing the Effectiveness of Transient Voltage Suppressors in Modern Electronics05 June 2025392
Analyzing Temperature Parameters of Si, SiC and GaN Power Devices09 September 20231253
Texas Semiconductor Summit: A Step Towards Overcoming Chip Shortage14 October 20232471
What is a Radar Sensor?04 September 202011049
What is Instrument Transformer?08 January 20227156
Structure, Types and Working of Dry Cell04 March 202111829
What is Bluetooth Low Energy (BLE) Audio Technology?26 April 20226358
Introduction to Flash Memory31 October 20258188
Nexperia USA Inc.
In Stock: 8713
Minimum: 1 Multiples: 1
Qty
Unit Price
Ext Price
1
$0.167797
$0.17
10
$0.158299
$1.58
100
$0.149339
$14.93
500
$0.140886
$70.44
1000
$0.132911
$132.91
Not the price you want? Send RFQ Now and we'll contact you ASAP.
Inquire for More Quantity


Product
Brand
Articles
Tools

