SIM800L VS SIM900A[Video&FAQ]: How to differentiate them?
SIM800L datasheet pdf and Unclassified product details from SIMCom Wireless Solutions stock available at Utmel









SIM800L and SIM900A all belong to the small cellular modules that can send and receive GPRS data, send and receive SMS, and make and receive voice calls. This article is going to talk about the pinout, features, application, and more detailed information about them.

Sim800L and sim900A Issues
- Overview of SIM800L
- Overview of SIM900A
- SIM800L VS SIM900A Features
- SIM800L VS SIM900A Pinout
- SIM800L VS SIM900A Dimensions
- How to use the SIM800L?
- How to use the SIM900A?
- SIM800L VS SIM900A Equivalents
- SIM800L VS SIM900A Applications
- SIM800L VS SIM900A Specifications
- Major Differences Between SIM800L and SIM900A
- Conclusion of SIM800L VS SIM900A
- SIM800L VS SIM900A Datasheet
- Popularity by Region
Overview of SIM800L
The Mini GSM / GPRS breakout board is based on the SIM800L module, which supports a quad-band GSM/GPRS network and can send GPRS and SMS message data remotely. The board is small in size and consumes little power. In sleep mode, the current consumption is as low as 1mA thanks to the power conservation technology. It uses a UART port to interface with the microcontroller and supports commands such as 3GPP TS 27.007, 27.005 and SIMCOM improved AT Commands.
The SIM800L Component allows you to make phone calls, send text messages, and receive them. A UART bus must be used to link the device, which must support both receiving and transmitting lines. The UART bus must be set to the same speed as the module, which is 9600bps by default. +VCC, GND, RX, and TX are the needed connecting wires.
Overview of SIM900A
SIM900A Modem is based on SIMCOM's Dual Band GSM/GPRS SIM900A modem. It operates over the 900/ 1800 MHz band. SIM900A can automatically search these two bands. AT Commands can also be used to change the frequency bands. The baud rate can be changed from 1200-to 115200 using the AT command. The inbuilt TCP/IP stack on the GSM/GPRS modem allows you to connect to the internet through GPRS.
SIM900A is a wireless module that is both small and dependable. This is a complete GSM/GPRS module in SMT format, developed with a high-performance single-chip processor based on the AMR926EJ-Score, allowing for tiny dimensions and cost-effective solutions.
SIM800L VS SIM900A Features
SIM800L Features
Supports Quad-band: GSM850, EGSM900, DCS1800 and PCS1900
Connect onto any global GSM network with any 2G SIM
Make and receive voice calls using an external 8Ω speaker & electret microphone
Send and receive SMS messages
Send and receive GPRS data (TCP/IP, HTTP, etc.)
Scan and receive FM radio broadcasts
Transmit Power:
-Class 4 (2W) for GSM850
-Class 1 (1W) for DCS1800
Serial-based AT Command Set
FL connectors for cell antennae
Accepts Micro SIM Card
SIM900A Features
Single supply voltage: 3.4V – 4.5V
Power saving mode: Typical power consumption in SLEEP mode is 1.5mA
Frequency bands: SIM900A Dual-band: EGSM900, DCS1800. The SIM900A can search the two frequency bands automatically. The frequency bands also can be set by AT command.
GSM class: Small MS
GPRS connectivity:GPRS multi-slot class 10 (default) , GPRS multi-slot class 8 (option)
Transmitting power: Class 4 (2W) at EGSM 900, Class 1 (1W) at DCS 1800
Operating Temperature: -30ºC to +80ºC
Storage Temperature: -5ºC to +90ºC
DATA GPRS: download transfer max is 85.6KBps, Upload transfer max 42.8KBps
Supports CSD, USSD, SMS, FAX
Supports MIC and Audio Input
Speaker Input
Features keypad interface
Features display interface
Features Real-Time Clock
Supports UART interface
Supports single SIM card
Firmware upgrade by debug port
Communication by using AT commands
SIM800L VS SIM900A Pinout

SIM800L Pinout

SIM900A Pinout
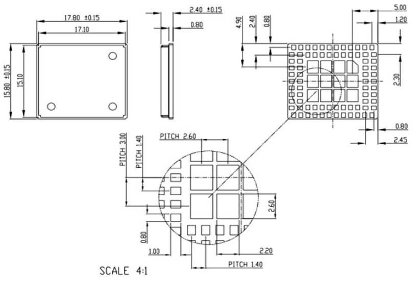
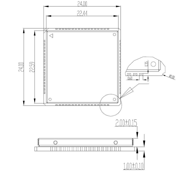
SIM800L VS SIM900A Dimensions

SIM800L Dimensions

SIM900A Dimensions
How to use the SIM800L?
The SIM800L is a GSM module with a serial interface. It can send and receive text messages and receive phone calls. It can also connect to the internet and receive FM signals. The SIM800L can be connected to a microcontroller using the serial UART interface, and in the example shown below, connected to an Arduino.

The module recognizes AT commands, which can be used to do things like check signal strength, get the SIM card number, check the network connection and battery state, in addition to reading texts, and making and receiving calls.
How to use the SIM900A?

The module is usually powered by a conventional +4.0V power source. It requires +4.5V regulated electricity to operate, and any greater voltage may cause harm to the module. Furthermore, the power source must be capable of delivering a peak current of 2A. The UART interface is set up as shown in the diagram. Simply connect the RXD of the module to the TXD of the Arduino, and the TXD to the RXD of the ARDUINO.
For voltage reference, the controller and module's ground must be linked. The MIC is connected to AUDIO IN, while the speaker or headset is connected to AUDIO OUT. Finally, we must attach a functional GSM SIM card to the module. On powering the module, the NET LIGHT LED will blink periodically to state a successful connection.
SIM800L VS SIM900A Applications
SIM800L Applications
Remote System Monitoring
Home Alarm System
Remote Controlling System
Security Access Control
Vehicle tracking
SMS Gateway
Pre-paid Electricity
SIM900A Applications
Cellular Communication
Robotics
Mobile Phone Accessories
Servers
Computer Peripherals
Automobile
USB Dongles
SIM800L VS SIM900A Specifications
| Specification | SIM800L | SIM900A |
| Supply voltage | 3.4V to 4.4V | 3.4V to 4.4V |
| Bands supported | GSM850, EGSM900, DCS1800, PCS1900 | GSM850, EGSM900, DCS1800, PCS1900 |
| Cellular network | 2G | 2G |
| Audio I/O | 8Ω speaker, electret mic | Earphone, electret mic |
| Data | SMS, GPRS, FM | SMS, GPRS, FM |
| Transmit power | Class 4 (2W) GSM850 Class 1 (1W) DCS1800 | Class 4 (2W) GSM850 Class 1 (1W) DCS1800 |
| Communication with microcontroller | Serial based AT | Serial based AT |
| Antenna | FL connector | UFL, SMA connectors |
| SIM Card | Micro SIM | Full-size SIM |
Major Differences Between SIM800L and SIM900A
| SIM800L | SIM900A |
| Newer module | Older module, nearing obsolescence |
| Support for Bluetooth and FM | No support for Bluetooth |
Conclusion of SIM800L VS SIM900A
When comparing the SIM800L with SIM900A in many aspects, the major difference between them is that the SIM800L is a newer module, and the SIM900A is the older module. Additionally, the SIM800L Supports Bluetooth and FM, while the SIM900A does not support Bluetooth. The SIM800L is a newer and improved version of the SIM900A that includes more capabilities such as Bluetooth connectivity and FM reception, as well as greater signal reception and a lower price.
SIM800L VS SIM900A Datasheet
Popularity by Region
What is a SIM800L?
The SIM800L is a small cellular module that can send and receive GPRS data, send and receive SMS, and make and receive voice calls. This module's low cost, small footprint, and quad-band frequency capabilities make it an ideal choice for any project requiring long-range connectivity.
What is a SIM900A?
The SIM900A GSM Module is the smallest and cheapest GPRS/GSM module available. In most embedded applications, Arduino and microcontroller are used. The module uses GPRS/GSM technology to communicate with a mobile sim card.
What are the differences between the SIM800L and SIM900A?
The SIM800L and SIM900A GSM modules are extremely identical, with the exception that the SIM800L model supports Bluetooth and has AT instructions for Bluetooth/FM.
Which is better SIM800 vs SIM900?
The SIM800C modem works with a supply voltage range of 3.4 to 4.4 volts (reduced operating range!). The SIM900 and SIM900A modules have a supply voltage range of 3.2V to 4.8V. The SIM800 has a pin for connecting to a Bluetooth Antenna. Apart from these distinctions, the hardware design is nearly identical.
Does SIM800L support 3G?
The SIM800 is a GSM/GPRS-only modem module. It can use either a 2G-only SIM or a 3G/4G USIM.
CD4081 Quad 2 Input AND Gate IC: Pinout, Datasheet and Circuit28 October 202110875
SN74HC74N Flip-Flop: Pinout, Applications and Datasheet13 December 20234315
74LS74 Dual D Flip-Flop: How to Use it?12 November 202118894
SPC584Bx: 32-bit Power Architecture Microcontroller for Automotive ASIL-B Applications29 February 2024302
74LS04: Circuits, Applications, and Pinout31 March 20224347
STSPIN32F0 BLDC Controller: Features, Applications and Datasheet20 November 20231767
CD4015 Logic - Shift Registers 5V 16-DIP 3V~18V[Video]: Datasheet, Pinout, and Equivalents26 March 20227058
PMBT2222A Transistor: PMBT2222A, SOT23, Datasheet28 April 20222346
Introduction to Semiconductor Devices17 October 202514749
Basic Introduction to Color Sensor07 January 202613129
What Makes a CPU?30 March 20221619
3-D Printing as Part of the Next Industrial Revolution15 November 20191585
What is Gallium nitride (GaN) and where can we use it?23 April 20224546
Various Reasons for the Failure, Explosion and Burning of Tantalum Capacitors02 June 202210451
In-Depth Analysis of Q1 2026 Memory Chip Market & Stocking Guide13 March 20268452
All You Need to Know about Ultrasonic Sensors25 October 202511552
SIMCom Wireless Solutions
In Stock: 45
United States
China
Canada
Japan
Russia
Germany
United Kingdom
Singapore
Italy
Hong Kong(China)
Taiwan(China)
France
Korea
Mexico
Netherlands
Malaysia
Austria
Spain
Switzerland
Poland
Thailand
Vietnam
India
United Arab Emirates
Afghanistan
Åland Islands
Albania
Algeria
American Samoa
Andorra
Angola
Anguilla
Antigua & Barbuda
Argentina
Armenia
Aruba
Australia
Azerbaijan
Bahamas
Bahrain
Bangladesh
Barbados
Belarus
Belgium
Belize
Benin
Bermuda
Bhutan
Bolivia
Bonaire, Sint Eustatius and Saba
Bosnia & Herzegovina
Botswana
Brazil
British Indian Ocean Territory
British Virgin Islands
Brunei
Bulgaria
Burkina Faso
Burundi
Cabo Verde
Cambodia
Cameroon
Cayman Islands
Central African Republic
Chad
Chile
Christmas Island
Cocos (Keeling) Islands
Colombia
Comoros
Congo
Congo (DRC)
Cook Islands
Costa Rica
Côte d’Ivoire
Croatia
Cuba
Curaçao
Cyprus
Czechia
Denmark
Djibouti
Dominica
Dominican Republic
Ecuador
Egypt
El Salvador
Equatorial Guinea
Eritrea
Estonia
Eswatini
Ethiopia
Falkland Islands
Faroe Islands
Fiji
Finland
French Guiana
French Polynesia
Gabon
Gambia
Georgia
Ghana
Gibraltar
Greece
Greenland
Grenada
Guadeloupe
Guam
Guatemala
Guernsey
Guinea
Guinea-Bissau
Guyana
Haiti
Honduras
Hungary
Iceland
Indonesia
Iran
Iraq
Ireland
Isle of Man
Israel
Jamaica
Jersey
Jordan
Kazakhstan
Kenya
Kiribati
Kosovo
Kuwait
Kyrgyzstan
Laos
Latvia
Lebanon
Lesotho
Liberia
Libya
Liechtenstein
Lithuania
Luxembourg
Macao(China)
Madagascar
Malawi
Maldives
Mali
Malta
Marshall Islands
Martinique
Mauritania
Mauritius
Mayotte
Micronesia
Moldova
Monaco
Mongolia
Montenegro
Montserrat
Morocco
Mozambique
Myanmar
Namibia
Nauru
Nepal
New Caledonia
New Zealand
Nicaragua
Niger
Nigeria
Niue
Norfolk Island
North Korea
North Macedonia
Northern Mariana Islands
Norway
Oman
Pakistan
Palau
Palestinian Authority
Panama
Papua New Guinea
Paraguay
Peru
Philippines
Pitcairn Islands
Portugal
Puerto Rico
Qatar
Réunion
Romania
Rwanda
Samoa
San Marino
São Tomé & Príncipe
Saudi Arabia
Senegal
Serbia
Seychelles
Sierra Leone
Sint Maarten
Slovakia
Slovenia
Solomon Islands
Somalia
South Africa
South Sudan
Sri Lanka
St Helena, Ascension, Tristan da Cunha
St. Barthélemy
St. Kitts & Nevis
St. Lucia
St. Martin
St. Pierre & Miquelon
St. Vincent & Grenadines
Sudan
Suriname
Svalbard & Jan Mayen
Sweden
Syria
Tajikistan
Tanzania
Timor-Leste
Togo
Tokelau
Tonga
Trinidad & Tobago
Tunisia
Turkey
Turkmenistan
Turks & Caicos Islands
Tuvalu
U.S. Outlying Islands
U.S. Virgin Islands
Uganda
Ukraine
Uruguay
Uzbekistan
Vanuatu
Vatican City
Venezuela
Wallis & Futuna
Yemen
Zambia
Zimbabwe


Product
Brand
Articles
Tools
